Мой диплом Ангарский (1226939), страница 2
Текст из файла (страница 2)
- ВЛ 500 кВ Бурейская ГЭС – Хабаровская № 1;
- ВЛ 500 кВ Бурейская ГЭС – Хабаровская № 2;
- ВЛ 220 кВ Февральская – Этеркан;
- ВЛ 220 кВ Архара – Облучье;
- ВЛ 220 кВ Ядрин/т – Облучье.
Энергосистемы Хабаровского края и Еврейской автономной области и Приморского края связаны следующими линиями электропередач:
- ВЛ 500 кВ Приморская ГРСЭ – Хехцир 2;
- ВЛ 220 кВ Приморская ГРЭС – Бикин/т;
- ВЛ 220 кВ Приморская ГРЭС – Розенгартовка/т;
- ВЛ 220 кВ Приморская ГРЭС – НПС -36;
- ВЛ 110 кВ Приморская ГРЭС – Бикин.
Электроснабжение района размещения ПС 220 кВ Тырма осуществляется от ПС 220 кВ Ургал и ПС 220 кВ Лондоко по протяженной (283,5 км) ВЛ 220 кВ Лондоко – Ургал с отпайками. К ВЛ 220 кВ Лондоко – Ургал с отпайками подключены ПС 220 кВ Тырма и ПС 220 кВ Кульдур.
На ПС 220 кВ Ургал установлены два автотрансформатора 220/110/35 кВ мощностью 63 МВА и трансформаторы 2х4 МВА. В районе ПС получили развитие электрические сети 35 кВ (120,7 км, 5 ПС), связанные с ПС Ургал линиями электропередач: Ургал – Северная и Ургал – Ургальская ЦЭС.
На ПС 220 кВ Лондоко установлены два двухобмоточных трансформатора 220/35 кВ мощностью 40 и 20 МВА. ПС 220 кВ Кульдур получает питание по ответвлению от ВЛ 220 кВ Лондоко – Ургал с отпайками. На ПС установлен трансформатор 220/35 кВ, мощностью 20 МВА и трансформатор 35/10 кВ мощностью 4 МВА. Существующая ПС 220 кВ Тырма получает питание по ответвлению от ВЛ 220 кВ Лондоко – Ургал с отпайками. На ПС 220 кВ Ургал и Лондоко установлены трансформаторы тока, которые являются ограничивающими элементами для ВЛ 220 кВ Лондоко – Ургал с отпайками (длительно допустимый ток – 630 А).
Для компенсации зарядной мощности протяженных ВЛ 220 кВ и снижения напряжения сети в районе размещения ПС 220 кВ Тырма, в качестве устройств компенсации реактивной мощности установлены шунтирующие реакторы.
Схема электроснабжения района размещения ПС 220 кВ Тырма обеспечивает электроснабжения потребителей существующей ПС 220 кВ Тырма и ПС 220 кВ Кульдур по 3 категории надежности. При отключении ВЛ 220 кВ Лондоко – Ургал с отпайками или одного трансформатора, «ответвительные» подстанции полностью теряют питание от энергосистемы. Для обеспечения потребителей 2 категории надежности, в сетевом районе ОАО «РЖД» на электростанции установлены два ДГУ по 1,2 МВт каждый, которые находятся в холодном резерве.
Прогноз уровней электропотребления и электрических нагрузок энергосистемы Хабаровского края и ЕАО на перспективу до 2020 г. принят в соответствии со схемой и программой развития Единой энергетической системы России на 2014 - 2020 годы.
В период 2018 – 2020 года планируется вывод из эксплуатации следующих генерирующих объектов:
- Майской ГРЭС мощностью 78 МВт;
- турбоагрегатов суммарной мощностью 52,5 МВт на Комсомольской ТЭЦ -1,2;
- турбоагрегатов суммарной мощностью 85 МВт на Амурской ТЭЦ-1.
Для покрытия растущего потребления электрической мощности в Ванино – Советско – Гаванском энергоузле, РАО «ЭС Востока» в 2018 году планирует к вводу ТЭЦ в г. Советская Гавань, которая помимо электроснабжения будет обеспечивать централизованным теплоснабжением г. Советская Гавань и близлежащие поселки.
В Хабаровской энергосистеме, согласно схеме и программе развития 2014 – 2020 годов, намечается строительство электросетевых объектов 220 кВ и выше в период до 2020 года:
- ВЛ 500 кВ Приморская ГРЭС – Хабаровская № 2 в 2020 году;
- ПС 220 кВ Амур с заходами ВЛ 220 кВ Хабаровская ТЭЦ-3 – РЦ 2 цепь в 2015 году;
- ВЛ 220 кВ Комсомольская – Селихино – Ванино в 2016 году.
Для внешнего электроснабжения ВСТО планируется строительство ПС 220 кВ НПС-32 в 2019 году. Присоединение ПС 220 кВ НПС-32 планируется по схеме «заход-выход» к BJI 220 кВ Хабаровская – Биробиджан с отпайкой на ПС Икура/т № 1.
Развитие электрической сети 110 кВ района размещения ПС 220 кВ Тырма в рассматриваемый период до 2021 г. определяется электроснабжением электроустановок ОАО «Ургалуголь»: строительство ПС 110/35/6 кВ Фабрика с двумя трехобмоточными трансформаторами мощностью 25 МВА каждый и двух одноцепных ВЛ 110 кВ от ПС 220 кВ Ургал до места расположения предполагаемой ПС 110/35/6 кВ Фабрика и двух одноцепных ВЛ 35 кВ Фабрика – Северная в 2014 году.
Для присоединения проектируемой ПС 220 кВ Тырма к сетям энергосистемы в соответствии техническими условиями на технологическое присоединение к электрическим сетям ОАО «ФСК ЕЭС» энергопринимающих устройств ОАО «РЖД», требуется сооружение:
- строительство новой ПС 220/10 кВ Тырма с установкой одного трансформатора 220/10 кВ мощностью 10 МВА, оснащённого устройством РПН;
- перезаводки существующего захода на новое ОРУ 220 кВ ПС 220/10 кВ Тырма, длиной 50 м.
Схема внешнего электроснабжения ТП 220/10 кВ ст. Тырма представлена на рисунке 1.1.
-
Описание схемы внутреннего электроснабжения
На подстанции 220 кВ Тырма устанавливается трёхфазный трансформатор 220/10 кВ мощностью 10 МВ·А. На стороне 10 кВ трансформатор подключается к РУ 10 кВ, выполненному по схеме "Одна рабочая несекционированная система шин". На секции шин 220 кВ запроектирован четырехобмоточный трансформатор напряжения с тремя вторичными обмотками классов точности 0,2/0,5/3Р. На стороне 220 кВ в цепи трансформатора Т1 предусматриваются выносные трансформаторы тока с двумя вторичными обмотками класса точности 0,2S/0,5 и вторичным током 1 А для учетной обмотки, 5 А для обмотки измерения. На стороне 220 кВ в цепи трансформатора Т1 в элегазовом выключателе 220 кВ предусматриваются встроенные трансформаторы тока (ТТ) с четырьмя вторичными обмотками класса точности 5Р/5Р/5Р/5Р и вторичным током 5А. В цепи выключателя ввода 10 кВ трансформатора Т1 предусмотрены трансформаторы тока с четырьмя вторичными обмотками класса точности 0,5S/0,5/ 5Р/5Р и вторичным током 5А. Для фидеров 10 кВ трансформатора Т1 предусмотрены трансформаторы тока с тремя вторичными обмотками класса точности 0,5S/0,5/10Р и вторичным током 5А. На подстанции предусмотрен РУ-10 кВ с двумя ячейками отходящих линий 10 кВ, ячейкой ввода 10 кВ, ячейкой трансформатора напряжения, одной ячейкой ввода трансформатора собственных нужд и понижающим сухим силовым трансформатором 10/0,4 кВ собственных нужд мощность 100 кВ·А. РУ 10 кВ проектируемого КРУ 10 кВ выполняется ячейками одностороннего обслуживания. Оперативный ток па ПС выполняется постоянным, напряжением 220 В.
В проекте приняты типовые конструкции ОРУ-220 кВ. Шаг ячейки ОРУ-220 кВ составляет 15,4 м. Ошиновка выполняется сталеалюминевыми проводами (гибкая). Модуль КРУ-10 кВ устанавливается отдельно на территории ПС 220 кВ "Тырма". Шкафы управления, защиты, ЩСН, ЩПТ, ЗВУ и аппаратуры связи, телемеханики располагаются в здании ОПУ.
2. ВЫБОР ГЛАВНОЙ СХЕМЫ ПОДСТАНЦИИ
Выбор главной схемы электрических соединений подстанции следует производить с учетом следующих факторов:
-
типа проектируемой подстанции;
-
числа и мощности устанавливаемых силовых трансформаторов;
-
категорийности потребителей электрической энергии по надежности электроснабжения;
-
уровней напряжения;
-
количества питающих линий и отходящих присоединений;
-
величин токов короткого замыкания;
-
экономичности принимаемых вариантов;
-
гибкости и удобства в эксплуатации;
-
безопасности обслуживания и др.
Варианты схем электрических соединений приведены в электротехническом справочнике [1].
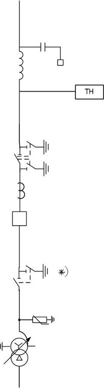
Принимаем схему «№220-3Н Блок (линия-трансформатор) с выключателем».
Схема «3Н-блок (линия-трансформатор) с выключателем» применяется на напряжении до 500 кВ включительно при необходимости автоматического отключения поврежденного трансформатора от линии, питающей несколько ПС. Схема может быть дополнена другим параллельно установленным выключателем. В таком виде схема рекомендуется и для пускового этапа РУ 750кВ.
РУ по схемам 1 и 3Н могут развиваться за счет установки, при необходимости, другого аналогичного блока без перемычки на ВН. Такое решение рекомендуется применять при ограниченной площади застройки. Применение однотрансформаторных подстанций допускается при обеспечении требуемой надежности электроснабжения потребителей.
схема электрических
соединений подстанции
Разъединитель, отмеченный *) предусматривается при наличии питания со стороны СН.
3 ПРОВЕРКА МОЩНОСТИ ТРАНСФОРМАТОРА И РАСЧЕТ ТОКОВ КОРОТКОГО ЗАМЫКАНИЯ
3.1 Расчет мощности на шинах 10 кВ с учетом мощности трансформатора собственных нужд
Полная мощность всех потребителей 10 кВ:
Smax.10 = KР.M. * (1+(Pпост+Рпер)/100)*Sпотр (3.1)
где Кр.м. – коэффициент разновременности максимумов нагрузок подстанции = 0,92; Рпост – постоянные потери, принимаем = 1…2 %; Рпер – переменные потери, принимаем = 5…8 %; Sпотр.10 = 2847,5 кВА, согласно суточного графика нагрузки 10 кВ.
Smax.10 = 0,92 * (1+(2+8)/100)*2280 = 2881,67 кВА.
Полная мощность всех потребителей 10 кВ с учётом трансформатора собственных нужд:
Smax.ш.10 = Smax + Sн.ТСН, (3.2)
Smax.ш.10 = 2881,67 +100 = 2981,67 кВА.
3.2 Максимальная полная мощность
При двухобмоточных трансформаторах с первичным напряжением 220 кВ и вторичным – 10 кВ суммарная максимальная нагрузка первичной обмотки определяется:
Smax.220 = (Smax.10)К1р, (3.3)
где К1р – коэффициент разновременности максимумов нагрузок вторичных обмоток трансформаторов, равный 0,9….0,95.
Smax.110 = (2981,67)*0,95 = 2737,59 кВА
Согласно 2 выбираем трансформатор ТДН – 10000/220.
Таблица 3.1 – Характеристики трансформатора ТДН-10000
| Номинальное напряжение обмотки ВН | Uвн= 230 кВ |
| Номинальное напряжение обмотки НН | Uнн= 11 кВ |
| Потери при коротком замыкании | Ркз = 64 кВт |
| Напряжение короткого замыкания ВН-НН | Uквн = 10,5% |
| Потери на холостой ход | Рхх = 20кВт |
| Ток холостого хода | Iх/х =0,6% |
| Диапазон РПН со стороны ВН % U ном | ±12х1,00% |
| Схема и группа соединения обмоток | н/∆-11 |
Загрузка трансформатора определяется по (формуле 3.4)
КЗ =
100% (3.4)
где, Sн – номинальная мощность трансформатора.
КЗ = 2737,59/10000*100 = 27,38 %
3.3 Расчет токов короткого замыкания
Согласно Правил устройств электроустановок (ПУЭ), выбор и проверка электрических аппаратов и токоведущих элементов по электродинамической и термической устойчивости производится по току трехфазного короткого замыкания
. Для чего на основании схемы внешнего энергоснабжения, исходных данных и принятой схемы главных электрических соединений подстанции составляется структурная и расчетная схемы, а по ним схема замещения проектируемой подстанции.
Составленная расчетная схема (рисунок 2.1) представляет собой упрощенную электрическую схему, на которой указаны только те элементы, сопротивления которых учитываются в расчете. На схеме указаны все точки КЗ, в которых необходимо произвести расчеты токов КЗ.
Рисунок 3.1 – Расчетная схема
По расчетной схеме составляется схема замещения (рисунок 2.2.). В процессе преобразования схемы замещения появляются новые, эквивалентные отдельным участкам схемы сопротивления.













