Пояснительная записка (1226842), страница 4
Текст из файла (страница 4)
Мощность трансформатора собственных нужд, кВА
(3.13)
где
– коэффициент спроса, принимаемый для трансформаторных и тяговых подстанций равным 0,Б.
По [2] необходимо выбрать ближайший по мощности трансформатор типа ТМ-160/10 но с учётом питания линии СЦБ выбираем ТМ–400/А.
Таблица 3. 4 - Потери мощности и напряжения трансформатора
| Тип | | | |
| ТМ-400/10 | 3,7 | 0,96 | 4,5 |
3.5 Выбор кабеля
Кабели выбирают, прежде всего, по напряжению установки, по конструкции и по максимальному рабочему току.
Рассчитаем максимальный рабочий ток вторичной обмотки трансформатора собственных нужд, по которому будем выбирать кабель.
Исходя из условий
(3.14)
где
- номинальное напряжение,
=0.4 кВ;
- коэффициент перегрузки,
=1.4;
- номинальная мощность трансформатора собственных нужд, для выбранного трансформатора
=400 кВА.
Выбираем по [12, с.401], 4х жильный кабель АСБ-3*120 с алюминиевыми жилами сечением 120 мм2 в количестве пяти штук. Длительно допустимый ток такого кабеля
= 260 А.
Для данного кабеля по [12]:
R0 = 0,167 Ом/км,
Х0 = 0,0596 Ом/км.
На электродинамическую стойкость кабели не проверяют, так как по конструкции кабель представляет собой балку, имеющую бесконечно много близких точек закрепления.
3.6 Расчет токов короткого замыкания в точке КЗ
Активное сопротивление трансформатора собственных нужд:
(3.15)
Полное сопротивление трансформатора собственных нужд:
(3.16)
Реактивное сопротивление трансформатора собственных нужд.:
(3.17)
Активное сопротивление кабельной линии длинной 25м определим по формуле
(3.18)
где
- удельное электрическое сопротивление материала кабеля для
алюминия
=28,9 мОм
мм2/м.
Реактивное сопротивление кабельной линии длинной 35 м определим по формуле:
(3.19)
Активное и индуктивное сопротивление первичной обмотки ТТ определяется по каталогу RТТ = 0,42 мОм, ХТТ = 0,67 мОм.
Сопротивление контактов автомата и рубильников (переходные ) оценивают 0,6 мОм на один контакт r1 = r2 = r3 = 0,6 мОм.
Активное и реактивное сопротивление катушки максимального тока по каталогу: rКА = 0,4 мОм, ХКА = 0,3 мОм.
Суммарное сопротивление цепи одного ТСН:
(3.20)
(3.21)
Так как из предшествующих расчетов известно результирующее сопротивление X*рез от всех условно объединенных источников до шин.
Сопротивление до шин будет равно :
(3.22)
Тогда
(3.23)
(3.24)
(3.25)
Чтобы определить периодическое значение тока короткого замыкания воспользуемся формулой (3.4)
Для определения ударного тока найдем постоянную времени затухания
(3.26)
Ударный коэффициент находим по формуле:
(3.27)
Ударный ток короткого замыкания:
(3.28)
4 ВЫБОР ОСНОВНОГО ОБОРУДОВАНИЯ И ТОКОВЕДУЩИХ ЭЛЕМЕНТОВ ПОДСТАНЦИИ
4.1 Расчёт максимальных рабочих токов основных присоединений подстанции
Расчёт производится на основании номинальных параметров оборудования по формулам:
- для питающих вводов подстанции рабочий максимальный ток определим по формуле
(4.1)
где
коэффициент транзита,
[6].
-для вводов силовых трансформаторов и для вывода кабеля СН максимальный рабочий ток определим как
(4.2)
где
- коэффициент, учитывающий перегрузки трансформатора, фидера,
=1,4
- для сборных шин переменного тока согласно [4] максимальный рабочий ток найдем по формуле
(4.3)
где крн - коэффициент распределения нагрузки по сборным шинам, крн = 0,5 - 0,7
- для фидеров районной нагрузки максимальный рабочий ток следует определять по формуле
(4.4)
где SНФ - номинальная мощность фидера.
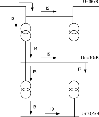
Расчет максимальных токов и схема расчета приведены соответственно в таблице В.1 и на рисунке В.1. Данная схема является расчётной для ПС Опорная, которая имеет пять вводов по 35 кВ.
Рисунок 4.1 - Схема для расчета максимальных рабочих токов
основных присоединений подстанции
Таблица 4.1 - Значения рабочих токов присоединений
| Наименование потребителя | Ток | |
| Питающий ввод 35 кВ | I1 | |
| Ввод трансформатора 35 | I3 | |
| Перемычка между вводами | I2 | 312- 156= 156 |
| Ввод ЗРУ-10 кВ | I4 | |
| Сборные шины ЗРУ-10 кВ | I5 | |
| Фидер ЗРУ- 10 кВ | I6 | |
| Ввод ТСН | I7 | |
| Ввод ЗРУ- 0,4 кВ | I8 | |
4.2 Определение величины теплового импульса
Согласно [3] расчетную продолжительность КЗ при проверке жёстких шин и электрических аппаратов на термическую стойкость при КЗ следует определять сложением времени действия основной релейной защиты, в зону действия которой входят проверяемые проводники и аппараты, и полного времени отключения ближайшего к месту КЗ выключателя.
При наличии устройства автоматического повторного включения (АПВ) следует учитывать суммарное термическое действие тока КЗ.
При расчетной продолжительности КЗ до 1 с процесс нагрева проводников под действием тока КЗ допустимо считать адиабатическим, а при расчетной продолжительности более 1 с и при небыстродействующих АПВ следует учитывать теплоотдачу в окружающую среду.
Для проверки электрических аппаратов и токоведущих элементов по термической устойчивости в режиме короткого замыкания необходимо определить величину теплового импульса для всех РУ. Основываясь на материале, изложенном в [3] можно принять следующее допущение. В тех случаях, когда
tоткл
3Та, тепловой импульс (интеграл Джоуля) и термически эквивалентный ток КЗ допустимо определять по формулам
(4.5)
где Iпс - действующее значение периодической составляющей тока КЗ от эквиалентного источника энергии (системы), кА; Та - постоянная времени затухания апериодической составляющей тока КЗ, принимаем по [4]; tоткл - время отключения тока КЗ, с.
Время отключения тока КЗ, с., рассчитаем по формуле
(4.6)
где tРЗ - время выдержки срабатывания основной защиты, с; tСВ - собственное время отключения выключателя с приводом, с; tСР - собственное время срабатывания защиты, 0,1 с.
Приведём пример расчета для ЗРУ-35 кВ:
Аналогично ведём расчет для всех РУ, а результаты сносим в таблицу 4.2.
Таблица 4.2 - Расчёт теплового импульса
| Наименование РУ | Iпс, кА | tРЗ, c | tСВ, c | Ta, c | tоткл, c | Вк |
| 1.ЗРУ-35 кВ вводы 35 кВ | 3,754 | 1,5 | 0,05 | 0,020 | 1,65 | 28,500 |
| 2.ЗРУ-10кВ вводы 10 кВ | 1,779 | 0,5 | 0,05 | 0,015 | 0,65 | 2,100 |
| Фидера 10 кВ | 0,0 | 0,05 | 0,015 | 0,15 | 0,522 |
В.2.2 Выбор сборных шин и токоведущих элементов.
Для распределительных устройств, напряжением выше 20 кВ применяют гибкие шины из провода АС.
В ЗРУ – 35 кВ могут применяться жесткие шины трубчатого или фасонного профиля.
Выбор сборных шин производится по условиям длительного режима работы и устойчивости в режиме короткого замыкания производится по методике, изложенной в [2].
Шины проверяются по длительному допускаемому току
, А по формуле
(4.7)
где
– максимальный рабочий ток сборных шин, А,
– длительно допускаемый ток для выбранного сечения, А.
По термической стойкости проверку производят по формуле:
(4.8)
где
- минимальное допустимое сечение токоведущей части по условию ее термической стойкости, мм,
- тепловой импульс короткого замыкания для соответствующей характерной точки подстанции,
, С - коэффициент, который при наибольших допустимых температурах равен для алюминиевых шин 88 (Ac/мм), q - выбранное сечение мм.
Результаты выбора сводим в таблицу 4.3.
Таблица 4.3 - Выбор сечения сборных шин
| Наименование РУ | Тип провода | По длительно | По термической стойкости |
| ЗРУ-35 кВ | А80х6 | 1150>312 | 80>60,66 |
| ЗРУ-10 кВ | А60x6 | 870> 485 | 60>16,5 |
4.3 Выбор выключателей
, кВт
, кВт
, %
, А
, А
,















