ПЗ в диск (1224563), страница 14
Текст из файла (страница 14)
В процессе работы помощник машиниста должен находиться в зоне видимости машиниста [8].
До начала движения поезда двери рабочей кабины управления локомотива, из которой ведется управление, должны быть закрыты, так же в тамбур вагона локомотива должны быть закрыты на замок. Двери нерабочих кабин управления и шкафов управления всех вагонов локомотива также должны быть заперты.
Во время движения локомотива, локомотивной бригаде запрещается [8]:
- высовываться из боковых окон кабины управления за пределы зеркала заднего вида и поворотного предохранительного щитка, паравана (эркера);
- открывать входные наружные двери и из них высовываться;
- спрыгивать с локомотива.
Запрещается проезд в рабочей кабине локомотива (лиц, не входящих в состав локомотивной бригады, за исключением должностных лиц, имеющих разрешение, выдаваемое в установленном порядке, но не более двух человек одновременно, а при наличии в составе локомотивной бригады дублера или проводника – не более одного.
Локомотивной бригаде запрещается открывать двери, шторы и входить в высоковольтную камеру электровоза при поднятом токоприемнике электровоза или при движении электровоза, в том числе при опущенных токоприёмниках. Осмотр машинного отделения электровоза со стороны проходного коридора во время движения помощник машиниста может проводить только по указанию машиниста. При нахождении в машинном помещении электровоза следует пользоваться шумоизолирующими наушниками [8].
Локомотивной бригаде запрещается спускаться с электровоза, осматривать и производить техническое обслуживание экипажной части, если по смежному пути приближается или движется подвижной состав.
При повреждении крышевого оборудования электроподвижного состава и невозможности дальнейшего следования, поврежденную секцию электровоза при всех опущенных токоприемниках необходимо отключить [8].
Устранение неисправности крышевого оборудования ТПС, находящегося на перегоне под действующей контактной сетью, производится работниками дистанции электроснабжения по наряду-допуску, который выписывает представитель дистанции электроснабжения с включением в него члена локомотивной бригады [8].
При отсутствии работника дистанции электроснабжения, имеющего право выписки наряда, подъем на крышу подвижного состава осуществляется на основании аварийной заявки, переданной энергодиспетчеру, после снятия напряжения с контактной сети, проверки отсутствия напряжения, установки заземлений. Аварийная заявка должна передается работником дистанции электроснабжения, имеющим право быть производителем работ.
В аварийной заявке указывается фамилия и группа по электробезопасности члена локомотивной бригады, который будет принимать участие в осмотре крышевого оборудования.
До заземления контактного провода и получения разрешения работника района контактной сети (дистанции электроснабжения) подъем на крышу локомотива запрещается. Контактная сеть и воздушные линии без заземления рассматриваются, как находящиеся под напряжением, даже если напряжение снято [8].
Заземление контактной сети представителями дистанции электроснабжения должно производиться в присутствии машиниста локомотива (или его помощника). Отключенная контактная подвеска постоянного или переменного тока должна быть заземлена с 2-х сторон от локомотива путем установки на контактную подвеску 2-х заземляющих штанг, заранее подсоединенных к тяговому рельсу или к заземляющему спуску опоры контактной сети
При возникновении аварийной ситуации (неисправности электрооборудования электровозе) в пути следования локомотивная бригада определяет возможность локализации повреждения путем сборки по одной из аварийных схем, которые утверждены организационно-распорядительным документом ОАО «РЖД» для каждой серии локомотива. При этом в оперативном журнале ТУ-152 делается запись о сборке аварийной схемы и указанием ее номера в соответствии с утвержденным перечнем [8].
Утвержденный порядок сборки аварийных схем для каждой серии локомотива должен находиться в кабине машиниста.
При эксплуатации электровоза могут возникнуть следующие аварийные ситуации [8]:
- возгорание, приводящее к пожару или взрыву;
- сход локомотива с рельс;
- повреждение оборудования при коротких замыканиях в электрических цепях.
- обрыв контактного провода;
При возникновении в пути следования аварийной ситуации, угрожающей безопасности движения поездов или безопасности людей, работающих на путях и подвижном составе, машинист должен принять меры к экстренной остановке поезда, сообщить о случившемся по радиосвязи дежурному ближайшей станции, поездному диспетчеру и определить с ними порядок дальнейших действий.
В случае неминуемого столкновения локомотива, с внезапно возникшим на пути препятствием машинист должен применить экстренное торможение, а помощник машиниста уйти в салон вагона, оставив двери открытыми для ухода машиниста из кабины управления [8].
В случае если оборванные провода или другие элементы контактной сети и воздушной линии передачи выходят из габарита приближения строений к пути и могут быть задеты при проходе поезда, необходимо сообщить о случившемся поездному энергодиспетчеру, диспетчеру, дежурным по станциям, ограничивающим перегон. Это место должно быть ограждено сигнальными знаками.
В пути следования запрещается соединять межвагонные высоковольтные соединения в случае их разрыва [8].
Запрещается соединять части локомотива при расцепке на перегоне во время тумана, метели и при других неблагоприятных условиях, когда сигналы трудно различимы, а также если отцепившаяся часть находится на уклоне круче 0,0025 и от толчка при соединении может уйти в сторону, обратную направлению движения поезда.
Если соединить поезд невозможно, машинист должен затребовать вспомогательный локомотив или восстановительный поезд [8].
7.3 Меры безопасности во время работы локомотивной бригады
Во всех случаях поражения электрическим током, ожогов, получения механических травм, отравлений, обморожений, солнечных и тепловых ударов пострадавшего необходимо срочно доставить в ближайшее лечебно-профилактическое учреждение [8].
При возникновении пожара на локомотиве под контактной сетью машинист должен немедленно сообщить о сложившейся ситуации поездному диспетчеру, дежурным по станциям, ограничивающим перегон, энергодиспетчеру, дежурному по депо для вызова пожарных подразделений.
После остановки поезда машинист, исходя из сложившейся обстановки, может потребовать через поездного диспетчера снятие напряжения и заземление контактной сети и проводов воздушных линий (если провод касается поезда и имеется вероятность пережога проводов при тушении пожара, а также если необходимо приближаться к находящимся под напряжением проводам ближе 2 м) [8].
До получения приказа энергодиспетчеру о снятии напряжения в контактной сети и её заземлении работниками ЭЧ запрещается приближаться к проводам и другим частям контактной сети на расстояние менее 2 м, а к оборванным проводам контактной сети на расстояние менее 8 м [8].
Если при возгорании локомотива произошло падение на него контактного провода перед сходом с локомотива, то следует надеть диэлектрические перчатки, скинуть на земляное полотно диэлектрический коврик и осторожно спуститься на диэлектрический коврик. Во время и после приземления нельзя касаться не защищенными частями тела корпуса локомотива, земли или рельс.
При тушении углекислотными огнетушителями необходимо пользоваться средствами защиты рук.
Тушение горящих объектов предметов водой, химическими пенными или воздушно пенными огнетушителями можно производить только после снятия напряжения и заземления контактной сети. При попадании пены на незащищенные участки тела необходимо стереть ее платком или другим материалом и хорошо промыть слабой струей проточной воды [8].
Тушение горящих объектов, расположенных на расстоянии свыше 7 м от контактной сети и проводов BJI, находящихся под напряжением, допускается любыми огнетушителями без снятия напряжения. При этом необходимо следить, чтобы струя воды или пенного раствора не приближалась к контактной сети и другим частям, находящимся под напряжением на расстояние менее 2 м.
При поражении электрическим током необходимо как можно быстрее освободить пострадавшего от действия электрического тока.
При отделении пострадавшего от токоведущих частей, к которым он прикасается, оказывающий помощь не должен прикасаться к пострадавшему без применения надлежащих мер предосторожности, так как это опасно для жизни. Он должен следить за тем, чтобы самому не оказаться в контакте с токоведущей частью или под напряжением шага, находясь в зоне растекания тока замыкания на землю [8].
При напряжении до 1000 В, в случае, если невозможно быстро отключить электрический ток, для отделения пострадавшего от токоведущих частей или провода следует воспользоваться доской, палкой или каким-либо другим сухим предметом, не проводящим электрический ток [8].
При напряжении выше 1000 B для отделения пострадавшего от токоведущих частей необходимо использовать средства защиты (диэлектрические боты, диэлектрические перчатки) и действовать изолирующей штангой или изолирующими клещами, рассчитанными на соответствующее напряжение. При отсутствии средств защиты отделять пострадавшего от токоведущих частей выше 1000 B можно только после снятия напряжения [8].
Если пострадавший от действия электрического тока находится на высоте, то до прекращения действия электрического тока следует принять меры по предотвращению падения пострадавшего и получения дополнительной травмы.
ЗАКЛЮЧЕНИЕ
При выборе рационального ведения поездов на заданном участке Хабаровск – Облучье в четном направлении движения, был проведен анализ расхода электрической энергии на тягу поезда, а также рассмотрен профиль пути, после чего произведен тяговый расчет с учетом разных зон регулирования, для нахождения более оптимального с наименьшими затратами электрической энергии.
Из анализа расхода электроэнергии можно сделать вывод, что фактически затраченный расход электрической энергии превышает плановый.
Определение скорости, времени хода, расхода электрической энергии методом установившихся скоростей (п.4.5), позволило проанализировать, на какой из трех зон регулирования, предоставляемых в рамках дипломного проекта тратиться минимальное количество электрической энергии тем самым сделать выбор рационального варианта ведения поезда по перегонам на заданном участке.
Внедрение рационального режима ведения поезда по перегонам за счет изменения зон регулирования позволяет экономить электрическую энергию и, следовательно, экономить денежные средства.
Разработана режимная карта с учетом экономии электрической энергии путем рационального ведения поезда по перегонам с использованием разных зон регулирования.
Расчет экономического эффекта от повышения массы состава брутто с 6300 до 7750 тонн и увеличение участковой скорости с 43,3 до 47,1 км/ч на участке Облучье – Хабаровск, принесет годовой экономический эффект 622,267 млн. руб. Себестоимость перевозок снизится на 0,227 %. Следовательно, повышение массы состава брутто на данном участке считается целесообразным.
Список использованных источников
-
Доронина, И.И. Теория электрической тяги [Текст] : учебное пособие / И.И. Доронина. – Хабаровск : Изд-во ДВГУПС, 2013. – 104 с.
-
Правила тяговых расчетов для поездной работы [Текст] / МПС СССР. – М. : Транспорт, 1985. – 287 с.
-
Кузьмич, В.Д. Теория локомотивной тяги [Текст] : учеб. для вузов ж.-д. транспорта / В.Д. Кузьмич, В.С. Руднев, С.Я. Френкель : под ред. В.Д. Кузьмича. – М.: Изд-во «Маршрут», 2005. – 448 с.
-
Осипов, С.И. Теория электрической тяги [Текст] : учеб. для вузов ж.-д. транспорта / С.И. Осипов, С.С. Осипов. – М. : Изд-во «Маршрут», 2006. – 434 с.
-
Осипов, С.И. Рациональные режимы вождения поездов и испытания локомотивов [Текст] / под ред. С.И. Осипова. – М. Транспорт, 1984. – 280 с.
-
Электровоз магистральный 2ЭС5К [Текст] : Руководство по эксплуатации. – 2006. – 256 с.
-
Лазарева, О.Б. Экономика транспорта: экономическая эффективность внедрения новых режимов вождения поезда [Текст] : методическое пособие / О.Б Лазарева. – Хабаровск: Изд-во ДВГУПС, 2013 – 22 с.
-
Инструкция по охране труда для машиниста электровоза и помощника машиниста электровоза [Текст] : ИОТ-ТЧЭ-8-001-2013 : утв. начальником эксплуатационного локомотивного депо Смоляниново от 11.03.2013.
ПРИЛОЖЕНИЕ Б
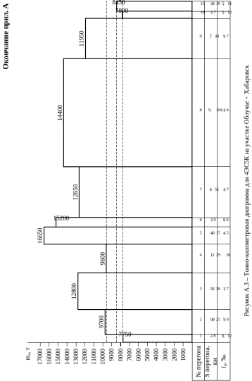
СПРЯМЛЕНИЕ ПРОФИЛЯ ПУТИ УЧАСТКА ОБЛУЧЬЕ – ХАБАРОВСК















