Основная часть (1223512), страница 9
Текст из файла (страница 9)
.
Однофазный ток короткого замыкания определим из формулы (3.10), кА:
.
Ударный коэффициент принимаем равным 1,70, согласно [3]. Тогда ударный ток найдем из выражения (3.11), кА:
.
Расчет токов короткого замыкания до точки
. Схема замещения показана на рисунке 3.8.
Рисунок 3.8 – Схема замещения до точки
Определим результирующее сопротивление
по формуле:
. (3.14)
Определим напряжение короткого замыкания обмоток трансформатора в соответствии с выражениями (3.5) – (3.7):
%,
%,
%.
Определим сопротивления обмоток понижающего силового трансформатора по формулам (3.2) – (3.4), Ом:
.
.
Результирующее сопротивление до точки К2 определим в соответствии с выражением (3.14), Ом:
.
Токи короткого замыкания считаем в той же последовательности, что и в предыдущем пункте, результаты расчета сводим в таблицу 3.1.
Расчет токов короткого замыкания до точки
. Схема замещения показана на рисунке 3.9.
Рисунок 3.9 – Схема замещения до точки
Определим результирующее сопротивление хрез3, Ом:
. (3.15)
В соответствии с выражением (3.2) и (3.3) сопротивления обмоток понижающего силового трансформатора, Ом:
,
.
Определим результирующее сопротивление до точки К3 из выражения (3.15), Ом:
.
Токи короткого замыкания считаем в той же последовательности, что и в предыдущем пункте, результаты расчета сводим в таблицу 3.1.
Расчет токов короткого замыкания до точки
. Схема замещения показана на рисунке 3.10.
Рисунок 3.10 – Схема замещения до точки
Определим результирующее сопротивление хрез, Ом:
. (3.16)
,
Определим результирующее сопротивление до точки К3 из выражения (3.16), Ом:
.
Токи короткого замыкания считаем в той же последовательности, что и в предыдущем пункте, результаты расчета сводим в таблицу 3.1.
Таблица 3.1 – Результаты токов короткого замыкания
| Точка кз. |
|
|
|
|
|
|
| К1 | 230 | 11,886 | 11,172 | 9,675 | 6,144 | 26,859 |
| К3 | 38,5 | 2,371 | 9,374 | 8,118 | - | 22,538 |
| К2 | 27,5 | 1,824 | 8,704 | 7,537 | - | 20,925 |
| К5 | 10,5 | 0,521 | 5,766 | 4,994 | - | 13,862 |
3.2.2 Выбор основного оборудования и токоведущих частей элементов подстанции. Расчет максимальных рабочих токов основных присоединений подстанции.
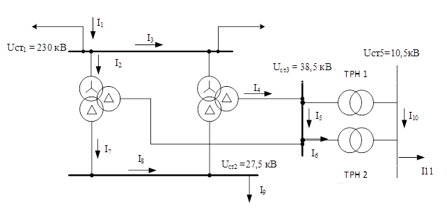
Расчет максимальных рабочих токов основных присоединений подстанции производится на основании номинальных параметров оборудования. Методика выбора и расчета представлена в [2]. Схема для расчета максимальных рабочих токов основных присоединений подстанции представлена на рисунке 3.11. Максимальные рабочие токи некоторых присоединений тяговой подстанции представлены в качестве исходных данных в приложении А в таблице А.1. Произведем расчет максимальных рабочих токов для остальных присоединений тяговой подстанции «Волочаевка-1».
Рисунок 3.11 – Схема для расчета максимальных рабочих токов присоединений подстанции
Максимальный рабочий ток ввода тяговой подстанции[4], А:
, (3.17)
где кпер - допустимый коэффициент перегрузки трансформаторов; Sтп -номинальная мощность тяговой подстанции, кВА; Uном - номинальное напряжение на вводе подстанции, кВ.
Максимальный рабочий ток обмотки высшего напряжения понизительного трансформатора[4], А:
, (3.18)
где Sном тт - номинальная мощность понизительного трансформатора, кВА.
Максимальный рабочий ток ремонтной перемычки, А:
. (3.19)
где Sном тт - номинальная мощность понизительного трансформатора, кВА.
Максимальный рабочий ток сборных шин РУ-27,5 кВ, РУ-35 кВ, согласно [4], А:
, (3.20)
где крн - коэффициент распределения нагрузки по сборным шинам, принимаем 0,5 [4].
Определим максимальные рабочие токи по формулам (3.17) и (3.18), А:
,
.
Максимальный рабочий ток ремонтной перемычки [4], А:
.
Определим максимальный рабочий ток сборных шин КРУ-27,5 кВ по формуле (3.20), А:
.
Определим максимальный рабочий ток сборных шин ОРУ-35 кВ по формуле (3.20), А:
.
Определим максимальный рабочий ток сборных шин ОРУ-10 кВ по формуле (3.20), А:
.
Результаты расчета сводим в таблицу Б.1 (приложение Б).
3.2.3 Проверка электрических аппаратов и токоведущих элементов термической устойчивости в режиме короткого замыкания
Для проверки электрических аппаратов и токоведущих элементов по термической устойчивости в режиме короткого замыкания необходимо определить величину теплового импульса[4], (кА)2с:
, (3.21)
где Iп.о - периодическая составляющая сверхпереходного тока, кА; tотк - время отключения оборудования, с; Ta - постоянная времени затухания апериодической составляющей тока короткого замыкания, выбираем согласно [3], с.
Время отключения определяется, с:
, (3.22)
где tр.з - время действия основной релейной защиты, с; tо.в - полное время отключения выключателя, с.
Приведем пример расчета теплового импульса для ОРУ – 230 кВ.
В соответствии с выражением (3.22) время отключения, с:
.
Тогда величина теплового импульса, в соответствии с выражением (3.21), (кА)2∙с:
.
Аналогичные расчеты производим и для остальных распределительных устройств. Результаты расчетов сводим в таблицу Б.2 (приложение Б).
3.2.4 Выбор сборных шин и токоведущих элементов
Выбор сборных шин производится по условиям длительного режима работы и устойчивости в режиме короткого замыкания[4].
Шины проверяются по длительно допускаемому току, А
, (3.23)
где Iн - длительно допускаемый ток для выбранного сечения, А; Iр.max - максимальный рабочий ток сборных шин, А.
По термической стойкости сборные шины должны соответствовать условию, согласно [4], мм2:
, (3.24)
где qн - выбранное сечение, мм2; qmin - минимальное допустимое сечение токоведущей части по условию термической стойкости, мм2.
Минимальное допустимое сечение токоведущей части по условию термической стойкости, согласно [4], мм2:
, (3.25)
где
значение теплового импульса, (кА)2∙с;
коэффициент, зависящий от материала шин [5],
.
Гибкие шины проверяют по условию отсутствия коронирования:
, (3.26)
где
– максимальное значение начальной критической напряженности электрического поля, при котором возникает разряд в виде короны, кВ/см;
напряженность электрического поля около поверхности провода.
Эти величины находим по формулам:
, (3.27)
где
– коэффициент, учитывающий шероховатость поверхности провода (для многопроволочных проводов), m=0,82
; rпр - радиус провода, см;
, (3.28)
где Dср
– среднее геометрическое расстояние между проводами фаз, см.
, (3.29)
где
– расстояние между соседними фазами, см.
Пример расчета приведем для ошиновки ввода тяговой подстанции КМ – ОРУ – 220 кВ.
Выбираем провод сечением АС 240/32, согласно [5]
В соответствии с выражениями (3.23 – 3.29)
– условие выполняется;
;
– условие выполняется;
для провода АС 240/32 радиус провода между фазами
:
;
при напряжении 220 кВ расстояние между фазами
см:
– условие выполняется.
Результаты расчета выбора сборных шин сводим в таблицу Б.3 (приложение Б).
3.2.5 Выбор выключателей
При выборе выключателей следует стремиться к однотипности, что упрощает эксплуатацию. Методика выбора выключателей, согласно [6].
Условия выбора:
По номинальному напряжению
. (3.30)
По номинальному току
. (3.31)
Условия проверки:
По отключающей способности. Согласно [7] отключающая способность выключателя характеризуется следующими параметрами:
а) номинальным током отключения Iном.отк в виде действующего значения периодической составляющей отключаемого тока;
б) допустимым относительным содержанием апериодической составляющей в отключаемом токе βн, %;
в) нормированными параметрами переходного восстанавливающего напряжения.
Время
определяется, с
, (3.32)
где tз.min - время действия релейной защиты, с; tсв - собственное время отключения выключателя, согласно [8, 9].
Номинальный ток отключения выбираем, согласно [8,9].
, кВ
, Ом
, кА
, кА
, кА
, кА














