Основная часть (1223512), страница 8
Текст из файла (страница 8)
Относительный износ за год:
Относительный износ за прошедшее время работы трансформатора, согласно [24] :
где Тр = 37 лет – прошедшее время работы трансформатора.
Остаточный ресурс трансформатора, согласно [24]:
года,
где Lб – срок службы трансформатора (Lб = 25 лет).
Таким образом, оказалось, что замена трансформаторов не требуется, так как срок службы при текущем грузопотоке не сопровождается ускоренным старением трансформатора. Однако в дальнейшем рост грузооборота достигнет той точки, когда замены нам не избежать.
3. ВЫБОР ОСНОВНОГО ОБОРУДЫВАНИЯ
3.1 Анализ схемы главных электрических соединений тяговой подстанции
3.1.1 Открытое распределительное устройство 220 кВ
Тяговая подстанция Волочаевка 1 получает питание по двум линиям 220кВ «подстанция РЦ» и «подстанция Хабаровская», к которым она присоединена транзитом. Открытое распределительное устройство (ОРУ) 220 кВ выполним по схеме 5АН – мостик с выключателями в цепях трансформаторов и ремонтной перемычкой со стороны трансформаторов[1]. Схема 5АН применяется на напряжении 35–220 кВ для проходных двухтрансформаторных подстанциях с двусторонним питанием в условиях необходимости сохранения транзита при КЗ в трансформаторе и необходимости отключения одного из трансформаторов в течение суток (неравномерный график нагрузок). На напряжении 110 и 220 кВ мостиковые схемы применяются, как правило, с ремонтной перемычкой или при соответствующем обосновании без ремонтной перемычки. При необходимости секционирования сети на данной подстанции в режиме ремонта любого выключателя предпочтительнее применять схему 5АН — «мостик с выключателями в цепях трансформаторов и ремонтной перемычкой со стороны трансформаторов». Схема ОРУ 220 кВ представлена на рисунке 3.1. Распределительное устройство выполним в виде модуля компактного ОРУ – 220 производства Завода электротехнического оборудования (ЗЭТО) город Великие Луки. Модуль состоит из трехполюсного элегазового выключателя ВГТ-220, однофазных трансформаторов тока ТОГФ-220, элементов жесткой ошиновки с применением полимерных изоляторов типа ОСК-10-220 и опорных металлоконструкций. Модуль обладает функцией разъединителя.
Рисунок 3.1 – Принципиальная схема ОРУ – 220 – 5АН
Неподвижные контакты являются частью шинной системы и не требуют технического обслуживания. Защиту от перенапряжений выполним установкой ограничителей перенапряжения ОПН-П2-220. Главные понижающие трансформаторы ТДТНЖ-40000 подключаем к линиям 220 кВ через разъединители элегазовых выключателей.
3.1.2 Устройство комплектное распределительное 35 кВ серии "К-201" производства ООО «НИИЭФА - ЭНЕРГО»
Устройство комплектное распределительное переменного тока на напряжение 35 кВ серии «К-201» предназначено для приема и распределения электроэнергии трехфазного переменного тока промышленной частоты в сетях с изолированной или заземленной через дугогасящий реактор нейтралью напряжением 35 кВ.
Базовой конструктивной и функциональной единицей устройства комплектного распределительного переменного тока на напряжение 35 кВ серии «К-201» является ячейка.
Основные типы ячеек устройства комплектного распределительного переменного тока на напряжение 35 кВ серии «К-201»
ячейка фидера;
ячейка секционного выключателя;
ячейка секционного разъединителя;
ячейка выключателя ПВА;
ячейка выключателя ввода;
ячейка ТН [20].
Схема КРУ 350 кВ представлена на рисунке 3.2.
Рисунок 3.2 – Принципиальная схема КРУ – 35кВ
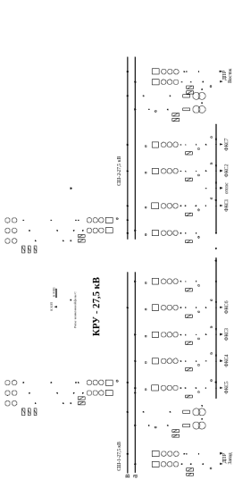
3.1.3 Комплектное распределительное устройство 27,5 кВ производства ООО «НИИЭФА - ЭНЕРГО»
Комплектное распределительное устройство напряжением 27,5 кВ (КРУ – 27,5 кВ) производства ООО «НИИЭФА-ЭНЕРГО» предназначено для приема и распределения электрической энергии переменного тока промышленной частоты на тяговых подстанциях переменного тока железных дорог, а также для питания нетяговых линейных железнодорожных потребителей по линии «два провода – рельс» (ДПР) [17].
КРУ – 27,5 кВ представлено в модульном исполнении. Модуль КРУ – 27,5 кВ представляет собой корпус с установленными в заводских условиях блоками. Блоки КРУ – 27,5 кВ имеют двухфазную рабочую, секционированную разъединителями и запасную систему шин. Схема КРУ - 27,5 кВ изображена на рисунке 3.3. Третья фаза обмоток понижающего трансформатора соединяется с контуром заземления и с рельсами подъездного пути, которые соединены с воздушной отсасывающей линией. Ячейки КРУ – 27,5 кВ фидеров, питающие, контактную сеть одного направления присоединяются к одной секции шин блока КРУ, а ячейки КРУ фидеров другого направления ко второй секции шин. Ячейки запасных выключателей с помощью разъединителей присоединены к разным секциям, обеспечивая питание любого фидера контактной сети при отключении выключателя фидера. Ячека фидера ДПР подключается двухполюсным выключателем 3AH47 – 27,5 кВ производства фирмы Siemens, который дешевле и надежнее при применении двух однополюсных выключателей [17].
Линейные разъединители фидеров контактной сети (ФКС) и ДПР, обходные разъединители ФКС и шинные разъединители запасных выключателей снабжаются двигательными приводами.
| | Рисунок 3.3 – Принципиальная схема КРУ – 27,5 кВ |
3.1.4 Комплектное распределительное устройство 10 кВ производства ООО «НИИЭФА - ЭНЕРГО»
Распределительное устройство 10 кВ (РУ – 10 кВ) на подстанциях переменного тока предназначено для питания районных нагрузок не тяговых потребителей. При проектировании РУ – 10 кВ устанавливаем комплектные распределительные устройства КРУ серии «Омега» (КРУ «Омега») напряжением10 кВ (рисунок 3.4), с учетом перевода на большое количество потребителей. КРУ «Омега» предназначены для приема и распределения электрической энергии трехфазного переменного тока частотой 50 – 60 Гц напряжением 10 кВ [18].
КРУ – 10 кВ комплектуются компактными ячейками, каждая из которых комплектуется основным оборудованием. Ячейки КРУ – 10 КВ формируются в блоки КРУ – 10 кВ, которые помещаются в модуль.
Питание, подключение и управление всех вспомогательных технологических систем осуществляется со щита распределительного собственных нужд.
В качестве основного коммутационного аппарата применим вакуумный выключатель SION производства фирмы SIEMENS. Отличительными особенностями КРУ с вакуумным выключателем являются: малые габариты и масса шкафов, гибкость при формировании различных схем РУ, высокая надежность, удобство обслуживания.
В модулях КРУ – 10 кВ серии «Омега» реализованы оперативные блокировки для предотвращения несанкционированных действий обслуживающего персонала.
Блокировки запрещают:
- оперирование разъединителем при включенном состоянии выключателя;
- включение выключателя при проведении коммутации разъединителя;
- включение выключателя при некорректном положении привода разъединителя.
| | Рисунок 3.4 – Схема главных соединений КРУ – 10 кВ |
3.2 Расчет основных параметров тяговой подстанции
3.2.1 Расчет токов короткого замыкания. Составление расчетной схемы и схемы замещения.
На основании исходных данных и принятой схемы главных электрических соединений подстанции составляется расчетная схема (рисунок 3.5), и схема замещения (рисунок 3.6) реконструируемой подстанции.
Расчетная схема представляет собой упрощенную электрическую схему с указанием тех элементов электрической цепи и их параметров, которые влияют на токи короткого замыкания[2].
Рисунок 3.5 – Расчетная схема тяговой подстанции
Для расчета токов короткого замыкания (далее «ТКЗ») составим однолинейную расчетную схему с указанием на ней всех элементов цепи, по которым определяют сопротивление цепи короткого замыкания.
По данной расчетной схеме составляем схему замещения, которая представляет собой электрическую схему, элементами которой являются активные, емкостные или индуктивные сопротивления.
Рисунок 3.6 - Схема замещения для расчета токов короткого замыкания
Сопротивление источника питания определяется по выражению, согласно[2], Ом:
, (3.1)
где
мощность короткого замыкания на шинах тяговой подстанции, МВА.
Сопротивления обмоток понижающего силового трансформатора определяем[4], Ом:
, (3.2)
, (3.3)
, (3.4)
где
,
,
напряжения короткого замыкания обмоток трансформатора;
номинальная мощность трансформатора, МВА.
Напряжения короткого замыкания обмоток трансформатора, %
(3.5)
(3.6)
(3.7)
где
паспортные значения напряжения короткого замыкания между данной парой обмоток, %.
Ток трехфазного короткого замыкания[2], кА:
, (3.8)
где
напряжение ступени в месте короткого замыкания, кВ.
Двухфазный ток короткого замыкания[2], кА:
, (3.9)
где
ток трехфазного короткого замыкания, кА.
Однофазный ток короткого замыкания[2], кА:
. (3.10)
Ток спустя 0,01 с. после начала короткого замыкания, который называется ударным током короткого замыкания, определяется, согласно[2], кА:
, (3.11)
где
ударный коэффициент,согласн[3].
Ударный коэффициент определятся:
, (3.12)
где
постоянная времени затухания апериодической составляющей тока короткого замыкания, с.
, (3.13)
где
результирующие индуктивное и активное сопротивления до точки короткого замыкания.
Расчет токов короткого замыкания до точки
. Схема замещения показана на рисунке 3.7.
Рисунок 3.7 – Схема замещения до точки
Определим результирующее сопротивление до точки
в соответствии с выражением (3.1), Ом:
.
Ток трехфазного короткого замыкания в соответствии с исходными данными, кА:
.
Двухфазный ток короткого замыкания определим из выражения (3.9), кА:














