Текст ПЗ ВКР (1221353), страница 2
Текст из файла (страница 2)
Рисунок 1.3 – Принципиальная силовая схема одной секции электровоза переменного тока 2ЭС7
На российских железных дрогах с 2009 года эксплуатируется современный высокоскоростной электропоезд «Сапсан».
Принципиальная силовая схема одной секции электропоезда переменного тока «Сапсан» версии В2 (двухсекционный) представлен на рисунке 1.4.
Электропоезд переменного тока «Сапсан» версии В2 с 4QS имеет некоторую особенность, а именно: При изменении рода тока в тяговой сети изменений в силовой схеме АТП не происходит. Изменяется лишь входной преобразователь АИН: при постоянном токе это входной фильтр, а при переменном — 4QS [1].
Из схемы (рисунок 1.4) видно, что один АИН питает два тяговых двигателя. Данный вид питания является не эффективным в поосном регулировании силы тяги.
Рисунок 1.4 – Принципиальная силовая схема одной секции электропоезда переменного тока «Сапсан» версии В2 (двухсекционный)
В настоящее время есть силовые схемы ЭПС переменного тока, где применяется параллельная работа 4QS и каждый асинхронный тяговый двигатель питается от индивидуального АИН. Примером таких электровозов могут служить зарубежные электровозы, такие как швейцарский электровоз Re484; испанский электровоз S253 и электропоезд AVE S-130; электровоз HXD3B, выполненный в Китае и т.д. [1, 5].
1.2 Способы выполнения автономных инверторов напряжения
Автономным инвертором называют статический преобразователь постоянного напряжения в переменное с помощью электронных ключей, который работает на автономную нагрузку или сеть, в которой нет других источников переменного напряжения.
В автономном инверторе форма, значение и частота выходного напряжения определяются режимом его работы. Он может питаться либо от источника постоянного напряжения, либо от выпрямителя, питающегося от источника переменного напряжения.
АИН по отношению к нагрузке ведет себя как источник ЭДС, т.е. выходное сопротивление инвертора близко к нулю.
Основной принцип исполнения схем автономных инверторов заключается в организации связи между источником питания и нагрузкой через электронные ключи (диоды, тиристоры, транзисторы). Эта связь должна обеспечивать разнополярную импульсную форму напряжения на выходе автономного инвертора.
Автономный инвертор напряжения питается от источника ЭДС. Источник питания наряду с малым внутренним сопротивлением должен иметь способность проводить ток в обоих направлениях.
Такие требования для источника постоянного напряжения будут удовлетворяться, если выходные зажимы источника питания (вход АИН) будут зашунтированы достаточно большой емкостью, потому что сопротивление большой емкости мало.
Наличие емкости на входе инвертора является отличительной особенностью АИН. Мгновенное значение напряжения на нагрузке всегда будет определяться значением напряжения источника питания и не будет зависеть от значения и характера нагрузки, поскольку в любой момент времени нагрузка через проводящие вентили подключена к источнику питания. Согласно этому, напряжение на нагрузке имеет импульсный знакопеременный характер [6].
В настоящее время существуют различные способы выполнения автономных инверторов напряжения: двухуровневые, трехуровневые, четырехуровневые пятиуровневые и шестиуровневые и т.д.
На рисунок 1.5 приведена схема двухуровневого инвертора, диаграммы работы и схемы замещения. Согласно диаграммам и схемам замещения преобразователь может находиться в шести различных состояниях. Каждое состояние отличается от предыдущего переключением только одной фазы нагрузки в противоположную полярность напряжения.
Рисунок 1.5 – Схема и диаграммы работы двухуровневого инвертора напряжения [7]: а – схема инвертора; б – схемы замещения; в – временные диаграммы; г – форма фазных напряжений Ua, Ub, Uc; д – форма линейного напряжения Uab
Такая схема двухуровневого АИН получается простым объединением по общему источнику входного напряжения трех полумостовых однофазных инверторов, в данном случае при соединении фаз трехфазной нагрузки в звезду или в треугольник не требуется наличие средней точки у источника входного напряжения, как показано на схеме.
В режиме 1800 управления сигналы на верхний и нижний транзисторы каждого плеча моста поступают в течение полупериода выходного напряжения с соответствующими фазовыми сдвигами для получения трехфазной системы, как показано на первых шести временных диаграммах (ШИМ-регулирование не указано).
На следующих трех диаграммах изображены зависимости фазных напряжений трехфазной нагрузки. Шестиступенчатый характер диаграмм фазных напряжений АИН свидетельствует о шести различных состояниях силовой схемы инвертора, интервалы обозначены цифрами от 1 до 6. Шесть схем замещения инвертора, соответствующие этим шести состояниям силовой схемы, указаны на рисунок 1.5.
В первом состоянии включены транзисторы VT1, VT4 и VT5. Фазы А и С нагрузки подключены к положительной шине контактной сети, а фаза В нагрузки – к отрицательной шине контактной сети. При одинаковых сопротивлениях фаз нагрузки на две параллельно соединенные фазы А и С будет приложена в положительном направлении треть напряжения источника. На последовательно соединенную с ними фазу В — две трети напряжения источника питания отрицательной полярности, что отражено соответствующей величиной ступеней фазных напряжений инвертора на первом интервале диаграммы. Аналогичным образом по другим схемам замещения определяются величины ступеней в фазных напряжениях инвертора и на всех остальных интервалах.
Из диаграмм фазных напряжений можно определить и межфазное (линейное) напряжение, как это показано для линейного напряжения Uab на последней диаграмме [7].
На рисунке 1.6 приведены диаграммы работы трехуровневого АИН и схемы замещения для разных режимов работы, данная работа аналогична рисунку 1.5.
Рисунок 1.6 – Схема и диаграммы работы трехуровневого инвертора [7]: а – схема инвертора; б – схемы замещения; в – временные диаграммы; г – форма фазных напряжений Ua, Ub, Uc; д – форма линейного напряжения Uab
При работе трехуровневого АИН ток каждой фазы протекает последовательно либо по двум транзисторам (при приложении к фазе полного входного напряжения), либо по одному транзистору и одному диоду (при приложении к фазе половины входного напряжения). Это увеличивает потери в АИН по сравнению с двухуровневым АИН, где аналогичный ток каждой фазы протекает только по одному транзистору. Таким образом, при повышении уровней выходного напряжения АИН увеличиваются потери на протекание тока в транзисторах, что повышает мощность потерь в АИН [7, 8].
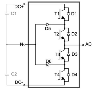
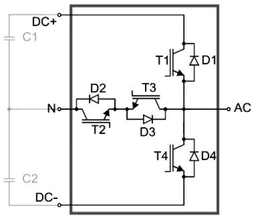
Существуют различные способы реализации трехуровневого АИН: со связью со средней точкой через диоды (рисунок 1.7) и с Т-образным мостом (рисунок 1.8).
Трехуровневый АИН на IGBT-модулях со связью со средней точкой через диоды состоит из 10 полупроводников:
- четырех IGBT (T1-T4), по два в верхнем и нижнем плече;
- четырех диодов (D1-D4) для гашения выбросов напряжения, по одному параллельно IGBT;
- двух подтягивающих диодов D5, D6, в которых ток может течь из линии 0V в нагрузку или из нагрузки в линию 0V.
Четыре силовых контакта (три входа и один выход) служат для подключения к линиям питания и нагрузке.
Рисунок 1.7 – Схемотехническая реализация трехуровневого инвертора со связью со средней точкой через диоды [9]
Трехуровневый АИН на IGBT-модулях с Т-образным мостом имеет в своем составе только восемь полупроводников: четыре IGBT (T1-T4) и четыре диода D1-D4. Модуль с Т-образным мостом имеет четыре силовых контакта, три из которых — это входы, предназначенные для подключения к напряжению питания -V, О, +V, и выход. Разница между двумя схемами заключается в том, что в модуле с Т-образным мостом линия питания 0V соединяется с выходом модуля транзисторами. Такое исполнение дает большую гибкость при реализации ШИМ. Закрытие одновременно всех ключей, соединяющих линии питания с нагрузкой, способствует аварийному отключению. Конструкция IGBT-модуля с Т-образным мостом позволяет использовать полупроводники с различными максимальными рабочими напряжениями. Максимальное напряжение, которое при работе модуля может быть приложено к каждому из транзисторов Т2 и ТЗ, вдвое меньше напряжения, которое может быть приложено к транзисторам T1, T4 [9, 10].
Рисунок 1.8 – Схемотехническая реализация трехуровневого инвертора с Т-образным мостом [9]
На рисунке 1.9 представлен четырехуровневый АИН с минимальным числом ключей. Диаграммы его работы и схемы замещения приведены на рисунке 1.10 и 1.11.
Рисунок 1.9 – Четырехуровневый АИН с минимальным числом ключей
Рисунок 1.10 – Диаграммы работы четырехуровневый АИН с минимальным числом ключей: а – форма фазного тока Ia, Ib, Ic; б – временные диаграммы
Такой АИН способствует повышению синусоидальности напряжения питания АТД с одновременным повышением КПД преобразователя.
В четырехуровневом АИН с минимальным числом ключей в каждый момент времени две фазы АТД подключены к двум крайним разнополярным вводам звена постоянного напряжения. Третья фаза подключается последовательно к промежуточным выводам звена постоянного напряжения. В каждый момент времени ток каждой фазы протекает только по одному транзистору, что позволяет снизить мощность потерь в АИН.
Рисунок 1.11 – Схемы замещения четырехуровневый АИН с минимальным числом ключей
Предложенная схема является более эффективной, поскольку имеет высокий КПД и малое искажение формы генерирующего тока [8].
2 КОМПЬЮТЕРНЫЕ МОДЕЛИ СИСТЕМЫ «АВТОНОМНЫЙ ИНВЕРТОР НАПРЯЖЕНИЯ – ДВИГАТЕЛЬ»
Как известно, компьютерное моделирование является наиболее рациональным средством изучения сложных объектов и систем. Сущность моделирования заключается в замене реальной системы или объекта моделью, которая находится с ними в некотором сходстве и позволяет в той или иной мере воспроизводить свойства и характеристики этой системы или объекта [11]. Изучение реальной сложной системы или объекта на их моделях позволяет изучить их свойства и характеристики в любых возможных ситуациях относительно быстро и без существенных затрат [12, 13].
Для моделирования электромагнитных процессов в системе «АИН – двигатель» был выбран метод компьютерного моделирования переходных процессов с использованием пакета компьютерных программ OrCAD 10.5 корпорации Cadence Design Systems, Inc [14, 15].
2.1 Описание пакета программ OrCAD 10.5
Пакет компьютерных программ OrCAD 10.5 позволяет производить схемотехническое проектирование информационной и силовой электронной аппаратуры любой сложности путем решения дифференциальных уравнений, описывающих электрические и магнитные переходные процессы методом Ньютона-Рафсона [14]. В библиотеках пакета содержится множество различных элементов, каждый из которых может редактироваться в соответствии с требуемыми параметрами. Результаты моделирования выводятся в виде графических зависимостей на монитор компьютера или принтер. При завершении моделирования к любому из полученных сигналов можно применить гармонический анализ, что необходимо, например, для вычисления коэффициента искажения синусоидальности кривой напряжения.
В состав пакета OrCAD входят следующие основные программные модули:
- OrCAD Capture – графический редактор схем;
- OrCAD Capture CIS (Component Information System) – расширенная версия редактора OrCAD Capture, обладающая возможностями ведения локальных и удаленных баз данных, в том числе через Интернет;
- OrCAD Layout Engineer’s Edition – графический редактор печатных плат;
- OrCAD Layout – расширенная версия редактора OrCAD Layout Engineer’s Edition, дополненная новыми средствами трассировки;















