Текст ПЗ ВКР (1221353)
Текст из файла
СОДЕРЖАНИЕ
| ВВЕДЕНИЕ…………………………………………………….…………..…… | 8 | ||
| 1 АНАЛИЗ СИЛОВЫХ ПРЕОБРАЗОВАТЕЛЕЙ ЭЛЕКТРОВОЗОВ …... | 10 | ||
| 1.1 Силовая схема электровозов …………………….…………...………..... | 10 | ||
| 1.2 Способы выполнения автономных инверторов напряжения …............. | 14 | ||
| 2 КОМПЬЮТЕРНЫЕ МОДЕЛИ СИСТЕМЫ «АВТОНОМНЫЙ ИНВЕРТОР НАПРЯЖЕНИЯ – ДВИГАТЕЛЬ» ………..……………..…..… | 24 | ||
| 2.1 Описание пакета программ OrCAD 10.5………..……...……………..… | 24 | ||
| 2.2 Компьютерная модель системы «автономный инвертор напряжения – двигатель» для двухуровневого инвертора напряжения…............................ | 25 | ||
| 2.2.1 Компьютерная модель системы управления с широтно-импульсной модуляцией для двухуровневого инвертора напряжения……………………………………………………….....…… | 26 | ||
| 2.2.2 Компьютерная модель силовой схемы двухуровневого инвертора напряжения……………………….……….………..……….. | 30 | ||
| 2.2.3 Компьютерная модель двигателя двухуровневого инвертора напряжения…………………………………………………………..….. | 31 | ||
| 2.2.4 Компьютерная модель системы измерения электрических параметров двигателя для двухуровневого инвертора напряжения…. | 37 | ||
| 2.3 Компьютерная модель системы «АИН – двигатель» для четырехуровневого инвертора напряжения с минимальным числом ключей……………………………………………………..………………...... | 39 | ||
| 2.2.1 Компьютерная модель системы управления четырехуровневого инвертора напряжения с минимальным числом ключей……………..................................................................................... | 39 | ||
| 2.3.2 Компьютерная модель силовой схемы четырехуровневого инвертора напряжения с минимальным числом ключей……....……... | 44 | ||
| 2.3.3 Компьютерная модель двигателя четырехуровневого инвертора напряжения с минимальным числом ключей…………………………. | 44 | ||
| 2.3.4 Компьютерная модель системы измерения электрических параметров двигателя для четырехуровневого инвертора напряжения с минимальным числом ключей………......…..…………. | 46 | ||
| 3 ИССЛЕДОВАНИЕ СИСТЕМЫ УПРАВЛЕНИЯ АВТОНОМНОГО ИНВЕРТОРА НАПРЯЖЕНИЯ…………………………………..………..….. | 48 | ||
| 3.1 Определение оптимального управления инвертора………..……..……. | 48 | ||
| 3.2 Исследование влияния системы управления на выходное напряжение инвертора……………………………………………………………………… | 50 | ||
| 4 ИССЛЕДОВАНИЕ ВЗАИМОДЕЙСТВИЯ ИНВЕРТОРА НАПРЯЖЕНИЯ И АСИНХРОННОГО ДВИГАТЕЛЯ……..…………….... | 56 | ||
| 5 ОХРАНА ТРУДА ПРИ ЭКСПЛУАТАЦИИ СИЛОВОГО ОБОРУДОВАНИЯ ЭЛЕКТРОВОЗОВ…………..……………...……………. | 64 | ||
| 5.1 Анализ технологии работ при эксплуатации силового оборудования электровозов с точки зрения безопасности жизнедеятельности…...…….... | 65 | ||
| 5.2 Выявление опасных и вредных факторов, воздействующих на работника…………………..…………………………………………..……… | 69 | ||
| 5.3 Нормирование параметров опасных и вредных производственных факторов………………………………………………………………………. | 70 | ||
| 5.3.1 Расположение рабочего места на значительной высоте относительно поверхности земли (пола)……………………..…..…… | 70 | ||
| 5.3.2 Поражение электрическим током……………………...…….…... | 71 | ||
| 5.3.3 Запыленность и загазованность воздуха рабочей зоны…...……. | 73 | ||
| 5.3.4 Уровень шума на рабочем месте…………..………………..……. | 73 | ||
| 5.4 Разработка мероприятий по обеспечению безопасности труда при ремонте и испытании электрооборудования электровоза…………………. | 73 | ||
| 5.5 Средства индивидуальной защиты работника…………………....……. | 79 | ||
| 6 ТЕХНИКО-ЭКОНОМИЧЕСКАЯ ОЦЕНКА РЕАЛИЗАЦИИ ЧЕТЫРЕХУРОВНЕВОГО ИНВЕРТОРА НАПРЯЖЕНИЯ С МИНИМАЛЬНЫМ ЧИСЛОМ КЛЮЧЕЙ………………………....………. | 81 | ||
| 6.1 Основные понятия, используемые при расчете технико-экономической оценки при реализации четырехуровневого инвертора с минимальным числом ключей…………………………………….....………. | 81 | ||
| 6.2 Выбор оборудования………………………………..…………..………... | 82 | ||
| 6.3 Определение затрат на оборудование электровоза четырехуровневым инвертором с минимальным числом ключей…………………………….…. | 84 | ||
| 6.4 Расчет годовой экономии денежных средств и срока окупаемости от внедрения на электровозе четырехуровневого инвертора напряжения с минимальным числом ключей……………………..…..…………………….. | 87 | ||
| ЗАКЛЮЧЕНИЕ……………………………………………..………..………... | 91 | ||
| Список использованных источников………………………………………... | 92 | ||
| Уменьшенные копии демонстрационных листов………………………….. | 96 | ||
ВВЕДЕНИЕ
Большинство отечественных электровозов оснащены тяговыми двигателями постоянного тока, которые уступают по энергетическим показателям асинхронным электрическим машинам переменного тока. Использование асинхронного двигателя подразумевает применение высокотехнологических преобразователей – автономных инверторов (тока и напряжения), выполненных на основе полностью управляемых полупроводниковых ключей (IGBT-транзисторах).
Развитие полупроводниковой элементной базы позволило создать различные компактные и эффективные инверторы, что в свою очередь поспособствовало к оснащению современного электроподвижного состава асинхронными тяговыми двигателями, которые питаются от автономных инверторов напряжения.
В настоящее время на электровозах применяются инверторы напряжения с числом уровней выходного напряжения не более трех, потому что чем больше уровней выходного напряжения, тем больше требуется полупроводниковых ключей и, соответственно инвертор становится больше массогабаритным. Увеличение массогабаритных показателей инвертора способствует повышению непроизводительных потерь мощности в асинхронных тяговых двигателях.
Уменьшение непроизводительных потерь в двигателе и сохранении высокого КПД преобразователя является актуальной задачей.
Дипломный проект посвящен исследованию четырехуровневого инвертора с минимальным числом ключей. Будет произведена сравнительная характеристика данного инвертора напряжения с двухуровневым.
В ходе исследования будут рассмотрены силовые преобразователи современных электровозов с асинхронным тяговым приводом, компьютерные модели системы «инвертор напряжения – асинхронный двигатель», система управления автономного инвертора напряжения и взаимодействие инвертора и асинхронного двигателя. А также будет приведена технико-экономическая оценка при реализации четырехуровневого инвертора с минимальным числом ключей.
Анализ эффективности работы двухуровневого инвертора напряжения и четырехуровневого с минимальным числом ключей в дипломном проекте реализован с помощью пакета компьютерных программ OrCAD 10.5 корпорации Cadence Design Systems, Inc.
1 АНАЛИЗ СИЛОВЫХ ПРЕОБРАЗОВАТЕЛЕЙ ЭЛЕКТРОВОЗОВ
Совокупность силовой схемы и ее управляющих элементов представляют собой систему управления электроподвижным составом (ЭПС) железных дорог, которая предназначена для регулирования скорости и силы тяги.
В основные функции силовой схемы и управляющих элементов входит:
- регулирование режима работы тяговой электрической машины (ТЭМ);
- преобразование напряжения контактной сети и рода тока в ней в напряжение и род тока, необходимый для питания ТЭМ;
- ограничение скорости движения, сил тяги и электрического торможения в соответствии с параметрами ЭПС и требованиями безопасности движения;
- защиту электрооборудования от повреждений и опасных режимов и т.д. [1].
1.1 Силовая схема электровозов
Принципиальная силовая схема асинхронного тягового привода (АТП) для современного электрического подвижного состава (ЭПС) представлена на рисунке 1.1 [1].
Для наглядного примера ниже будут рассмотрены силовые схемы различных электровозов.
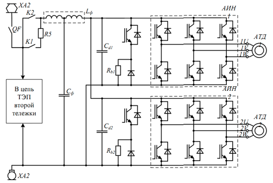
Упрощенная силовая схема электровоза 2ЭС10 приведена на рисунке 1.2.
На данном рисунке изображена силовая схема одной секции электровоза 2ЭС10, работа которой заключается в индивидуальном питании асинхронных тяговых электромашин.
Тяговый электропривод осуществляет работу непосредственно от воздействия микропроцессорной системы управления и диагностики (МПСУ и Д) с поосным регулированием силы тяги в соответствии с данными сигналами пульта управления машиниста [1, 2].
Рисунок 1.1 – Принципиальная силовая схема АТП для современного ЭПС: Тр-трансформатор; XA3 – токоприемник; XA5 – токоотводящее устройство; 4QS – четырехквадрантный преобразователь; C – накопительный конденсатор; АИН – автономный инвертор напряжения; АТД – асинхронный тяговый двигательный
ХА3
Рисунок 1.2 – Упрощенная силовая схема одной секции электровоза 2ЭС10 [1]: ХА2 – токоприемник; QF – быстродействующий выключатель; К1, К2 – контакторы; R5, Rb1, Rb2 – резисторы; Lф – дроссель; Cф, Сd1, Сd2 – конденсаторы; 1,2 – АИН; АТД – асинхронный тяговый двигатель; ХА3 – контактный токоотвод
Регулирование скорости электровоза производится изменением частоты напряжения на выходе тяговых преобразователей и соответственно напряжения трех фаз каждого тягового асинхронного двигателя [1].
Силовая схема одной секции электровоза 2ЭС10 работает следующим образом: после включения быстродействующего выключателя QF при поднятом токоприемнике кратковременно замыкается контактор К1 для зарядки конденсаторов Сф, Сd1, Сd2 через резистор R5. Благодаря этому пусковой ток сводится к минимуму, который возникает, если входное напряжение резко переключается на батарею пустых конденсаторов. Как только напряжение звена постоянного тока превысит 95 % теоретической конечной величины, то произойдет замыкание контактора К2, который выводит резистор R5 из цепи протекания тока [1].
В высоковольтной цепи каждой секции установлен входной LC-фильтр, состоящий из дросселя Lф и конденсатора Сф. Они создают помехоподавляющий контур для защиты от гармоник тока тягового преобразователя [3].
Конденсаторы Cd1 и Cd2 служат в качестве энергетического накопителя, сглаживающего и буферизующего напряжение цепи звена постоянного тока. Они необходимы для того, что энергетически отделять магистраль питания от нагрузки [1].
Каждый тяговый электродвигатель запитан от индивидуального тягового преобразователя (АИН1 и АИН2), построенного на IGBT-транзисторах шестьдесят пятого класса. Каждый модуль имеет встроенный драйвер управления, который выполняет требования системы верхнего уровня МПСУ и Д [1, 3].
Принципиальная силовая схема одной секции электровоза переменного тока 2ЭС7 представлена на рисунке 1.3.
Электровоз 2ЭС7 спроектирован на базе электровоза 2ЭС10. Производителем является ООО «Уральские локомотивы» совместно с фирмой SIEMENS.
В данной схеме (рисунок 1.3) звено постоянного тока питается от двух параллельно работающих четырехквадрантных преобразователей 4QS и содержит фильтр гармоник тока (Lф и Сф). Каждый тяговый двигатель питается от индивидуального АИН, на входе которого расположен накопительный конденсатор (Cd1, Сd2). Система управления осуществляет поосное регулирование силы тяги [1, 4].
Характеристики
Тип файла документ
Документы такого типа открываются такими программами, как Microsoft Office Word на компьютерах Windows, Apple Pages на компьютерах Mac, Open Office - бесплатная альтернатива на различных платформах, в том числе Linux. Наиболее простым и современным решением будут Google документы, так как открываются онлайн без скачивания прямо в браузере на любой платформе. Существуют российские качественные аналоги, например от Яндекса.
Будьте внимательны на мобильных устройствах, так как там используются упрощённый функционал даже в официальном приложении от Microsoft, поэтому для просмотра скачивайте PDF-версию. А если нужно редактировать файл, то используйте оригинальный файл.
Файлы такого типа обычно разбиты на страницы, а текст может быть форматированным (жирный, курсив, выбор шрифта, таблицы и т.п.), а также в него можно добавлять изображения. Формат идеально подходит для рефератов, докладов и РПЗ курсовых проектов, которые необходимо распечатать. Кстати перед печатью также сохраняйте файл в PDF, так как принтер может начудить со шрифтами.















