ВКР (1220251), страница 4
Текст из файла (страница 4)
.
Определим передаточное число второй тормозной передачи. При этом справедливы следующие равенства формул
, (2.20)
так как
, (2.21)
то в соответствии с формулой (2.16) получаем формулу
; (2.22)
.
Передаточное число рычажной передачи первого колеса равно
n12 = n1 + n2 = 1,5 + 1,5 = 3.
Определим передаточное число третьей тормозной передачи. При этом справедливы следующие равенства формул
(2.23)
. (2.24)
то в соответствии с формулой (2.16) получаем формулу
(2.25)
где - угол наклона колодки к горизонтальной оси колеса
Определим передаточное число четвертой тормозной передачи. При этом справедливы следующие равенства формул
. (2.26)
так как
, (2.27)
то в соответствии с формулой (2.16) получаем формулу
. (2.28)
Подставив численное значение в формулу (2.23), получим
.
Передаточное число рычажной передачи второго колеса равно:
n34 = n3 + n4 = 1.49 + 1.49 = 3.
Общее передаточное число
.
Сравнивая полученное значение n = 6,0 со штатным значением nш = 5,43. Можно сказать, что данные значения близки по значению.
2.8.2 Определение необходимого передаточного числа
Согласно определению передаточного числа получаем формулу
, (2.29)
где
действительное значение суммарного нажатия тормозных колодок от одного тормозного цилиндра, кгс;
КПД передачи для трехосных тележек,
.
Действительное значение суммарного нажатия тормозных колодок, от одного тормозного цилиндра определяется по формуле
, (2.30)
где
число колодок от одного цилиндра
Усилие, передаваемая штоком тормозного цилиндра, определяется для тормозного цилиндра электровоза 3ЭС5К по формуле
, (2.31)
где
давления в тормозном цилиндре,
;
диаметр тормозного цилиндра,
;
КПД тормозного цилиндра,
;
усилие предварительно сжатой отпускной пружины,
;
максимальный допустимый выход штока тормозного цилиндра локомотива в эксплуатации,
;
жесткость пружины,
.
Подставляем значение
и
в выражение (2.32) и определяем необходимое значение передаточного числа рычажной передачи по формуле
; (2.32)
Проверочное значение передаточного числа рычажной передачи электровоза n = 5,5 соответствует штатному значению 5,43 (таблица 1.1). Установленный допуск не превышает 10 % отклонение. Следовательно, расчеты выполнены верно.
2.9 Определение действительных и расчетных тормозных коэффициентов (коэффициентов обеспечения тормозами)
Расчетный и действительный коэффициенты являются коэффициентами безопасности движения поездов. Соответствуют нормативным значениям.
2.9.1 Действительный тормозной коэффициент
Действительный тормозной коэффициент определяется по формуле
, (2.33)
где
суммарное действительное нажатия всех колодок локомотив определяется, тс;
вес локомотива в рабочем состоянии, т.
Вес локомотива в рабочем состоянии определяется по формуле
(2.34)
где
число колодок всего локомотива.
;
, (2.35)
где
число колесных пар всего локомотива;
нагрузка на ось колесной пары локомотива.
Подставив численное значение в формулу (2.35), получим
Подставив численное значение в формулу (2.33), получим
Полученное значение тормозного коэффициента соответствует установленной норме
, следовательно предварительное тормозное нажатие обеспечивает безопасность движения одиночного грузового локомотива.
2.9.2 Расчетный тормозной коэффициент
Расчетные тормозной коэффициент является эталонным значением для расчета тормозных параметров локомотива – тормозной эффективности системы (обеспечения тормозами подвижного состава). Так как на действительное значение тормозного коэффициента влияют множество неопределенных факторов: наличие третьего слоя между тормозной колодкой и колесом, материалы изготовления колеса и колодки, их геометрические отклонения, температурные параметры и много другое.
Расчетный тормозной коэффициент определяется по формуле
(2.36)
где
суммарное расчетное значение колодок локомотива
(2.37)
где
число колодок на локомотиве
;
расчетное нажатие одной колодки.
Расчетное нажатие одной чугунной колодки определяется по формуле
(2.38)
Подставив численное значение в формулу (2.38), получим
Подставив численное значение в формулу (2.37), получим
В дальнейших расчетах раздела 3 дипломного проекта принимаем
.
3 ОЦЕНКА ЭФФЕКТИВНОСТИ ТОРМОЗНОЙ СИСТЕМЫ ЭЛЕКТРОВОЗА 3ЭС5К
Оценка эффективности тормозной системы исследуемого локомотива производится по длине тормозного пути одиночно следующего локомотива, величинам средних значений замедлений, времени торможения и температуре нагрева трущихся пар.
3.1 Определения тормозного пути одиночного следующего локомотива
Длина тормозного пути может быть определена аналитическим методом расчета численного интеграла уравнения движения поезда, по интервалам скоростей движения:
, (3.1)
где
путь подготовки тормозов к действию и определяется
, (3.2)
где
скорость локомотива в начальный момент торможения
;
время подготовки тормозов к действию для одиночного грузового локомотива определяется, сек.
(3.3)
где
приведенное значения уклона, минус 10 0/00;
удельная тормозная сила при средней скорости в каждом интервале, определяется
(3.4)
где
расчетный коэффициент трения тормозной колодки. Для стандартных чугунных колодок
(3.5)
где
средняя скорость в расчетном интервале.
Действительный тормозной путь определяется
(3.6)
где
начальные и конечные скорости локомотива в принятом интервале скоростей движения;
замедление поезда под действием замедляющей силы в
, для электровозов
;
основное удельное сопротивление движению локомотива на холостом ходу при средней скорости определяется
(3.7)
Таблица 3.1 – Расчет тормозного пути одиночно следующего локомотива при экстренном торможении
| Vн - Vк | Vср | φкр | ωх | bт | bт+ωх+i | | ΔSд | |
| км/ч | км/ч | кгс/тс | кгс/тс | м | ||||
| 110-100 | 105 | 0,088 | 7,41 | 53,13 | 50,54 | 9210,526 | 182 | |
| 100-90 | 95 | 0,091 | 6,60 | 54,939 | 51,542 | 8333,333 | 152 | |
| 90-80 | 85 | 0,095 | 5,86 | 57,085 | 52,94 | 7456,14 | 132 | |
| 80-70 | 75 | 0,099 | 5,19 | 59,684 | 54,87 | 6578,947 | 112 | |
| 70-60 | 65 | 0,104 | 4,59 | 62,894 | 57,487 | 5701,754 | 93 | |
| 60-50 | 55 | 0,11 | 4,063 | 66,96 | 61,02 | 4824,561 | 74 | |
| 50-40 | 45 | 0,1204 | 3,60 | 72,276 | 65,88 | 3947,368 | 56 | |
| 40-30 | 35 | 0,1325 | 3,21 | 79,52 | 72,74 | 3070,175 | 39 | |
| 30-20 | 25 | 0,15 | 2,89 | 90 | 82,89 | 2192,982 | 24 | |
| 20-10 | 15 | 0,177 | 2,643 | 106,45 | 99,100 | 1315,789 | 12 | |
| 10-0 | 10 | 0,2268 | 2,46 | 136,08 | 128,54 | 438,5965 | 3 | |
| Итоговый путь действительного торможения, м | | |||||||
После определения общего тормозного пути
построим номограмму допустимого тормозного пути, для заданных условии эксплуатации. Определим по ней тормозной путь и сравним с расчетным.
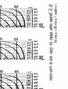
Рисунок 3.1 – Номограмма величины тормозного пути одиночного
грузового локомотива
По номограмме (рисунок 3.1) видно, что расчетный тормозной путь меньше тормозного пути по монограмме, следовательно, поезд обеспечен тормозами. То есть при скорости 110 км/час тормозной путь равен 1100 м, а по расчетным данным 1049 м.
3.2 Определение величин значений замедления и времени торможения поезда
Для определения эффективности действия тормозной системы используется величина среднего замедления аi, реализованная при торможении. Величина замедления представляет собой удельную кинетическую энергию, приходящуюся на единицу массы подвижного состава, которая гасится его тормозной системой на единице длины тормозного пути. Из уравнения сохранения энергии в тормозном режиме имеем















