ДИПЛОМ ПЗ (1219114), страница 5
Текст из файла (страница 5)
Рисунок 2.2 - Гистограмма
Рисунок 2.3 - Гистограмма
Рисунок 2.4 - Гистограмма
Рассчитаем математическое ожидание и дисперсию отклонения напряжения
,
,
,
,
,
.
Продолжительность (вероятность) выхода отклонения напряжения за нормально допустимые значения:
,
.
Продолжительность (вероятность) выхода отклонения напряжения за предельно допустимые значения:
.
Отклонения линейного напряжения
на шинах 27,5 кВ не соответствует нормативным значениям по ГОСТ 13109-97. Максимальное значение достигает 12,97%
2.3 Оценка качества электроэнергии по коэффициенту искажения синусоидальности кривой напряжения
Данные для построения гистограммы рассчитывают по формулам (2.1) – (2.6) Результаты расчета сведены в таблицу 2.3.
Таблица 2.3 – Данные для построения гистограммы
| Длина интервала, % | Номер интервала | Границы интервала | Nm |
| |
| Начало | Конец | ||||
|
| |||||
| 0,658 | 1 | 1,360 | 2,018 | 14 | 0,011 |
| 2 | 2,018 | 2,676 | 169 | 0,127 | |
| 3 | 2,676 | 3,335 | 429 | 0,323 | |
| 4 | 3,335 | 3,993 | 347 | 0,261 | |
| 5 | 3,993 | 4,651 | 218 | 0,164 | |
| 6 | 4,651 | 5,309 | 148 | 0,111 | |
| 7 | 5,309 | 5,967 | 76 | 0,057 | |
| 8 | 5,967 | 6,625 | 25 | 0,019 | |
| 9 | 6,625 | 7,284 | 10 | 0,008 | |
| 10 | 7,284 | 7,942 | 4 | 0,003 | |
| 11 | 7,942 | 8,600 | 1 | 0,001 | |
Продолжение таблицы 2.3
|
| |||||
| 0,860 | 1 | 1,730 | 2,590 | 9 | 0,007 |
| 2 | 2,590 | 3,450 | 164 | 0,123 | |
| 3 | 3,450 | 4,310 | 411 | 0,309 | |
| 4 | 4,310 | 5,170 | 384 | 0,289 | |
| 5 | 5,170 | 6,030 | 261 | 0,196 | |
| 6 | 6,030 | 6,890 | 138 | 0,104 | |
| 7 | 6,890 | 7,750 | 47 | 0,035 | |
| 8 | 7,750 | 8,610 | 15 | 0,011 | |
| 9 | 8,610 | 9,470 | 7 | 0,005 | |
| 10 | 9,470 | 10,330 | 2 | 0,002 | |
| 11 | 10,330 | 11,190 | 2 | 0,002 | |
|
| |||||
| 0,540 | 1 | 0,850 | 1,393 | 107 | 0,081 |
| 2 | 1,393 | 1,935 | 365 | 0,275 | |
| 3 | 1,935 | 2,478 | 377 | 0,284 | |
| 4 | 2,478 | 3,021 | 277 | 0,208 | |
| 5 | 3,021 | 3,564 | 137 | 0,103 | |
| 6 | 3,564 | 4,106 | 72 | 0,054 | |
| 7 | 4,106 | 4,649 | 71 | 0,053 | |
| 8 | 4,649 | 5,192 | 28 | 0,021 | |
| 9 | 5,192 | 5,735 | 5 | 0,004 | |
| 10 | 5,735 | 6,277 | 1 | 0,001 | |
| 11 | 6,277 | 6,820 | 1 | 0,001 | |
По данным таблицы 2.3 на рисунках 2.5–2.7 построены гистограмма
.
Рисунок 2.5 – Гистограмма
Рисунок 2.6 – Гистограмма
Рисунок 2.7 – Гистограмма
Рассчитаем математическое ожидание и дисперсию коэффициента искажения синусоидальности кривой напряжения
,
,
,
,
,
.
Продолжительность (вероятность) выхода коэффициента искажения синусоидальности кривой напряжения за нормально допустимые значения:
.
Продолжительность (вероятность) выхода отклонения напряжения за предельно допустимые значения:
.
Отклонения линейного напряжения
на шинах 27,5 кВ не соответствует нормативным значениям по ГОСТ 32144-2013 . Максимальное значение достигает 12,97%.
3 РАЗРАБОТКА МЕРОПРИЯТИЙ ПО УЛУЧШЕНИЮ КАЧЕСТВА ЭЛЕКТРИЧЕСКОЙ ЭНЕРГИИ
Приемники электроэнергии и аппараты, присоединенные к электрическим сетям, предназначены для работы при определенных номинальных параметрах: номинальной частоте переменного тока, номинальном напряжении, номинальном токе и т. п. Долгое время основными режимными параметрами, определяющими качество электрической энергии, считались значение частоты в электрической системе и уровни напряжения в узлах сети. Однако по мере внедрения в технологические производственные процессы электропотребителей, обладающих нелинейными вольт-амперными характеристиками, все чаще приходилось учитывать возможные нарушения симметрии, синусоидальности формы кривой напряжения в трехфазных сетях.
Государственный стандарт [11] устанавливает показатели и нормы качества электрической энергии (КЭ) в электрических сетях систем электроснабжения общего назначения переменного трехфазного и однофазного тока частотой 50 Гц. Из приведенного в разделе 7 анализа видно, что не все показатели качества соответствуют ГОСТ. Рассмотрим основные мероприятия для улучшения качества электрической энергии.
3.1 Устройство для стабилизации и симметрирования трехфазного напряжения
Существенное улучшение качества электроэнергии достигается применением трехфазных стабилизаторов напряжения. Стабилизаторы напряжения могут устанавливаться для улучшения качества питания как отдельных электропотребителей, так и систем электроснабжения. Широкое распространение в настоящее время получили электронные стабилизаторы с использованием тиристоров и симисторов, регулирование выходного напряжения в которых осуществляется за счет коммутации отводов обмоток трансформатора или автотрансформатора.
Устройство для стабилизации и симметрирования трехфазного напряжения, содержит трехфазный трансформаторно-тиристорный регулирующий орган, выполненный в виде трехфазного трансформатора, содержащего первичные и вторичные обмотки, управляемые полупроводниковые ключи и блок управления, связанный с выходными фазными выводами. С целью упрощения, вторичные обмотки выполнены секционированными и соединены через соответствующие полупроводниковые ключи с выходными или входными фазными выводами, а первичные обмотки соединены между собой по схеме «зигзаг». Первые свободные выводы первичных обмоток подключены к входным или выходным выводам устройства, а вторые свободные выводы первичных обмоток соединены между собой и образуют нулевой выходной вывод для подключения фазных нагрузок.
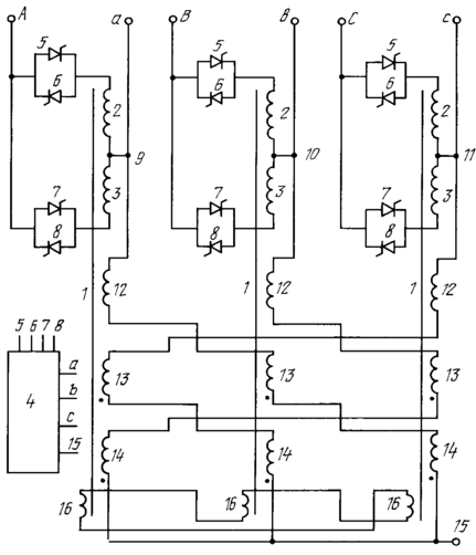
Рисунок 3.1 – Схема устройства для стабилизации
и симметрирования трехфазного напряжения
Устройство для стабилизации и симметрирования трехфазного напряжения содержит трехфазный трансформатор 1, вторичные обмотки 2, 3 которого включены последовательно с нагрузкой и связаны через блок управления 4 с полупроводниковыми ключами на тиристорах 5, 6 и 7, 8, соединенными с входными выводами фаз А, В и С. К выходным выводам 9, 10, 11 подключены первичные обмотки трехфазного трансформатора 1 с первыми обмотками 12, вторыми обмотками 13 и третьими обмотками 14. Обмотки 13 и 14 включены по схеме "зизгаг", а обмотки 12 - встречно-последовательно с обмотками 13, 14 смежных фаз. Нулевой вывод 15 образован соединением свободных выводов обмотки 14 и является выходным нулевым выводом. Трехфазный трансформатор 1 может иметь обмотки 16, которые включены в треугольник.
3.1.1 Принцип работы устройства















