Пионерская ППР 05.06.2016 (1218599), страница 4
Текст из файла (страница 4)
- #M12291 5200#разбивка осей стены;
- нивелировка поверхности перекрытий;
- произведена разметка положения стен в соответствии с проектом;
- на поверхность перекрытия краской должны быть нанесены риски, фиксирующие рабочее положение опалубки;
- основание очищено от грязи и мусора.
Выбор способа производства работ начинается с уточнения схемы расположения грузоподъемных механизмов относительно здания. Затем рассчитываются требуемые технические параметры: грузоподъемность, вылет стрелы, высота подъема крюка, длина стрелы.
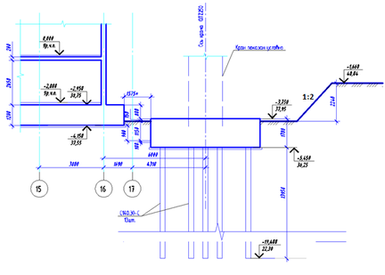
Башенный кран QTZ-250 для возведения жилого дома устанавливается по оси В между осями Б-Д, внутри подземной автостоянки, привязка башенного крана показана на рис. 2.4-2.5.
Рисунок 2.4 – Привязка фундамента башенного приставного крана QTZ-250
Рисунок 2.5 Фундамент башенного приставного крана QTZ-250
Требуемая грузоподъемность крана определяется по формуле
Qтр = qr + qc, (2.4)
где qc – масса строповочного приспособления; qг – наибольшая масса поднимаемого груза.
Для башенного крана QTZ-250, при возведении жилого дома требуемая грузоподъемность определяется как
Q тр= qr + qc = 5,0+0,099 ≈ 5,1 т
где qc – масса строповочного приспособления (строп канатный 4-х ветвевой 4СЦ-12,5-8,0 = 98,4кг); qг – наибольшая масса поднимаемого груза (пачка арматуры = 5тн).
Требуемая высота подъема крюка определяется по формуле
Нкр = hм + hэ + hз + hc (2.5)
где hм - превышение опоры подаваемого груза над уровнем стоянки крана (82,7 – высота жилого дома отн. 0,000; 3,750 – заглубление фундамента относительно 0,000 здания), м; hз - запас по высоте, необходимый для заводки груза над ранее смонтированными и при переносе через ранее смонтированные конструкции, (2,3 м); hэ - высота (или толщина) последнего монтируемого элемента, (бадья с бетоном); hс - высота грузозахватного приспособления в рабочем положении (4СЦ-12/6000 ), (3 м).
Нкр.= hм + hэ + hз + hc = (82,700+3,750)+2,300+1,600+3,000= 93,350 м.
Принимаем 28 рядовых секций (высота 3 м), 1 цокольную секцию (высота 7,65м) и 1 поворотную секцию.
Итого высота подъема крюка составляет – 93,400м, относительно подошвы фундамента башенного крана.
Согласно паспорту башенного крана QTZ-250 при необходимой высоте равной 93,4м необходимо выполнить крепление башенного крана к жилому дому
Место расположения крепления башенного крана QTZ-250 представлено на рис. 2.6.
Рисунок 2.6 Место крепления башенного приставного крана QTZ-250 при возведении жилого дома
Требуемый вылет стрелы для башенного крана определяется по формуле
lстр. = a + b + Rп, (2.6)
где a - расстояние от центра тяжести наиболее удаленного элемента до выступающей части здания со стороны крана, м; b - расстояние допустимого приближения крана к выступающим частям здания); Rп - радиус поворота противовеса или платформы крана (половина ширины опорной секции = 1 м).
lстр. =37.92+4,58+1 = 43.5 м.
Принимаем башенный кран QTZ-250 с длиной стрелы равной 45м. Технические характеристики крана представлены в табл. 2.7.
2.4.2.1 Устройство стен и колонн
К моменту начала бетонирования стен и колонн следующего этажа должны быть выполнены работы:
- установка всех конструкций нижестоящего этажа;
- перенос основных разбивочных осей на перекрытие;
- очищены от грязи и мусора места установки стен и колонн;
- на поверхность перекрытия краской нанесены риски, фиксирующие положение рабочей плоскости щитов опалубки.
Работы по возведению монолитных стен и колонн высотой 3,0 м выполняются в следующем порядке: устанавливают арматурные стержни и каркасы на всю высоту колонны, а так же закладные детали на проектной высоте, затем устанавливаются панели опалубки высотой 2,8м, с предварительно смазанной палубой. На арматурных каркасах располагают фиксаторы на расстоянии 1 м от верха щита для создания защитного слоя бетона.
В технологической карте предусмотрена унифицированная разборно-переставная мелкощитовая опалубка фирмы «Далли». Щиты высотой 0,64м, соединяются между собой стяжными стержнями.
После установки в проектное положение арматуры звено плотников приступает к установке опалубки.
Палубы щитов предварительно смазываются смесью отработки с солидолом и устанавливаются по периметру колонны. По всему периметру щитов с их внутренней стороны наносят риски на высоте 3,0м от нижней грани колонны при помощи нивелира. После установки всех элементов опалубку рихтуют, выверят по осям и окончательно закрепляют.
Бетонирование производят башенным краном QTZ-250 с помощью герметичного поворотного бункера вместимостью 1,0м3 . Бункер должен быть оборудован гибким желобом для распределения бетонной смеси в колонну. Бетонные смеси следует укладывать в бетонируемые конструкции горизонтальными слоями одинаковой толщины 30-40 см без разрывов.
Для подачи бетонной смеси опалубку стен и колонн выполняют поярусно, вышестящий ярус устанавливают после бетонирования нижнего.
Уложенную бетонную смесь подвергают уплотнению глубинными вибраторами (ИВ-47Б) . При уплотнении бетонной смеси не допускается опирание вибраторов на арматуру и закладные изделия, тяжи и другие элементы крепления опалубки [28]. Глубина погружения глубинного вибратора в бетонную смесь должна обеспечивать углубление его в ранее уложенный слой на 5 — 10 см. Шаг перестановки глубинных вибраторов не должен превышать полуторного радиуса их действия.
В начальный период твердения бетона необходимо защищать его от попадания атмосферных осадков или потерь влаги, а в последующем необходимо поддерживать температурно-влажностный режим с созданием условий, обеспечивающих нарастание его прочности.
Распалубку щитов начинают при наборе прочности бетона не менее 1,5МПа. Разборку щитов осуществляют в обратной последовательности сборки.
2.4.2.2 Устройство монолитных безбалочных перекрытий
К моменту начала бетонирования перекрытия должны быть выполнены следующие работы:
-
установка всех конструкций нижестоящего этажа;
-
перенос основных разбивочных осей на верх колонн.
Монтаж перекрытий ведется также с использованием опалубки “Далли”. Монтаж опалубки осуществляется в следующей последовательности. Падающую головку устанавливают сверху в стойку, стойку закрепляют в проектное положение. С помощью раздвижки треноги она получает необходимую пространственную устойчивость. В головку стойки устанавливают несущие продольные балки (деревянные клееные балки Н20), по которым раскладывают поперечные балки, сверху которых располагают щиты опалубки.
Укладка арматурных каркасов и сеток производится на очищенную от грязи и мусора поверхность. Расположение арматурных изделий должно соответствовать опалубочным чертежам проекта. При армировании конструкций необходимо обеспечить требуемую толщину защитного слоя. В качестве фиксаторов используются прямоугольные плитки из бетона или раствора.
Бетонирование производят с помощью бетононасоса Grand 703 (табл. 2.6)
Перед эксплуатацией бетононасоса проверяется работа всех механизмов, в том числе стрелы. Стрела устанавливается в раскрытом положении или присоединяется к стационарному бетоноводу.
Для снижения трения бетонной смеси о стенки бетоновода перед запуском бетононасоса необходимо нанести на них смазочный слой из цементного раствора состава 1:2 (1 часть –цемент, 2 –песок). Толщина слоя от 2 до 5мм и зависит от состава бетонной смеси и диаметра бетоновода. Кроме того, раствор создает полную герметичность в трубопроводе.
Фактический объем раствора, необходимый для смазки бетоновода в зависимости от его длины, диаметра и расположения (вертикальное, наклонное и горизонтальное), а также от подвижности бетонной смеси уточняется опытным путем.
В течение смены должна быть обеспечена непрерывная перекачка бетонной смеси. Случайные или организационные перерывы в работе автобетононасоса (например, демонтаж звена трубопровода) не должны превышать 15-20 мин. При более продолжительных перерывах, приближающихся к срокам схватывания цемента (определяются строительной лабораторией), бетонную смесь следует прокачать по замкнутому контуру системы бетононасос – бетоновод на стреле. При этом гибкий шланг на конце бетоновода следует крепить к приемному бункеру автобетононасоса. В случае прокачивания бетона по системе бетононасос – бетоновод на стреле – бетоновод из стальных труб и бетоновод после перекачки необходимо освободить от бетонной смеси и промыть всю систему.
Бетонная смесь по бетоноводу подается непосредственно к месту укладки. Высота свободного падения бетонной смеси не должна превышать 2м.
Для создания более плотной и однородной структуры бетона, его необходимо уплотнять. Уплотнение происходит за счет вибрирования бетонной смеси поверхностными вибраторами (ИВ-104). При уплотнении бетонной смеси не допускается опирание вибраторов на арматуру и закладные изделия, тяжи и другие элементы крепления опалубки [28]. Условия выдерживания уложенного бетона и ухода за ним в начальный период его твердения должны обеспечивать: поддержание температурно-влажностного режима, необходимого для нарастания прочности бетона заданными темпами; предотвращение значительных температурно-усадочных деформаций и образование трещин; предохранение твердеющего бетона от ударов, сотрясений и других воздействий, ухудшающих его качество в конструкциях.
С целью создания благоприятных условий для твердения бетона необходимо: предохранять его от вредного воздействия ветра и прямых солнечных лучей, систематически поливать влагоемкие покрытия из опилок, укладываемые на открытых поверхностях бетона; в сухую погоду открытые поверхности бетона поддерживать во влажном состоянии до достижения бетоном 75% проектной прочности.
2.4.2.3 Монтаж лестниц
Монтаж лестничных маршей и площадок разрешается производить только после приемки опорных элементов, включающей геодезическую проверку соответствия их планового и высотного положения с составлением геодезической исполнительной схемы.
До начала монтажа лестничных маршей подготавливаются к работе необходимые монтажные приспособления, инвентарь, инструменты.
Перед подъемом лестничные марши должны очищаются от грязи, а в зимнее время от снега и наледи.
При монтаже лестничных маршей, до их приема монтажники закрепляются с помощью карабина и удлинителя цепи предохранительного пояса за ранее смонтированные конструкции или за места, указанные мастером или прорабом по месту.
Лестничный марш опускается на 20-30 см над местом установки, после чего монтажники подходят, направляют его и устанавливают в проектное положение.
По мере монтажа лестничных маршей устанавливается временное или постоянное ограждение.
Расстроповку лестничного марша необходимо выполнять только после установки его в проектное положение.
Работы по устройству стен и колонн выполняют следующие звенья:
- звено №1 (слесари строительные 4 разр. - 5 чел., 3 разр. - 10 чел., 2 разр. - 15 чел.) - установка элементов опалубки монолитных конструкций, разборка опалубки с очисткой поверхности, смазка щитов эмульсией;
- звено №2 (арматурщики 3 разр. - 8 чел., 2 разр. - 10 чел., электросварщик 3 разр. - 2 чел.) - установка арматурных сеток, укрупнительная сборку арматурных сеток на кондукторе, сварочные работы, вязка отдельных стержней арматуры;
- звено №3 (машинист крана 5 разр. -1 чел., бетонщики 4 разр. - 6чел., 2 разр. - 6 чел.) - прием бетонной смеси из автобетоносмесителя, подача бетонной смеси башенным краном и укладка бетонной смеси с уплотнением вибраторами, уход за бетоном.
Работы по устройству перекрытий выполняют следующие звенья:
- звено №4 (слесари строительные 4 разр. - 4 чел., 3 разр. - 6 чел., 2 разр. - 6 чел.) - установка элементов опалубки монолитных конструкций, разборка опалубки с очисткой поверхности, смазка щитов эмульсией;
- звено №5 (арматурщики 3 разр. - 6 чел., 2 разр. -8 чел., электросварщик 3 разр. - 2 чел.) - установка арматурных сеток, укрупнительная сборку арматурных сеток на кондукторе, сварочные работы, вязка отдельных стержней арматуры;
- звено №6 (оператор бетононасоса 5 разр. -1 чел., бетонщики 4 разр. - 2чел., 2 разр. - 3 чел.) - прием бетонной смеси из автобетоносмесителя, подача бетонной смеси автобетононасосом и укладка бетонной смеси с уплотнением вибраторами, уход за бетоном.
Работы по монтажу лестниц выполняют следующее звено:
- звено №7 (машинист крана 5 разр. -1 чел., монтажник 4 разр. - 1чел., 3 разр. - 1 чел.) – монтаж лестничного марша, устройство временного ограждения.















