Раздел-3_РКЧ_Лестница_Пионерская (1218597)
Текст из файла
Согласовано
3 РАСЧЕТНО-КОНСТРУКТИВНЫЙ РАЗДЕЛ
3.1 Расчет лестничного марша
3.1.1 Исходные данные
Необходимо рассчитать армирование лестничного марша лестничной клетки, расположенной в осях ЕЕ-ГГ, 3-4.
Бетон монолитных конструкций класса B25, расчетное сопротивление Rb=14,5 МПа, Rbt=1,05Мпа Eb=30,0·109=30 000МПа.
Арматура класса А400 (AIII), расчетное сопротивление Rs=Rsc=350 Мпа, Es=2·1011=200 000 МПа, А240 (AI), расчетное сопротивление Rs=Rsc=210 Мпа, Es=2·1011=200 000 МПа, класса В500 (ВрI), Rs=Rsc=435 Мпа, Еs=1,7·1011=170 000 МПа.
3.1.2 Сбор нагрузок
Расчетная схема лестничного марша - шарнирно-опертая по концам балка, наклоненная под углом α (см рис. 3.1). К балке прикладывается равномерно-распределенная погонная нагрузка. Расчетная нагрузка на 1 м длины марша q, (кН/м), определена по формуле:
, (3.1)
где qn – собственный вес железобетонного лестничного марша на 1 м2 горизонтальной проекции, кH/м2; рn – временная нормативная нагрузка для лестниц жилого дома, кH/м2; gf – коэффициент надежности по нагрузке; a – ширина марша, м.
q = (3,6∙1,2+3∙1,2)∙1,4 = 11,09 кН/м.
Расчетный изгибающий момент в середине пролета марша М, (кН∙м), определён по формуле:
, (3.2)
где l – длина марша.
Рисунок 3.1 Расчетная схема лестничного марша
Поперечная сила Q, (кН) на опоре определена по формуле:
, (3.3)
3.1.3 Конструирование элементов марша
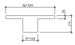
Применительно к типовым заводским формам назначена толщина плиты (по сечению между ступенями) h'f=30 мм, высота ребер (косоуров) h=170 мм, толщина ребер br=80мм. Сечение лестничного марша представлено на рис. 3.2.
Рисунок 3.2 Сечение лестничного марша
Расчётное сечение марша – тавровое с полкой в сжатой зоне. Оно представлено на рис. 3.3.
Рисунок 3.3 Расчетное сечение лестничного марша
Ширина сечения по низу b, (мм) составляет:
b = 2 ∙ br , (3.4)
b = 2 ∙ 80 = 160 мм.
Ширина полки принимается не более меньшей из двух значений по расчету: максимальная ширина полки b'fм , (см), при отсутствии поперечных ребер:
b'fм = 2·(l/6) + b , (3.5)
b'fм = 2(300/6)+16 = 116 см
или ширина полки b'fм , (см), равна:
b'fм =12·h'f + b, (3.6)
b'fм = 12*3+16 = 52 см
Принято окончательно расчётное значение b'f = 52 см.
3.1.4 Расчет нормального сечения
Проверка факта прохождения нижней границы сжатой зоны сечения в полке произведена по формуле:
M ≤ Rb∙b'f ∙h'f∙(h0-0,5 h'f), (3.7)
где Rb – расчетное сопротивление бетона осевому сжатию для 1-го предельного состояния, МПа; h'f – толщина плиты, м; h0 – рабочая высота сечения, м, которая составляет:
h0 = h - a, (3.8)
где а – защитный слой бетона.
h0 =17-2,5=14,5 см
1166 < 1,305 ∙ 52 ∙ 3∙(14,5-0,5 ∙ 3) = 2640 кН/см2
Условие выполнено, нейтральная ось проходит в полке; расчет арматуры выполнен по формулам для прямоугольных сечений с шириной полки b'f = 52 см.
Вычисление требуемой площади арматуры:
, (3.9)
αm =
Значение относительной высоты сжатой зоны бетона ξ:
, (3.10)
Проверка:
x=ξ*h0=0,1098*14,5=1,592 см
Граница сжатой зоны проходит в полке.
Площадь сечения ненапрягаемой части арматуры в растянутой зоне сечения Аs, (см2), определена по формуле:
, (3.11)
где Rs – расчетное сопротивление арматуры растяжению для первого предельного состояния, кН/см2.
, (3.12)
Принято 2Æ16А400 (As=4,02 см2).
В каждом ребре установлен по одному стержню в составе плоского каркаса Кр-1 (см. рис. 3.4).
3.1.5 Расчет наклонного сечения на поперечную силу
Поперечная сила на опоре Qmax=17,27 кН.
Длина проекции наиболее опасного наклонного сечения на продольную ось элемента с, (см), определена по формуле:
, (3.13)
где φb2 – коэффициент, принимаемый равным 1,5; Rbt – расчётное сопротивление бетона растяжению, МПа; Qb – поперечная сила в расчётном наклонном сечении, (кН), определена по формуле:
Qb = Q/2, (3.14)
Qb = 17,27/2 = 8,635 кН;
Поскольку с > 2∙h0, 61,36 > 2∙14,5 = 29 см,
то принято с = 2∙h0 = 29, тогда Qb определено исходя из формулы:
, (3.15)
Поскольку
Qb > Qmax,
18,27 > 17,27 кН, поперечная арматура по расчету не требуется.
Поперечное армирование подобрано конструктивно стержнями диаметром 6 мм из стали класса А240. Площадь поперечного сечения стержней Аsw=0,283 см2, расчётное сопротивление растяжению Rsw=175 МПа. Шаг стержней, мм, должен удовлетворять условию:
S ≤ h/2, (3.16)
S ≤ 170/2 = 85
На приопорных участках принят S=80 мм. В средней части ребер поперечную арматуру располагаем конструктивно с шагом 200 мм.
Проверка прочности элемента по бетонной полосе между наклонными сечениями произведена по формуле
, (3.17)
где φb1 – коэффициент, принимаемый равным 0,3.
17,27<65,77
Поскольку условие выполнено, прочность марша по наклонному сечению обеспечена.
Плита марша армирована сеткой из стержней диаметром 3 мм: В500, расположенных с шагом 100 мм: С1 (В500) (см. рис 3.4).
Плита марша монолитно связана со ступенями, которые армированы по
конструктивным соображениям, и ее несущая способность, с учетом работы ступеней, обеспечена. Диаметр рабочей арматуры ступеней с учетом транспортных и монтажных воздействий назначен в зависимости от длины ступеней равным 5 мм. Ступени армированы гнутыми сетками B500 (С2).
Рисунок 3.4 Армирование лестничного марша по результатам расчета нормальных сечений
3.1.6 Расчет лестничного марша на зыбкость
Проверка зыбкости заключается в том, чтобы прогиб от непродолжительного действия груза в 100 кг (1 кН) (см. рис. 3.5) не превышал 0,7 мм.
Рисунок 3.5 Приложение временной нагрузки к маршу для расчета зыбкости
Прогиб в середине пролета марша находится по формуле:
, (3.18)
где Sp – коэффициент, определяющий зависимость формы закрепления элемента и характер приложения нагрузки. Для шарнирно-опертой балки с равномерно- распределенной нагрузкой Sp = 5/48; rc – кривизна элемента, определяемая как:
, (3.19)
где k1ld =0,45 , k2ld =0,11 – коэффициенты, принимаемые по таблице 2.19 [3]; Mld – момент в сечении от действия груза в 100 кг. Коэффициент надежности по нагрузке γf в данном случае равен 1.
, (3.20)
Rbt,ser – расчетное значение сопротивления бетона для предельных состояний второй группы:
0,6802<0,7
Зыбкость марша допустима.
3.2 Расчет железобетонной площадочной плиты лестничного марша
3.2.1 Исходные данные
Ребристая плита лестничной площадки двухмаршевой лестницы имеет размеры: ширина плиты – а = 1535 мм, ширина лестничной клетки в свету – 3,0 м. Временная нормативная нагрузка рn = 3 кН/м2, коэффициент надежности по нагрузке γf = 1,2. Толщина плиты принята равной h'f=6 см.
В конструкции плиты использованы: бетон класса В25 объёмным весом ρ = 25 кН/м2 , арматурные каркасы из стали класса А300, сетки из стали класса В500.
3.2.2 Сбор нагрузок
Определение усилий. Расчётный вес плиты gn, (кН/м2), определён по формуле:
gn = h'f ·ρ·γf , (3.21)
где h'f – толщина плиты; ρ – плотность бетона.
gn =0,06·25·1,2 = 1,8 кН/м2
Расчетный вес лобового ребра qлр, (кН/м), определён по формуле:
qлр = (hлр·bлр + hв·bв)· ρ· γf, (3.22)
где hлр и bлр – размеры поперечного сечения лобового ребра, м; hв и bв – размеры поперечного сечения выступающей части ребра, м.
qлр = (0,29·0,11+0,07·0,07)·25·1,2 = 1,104 кН/м
Расчетный вес крайнего пристенного ребра qпр, (кН/м), определён по формуле:
qпр = hпр·bпр· ρ· γf, (3.23)
где hпр и bпр – размеры поперечного сечения пристенного ребра, м.
qпр = 0,14·0,09·25·1,2= 0,378кН/м
Временная расчетная нагрузка р, (кН/м2), определена по формуле:
р = рn · γf , (3.24)
р = 3·1,2 = 3,6кН
При расчете площадочной плиты рассмотрены отдельно полка, частично защемленная в ребрах, лобовое ребро, на которое опираются марш, и пристенное ребро, воспринимающее нагрузку от половины пролета полки плиты.
Полка плиты при отсутствии поперечных ребер рассчитана как балочный элемент с частичным защемлением на опорах.
Расчетная схема плиты представлена на рис. 3.6.
Рисунок 3.6 Расчетная схема плиты
Расчетный пролет равен расстоянию между ребрами l = 1,535 м.
Расчётная нагрузка на b = 1 м длины плиты q, (кН/м), определена по формуле:
q = (gn+p)∙b, (3.25)
q = (1,8+3,6)·1= 5,4кН/м
При учете образования пластического шарнира изгибающий момент в пролете и на опоре М, (кН∙м), определён по формуле, учитывающей выравнивание моментов:
М = ql2/16 , (3.26)
М = 5,4·1,5352/16 = 0,7952 кН·м= 79,52 кН·см
Рабочая высота сечения h0, (см), составляет
h0 = 6 – 2 = 4 см
Требуемая площадь арматуры (см2), для полосы шириной b = 1 м вычислена по формуле (3.9)
3.2.3 Конструирование элементов площадочной плиты
Принята сетка С-3 из арматуры Æ3 мм В500 с шагом S = 150 мм на 1 м длины с отгибом на опорах, Аs = 0,471 см2. Приопорная часть плиты армирована в верхней зоне дополнительной сеткой C4 из арматуры Æ3 мм А240 с шагом S = 150 мм. Длина зоны дополнительного армирования принята равной 300 мм; длина сетки с учётом заделки в стену равна 600 мм.
3.2.4 Расчет лобового ребра площадочной плиты
На лобовое ребро действуют следующие нагрузки:
– постоянная и временная, равномерно-распределенные от половины пролета полки и от собственного веса q, (кН/м), рассчитана по формуле:
q = (gn+р) · a/2 + qлр, (3.27)
q = (1,8+3,6) · 1,535/2 + 1,104 = 5,249 кН/м;
– равномерно распределенная нагрузка q1, (кН/м), от опорной реакции маршей, приложенная на выступ лобового ребра и вызывающая его изгиб равна
q1 = Q/а , (3.28)
q1 = 17,27/1,4 = 12,34 кН/м
Расчетная схема лобового ребра приведена на рис. 3.7.
Рисунок 3.7 Расчетная схема лобового ребра
Характеристики
Тип файла документ
Документы такого типа открываются такими программами, как Microsoft Office Word на компьютерах Windows, Apple Pages на компьютерах Mac, Open Office - бесплатная альтернатива на различных платформах, в том числе Linux. Наиболее простым и современным решением будут Google документы, так как открываются онлайн без скачивания прямо в браузере на любой платформе. Существуют российские качественные аналоги, например от Яндекса.
Будьте внимательны на мобильных устройствах, так как там используются упрощённый функционал даже в официальном приложении от Microsoft, поэтому для просмотра скачивайте PDF-версию. А если нужно редактировать файл, то используйте оригинальный файл.
Файлы такого типа обычно разбиты на страницы, а текст может быть форматированным (жирный, курсив, выбор шрифта, таблицы и т.п.), а также в него можно добавлять изображения. Формат идеально подходит для рефератов, докладов и РПЗ курсовых проектов, которые необходимо распечатать. Кстати перед печатью также сохраняйте файл в PDF, так как принтер может начудить со шрифтами.














