диплом котельников (1214613), страница 5
Текст из файла (страница 5)
И1-дымовой извещатель;
И2-тепловой извещатель;
Rд=0 для ИП212-3СУ, ИП212-26 и прочие;
Rд=510 Ом для ИП101-1А, ИПР513-3;
Rш=8,2 кОм;
Rок=4,7 кОм.
Рисунок 9.3 Тип 3(пожарный тепловой ШС
с определением двойной сработки)
И2-тепловой извещатель;
Rш=4,7 кОм;
Rок=4,7 кОм.
Рисунок 9.4 Подключение извещателей ИПР513-3
Рисунок 9.5 Подключение прибора к ист очникам питания
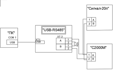
Рисунок 9.6 Подключение прибора к ПК с помощью USB-преобразователя интерфейса(RS-485)
9.2 Программирование прибора « Сигнал-20п» через программу «UProg»
9.2.1 Общие сведения о программе
Функциональные возможности программы «UProg»:
1) Чтение, редактирование и запись конфигурации в энергонезависимую память прибора;
2) Работа как непосредственно с приборами, так и файлом конфигурации (без подключения устройств к компьютеру).
3) Загрузка и запись заводской конфигурации в приборы;
4)Считывание, запись, а также удаление из памяти кодов ключей TouchMemory или Proximity карт (для приборов "С2000-4", "С2000-2", "С2000-2 исп. 01", "С2000-КДЛ", "Сигнал-10", "Сигнал-20М");
5)Дефрагментация и поиск дубликатов кодов ключей в памяти контроллеров доступа "С2000-4" и "С2000-2" ("С2000-2 исп. 01");
6) Сохранение и загрузка с диска:
- файлов конфигурации прибора;
- файлов со списком кодов ключей;
- файлов со списком уровней доступа;
- файлов со списком окон времени;
7) Изменение сетевых адресов приборов;
8) Настройка паузы ответа приборов;
9)Запрос данных телеизмерений для приборов "Сигнал-20М", "Сигнал-10", "Сигнал-20П", "С2000-4", "С2000-КДЛ", "РИП-12 RS";
10) Выполнение очистки буфера событий прибора "С2000-ИТ";
11) Опрос типов адресных устройств двухпроводной линии "С2000-КДЛ";
12) Запись конфигурации в прибор с произвольным сетевым адресом.
Место применения и связь с другим ПО:
ПК инженера по пуско-наладке или техническому обслуживанию.
Самостоятельная программа, не предполагает совместного использования с другим ПО ИСО "Орион"
9.2.2 Создание конфигурации, либо чтение её с прибора
Для создания новой конфигурации используем значок
(Ctrl+N)
Для чтения конфигурации из прибора нажимаем на значок
(Ctrl+F3)
9.2.3 Настройка конфигурации
а) Выбор типа шлейфа;
б) Задержка перехода в тревогу/пожар, взятия, анализа ШС после сброса, управления реле;
в) Включение реле в работу;
г) настройка прочих параметров.
На рисунке 9.7 изображена настройка конфигурации:
Рисунок 9.7 Настройка конфигурации
9.2.4 Настройка работы реле
Реле прибора могут управляться двумя способами:
− в соответствии с программой управления, в зависимости от состояния ШС, связанных с реле (локальное управление);
− командами сетевого контроллера (централизованное управление).
В таблице 9.2 представлены параметры конфигурации реле
Таблица 9.2
Параметры конфигурации реле
| Наименование параметра | Описание функции | Диапазон допустимых значений |
| Программа управления реле | Определяет способ управления реле в зависимости от состояния связанных с реле ШС и исходное состояние | 1…37 |
| Время управления реле | Время включения или выключения реле для программ управления, предполагающих ограниченное время управления | От 0 до 8192 сек(до 2ч 16мин 32с) с шагом 0,125 |
| Тип КЦ | Определяет тактику контроля внешней цепи выходов «реле 4»(К4) и «реле 5»(К5) | 1-без контроля; 2-контроль только на обрыв; 3-контроль только на КЗ; 4-контроль на обрыв и КЗ. |
«Программа управления реле» определяет тактику управления реле от ШС (локальное управление) или исходное состояние реле после включения питания до первой команды управления реле от сетевого контроллера (централизованное управление). Описание возможных программ управления реле приведено в таблице 9.3.
«Время управления реле» задает время включения (выключения) реле для программ управления, имеющих временной параметр («Включить/выключить на время») изображено в таблице9.2[11].
Таблица 9.3
Описание программ управления реле
| № программы | Название программы | Описание программы | Исходное состояние |
| 0 | Не управлять | Нет условий, управляющих реле | Выключено |
| 1 | Включить | Если «Пожар» - включить | Выключено |
| 2 | Выключить | Если «Пожар» - выключить | Включено |
| 3 | Включить на время | «Пожар» – включить на заданное время | Выключено |
| 4 | Выключить на время | «Пожар» – выключить на заданное время | Включено |
| 5 | Мигать из состояния ВЫКЛЮЧЕНО | «Пожар» – переключаться (0,5с включено / 0,5с выключено) | Выключено |
| 6 | Мигать из состояния ВКЛЮЧЕНО | «Пожар» – переключаться (0,5с включено / 0,5с выключено) | Включено |
| 7 | Мигать из состояния ВЫКЛЮЧЕНО на время | «Пожар» – переключаться (0,5с включено / 0,5с выключено) заданное время | Выключено |
| 8 | Мигать из состояния ВКЛЮЧЕНО на время | «Пожар» – переключаться (0,5с включено / 0,5с выключено) заданное время | Включено |
| 9 | ЛАМПА | Если «Пожар», то переключаться (0,25с включено/0,25с выключено) если «Внимание», то переключаться (0,25с включено / 0,75с выключено); если «НЕВЗЯТИЕ», то переключаться (0,5с включено/0,5с выключено); если «Неисправность», то переключаться (0,25с включено/1,75с выключено); если есть взятый ШС, то включить; если все ШС сняты с охраны, то выключить | |
| 10 | ПЦН | Если все ШС, связанные с реле, на охране, то включить; иначе выключить |
Продолжение таблицы 9.3
| № программы | Название программы | Описание программы | Исходное состояние |
| 11 | АСПТ | Включить на заданное время, если два или более ШС, связанных с реле, перешли в состояние «Пожар» и нет нарушенных технологических ШС. Нарушенный технологический ШС блокирует включение. Если технологический ШС был нарушен во время задержки управления реле, то при его восстановлении выход будет включен на заданное время (нарушение технологического ШС приостанавливает отсчет задержки включения реле) | Выключено |
| 12 | СИРЕНА | Если «Пожар», то переключаться заданное время (1,5с включено / 0,5с выключено); если «Внимание», то переключаться заданное время (0,5с включено / 1,5с выключено); иначе выключить | Выключено |
| 13 | Пожарный ПЦН | Если «Пожар» или «Внимание», то включить; иначе выключить (разомкнуть) | * |
| 14 | Выход НЕИСПРАВНОСТЬ | Если есть ШС в состоянии «Неисправность», «Невзятие» или «Снят», то выключить; иначе включить | * |
| 15 | Пожарная ЛАМПА | Если «Пожар», то мигать (0,25с включено / 0,25с выключено); если «Внимание», то мигать (0,25с включено / 0,75с выключено); если «Тревога проникновения», «Тревога входа» или «НЕВЗЯТИЕ», то мигать (0,5с включено / 0,5с выключено); если «Неисправность», то мигать (0,25с включено / 1,75с выключено); если все связанные с реле ШС в состоянии «Взято», то включить; иначе выключить | * |
| 16 | Старая тактика ПЦН | Если все связанные с реле ШС в состоянии «Взят» либо «Снят» (нет «Тревоги проникновения», «Тихой тревоги», «Тревоги входа», «Пожара», «Неисправности», «Невзятия» и т.п.), то включить; иначе выключить | * |
| 17 | Включить на время пред взятием | Если идет процесс взятия ШС на охрану («Задержка взятия»), то включить на заданное время | Выключено |
Продолжение таблицы 9.3
| № программы | Название программы | Описание программы | Исходное состояние |
| 18 | Выключить на время пред взятием | Если идет процесс взятия ШС на охрану («Задержка взятия»), то выключить на заданное время | Включено |
| 19 | Включить на время при взятии | Если любой из связанных с реле ШС переходит в состояние «Взят», то включить на заданное время | Выключено |
| 20 | Выключить на время при взятии | Если любой из связанных с реле ШС переходит в состояние «Взят», то выключить на заданное время | Включено |
| 21 | Включить на время при снятии | Если любой из связанных с реле ШС переходит в состояние «Снят», то включить на заданное время | Выключено |
| 22 | Выключить на время при снятии | Если любой из связанных с реле ШС переходит в состояние «Снят», то выключить на заданное время | Включено |
| 23 | Включить на время при невзятии | Если любой из связанных с реле ШС переходит в состояние «Невзятие», то включить на заданное время | Выключено |
| 24 | Выключить на время при невзятии | Если любой из связанных с реле ШС переходит в состояние «Невзятие», то выключить на заданное время | Включено |
| 25 | Включить на время при нарушении технологического ШС | Если «Нарушение технологического ШС», то включить на заданное время | Выключено |
| 26 | Выключить на время при нарушении технологического ШС | Если «Нарушение технологического ШС», то выключить на заданное время | Включено |
| 27 | Включить при снятии | Если хоть один из связанных с реле ШС в состоянии «Снят», то включить | Выключено |
| 28 | Выключить при снятии | Если хоть один из связанных с реле ШС в состоянии «Снят», то выключить | Включено |
| 29 | Включить при взятии | Если хоть один из связанных с реле ШС в состоянии «Взят», то включить | Выключено |
| 30 | Выключить при взятии | Если хоть один из связанных с реле ШС в состоянии «Взят», то выключить | Включено |
| 31 | Включить при нарушении технологического | Если «Нарушение технологического ШС», то включить | Выключено |
Продолжение таблицы 9.3
| № программы | Название программы | Описание программы | Исходное состояние |
| 32 | Выключить при нарушении технологического ШС | Если «Нарушение технологического ШС», то выключить | Включено |
| 33 | АСПТ-1 | Включить на заданное время, если ШС перешел в состояние «ПОЖАР» и нет нарушенных технологических ШС. Если технологический ШС был нарушен во время задержки управления реле, то при его восстановлении выход будет включен на заданное время (нарушение технологического ШС приостанавливает отсчет задержки включения реле) | Выключено |
| 34 | АСПТ-А | Включить на заданное время, если два или более ШС, связанных с реле, перешли в состояние «Пожар» и нет нарушенных технологических ШС. Нарушенный технологический ШС блокирует включение, при его восстановлении выход останется выключенным | Выключено |
| 35 | АСПТ-А1 | Включить на заданное время, если ШС перешел в состояние «ПОЖАР» и нет нарушенных технологических ШС. Нарушенный технологический ШС блокирует включение, при его восстановлении выход останется выключенным | Выключено |
| 36 | Включить, если Повышение температуры | Если ШС перешел в состояние «Повышение температуры» **, то включить | Выключено |
| 37 | Выключить, если повышение температуры | Если ШС перешел в состояние «Понижение температуры» **, то включить | Выключено |
| Примечания: * – Состояние реле определяется состоянием группы связанных с ним шлейфов; ** – В состояние «Повышение температуры» и «Понижение температуры» может перейти только программируемый технологический ШС (тип 12), если для него запрограммированы соответствующие состояния. | |||
На рисунке 9.8 изображена программа управления реле:














