диплом котельников (1214613), страница 4
Текст из файла (страница 4)
Ручное управление с клавиатуры пульта и блоков индикации:
управление режимами работы охранной и пожарной сигнализации: постановка на охрану, снятие с охраны, сброс тревог, отключение извещателей и исполнительных устройств (только тех, которые управляются пультом);
ручной пуск и останов средств светового, звукового и речевого оповещения, противодымной защиты, инженерного оборудования;
управление приборами "С2000-АСПТ" с использованием блоков "С2000-ПТ": ручной пуск и останов установки пожаротушения, приостановка задержки пуска и немедленный пуск без задержки, выбор автоматического или ручного режима управления установкой пожаротушения, сброс тревог;
управление приборами "Поток-3Н" с использованием блоков "Поток-БКИ": ручной пуск и останов установки пожаротушения, выбор автоматического или ручного режима управления установкой
Возможность подключения к АРМ "Орион Про" для расширения возможностей мониторинга состояния защищаемого объекта и управления
Возможность передачи извещений на пульт охраны с помощью коммуникационных блоков "С2000-ИТ", "УО-4С", "С2000-PGE" и "С2000-ПП". Возможность подключения радиопередатчика ATS100 радиосистемы охраны LARS, RS-202TD радиосистемы охраны "Риф Стринг 202" ("LONTA 202") или TRX-150 для передачи извещений по радиоканалу
Журнал событий с возможностью его просмотра на экране пульта и печати на принтере с последовательным интерфейсом RS-232
Конфигурирование пульта в программе "Pprog.exe"
Рисунок 7.3 Прибор приемно-контрольный
«Сигнал-20П»
Описание прибора:
До 20 радиальных шлейфов сигнализации
Программируемый выбор типа шлейфов сигнализации:
тип 1: пожарный дымовой двухпороговый
тип 2: пожарный комбинированный однопороговый (с возможностью подключения тепловых и дымовых извещателей)
тип 3: пожарный тепловой двухпороговый (с распознаванием сработки одного и двух извещателей в ШС)
тип 4: охранный
тип 5: охранный с распознаванием нарушения блокировочного контакта извещателя
тип 6: технологический
тип 7: охранный входной
тип 11: тревожный
тип 12: программируемый технологический
Управление взятием/снятием ШС под охрану, выходными реле прибора по интерфейсу RS-485 с пульта управления или клавиатур ИСО «Орион»
Подключение считывателя ключей «Touch Memory» для идентификации пользователя и управления разделами (взятие, снятие)
Программируемые выходы (37 локальных тактик управления)
Контроль двух выходов на обрыв и короткое замыкание
Два ввода питания: для подключения основного и резервного источников питания[8].
Рисунок 7.4 Извещатель дымовой
порогово-адресный
Извещатель пожарный дымовой оптико-электронный ИП 212-141 предназначен для раннего обнаружения загорания, сопровождающегося появлением дыма малой концентрации в закрытых помещениях различных зданий и сооружений. Область применения извещателя распространяется на такие объекты как: Образовательные учреждения, детские сады, медицинские учреждения, административные здания и сооружения, торговые центры и многие другие.
Особенности:
- промигивание светодиода в дежурном режиме;
-в извещателе применена микросхема собственной разработки, осуществляющая цифровую обработку сигналов оптопары, а также новый алгоритм компенсации запыленности, повышающий помехозащищенность и позволяющий исключить ложные срабатывания;
- корпус извещателя изготовлен из ударопрочного и износостойкого материала АБС;
- безвинтовой способ крепления проводов;
- соседнее расположение контактов питания и «земля» позволяет при подключении извещателя к шлейфу использовать соседние каналы для завода проводов.
- предусмотрена возможность применения защиты от съема датчика без специального инструмента;
- аэродинамические показатели - в извещателе ИП 212-141 значительно уменьшены зазоры между крышкой и дымовой камерой, что значительно улучшает аэродинамические показатели;
- унификация деталей - розетка унифицирована для извещателей ИП 212-45, ИП 212-95 и ИП 212-87 (все извещатели на базе безвинтовых контактов).
Рисунок 7.5 Извещатель ручной безадресный
Извещатель пожарный ручной электроконтактный ИПР 513-10 предназначен для ручного включения сигнала «Пожар» в системах противопожарной защиты и охранно-пожарной сигнализации.
ИПР 513-10 - питание и передача сигнала «Пожар» осуществляются по двухпроводному шлейфу сигнализации и сопровождается включением оптического индикатора при срабатывании ИПР. ИПР 513-10 предназначен для работы с любыми приемно-контрольными приборами, обеспечивающими напряжение питания в шлейфе сигнализации в диапазоне от 9 до 30 В и воспринимающими сигнал сработки ИПР в виде скачкообразного уменьшения внутреннего сопротивления извещателя в прямой полярности до величины не более 500 Ом.
Извещатель пожарный ручной осуществляет формирование сигнала на включение различных инженерных систем при нажатии на кнопку. Снятие сигнала осуществляется возвратом кнопки в исходное положение с использованием штыря диаметром не более 3 мм. Устройство дистанционного пуска состоит из основания и корпуса. На основании установлена плата с радиоэлементами и клеммником для подключения проводов ШС[9].
Рисунок 7.6 Оповещатель охранно-пожарный световой «ВЫХОД»
Предназначен для установки во внутренних помещениях промышленных предприятий, гражданских зданий и сооружений с целью светового оповещения о пожаре или других чрезвычайных ситуациях, а также для различных информационных целей.
Недостатки систем пожарной сигнализации этого типа - низкая информативность (в том числе отсутствие информации о неисправности извещателя), высокая вероятность ложных срабатываний, дорогостоящий монтаж[8].
8 Расчёт ток потребления стендом ПС
8.1 Расчет сопротивления шлейфа сигнализации
Допустимое количество включаемых в шлейф сигнализации электроконтактных извещателей определяется из условия сохранения суммарного сопротивления шлейфа сигнализации ниже установленного предельного значения. Входное сопротивление шлейфа, нагруженного на резистор, определяется по формуле:
Rвх = Rд + Rизв + Rпр + Rок , (8.1)
где Rвх - входное сопротивление шлейфа сигнализации; Rд - дополнительное сопротивление, определяемое переходным сопротивлением контактов в местах электрических соединений участков шлейфа, а также сопротивлением контактов в местах подключения извещателей; Rизв – переходное сопротивление выходных цепей извещателя; Rпр – сопротивление проводников шлейфа сигнализации; Rок – сопротивление оконечного элемента.
Rвх= 1,5 + 1 + 1+ 4,7= 8,2 кОм
Сопротивление шлейфа сигнализации Rш, без учёта сопротивления оконечного элемента, определяется по формуле:
Rш = Rвх - Rок = Rд + Rизв + Rпр (8.2)
Rш=8,2 – 4,7= 3,5 кОм
Фактическое сопротивление шлейфа сигнализации Rш должно удовлетворять условию:
Rш ≥ Rшд , (8.3)
где Rшд – максимальное допустимое сопротивление шлейфа сигнализации. Значения сопротивлений Rшд и Rок указываются в технической документации на ПКП.
3,5 ≥ 2,7
Rизв = Rизвi Nпи , (8.4)
где Rизвi - переходное сопротивления выходных цепей одного извещателя; Nпи – общее количество извещателей, включаемых в шлейф.
Rизв = 1,5*3 = 4,5 кОм
8.2 Расчет ток потребления сигнализацией
1) Рассчитаем емкость, которую потребляют приборы в дежурном режиме.
Дымовой пожарный извещатель ИП 212-141 потребляет в дежурном режиме ток равный 0,04 мА.
Количество дымовых извещателей - 3 шт.
Ток потребляемый дымовыми извещателями в дежурном режиме равен:
Iдым = 0,04·3 = 0,12 мА (8.5)
Ручной пожарный извещатель ИП 513-10 потребляет в дежурном режиме ток равный 0,05 мА.
Количество ручных извещателей - 1 шт.
Ток, потребляемый дымовыми извещателями в дежурном режиме равен:
Iручн = 0,05·1 = 0,05 мА (8.6)
Приемно-контрольный прибор «Сигнал-20П» в дежурном режиме потребляет ток равный 300 мА.
Световой оповещатель «Молния – 12» в дежурном режиме потребляет
ток равный 20 мА.
Емкость, которую потребляют приборы в дежурном режиме (24 часа) равна:
Сдеж.р. = (0,12 + 0,05 + 300 +20 )·24 = 7684 мА·ч (8.7)
2) Рассчитаем емкость, которую потребляют приборы в тревожном режиме.
Дымовой пожарный извещатель ИП 212-45 потребляет в тревожном режиме ток равный 2 мА.
Количество дымовых извещателей - 3 шт.
Ток потребляемый дымовыми извещателями в тревожном режиме равен:
Iдым = 2·3 = 6 мА (8.8)
Ручной пожарный извещатель ИП 513-10 потребляет в тревожном режиме ток равный 20 мА.
Количество дымовых извещателей - 1 шт.
Ток потребляемый дымовыми извещателями в тревожном режиме равен:
Iтепл = 20 мА (8.9)
Приемно-контрольный прибор «Сигнал-20П» в тревожном режиме потребляет ток равный 300 мА.
Световой оповещатель «Молния – 12» в тревожном режиме потребляет ток равный 20 мА[10].
Емкость, которую потребляют приборы в тревожном режиме (3 часа) равна:
Стрев.р. = (6 + 20 + 300 + 20)·3 = 1038 мА·ч (8.10)
Общая емкость, которую потребляют приборы в обоих режимах:
С = Сдеж.р. + Стрев.р. = 7684 + 1038 = 8686 мА· ч = 8,7 А·ч (8.11)
9 Алгоритм работы с пультом «С2000М» и ППКП «Сигнал-20п»
9.1 Подключение к прибору Сигнал-20п источников питания, извещателей, оповещателей, ПК
Схемы подключения приборов сигнализации изображены на рисунках рисунок 9.1-9.6:
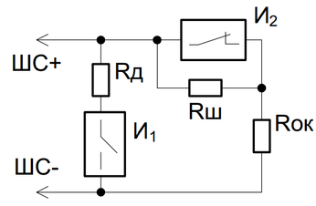
Рисунок 9.1 Тип 1(пожарный дымовой
с определением двойной сработки)
Rд-добавочный резистор;
Rок-оконечный резистор 4,7 кОм;
И1-дымовой пожарный извещатель.
В таблице 9.1 представлены рекомендуемые номиналы добавочных резисторов для различных извещателей
Таблица 9.1
Рекомендуемые номиналы добавочных резисторов для различных извещателей
| ИП212-3СУ | ИП212-26 | ИП212-41М | ИП212-44 | ИП212-45 | ИП212-46 | ИП212-54Т | |
| Rд, кОм | 1,5 | 1,5 | 2,2 | 1,5 | 2,2 | 2,2 | 0 |
| ИП212-58 | ИП212-78 | 2151Е | 2100 | ИП101-1А | Извещатель с выходом типа «сухой контакт» | ||
| Rд, кОм | 1,5 | 2,2 | 2,2 | 2,2 | 2,4 | 3,0 | |
Примечание – указанные номиналы могут потребовать уточнения при проверке работоспособности прибора с конкретными образцами извещателей.
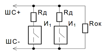
Рисунок 9.2 Тип 2(пожарный комбинированный)















