СИСТЕМА ДИАГНОСТИКИ ЭЛЕКТРОМЕХАНИЧЕСКИХ УСТРОЙСТВ РЕЛЕЙНОЙ ЗАЩИТЫ И АВТОМАТИКИ (Автосохраненный) (1212863), страница 5
Текст из файла (страница 5)
3.2) На реле, на которых нет свободных контактов, установить датчик положения. Датчик на основе резисторного делителя показан на рисунке 5.2.
Рисунок 5.2 – Устройство датчика на основе резисторного делителя напряжения.
Принцип действия показан на примере датчика, установленного на вводе блока. От клемм ввода +220 и -220 будет отстроено параллельно два резистора, между ними будет выполнено соединение с портом микроконтроллера.
Необходимо выбрать сопротивления так, чтобы к микроконтроллеру подходил сигнал с оком 1мА. Ток номиналом 1мА подходит к нашему устройству, потому что:
-
Он безопасен для работы с портами микроконтроллера;
-
не вносит корректировку контролируемую цепь;
-
оптимальный ток для работы защитного стабилитрона на входном порте МК.
Реле работают на постоянном токе, это упрощает нам задачу, не нужно выбирать преобразователь из переменного тока в постоянный.
Коэффициент резистивного делителя выбирается исходя из параметров логики реле. Мы адаптируем под стандартизированные параметры:
- Необходимо добиться состояния логической единицы (2,7 ÷ 5 В) на выходе резистивного делителя при изменении напряжения питания панели 220 В ±10%;
- логический 0 1 будет при напряжении на резисторном делителе о 0 В до 1,7 В;
- в промежутке от 1,7 В до 2,7 В сигнал не приводит к изменению на выходе элемента.
Сопротивления делителя выбирается так, чтобы при токе в 1 мА на делителе было напряжение равное логической единице, для этого по закону Ома:
; (5.1)
де R – необходимое сопротивление; U напряжение сети; I – величина силы тока необходимая для подачи сигнала.
Сопротивление R1, (Ом) расчитывается по формуле 5.1:
.
Таким образом необходимое сопротивление для первого резистора равное 220 кОм.
Необходимо получить напряжение на резистивном делителе равное усредненному значению логической единицы равное 4В. Для этого составляется система уравнений:
; (5.2)
; (5.3)
где k – коэффициент резисторного делителя; Uр – напряжение на выходе резистивного делителя, в нашем случае оно будет равно примерно 4 В; R2 – сопротивление второго резистора, подставляем значения и решаем систему уравнений:
;
;
;
;
По справочнику выбирается ближайшее стандартное значение сопротивления резистора, максимально близко подходящее к нашему значению [10]:
;
После подставленные этого значения в уравнения:
;
;
Проверка на погрешность:
При повышении напряжения на 10%:
;
;
При понижении напряжения на 10%:
;
;
Напряжение входят в интервал от 2,7В до 5В, это означает что параметры резисторов выбраны верно.
Стандартно, реле, как и блок, для которого были рассчитаны параметры датчика, так же выполнены на постоянном токе, при напряжении сети 220 В. Поэтому, резистивные делители применимы как к блоку, так и к каждому реле этого блока. Следовательно, для датчика, который будет осуществлять сбор информации с реле, можно использовать уже рассчитанные параметры.
На рисунке 5.4 показана схема подключения датчика к реле РП1
Рисунок 5.3 – Подключение датчика к нормально разомкнутому блок контакту реле РП1.
На рисунке видно, что датчик подключен к нормально разомкнутому контакту реле РП1. При нормальной схеме работы на датчик со стороны «-» подходит напряжение -220 кВ, а со стороны «+» подходит 0, таким образом напряжение на датчике рано 0 В, что соответствует логическому 0. В данном режиме микроконтроллер определяет на датчике сигнал логического 0, что соответствует нормальному положению реле РП1, защита готова к работе.
При замыкании контакта 3РП, на катушку реле РП1 подается ток и при срабатывании реле РП1 замыкаются контакты 1РП1, со стороны «+» на датчик подается напряжение +220В, через резистивный делитель напряжение преобразовывается в 4,3 В что соответствует логической 1 нашего алгоритма. Микроконтроллер определил изменение состояния реле РП1 при срабатывании защиты, и измененная матрица состояния устройств релейной защиты и реле. После сравнения матриц, микроконтроллер передает сигнал на следующий микроконтроллер, который в свою очередь создает отчет о случившемся на все уровни диспетчеризации.
Расчет мощности резисторов
Для нахождения необходимой мощности резистора, определяется ток, проходящий через резисторы, при максимальном напряжении по формуле закона Ома. Где используется напряжение системы при повышении напряжения на 10% и общее сопротивление резисторов R1 и R2.
Мощность резистора R2, (Вт) находится по формуле (5.3):
(5.3)
Аналогичным способом находится мощность для резистора R1, Вт, используя формулы (5.3):
(В)
Для найденных мощностей, ближайшее стандартное значение мощности резистора равно 0, 5 Вт. Для сопротивления R1 выбираем резистор CF-1/2W-220K [27].
Резисторы с углеродным проводящим слоем предназначены для работы в цепях постоянного, переменного и импульсного тока.
Для резистора R2 выбирается аналогичный резистор из серии CF 1-4:
Подключение датчиков
Рассматривается подключение датчиков, на примере первого комплекта защиты ЭПЗ -1636.
Датчик D1 будет подключаться к комплекту защит и отслеживать наличие питания на комплекте, если питание присутствует, он посылает на МК логическую единицу (рисунок 5.4). Таким образом, при пропадании питания на комплекте, наша система выявит не соответствие логики при отказе защиты.
Датчик D2 подключается к нормально разомкнутому контакту 1РП (рисунок 5.4), при коротком замыкании питание на реле 1РП подтянут, контакт замкнут. При нормальном режиме, на D2 будет передавать на микроконтроллер логический ноль. После замыкания контакта, на D2 поступит сигнал 4,3 В и он передаст логическую единицу.
Датчик D3 подключен к реле 1РП1 (рисунок 5.4) и отслеживает напряжение на реле. При нормальном режиме, датчик передает логическую единицу на микроконтроллер. При пропадании напряжения с реле, датчик передает логический ноль. Такое подключение позволит более правильно определить работу защиты, а так же определить пропадание питания с реле.
При правильной работе первой зоны дистанционной защиты, датчики D2 и D3 передают на микроконтроллер комплекта логическую единицу.
При возникновении дефекта, связанного с пропаданием питания с реле 1РП1 датчик D3 передает логический ноль. Если в этот момент не происходила работа других защит первого комплекта, система диагностики передаст информацию о дефекте реле РП1.
Аналогично подключается датчик D4 к выходному реле 4РП (рисунок 5.4). При нормальном состоянии D4 передает на микроконтроллер комплекта логический ноль. Во время работы защит первого комплекта, датчик D4 передаст на микроконтроллер комплекта логическую единицу.
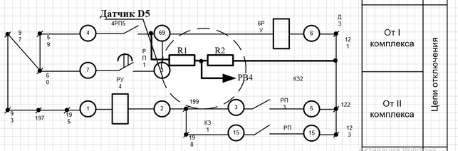
Датчик D5 подключается к нормально разомкнутому контакту 4РП (рисунок 5.5). Это выходное реле первого комплекта защиты. Аналогично работе первого комплекта пока реле отпавшее, на D5 приходит логический ноль, при срабатывании одной из защит D5 передает логическую единицу.
При правильной работе защит датчики D4 и D5 передают на микроконтроллер комплекта логическую единицу. Если датчик D4 передает на микроконтроллер логическую единицу, а датчик D5 передает логический ноль, система диагностики распознает дефект выходного реле 4РП (рисунок 5.5).
Рисунок 5.5 – Фрагмент схемы ЭПЗ – 1636, пример подключения датчика D5 к нормально разомкнутому контакту 4РП5
При срабатывании второй зоны дистанционной защиты, на реле 3РП приходят + и -. Датчик D6 будет подключен на нормально разомкнутый контакт реле 3РП. Датчик D7 подключаем на упорный контакт реле 1РВ. При срабатывании защиты датчики D7 и D6 передают логические единицы на МК. При сборе логики вместе с датчиком Д3 Наша система диагностирует что произошла работа второй зоны дистанционной защиты. Для построения логики оперативного ускорения мы подключаем датчик D8 на проскальзывающий контакт 1РВ, при вводе накладки оперативного ускорения, + пройдет через этот контакт.
Датчик D9 устанавливаем на нормально разомкнутый контакт реле 6РП. При работе второй зоны дистанционной защиты по цепи автоматического ускорения нормально разомкнутый контакт 6РП замыкается, собирается логика работы релейной защиты. Датчик D8 будет передавать логическую единицу при замыкании контакта 6РП.
Таким образом, датчики производят сбор информации с реле действием которых происходит работа первого комплекта защит типа ЭПЗ – 1636. Данные полученные с датчиков передаются на порты микроконтроллера комплекта (МК1) для сравнения с эталонными значениями и дальнейших построений действий системы диагностики.
5.3 Выбор протокола передачи сигналов между микроконтроллером комплекта и микроконтроллером панели.
Передача сигналов будет осуществляется по технологии I²C
I²C (IIC, англ. Inter-Integrated Circuit) — последовательная асимметричная шина для связи между интегральными схемами внутри электронных приборов. Использует две двунаправленные линии связи (SDA и SCL), применяется для соединения низкоскоростных компонентов с процессорами и микроконтроллерами [27].
Принцип подключения. Данные передаются по двум проводам — проводу данных и проводу тактов. Есть ведущий (master) и ведомый (slave), такты генерирует master, ведомый лишь «поддакивает» при приёме байта. Всего на одной двухпроводной шине может быть до 127 устройств.
Пример схем техники с одним главным микроконтроллером (μC Master) и тремя подчинёнными (slave) устройствами (ADC — аналого-цифровой преобразователь, DAC — цифро-аналоговый преобразователь и второй (подчиненный) микроконтроллер (μC Slave)), подтягивающими резисторами Rp.
Для защиты портов микроконтроллера от перенапряжения необходимо использовать ограничители напряжения [28]. Ограничитель напряжения – это полупроводниковый диод, работающий на обратной ветви вольт амперной характеристики с лавинным пробоем или на прямой ветви вольт амперной характеристики. В качестве ограничителя используем стабилитрон. При нормальной работе стабилитрон является высокоэмпедансной нагрузкой по отношению к защищаемой схемы и служат для защиты цепи. При повышении напряжения цепи, импеданс стабилитрона понижается и ток переходного процесса проходит через него. Мощность переходного процесса рассеивается и ограничивается максимальной температурой перехода [29].
При достижении напряжения рабочего уровня, стабилитрон возвращается в исходное положение.
Применение стабилитрона позволяет упростить защиту портов микроконтроллера и повысить надежность устройства. Схема подключения стабилитрона показана на рисунке 5.6.
Рисунок 5.6 – Схема подключения стабилитрона
Для защиты портов микроконтроллера выбираем стабилитрон 1N4733A [27].
Для повышения надежности устройства диагностики необходимо использовать гальваническую развязку. Оптроны используются для гальванической развязки цепей — передачи сигнала без передачи напряжения, для бесконтактного управления и защиты. Некоторые стандартные электрические интерфейсы, например MIDI, предписывают обязательную оптронную развязку. Различают два основных типа оптронов, предназначенных для использования в цепях гальванической развязки: оптопары и оптореле. Основное отличие между ними в том, что оптопары, как правило, используются для передачи информации, а оптореле используется для коммутации сигнальных или силовых цепей.
-
Выбор программируемого логического контроллера
Для обработки информации с микроконтроллеров всей подстанции преобразования ее в Log файл и передачи её далее по уровням персонала, необходимо использовать ПЛК [30].
| Необходимой вычислительной мощностью обладает отечественный программируемый логический контроллер ОВЕН – 150. Так же ОВЕН – 150 имеет удобный интерфейс и работает с необходимыми протоколами передачи данных. ОВЕН – 150 намного дешевле зарубежных аналогов. Контроллер ОВЕН ПЛК 150 предназначен – Для создания систем управления малыми и средними объектами – Построение систем диспетчеризации Построение системы управления и диспетчеризации на базе ОВЕН ПЛК возможно, как с помощью проводных средств – используя встроенные интерфейсы Ethernet, RS-232, RS-485, так и с помощью беспроводных средств – использую радио, GSM, ADSL модемы. |
6 РАЗРАБОТКА АЛГОРИТМОВ АВТОМАТИЗИРОВАННОГО ОЦЕНИВАНИЯ ТЕКУЩЕГО И ПРОГНОЗИРОВАНИЯ ПОСЛЕДУЮЩИХ СОСТОЯНИЙ ОБОУДОВАНИЯ, АСУТП, СИ.
-
Необходимость алгоритмических выражений
Для технически грамотного написания программного обеспечения для системы диагностики требуется не только хорошее владение средствами разработки программ, но и достаточно развитое алгоритмическое мышление.
Алгоритмическое мышление как умение выстраивать логически безупречную последовательность действий на пути к решению задачи, можно и нужно развивать. Опыт показывает, что одним из наиболее действенных способов достижения этого является проработка алгоритмов ряда небольших, но полезных программ, приводящая к формированию базы приемов программирования [31].















