ПЗ (1206748), страница 4
Текст из файла (страница 4)
Таблица 2.2 – технические характеристики электродвигателя АИР132S4
| Тип | АИР132S4 |
| Номинальная мощность, кВт | 7.5 |
| Частота вращения, об/мин | 1455 |
| КПД, % | 87 |
| cos φ | 0.86 |
| Номинальный ток статора, А | 15.1 |
| Кратность максимального момента | 2.3 |
| Кратность пускового тока | 7.5 |
| Кратность пускового момента | 2.2 |
| Масса, кг | 70 |
Основные конструктивные элементы двигателя.
Станина. Является опорой для всех элементов электродвигателя. Также на нем присутствуют ребра для охлаждения двигателя и крепежные отверстия.
Статор. На его обмотки подается напряжение сети, в результате чего создается вращающееся электромагнитное поля. Состоит из ферромагнитного сердечника с уложенными в нем обмотками, концы которых выводятся на клеммную коробку. Сердечник изготавливается из отдельных изолированных листов электротехнической стали, чтобы уменьшить потери на перемагничивание и «вихревые токи».
Ротор. Является вращающейся частью электродвигателя, в которой наводится индукционный ток при вращении в магнитном поле статора, в результате чего возникает электромагнитный момент. Находится внутри статора и состоит из алюминиевых (реже медных, латунных) стержней, замкнутых накоротко с торцов двумя кольцами.
Вал. Служит для передачи механического момента рабочему органу. Имеет жесткую механическую связь с ротором.
Вентилятор. Предназначен для охлаждения двигателя. Приводится в движение за счет вала.
Подшипники. В них закреплен вал. Предназначены для уменьшения потерь на трение при вращении вала. Представляют собой небольшие металлические шарики, вращающиеся в полости колец.
Вычислим номинальный ток двигателя по формуле:
где
– номинальная мощность двигателя, Вт;
– номильнальное напряжение питания двигателя, В;
– КПД двигателя;
– коэффициент мощности двигателя.
Подставим в формулу 2.51 данные из таблицы 2.2:
Рассчитаем номинальный момент на валу двигателя по формуле:
где
– угловая частота двигателя.
где
- частота вращения двигателя, об/мин.
Подставим рассчитанное значение
в формулу (2.2):
Рассчитаем максимальный момент двигателя по формуле:
где
- кратность максимального момента.
Рассчитаем пусковой ток двигателя по формуле:
где
– кратность пускового тока двигателя.
Рассчитаем пусковой момент двигателя по формуле:
где
– кратность пускового момента двигателя.
2.5 Выбор частотного преобразователя
Преимущества использования частотных преобразователей
экономичное потребление энергоресурсов;
минимальные затраты на техническое обслуживание при соблюдении требований, установленных производителем;
повышение качества оперативного управления действующими мощностями;
постоянный контроль за важными технологическими процессами;
увеличение эксплуатационного ресурса электроприводов и другой сложной техники, в среднем, на 35%.
По характеристикам двигателя выбираем частотный преобразователь из серии стандартных приводов АББ серии ACS310.
Рисунок 2.2 - Внешний вид частотного преобразователя
Диапазон мощностей: 0,37-22 кВт
Напряжение питания:
-
однофазное 200 – 240 В,
-
трехфазное 200 – 240 В,
-
трехфазное 380 – 480 В,
Применение. Частотный преобразователь ACS310 адаптирован для применения управления нагрузками с переменным моментом:
-
Системы вентиляции и кондиционирования
-
Насосные станции
-
Системы дымоудаления
Таблица 2.3 - Номинальные технические характеристики частотного преобразователя
| Pн кВт | Pн л.с. | I2n А | Ild А |
| 7.5 | 10 | 17.2 | 15.6 |
Таблица 2.4 - Параметры на выходе привода
| Напряжение | 3-фазы, 0–Uпитан |
| Частота | 0–500 Гц |
| Перегрузочная способность | I2N максимальный непрерывный выходной ток при окружающей температуре +40 °C. Перегрузка недопустима, снижение на 1 % на каждый дополнительный 1 °C до 50 °C. ILD непрерывный выходной ток при окружающей температуре +50 °C. Допустима перегрузка 10% в течение одной минуты каждые десять минут |
| Частота коммутации По умолчанию Выбираемая | 4 кГц 4–16 кГц с шагом 4 кГц |
| Время ускорения | 0,1–1800 с |
| Время замедления | 0,1–1800 с |
| Способ управления двигателем | Скалярное U/f |
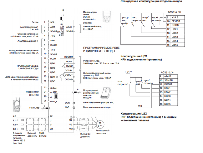
Подключение сигналов управления
Прикладные макросы Прикладные макросы - это заранее запрограммированные наборы параметров. При запуске привода пользователь обычно выбирает один из прикладных макросов, наиболее подходящий для технологического процесса. Схема внизу дает общее представление о подключении клемм управления ACS310 на примере подключения входов/выходов по умолчанию для макроса АББ стандарт.
− макрос АББ стандарт
− макрос 3-проводное управление
− макрос последовательного управления
− макрос цифрового потенциометра
− макрос ручного-автоматического управления
− макрос ПИД-регулятора
− макрос PFC (управление насосами и вентиляторами)
− макрос SPFC (плавное управление насосами и вентиляторами)
Рисунок 2.3 – Схема подключения сигналов управления
Программное обеспечение:
DriveWindow Light — это простое и удобное в работе программное обеспечение для параметрирования и управления приводом ACS310. В автономном режиме оно позволяет создать необходимый набор параметров и уже потом перенести его в привод. Программа просмотра параметров позволяет просматривать, редактировать и сохранять параметры в виде файлов. Функция сравнения параметров позволяет сравнивать значения фактических параметров привода и сохраненных параметров. Подгруппа параметров позволяет создавать собственные наборы параметров. Одной из функций программы DriveWindow Light является функция мониторинга и возможность построения графиков. Функция мониторинга позволяет отслеживать до четырех сигналов одновременно. Информация может выводиться в графическом и цифровом формате. Условием выхода из этого режима можно назначить достижение заданного значения любым из сигналов. Мастера запуска Программы помощи при запуске облегчают процессы задания параметров. Просто запустите программу помощи, выберите соответствующую вспомогательную программу, например, конфигурирование аналоговых выходов, и все относящиеся к данной функции параметры будут отображаться вместе со справочными изображениями. Особенности
− Редактирование, сохранение и загрузка параметров
− Отслеживание и представление сигналов в графическом и цифровом виде
− Управление приводом
− Программы помощи при запуске
Рисунок 2.4 Программа управления частотным преобразователем
2.6 Выбор контроллера
Рисунок 2.5 – Система Excel 800 (состоит из модулей)
ОПИСАНИЕ СИСТЕМЫ:
Система Excel 800 (состоящая из модуля контроллера XCL8010A и подсоединенных модулей ввода/вывода Excel 800 Panel или LonWorks) является легко программируемым экономичным средством управления системами отопления, вентиляции и кондиционирования воздуха. Система способна выполнять многие функции управления энергообеспечением, включая оптимизацию включения/выключения, ночное снижение нагрузки и установку максимальной требуемой нагрузки. Система Excel 800 обладает превосходными достоинствами, проявляющимися как при установке, так и при долговременной эксплуатации. Модульная конструкция позволяет осуществлять расширение системы для удовлетворения растущих потребностей. Система Excel 800 работает через систему легко подключаемых ("plug & play") модулей ввода/вывода Panel, обеспечивающих большую экономию расходов на установку и отладку благодаря использованию новых патентованных технологий, и, кроме того, может работать с модулями ввода/вывода LONWORKS, в которых реализован стандарт обмена данными LONWORKS. Модули ввода/вывода состоят из клеммного основания и съемного электронного блока, причем основание может устанавливаться и подключаться до установки электронного блока. Замену всех электронных блоков можно осуществлять без отсоединения питания и разъемов шин: Для модулей ввода/вывода Panel обновление программного обеспечения, конфигурация и отладка выполняются автоматически. Открытый стандарт LONWORKS обеспечивает простое встраивание в систему контроллеров, изготовленных сторонними организациями, а также организацию обмена данными с другими устройствами компании Honeywell (например, комнатными контроллерами Excel 10 и Excel 12). Дистанционная работа может осуществляться через модем / абонентский адаптер ISDN, связанный с контрольным пультом здания. Прямая работа сети поддерживается через систему OpenViewNet компании Honeywell, которую можно подсоединить к Excel 800 через шину C-Bus.
Рисунок 2.5 - краткий обзор модулей
Обзор модуля XFL 823A
Рисунок 2.6 - Модуль ввода двоичных сигналов XFL 823A (С основанием XS 823 и без основания)
Функциональные возможности:














