Безотецкий ПЗ (1206733), страница 2
Текст из файла (страница 2)
Образующаяся при выделении летучих пена снова сжимается и подается в головку. Летучие пары удаляют или через вентиляционные отверстия в цилиндре, или через полость в шнеке и отверстие в одном из гребней шнека в зоне дегазации. Иногда используют вакуум для облегчения удаления газов. Вакуумные воронки можно использовать для сухосмешанных порошков с целью уменьшения пористости, когда шнек должен быть уплотнен, чтобы предотвратить просыпание порошка.
Выпускают и многошнековые экструдеры, чаще — двухшнековые, которые имеют свои преимущества и недостатки. В целом многошнековые машины дороже из-за более сложной конструкции и менее устойчивы в работе, однако обладают лучшими свойствами транспортировки и смешения. Из-за более высокого напорного эффекта многошнековые экструдеры производят меньше сдвигового тепла, что делает их очень подходящими для материалов, чувствительных к перегревам, имеющих низкий коэффициент трения и тех, что должны выходить из головки при низких температурах.
1.1 Устройство экструдера
По устройству и принципу работы основного узла, продавливающего расплав в головку, экструдеры подразделяются на шнековые, бесшнековые и комбинированные.
Основным оборудованием для переработки пластмасс методом экструзии служат шнековые машины, называемые также червячными прессами. В отдельных случаях переработки пластмасс применяются бесшнековые, или дисковые, экструдеры, в которых рабочим органом, продавливающим расплав в головку, является диск особой формы. Движущая сила, продавливающая расплав, создается в них за счет развития в расплаве нормальных напряжений, направленных перпендикулярно касательным (совпадающим с направлением вращения диска). Дисковые экструдеры применяются, когда необходимо получить улучшенное смешение компонентов смеси. Из-за невозможности развивать высокое давление формования такие экструдеры применяются для получения изделий с относительно невысокими механическими характеристиками и небольшой точностью геометрических размеров.
Комбинированные экструдеры имеют в качестве рабочего органа устройство, сочетающее шнековую и дисковую части, и называются червячно-дисковыми. Применяются для обеспечения хорошего смесительного эффекта, особенно при переработке композитов. На них перерабатываются расплавы пластмасс, имеющие низкую вязкость и достаточно высокую эластичность.
Шнековые экструдеры могут быть различных типов: одно- и двухшнековые; одно- и двухступенчатые; универсальные и специализированные; с осциллирующим (вдоль оси) и одновременно вращающимся шнеком; с зоной дегазации и без нее; с вращением шнеков в одну и в противоположные стороны, и т. п.[12]
Наиболее простым является одношнековый экструдер без зоны дегазации (Рисунок 1.1). Основными элементами экструдера являются обогреваемый цилиндр, шнек (с охлаждением или без него), сетки, размещаемые на решетке, и формующая головка. В зависимости от природы полимера, технологических режимов переработки применяются шнеки различного профиля, в частности с различным характером изменения глубины h нарезки по длине шнека.
L – длина винта шнека;
D –диаметр винта шнека;
h1 и h2 – глубина нарезки в начале и конце шнека;
L1, L2, L3 – длины отрезков с различной глубиной нарезки;
е – ширина гребня;
t – шаг витка;
φ – угол винтовой нарезки; .
Рисунок 1.1 – шнек
В зависимости от вида выпускаемого изделия применяют либо коротко-, либо длинношнековые машины, т. е. с малым или большим отношением длины L к диаметру D шнека (L/D) (рис. 1). Значения D и L/D являются основными характеристиками одношнекового экструдера. Параметрический ряд отечественных экструдеров построен по диаметрам шнека: D = 20; 32; 45; 63;90; 125; 160; 200; 250; 320 мм. В наименовании типоразмера пресса указываются D и L/D. Например, ЧП-45х20 означает следующее: ЧП – червячный пресс, D = 45 мм, L/D = 20.
С увеличением частоты вращения шнека производительность экструдера должна возрастать в соответствии с уравнением:
(1.1)
где Q – производительность машины; r – плотность полимера; n – объем нарезки одного витка шнека; N – частота вращения шнека; a – коэффициент заполнения шнека (0,15…0,50).
Однако точность расчета Q по данному уравнению определяется правильным выбором величины a, которая зависит от формы и размеров частиц исходного полимера (гранулы, порошок) и способа заполнения им межвиткового пространства.[4]
1.2 Экструзия с раздувом рукава
В зоне питания гранулы или порошок перерабатываемого полимера поступают в пространство между витками шнека и уплотняются. Далее в зоне пластификации сырьё плавиться и переходит в зону дозирования сырья. В зоне дозирования расплава полимер гомогенизируется, но еще состоит из твердых и расплавленных частиц. К концу зоны сырье становится полностью гомогенной массой и продавливается сквозь головку для формообразования. Формообразующая зона представляет собой окружность из которой пластификат выдувается в формирующую сетку и после готовая плёнка вытягивается валами, образуя при этом форму рукава.
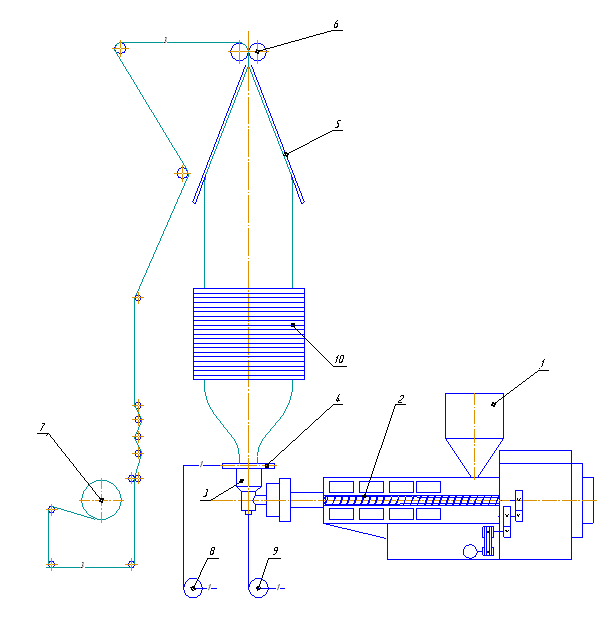
Технологическая схема производства. Схема агрегата представлена на рисунке 1.2. Подсушенные гранулы пневмотранспортом подаются в бункер (1) экструдера. Под действием силы тяжести гранулы продвигаются вниз и заполняют межвитковое пространство шнека (2) в зоне I. Вращающийся шнек продвигает полимер вдоль цилиндра во II, III зоны и в формующую кольцевую, угловую головку (3). В головке расплав рассекается дорном и, выходя, имеет форму цилиндра. Для придания ему формоустойчивости экструдат охлаждается снаружи воздухом, поступающим из щели полого кольца (4). Далее экструдат – рукав проходит ограничивающею сетку (10)растягивается по длине тянущими валками (6) и раздувается воздухом, находящимся внутри рукава по диаметру. Для начала раздувания рукава в дорне головки имеется специальный канал для воздуха, который соединен с воздуходувкой (8). Внутрь рукава воздух подается периодически по мере его диффузии через пленку и утечки между тянущими валками. Вытянутая в двух либо в одном направлении, пленка после линии кристаллизации продолжает охлаждаться воздухом окружающей среды, а затем постепенно складываться расходящимися под некоторым углом складывающими щеками (5). Движение пленки и ее вытяжка осуществляются обрезиненной, плотно прижатой к пленке парой валков (6). Далее рукав в сложенном виде наматываться двойным слоем на одну бобину(7).
1– бункер; 2– экструдер; 3– кольцевая угловая головка; 4– полое кольцо для воздушного охлаждения рукава пленки; 5– складывающие щеки; 6– прижимные тянущие валки; 7– намоточное устройство; 8– электрический привод подачи воздуха обдува; 9 –трубки подачи сжатого
воздуха для раздува рукава
Рисунок 1.2. Технологическая схема агрегата для получения рукавной пленки
На рисунке 1.2 представлен один из вариантов получения рукавной пленки с отводом рукава вверх.
Расплавленный полимер из экструдера поступает в головку сбоку, но может быть подан и снизу. Очутившись в головке, расплавленный полимер обтекает мундштук и выходит через кольцевое отверстие головки в форме трубы. Трубу раздувают до необходимого диаметра давлением воздуха, подаваемого через центр мундштука. Раздув рукава сопровождается соответственным уменьшением толщины пленки. Давление в рукаве поддерживают зажимными валками с одной стороны и головкой — с другой. Важно, чтобы давление воздуха поддерживалось постоянным для обеспечения равномерной толщины и ширины пленки. Другие факторы, которые оказывают влияние на толщину пленки: производительность экструдера, скорость вытяжки и температуры головки и цилиндра. Их необходимо строго контролировать.[11,13]
Как и при любых процессах экструзии, раздув пленки становится более экономичным при увеличении скорости процесса. Ограничивающим фактором является скорость охлаждения рукава. Охлаждение обычно производят обдувочным кольцом снаружи рукава. При условии постоянного течения воздуха увеличение скорости экструзии приводит к более высокой линии кристаллизации (линия, где начинается затвердевание экструдата), что ведет к нестабильности рукава. Увеличение потока воздуха приводит к более быстрому охлаждению рукава и снижению линии кристаллизации, но и этот прием ограничен в своем применении, так как слишком высокая скорость потока воздуха вызывает деформацию рукава.
Охлаждение и кристаллизация полимерного рукава необходимы для регулирования скорости ориентации и кристаллизации до линии кристаллизации, а выше еео – для охлаждения твердой пленки до температур, при которых полотно не будет повреждаться и слипаться, проходя между складывающими щеками и далее в зазор между тянущими валками. Время охлаждения пленки лимитирует скорость ее отбора, т. е. производительность экструдера. Для увеличения интенсивности охлаждения при тех же габаритах установки и здания можно применять дополнительные вентиляторы, воздуходувки, охлажденный воздух и т. п.
Охлаждение рукава – обычный процесс передачи тепла от горячей поверхности к окружающей среде. Для расчета времени охлаждения используются обычные формулы, по которым можно определить высоту линии кристаллизации и уровень расположения тянущих валков. Последнее особенно важно, так как пленка, например из ПЭНП, не может иметь температуру выше 50-60° С к моменту ее попадания в зазор между тянущими валками. С учетом силы сжатия рукава при более высоких температурах будет происходить слипание рукава. Большая часть вытяжки в продольном направлении реализуется ближе к формующей части головки, а раздува- ближе к линии кристаллизации. Изменяя скорость вытяжки, температуру и интенсивность охлаждения рукава, форму рукава, а следовательно и свойства пленки, можно получить рукав следующих форм (рисунок 1.3). Форма (а) соответствует высокому расположению линии кристаллизации H, что приводит к недостаточному охлаждению деформируемого рукава. Пленка вначале растягивается в длину, а затем в ширину. Это сопровождается частичной переориентацией макромолекул. Форма (б) соответствует нормальной величине H при хорошей интенсивности охлаждения. Продольная и поперечная, ориентации при вытяжке и раздуве осуществляются почти одновременно. Пленка получается равнопрочной и равнотолщинной. Форма (в) соответствует резкому интенсивному охлаждению рукава, линия H мала. Пленка имеет преимущественно поперечную ориентацию, а для некоторых видов полимеров происходит уменьшение степени кристалличности.
Рисунок 1.3. Некоторые типичные формы рукавов пленки
H-высота линии кристаллизации; (а – г) – пояснены в тексте
Форма (г) соответствует неравномерному обдуву пленки охлаждающим воздухом по периметру. Пленка разнотолщинна, рукав несимметричен. Для большинства пленок, отвечающих общим требованиям к свойствам, в зависимости от их толщины значение Н колеблется в пределах 0,3-2 м. Чем толще пленка (и соответственно экструзионная заготовка), тем больше H, и наоборот.
Некоторые из преимуществ процесса получения рукавной пленки:
1) механические свойства пленок, полученных таким образом, обычно лучше, чем у пленок, полученных поливом;
2) ширину сложенной рукавной пленки легче регулировать, нет потерь на обрезание кромок; обрезание кромок необходимо при изготовлении плоской пленки из-за утолщения кромок пленки, которое происходит вследствие сужения полотна;
3) сложенную рукавную пленку легче превратить в мешок, так как для этого необходимо только заварить один край отрезка рукава;
4) стоимость производства широкой раздувной пленки намного меньше, чем стоимость производства широкой поливной пленки, так как стоимость охлаждающих барабанов резко возрастает с увеличением их длины из-за сложности обработки длинных валов;
5) Кольцевые фильеры для пленки более компактны и дешевы по сравнению с щелевыми фильерами для производства плоской пленки сравнимой ширины;
6) процесс изготовления рукавной пленки легче и более гибок.
Эти преимущества следует сопоставить с преимуществами процесса, в котором используется щелевая фильера:
1) плоскощелевые экструзионные системы обеспечивают более высокую производительность;
2) пленки, полученные с помощью щелевой фильеры, обычно обладают превосходными оптическими свойствами, но следует отметить, что специальные процессы быстрого охлаждения были разработаны и для рукавных пленок, особенно из полипропилена
3) обычно разнотолщинность пленки, полученной с помощью щелевой фильеры, меньше.[15,16]
На рисунке 1.2 представлен один из вариантов получения рукавной пленки с отводом рукава вверх. Однако наряду с этой схемой существуют и другие: отвод рукава горизонтально и вниз. Все названные варианты имеют свои преимущества и недостатки.
-
Отвод рукава вверх экономит производственные площади; рукав равномерно охлаждается по всему периметру и высоте; пленки могут получаться большой толщины, так как рукав принимается (удерживается) тянущими валками. Поворот потока расплава на 90° в головке несколько удорожает стоимость изготовления оснастки.
-
Отвод рукава в горизонтальном положении значительно удешевляет стоимость формующей головки, потоки расплава более равномерно выходят из формующей части по всему периметру. Поскольку тепловые потоки движутся снизу вверх, то при остывании экструдата и его деформировании верхняя часть будет иметь более высокую температуру, что и приведет к большей вытяжке и раздуву этой части пленки. Рукав будет иметь большую разнотолщинность. При получении толстых пленок рукав прогибается под действием силы тяжести, что приводит либо к его обрыву, либо к большой разнотолщинности.
-
При отводе рукава вниз можно использовать ту же угловую головку, что и при схеме отвода вверх. При получении толстых пленок наблюдаются значительная самопроизвольная вытяжка экструдата или даже обрыв под действием силы тяжести пленочного рукава. Поэтому данный способ применим к получению тонких пленок. Особенно актуален данный способ для производства пленок из полипропилена, т.к. другие способы не приводят к приемлемым результатам. При приеме рукава в воду резко уменьшается время его охлаждения, процесс интенсифицируется. Кроме того, при резком охлаждении расплава происходит большая аморфизация кристаллизующихся полимеров. Применение охлаждающей циркуляционной воды и соответствующего оборудования удорожает установку.
2 ТОЛЩИНА ПОЛИЭТИЛЕНОВОЙ ПЛЁНКИ
Объектом контроля является полиэтиленовая рукавная пленка, которая нормируется ГОСТ 10354–82.
Настоящий стандарт распространяется на полиэтиленовую пленку, изготовляемую методом экструзии из полиэтилена высокого давления (низкой плотности) и композиций на его основе, содержащих пигменты (красители), стабилизаторы, скользящие, антистатические и модифицирующие добавки.















