000 Воронин А.В. (1204620), страница 2
Текст из файла (страница 2)
2. Выбор числа, типа и мощности силовых трансформаторов проектируемой подстанции
2.1. Определение количества силовых трансформаторов на подстанции
Выбор числа трансформаторов на трансформаторной подстанции зависит от мощности нагрузки, а также от необходимости резервирования источников питания в сетях низших классов напряжения.
Установка одного трансформатора допускается, если:
- от подстанции питаются электроприемники с низкой степенью ответственности, и при этом в случае вывода одного трансформатора в ремонт предусматривается резерв с возможностью замены поврежденного трансформатора в течении 24 часов.;
- для резервирования питания
- для потребителей I и II категорий электроснабжения в сети низшего напряжения имеются вторые источники питания достаточной мощности, причем для потребителей I категории обеспечен автоматический ввод резерва (АВР).
В соответствии с исходными данными с шин 10кВ, 35 кВ проектируемой подстанции получают питание потребители всех категорий по надежности электроснабжения.
На данный момент, потребители первой и второй категории не имеют резервирования, следовательно требуется монтаж двух трансформаторов одного типа с одинаковой мощности.
Поскольку суммарная мощность на двух трансформаторах составляет в зимний период времени 36,91 МВА, то целесообразно рассмотреть установку трансформатора номинальной мощностью 40 МВА
Таблица 2.1 – Максимальные нагрузки проектируемой подстанции в летний период
| Диспетчерское наименование трансформатора | Номинальная мощность | Максимальная нагрузка (летняя) | При отключении одного из трансформаторов | ||
| МВА | МВА | % | МВА | % | |
| Т-1 | 40 | 18,62 | 46 | 30,63 | 81 |
| Т-2 | 40 | 12,01 | 30 | - | - |
Таблица 2.2 – Максимальные нагрузки проектируемой подстанции в зимний период
| Диспетчерское наименование трансформатора | Номинальная мощность | Максимальная нагрузка (зимняя) | При отключении одного из трансформаторов | ||
| МВА | МВА | % | МВА | % | |
| Т-1 | 40 | 22,43 | 56 | 36,91 | 92 |
| Т-2 | 40 | 14,48 | 36 | - | - |
Проверка по нагрузочной способности трансформаторы с действующей номинальной мощностью в 40 МВА согласно условию:
, (2.1)
где
– номинальная мощность трансформатора, МВА;
– коэффициент загрузки равный 0,7;
– мощность максимальной нагрузки ПС, МВА.
.
Таким образом, трансформатор в 40 МВА обеспечивает не только надежную работу в нормальном режиме, но также способен эксплуатироваться длительное время в случае вывода одного трансформатора в ремонт.
В качестве силового трансформатора на проектируемую подстанцию целесообразно установить ТДТН-40000/110- УХЛ1 СТО 15 352 615-001-2007от производителя ООО «Тольяттинский Трансформатор» представленный на рисунке 2.1. Паспортные данные трансформатора приведены в таблице 2.3.
Рисунок 2.1 – ТДТН-40000/110
Таблица 2.3 – Паспортные данные трансформатора
| Тип тр-ра |
|
| Схема и группа соедине | Потери, кВт |
|
| Размеры, мм | |||||||||
| ВН | СН | НН | ХХ | КЗ | ВН- | ВН- НН | СН- | |||||||||
| ТДТН-40000/110- УХЛ1 | 40000 | 115 | 38,5 | 6,6; 11,0 | YH/ YH/D- 0-11 | 30,0 | 200 | 10,5 | 17,5 | 6,5 | 0,23 | 7300 x3 980 x 6200 | ||||
3 ВЫБОР СХЕМ ЭЛЕКТРИЧЕСКИХ СОЕДИНЕНИЙ РУ ПС
3.1 Выбор схемы РУ напряжением 110 кВ
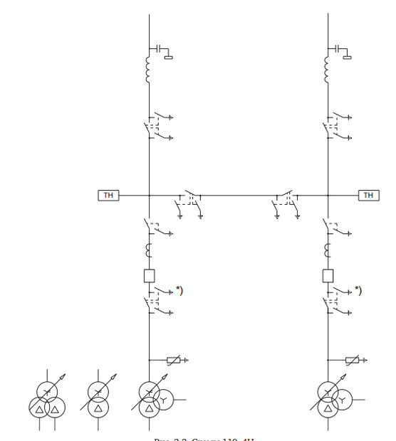
В связи с тем, что проектируемая подстанция является тупиковой, целесообразно выбрать схему с неавтоматической перемычкой со стороны линии 110-4Н, согласно п. 1.5.5 (СТО 56947007-29.240.30.010-2008)
Рисунок 3.1 – Схема 110-4Н
3.2 Выбор схемы РУ напряжением 35 кВ
РУ 35 кВ исполнено по типовой схеме №35-9 «Одна рабочая секционированная выключателем система шин»
Рисунок 3.2 – Схема 35-9
3.3 Выбор схемы РУ напряжением 10 кВ
РУ 10 кВ выполнено по типовой схеме №10-1 «Одна, секционированная выключателями, система шин»
Рисунок 3.3 – Схема 10-1
4 РАСЧЕТ ТОКА КОРОТКОГО ЗАМЫКАНИЯ
Для корректного выбора оборудования необходимо произвести расчёт токов короткого замыкания, а также ударных токов для всех используемых типов распределительных устройств. Расчет будет производится в именованных единицах по методике [4]. Для корректных расчётов, составим структурную схему (рисунок 4.1) и расчётную схему замещения (4.2) на основании исходных данных, схем внешнего электроснабжения подстанции, схемы главных электрических соединений подстанции.
Рисунок 4.1 – Структурная схема подстанции
Рисунок 4.2 – Расчетная схема замещения
4.1 Расчет токов короткого замыкания при параллельной работе двух трансформаторов
4.1.1 Расчёт тока короткого замыкания в точке К1
Согласно исходным данным, при параллельной работе
равен 4354 А, при раздельной работе двух трансформаторов
равен 3628 А. Используя исходные данные, возможно определить сопротивление короткого замыкания в точке К1 на питающих шинах РУ 110 кВ.
(4.1.1.1)
где
– напряжение обмотки высокого напряжения для точки К1, кВ;
– трехфазный ток КЗ, А;
– результирующее сопротивление до точки К1, Ом.
Определим сопротивление системы до точки К1:
(4.1.1.2)
Ом.
Ударный ток:
(4.1.1.3)
где
– трехфазный ток КЗ, А;
– ударный ток, кА;
– ударный коэффициент равный 1,8 [5].
кА
Мощность трехфазного КЗ на питающих шинах:
(4.1.1.4)
МВА
4.1.2 Расчёт тока короткого замыкания для точки К2
Для расчёта трехфазного тока КЗ в точках К2 и К3 необходимы данные, указанные в паспортных данных трансформатора ТДТН в таблице 2.3 пункта 2.
Определим значение напряжения короткого замыкания обмоток трансформаторов:
, (4.1.2.1)
где
– напряжение КЗ, %;
– напряжения двух обмоток (высокого, среднего и низкого напряжения).
Сопротивления обмоток трансформаторов:
, (4.1.2.2)
где
– сопротивление обмотки трансформатора, Ом;
– напряжение соответствующей обмотки, кВ;
– номинальная мощность силового трансформатора, МВА;
– напряжение КЗ, %.
Для расчёта КЗ для точки К2 необходимо привести найденные сопротивления для напряжения соответствующей ступени:
Таким образом, результирующее сопротивление до точки К2:
(4.1.2.3)
Трехфазный ток КЗ на шинах 38,5 кВ:
(4.1.2.4)
где
– напряжение второй ступени для К2, кВ,
– результирующее сопротивление до шин 35 кВ (точки К2), Ом;
Определим ударный ток:
, (4.1.2.5)
Мощность трехфазного КЗ на шинах среднего напряжения:
, (4.1.2.6)
4.1.3 Расчёт тока короткого замыкания в точке К3
Приведем сопротивления
,
,
к напряжению обмотки низкого напряжения т.е 11 кВ:
, кВА
, обмоток, кВ
, %
, %














