ДИПЛОМготовый (1199127), страница 4
Текст из файла (страница 4)
где Tу – трудозатраты чел/час.
Nвр – норма времени.
Таким образом:
Tу =
= 173,6 чел/час.
Также производятся земляные работы вручную, которые можно вычислить по формуле:
Vр =
, (2.11)
где Vр – объем траншеи, разработанный вручную.
Выполним расчеты согласно формуле (2.11):
Vр =
м3.
Норма времени 1 м3 согласно таблице 2.1 равна 0,85 чел/час и ее рассчитаем по формуле:
Tу =
; (2.12)
Tу =
чел/час.
Таблица 2.1
Технико-экономические показатели разработки траншеи
| Основание | Состав работ | Состав звена | Норма времени на 100 | Общая норма времени чел./час | |
| Профессия, разряд | Кол. Чел. | ||||
| ЕНиР, сборник 2 | Установка экскаватора, разработка грунта с чисткой ковша, передвижение экскаватора в процессе работы, очистка мест разгрузки грунта | Машинист 4 р. | 4 | 8,1 | 173,6 |
Таблица 2.2
Технико-экономические показатели разработки траншеи
| Основание | Наименование работ | Состав звена | Единица измерения | Норма времени, чел/час | Общая норма времени чел./час | |
| Профессия, разряд | Количество | |||||
| ЕНиР | Разработка грунта | Землекоп, 2 разряд | 12 | 1 | 0,85 | 1310,5 |
2.5.2 Укрепление стенок траншеи
Для крепления стенок траншеи применяются инвентарные крепление, которые используются для крепления траншей глубиной до 3 м. Норма времени на укрепление стенок траншеи указана в таблице 22. Объемом работ для расчета трудозатрат является площадь вертикальных стенок траншеи, выполним расчет по формуле:
F =
(2.13)
где h – глубина траншеи, м;
L – длина траншеи, м.
F =
м2.
Таблица 2.3
Технико-экономические показатели укрепления стенок траншеи
| Основание | Описание работ | Состав бригады | Единица измерения | Норма времени чел./час | Общая норма времени чел./час |
| ЕНиР 2-1-35 | Установка креплений | Плотник 3 раз. - 8 человека |
| 0,12 | 332,5 |
2.5.3 Водоотлив при помощи насосов
При разработке траншеи в местах с постоянным притоком грунтовых вод, а также при заливе траншей атмосферными осадками или при повреждениях подземных коммуникаций нужно устроить водоотлив с помощью насосов.
До начала работ нужно определить количество притока воды и выбрать место насосов. Для предварительных расчетов притока воды с 1 м2 дна траншеи при глинистых и суглинистых грунтах принимают равным:
q0 = 0,16 м3/ч, (2.14)
Суммарный приток воды рассчитаем по формуле:
Q =
м3/ч, (2.15)
где F – площадь траншеи, м2.
Площадь траншеи можно найти по формуле:
F =
м2, (2.16)
где B – ширина траншеи, м.;
L – длина транше, м.
Таким образом,
F =
м2.
Подставив полученные значения в формулу (2.15), получим:
Q =
м3/ч
Исходя из полученного суммарного притока, равного производительности насоса выбираем насос марки С-453 с данными характеристиками:
-
производительность – 250 м3/ч;
-
напор – 29, м;
-
марка двигателя – А-71;
-
мощность – 10, кВт;
-
частота вращения – 1800, об/мин;
-
масса агрегата – 0,8 т.
Таблица 2.4
Технико-экономические показатели водоотлива при помощи насосов
| Основание | Описание работ | Состав звена | Норма времени на 1 насосный агрегат, чел./час | Общая норма времени чел./час | |
| Специальность, разряд | Количество | ||||
| ЕНиР 7-1-17 | Установка Насосного агрегата | Слесарь-монтажник 6 р. 4 р. 3 р. | 1 1 1 | 8,4 | 8,4 |
| Снятие насосного агрегата | 4,3 | 4,3 | |||
2.5.4 Подготовка траншеи к укладке газопровода
После разработки траншеи экскаватором производят проверку отметок дна траншеи в соответствии с требованиями проекта. Место недобора грунта срезают до проектных отметок, а места случайных переборов грунта заполняют грунтом, однородным с грунтом основания траншеи или песчаным грунтом до проектной отметки основания газопровода. Подсыпку производят слоями не более 0,1 м с уплотнителем. Также подсыпают в местах где удаляют крупные камни, старый фундамент и т. п. Для подготовки дна траншеи применяют устройство специальной песчаной постели.
При проведении расчетов объема работ принимают:
-
Срезка недоборов грунта – 5 % от всего объема земляных работ траншеи, м3:
Vнед =
, м3, (2.17)
Vнед =
, м3;
-
Засыпка переборов грунта – также 5 % от всего объема земельных работ траншеи, м3, то есть:
Vпер =
, м3, (2.18)
Vпер =
, м3;
Нормы времени на срез недоборов грунта и на засыпку переборов грунта указаны в таблице 2.5.
Таблица 2.5
Технико-экономические показатели подготовки траншеи к укладке газопровода
| Основание | Описание работ | Состав звена | Единица измерения | Норма времени чел./час | Общая норма времени чел./час | ||||
| Проф. разряд | Количество | ||||||||
| ЕНиР 2-1-44, ЕНиР 2-1-32 | Срезка недоборов грунта траншеи до проектных отметок основания газопровода | Землекоп 2 заряда | 4 |
| 0,85 | 156,7 | |||
| Засыпка мест переборов грунта до проектной отметки основания газопровода с трамбованием | Землекоп 2 р, землекоп 3 р | 4 2 | 0,8 | 147,4 | |||||
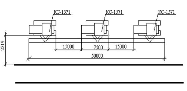
2.5.5 Погрузка и разгрузка труб
Для погрузки и разгрузки труб и плетей принято 4 гидравлический кран типа КС-1571, грузоподъемностью 4 т.
Рассчитаем длину одной плети по формуле:
Lплети =
, м, (2.19)
где Lтруб – длина одной трубы, которая равна 10,7 метра.
Тогда, длина одной плети будет равна:
Lплети =
, м.
Зная, длину одной плети рассчитаем количество плетей по формуле:
Nплетей =
, (2.20)
где L – длина всего газопровода, м.
Рассчитаем количество плетей:
Nплетей =
= 25.
Посчитаем массу всего количества плетей по формуле:
Mплетей =
, т, (2.21)
где mплети – масса одной плети, т.
Тогда, масса всего количества плетей будет равно:
Mплетей =
, т.
Таблица 2.6
Технико-экономические показатели погрузки и разгрузки труб
| Основание | Описание работ | Состав звена | Ед. изм. | Норма времени чел./час | Норма времени чел./час за 31,7кг | Общая норма времени чел./час | |||||
| Проф. Разряд | Кол. | ||||||||||
| ЕниР 1-6. | Прицепка груза, подъем, опускание, поворот стрелы, установление груза на рабочее место, изменение вылета стрелы с грузом, отцепка груза, подача сигналов машинисту. | Машинист крана 5 р. | 8 | 100 т | 19 | 0,6 | 839,83 | ||||
| Такелажник на монтаже 2 р. | 8 | 38 | 1,2 | 446,91 | |||||||
2.5.6 Укладка газопровода в траншею
Для укладки газопровода используется кран – трубоукладчик марки Т-64-3 шт.
Последовательность работы трубоукладчиков:
-
Выравнивание и зачистка дна траншеи;
-
Строповка и опускание трубы в траншею;
-
Укладка звеньев труб в плеть;
-
Сборка звеньев труб;
-
Подбивка грунта под трубу.
На рисунке 2.3 показана схема укладки трубопровода в траншею:
Рис. 2.3 Схема укладки трубопровода в траншею
Таблица 2.7
Технико-экономические показатели укладки газопровода в траншею
| Описание работ | Состав бригады | Количество | Единица измерения | Норма времени чел./час | Общая норма времени чел./час |
| Укладка газопровода в траншею | Трубоукладчик, разряды 6р 4р 3р | 2 2 2 | 1 м | 0,38 | 209 |
2.5.7 Сварка стыков
Стыковое соединение трубопровода выполняется полуавтоматическим типом сварки в среде углекислого газа на сварочном полуавтомате типа Э-42. Диаметр сварочной проволоки – не более 3 мм перед тем, как будет выполняться сварка стыков, сварочная проволока должна быть тщательно очищена от ржавчины, масла и других загрязнений.
Первоначально нужно рассчитать количество сварочных стыков, это можно выполнить по формуле:
, (2.22)
, чел./час.
грунта














