Пояснительная КСАУ СП (1198448), страница 4
Текст из файла (страница 4)
А при автоматизации этот показатель будет равен:
В результате горочный технологический цикл
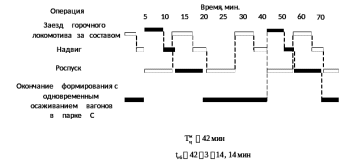
сокращается. В первом случае (рисунок 1.1) горочный цикл равен 42 мин., а во втором (рисунок 1.2) – 30 мин. Очевидно, что производительность горки во втором случае выше.
Рисунок 1.1 – Технологический график работы горки с двумя
путями надвига и с двумя локомотивами
Рисунок 1.2 – График работы горки с двумя путями надвига и с
двумя локомотивами, оснащенной КСАУ СП
Важным эксплуатационным показателем СС является перерабатывающая способность горки, которая определяется по формуле
,
где
– время занятия горки под технологические операции, не связанные с расформированием поездов,
=240 мин;
– горочный технологический интервал;
– среднее количество вагонов в расформировываемых составах,
=55 вагонов;
– количество вагонов местных, из вагонного депо, с путей ремонта и т.д., распускаемых за сутки,
=80 вагонов;
Перерабатывающая способность горки без оснащения КСАУ СП:
вагонов.
Перерабатывающая способность горки, оснащенной КСАУ СП:
вагон.
Из приведенных расчетов видно, что при внедрении на сортировочной горки устройств автоматизации процесса расформирования, ее перерабатывающая способность увеличивается на 30-35%.
2 Техническая часть
2.1 Комплексная система автоматизированного управления
сортировочным процессом (КСАУ СП)
Одной из важных направлений в работе отделений ОАО «РЖД», является стремление к повышению производительности труда, сокращению эксплуатационных расходов, использование малолюдных технологий с одновременным повышением безопасности технологического процесса.
Сортировочный процесс на станциях в данное время требует модернизации, так как грузопоток железнодорожных перевозок за последние десятилетия значительно вырос. Одновременно с этим появилась необходимость модернизации существующих сортировочных горок, чтобы их производительность соответствовала нагрузкам, возлагаемым на данные объекты.
Повышение производительности и снижение затрат на сортировочной станции способны обеспечить горочные устройства в составе комплексной системы автоматизированного управления сортировочным процессом (КСАУ СП), предназначенные для автоматизации управления технологическими процессами расформирования составов на сортировочных горках.
КСАУ СП решает задачи:
- повышение безопасности роспуска отцепов;
- сохранность вагонов и грузов от повреждений;
- снижение эксплуатационных расходов;
- увеличение качества обслуживания постовых и напольных устройств.
Система применяется для управления процессом расформирования составов на механизированных горках малой, средней, большой и повышенной мощностей. Способна функционировать, как отдельная система, так и в комплексе с другими системами автоматизации сортировочной станции (СС). На сегодняшний день данная система уже внедрена на 19 сортировочных станциях России, среди которых горки повышенной и большой мощности, как Бекасово-Сортировочное и Орехово-Зуево Московской железной дороги, Инская, Московка и Входная Западно-Сибирской железной дороги, Челябинск-Главный Южно-Уральской железной дороги и другие.
Так же первой сортировочной станцией в дальнем зарубежье, оснащаемой системой КСАУ СП, стала станция Замын-Ууд Улан-Баторской железной дороги (Монголия). На объекте работы начинаются с нуля, что значительно проще и эффективнее, чем модернизация имеющегося оборудования.
2.1.1 Структура КСАУ СП
У системы КСАУ СП используется модульный принцип. Он включает в себя подсистемы управления надвигом и роспуском составов, маршрутами движения, скоростью скатывания вагонов, автоматизации компрессорных станций. Модульность позволяет не только найти оптимальный алгоритм автоматизации для конкретной сортировочной горки, но и дает возможность проводить реконструкцию горок поэтапно, последовательно наращивать возможности автоматики. Рабочие места дежурного по горке ДСПГ и горочных операторов модернизируются, производится замена новыми современными горочными пультами управления, на которых отображаются вся необходимая информация.
Структура КСАУ СП включает в себя ряд подсистем, которые функционируя совместно, производят работу по сортировке составов.
В состав входят средства и подсистемы горочной автоматизации:
- автоматизированная система управления сортировочной станцией (АСУ СС). На этом уровне сосредоточена информация о сортировочной станции, ее план, включая программу роспуска и маневров, о накоплении вагонов на путях, номера и направления вагонов и другие. На данном уровне происходит информационное управление работой сортировочной станцией;
- горочный комплекс, включает в себя горочное программно-задающее устройство (ГПЗУ), горочную автоматическую централизацию (ГАЦ МН) и устройства управления прицельным торможением (УУПТ). В данной подсистеме ведется расчет скорости роспуска отцепов, причем происходит это после предварительного моделирования скатывания отцепов с учетом их параметров, маршрутов и наполненностью сортировочного парка, производится управление стрелками в соответствии с маршрутами скатывания, ведется протоколирование роспуска составов, а так же прицельное торможение скатывающихся отцепов с помощью тормозных позиций;
- горочная автоматическая локомотивная сигнализация с передачей информации по радиоканалу (ГАЛС Р). Надвиг и роспуск в автоматическом режиме производится с помощью локомотивов, оборудованных этой системой. Она реализует 3 режима управления надвигом и роспуском: телеуправление, местное задание и «ручное» управление. Аппаратура, установленная на борту локомотива, способна контролировать и регулировать скорость движения состава;
- горочная автоматическая локомотивная сигнализация с телеуправлением локомотивами и передачей информации по радиоканалу (ГАЛС РМ). Маршруты надвига и роспуска дополняются командами о показаниях горочного сигнала, расчетом значений скорости, виде маршрута (основной, предварительный или попутный надвиг, роспуск, осаживание), номере вершины горки. Вся эта информация выводится на монитор машинист в дополнении о текущих значениях скорости и расстояния до конца маршрута;
- контрольно-диагностический комплекс (КДК), регистрирует отказы и предотказные состояния оборудования и отказы программного обеспечения, способен производить непрерывное функционирование за счет реконфигурации систем при отказах. КДК делает доступным переход от регламентных к ремонтно-восстановительным методам обслуживания устройств;
- подсистема автоматизированного управления компрессорной станцией (КСАУ КС) обеспечивает поддержание необходимого давления в пневмосети. Используется минимально возможное количество компрессоров, при необходимости встроенная автоматика подключает дополнительные;
- комплекс технических средств оперативно-диспетчерского управления сортировочной горки (КТС ОДУ СГ) на базе микропроцессорной техники выполняет функции горочного пульта управления с отображением на мониторе технологического процесса. Обеспечивает подключение к исполнительным механизмам, позволяет объединить рабочие места и концентрировать управление процессами надвига, роспуска и осаживания вагонов;
- система контроля заполнения путей (КЗП) позволяет отслеживать движение каждого отцепа с момента выхода из парковой тормозной позиции до точки соударения с другими отцепами. Система позволяет определить свободную длину каждого пути и «окна» между отцепами находящимся на путях сортировочного парка;
- электрическая централизация парка прибытия (ЭЦ ПП) и парка отправления (ЭЦ ПО), необходимы для контроля подвижного состава требующих формирования и уже расформированных на сортировочной горке;
- индуктивно проводные датчики (ИПД) необходимы для защиты стрелок горочной автоматической централизации от ложной свободности при проходе длиннобазных вагонов;
- устройства динамического контроля дислокации и идентификации вагонов в парке отправления (УДК ПО) и районе формирования (УДК ПП);
- автоматизированные рабочие места (АРМ ГАЦ, АРМы УУПТ, АРМы ЭЦ), на них в реальном масштабе времени передается информация о прохождении процесса роспуска, основные параметры отцепов, скорости, маршруты движения, отказы оборудования и т.д. Так же происходит анализ работы горки за смену, сутки (период) для дальнейшего анализа руководства станции;
- пункты списывания в парке прибытия и парке отправления. В данной подсистеме происходит занесение вручную номеров вагонов в систему.
- автоматизированное рабочее место дежурного по горке АРМ ДСПГ. Является рабочим местом дежурного по горке и горочных операторов тормозных позиций. АРМы горочных операторов устанавливают на пультах, по одному на пучок, на них выводится информация о маршруте, параметрах отцепов и т.д.
2.1.2 Подсистема ГАЦ МН
Горочная автоматическая централизация с ведением накопления вагонов в сортировочном парке разработана для применения на строящихся и действующих сортировочных горках взамен морально устаревших релейных систем горочной централизации. Внедрение системы позволяет экономить на эксплуатационных затратах за счет:
- уменьшения энергопотребления;
- сокращения объемов работ по обслуживанию в ремонтно-технологическом участке (РТУ);
- диагностирования и раннего выявления дефектов вагонов и горочного оборудования;
- снижение объемов маневровой работы, сокращение числа операторов- накопителей;
- сокращения простоев вагонов под накоплением;
- повышения безопасности роспуска и маневровых передвижений.
ГАЦ МН работает в автоматическом, программном и маршрутном режимах и предназначена для:
- слежения за перемещением подвижных единиц по спускной части горки;
- автоматического управления стрелочными переводами с индикацией маршрутов;
- установки стрелок в безопасное положение;
- составления протоколов о результатах роспуска;
- выполнения тестирования систем и сбор результатов;
- ведения протокола движения отцепов;
- диагностики УВК и напольных горочных устройств.
Оборудование ГАЦ МН состоит из постового и напольного оборудования. К постовому относятся:
- управляющий вычислительный комплекс (УВК ГАЦ). В его состав входят: промышленный компьютер, сервер-шлюз. УВК ГАЦ является мозговым центром системы;
- рабочие места дежурного по горке (АРМ ДСПГ) и горочных операторов тормозных позиций. На АРМ-ах отображается информация о маршрутах, параметрах отцепов, режиме управления стрелкой, текущем размещении отцепов на соответствующем пучке и диагностической информации об опасных отказах напольных и постовых устройств;
- контрольно-диагностический комплекс (КДК), необходимый для контроля и диагностики функционирования напольных и постовых устройств;
- контроллер вершины горки (КВГ), применяется для приема программы роспуска из ГАЦ МН, контроля расцепа вагонов на вершине горки исправного состояния устройств, расположенных в этой зоне, для управления горочным светофором, скоростью роспуска и указателем количества вагонов в отцепах;
В состав напольного оборудования включены устройства, размещенные непосредственно вдоль маршрута движения вагонов: горочные и маневровые светофоры, стрелочные приводы, датчики обнаружения вагонов на участках (горочные рельсовые цепи (ГРЦ), устройства счета осей (УСО), радиотехнические датчики (РТД-С), радиолокационные индикаторы скорости (РИС-ВЗМ), весомеры, вагонные замедлители, индуктивно путевые датчики (ИПД)). За счет информационной избыточности от напольного оборудования, обеспечивается надежность работы системы.
ГАЦ МН обеспечивает управление процессом роспуска составов на горках с дистанционным управлением стралками в режимах:
- ручной - команды на перевод стрелок передаются с пультов операторов;
-автоматический - команды на перевод стрелок передаются от УВК. В таком режиме возможен маршрутный и программный роспуск. Маршрутный - при наборе маршрутных заданий кнопками пульта дежурного по горке. Программный - при автоматическом вводе данных сортировочного листа из АСУ СС в электронном виде в УВК ГАЦ МН.
2.1.3 Контроллер вершины горки
Контроллер вершины горки (КВГ) предназначен для:
















