4 ТИ поршня ГОТОВО (1195082)
Текст из файла
4. РАЗРАБОТКА ТЕХНОЛОГИЧЕСКОГО ПРОЦЕССА ИЗГОТОВЛЕНИЯ ПОРШНЯ
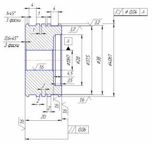
Деталь «поршень» является частью гидроцилиндра. Поршень изготовлен из стали 45 ГОСТ 1050-88 (рисунок 4.1). В качестве заготовки принимаем круг с припуском 2 мм, т.е. 42мм.
Рисунок 4.1 – Поршень гидроцилиндра
4.1 Разработка маршрута обработки
Принятый технологический маршрут изготовления поршня гидроцилиндра приведен в таблице 4.1
Таблица 4.1
Принятый маршрутный техпроцесс обработки поршня
| № | Наименование и краткое содержание операции | Модель станка | Режущий инструмент | |||
| 01 | Отрезная Отрезка заготовки | 8А631 | Дисковая пила | |||
| 2 | Токарная 1. Сверлить отверстие 11 мм на проход. 2. Расточить отверстие | 16К20Т1 | Сверло 2301-0034 ГОСТ 10903-77 резец расточной 2145-0041 1 ВК6М ГОСТ 18063-72. | |||
| 3 | Токарная Точить наружные поверхности и канавки | 16К20Т1 | Резец 2100-0010 ГОСТ 18878-73, | |||
| 4 | Контрольная | Стол ОТК | ||||
4.2 Расчет режимов резания
Используя аналитические формулы и справочные данные, приведенные в [5], ссылаясь на [23], назначаем режимы резания для каждой из приведенных ниже операций.
4.2.1 Операция 2 - Токарная
Переход 1.
Сверление отверстий 11 мм.
Глубина резания
Подача выбирается по таблице 25 из [17], s = 0,25 мм/об.
По паспорту станка принимаем подачу, s = 0,2 мм/об.
Скорость резания
где
- постоянный коэффициент;
Т = 15 мин - период стойкости;
- подача;
m, y - показатели степени.
По таблицам из [5] m = 0,2; y = 0,5;
- общий поправочный коэффициент на скорость резания, учитывающий отличные от табличных условия резания
где
- коэффициент, учитывающий марку обрабатываемого материала;
- коэффициент на инструментальный материал;
- коэффициент, учитывающий глубину сверления.
Частота вращения шпинделя станка
- частота вращения шпинделя по паспорту станка.
Произведем уточнение скорости резания по принятой частоте вращения
Крутящий момент
где Кр = Км = 0,846;
y = 0,8; q = 2.
Осевая сила
Согласно таблице 32 из [5]:
; y = 0,7; q = 1.
Мощность резания
где
- КПД станка.
Мощность электродвигателя токарного станка 16К20Т1 8,5 кВт, следовательно, условия резания выполняются.
Длина рабочего хода суппорта
где
= 20 мм – длина резания;
= 8 мм – величина подвода, врезания, перебега инструмента;
= 3 мм – дополнительная длина хода инструмента, вызванная особенностями наладки или конфигурации детали.
Основное технологическое время
где L = 31 мм – длина рабочего хода суппорта;
S = 0,2 мм/об - подача;
n = 1250 об/мин – частота вращения шпинделя.
Переход 2
t = 2
Скорость резания
где
;
S = 0,45 мм/об (подача выбирается по [23] , таблица 11);
Т = 45 мин - период стойкости инструмента;
х = 0,15;
у = 0,35;
m = 0.2.
Коэффициенты
, х, у, m находятся из таблицы 17 [5].
где
- коэффициент, учитывающий влияние состояния поверхности заготовки на скорость резания (таблица 5 [5]);
- коэффициент, учитывающий влияние инструментального материала на скорость резания (таблица 6 [5]);
- коэффициент, учитывающий влияние физико-механических свойств обрабатываемого материала на скорость резания,
где
(таблица 2 [5]);
Частота вращения шпинделя
Принимаем по паспорту станка
Уточняем скорость резания детали
Сила резания
где
(табл.22) [5];
х=1(табл.22) [5];
у=0,75(табл.22) [5];
n=0(табл.22) [5];
Мощность резания
где
– КПД станка.
Мощность электродвигателя токарного станка 16К20Т1 8,5 кВт, следовательно, условия резания выполняются.
Длину рабочего хода суппорта
где
мм – длина резания;
мм – величина подвода, врезания, перебега инструмента;
мм – дополнительная длина хода инструмента, вызванная особенностями наладки или конфигурации детали.
Основное технологическое время
где L = 34 мм – длина рабочего хода суппорта;
S = 0,45 мм/об - подача;
n = 1600 об/мин - частота вращения шпинделя.
4.2.2 Операция 3 – Токарная
Назначаем подачу. Для Ra = 2,5 мкм; S = 0,05 - 0,15 мм/об. Принимаем S = 0,15 мм/об.
Назначаем период стойкости резца
Скорость резания
где
– скорость, выбираем по таблице;
- коэффициент, учитывающий марку обрабатываемого материала;
- коэффициент на инструментальный материал;
- коэффициент, учитывающий глубину сверления.
Число оборотов шпинделя станка
где D = 40 мм – диаметр обрабатываемой поверхности детали;
– скорость резания;
Корректируем частоту вращения по данным станка и устанавливаем действительную частоту вращения
Уточняем скорость резания
Сила резания
где
– осевая сила резания;
t = 1 мм – глубина резания;
Мощность резания
где
– сила резания;
– скорость резания, м/мин;
– КПД станка.
Мощность электродвигателя токарного станка 16К20Т1 8,5 кВт, следовательно, условия резания выполняются.
Длина рабочего хода суппорта
где
мм – длина резания;
мм – величина подвода, врезания, перебега инструмента;
мм – дополнительная длина хода инструмента, вызванная особенностями наладки или конфигурации детали.
Основное технологическое время
где L = 18 мм – длина рабочего хода суппорта;
S = 0,45 мм/об - подача;
n = 1800 об/мин - частота вращения шпинделя.
Характеристики
Тип файла документ
Документы такого типа открываются такими программами, как Microsoft Office Word на компьютерах Windows, Apple Pages на компьютерах Mac, Open Office - бесплатная альтернатива на различных платформах, в том числе Linux. Наиболее простым и современным решением будут Google документы, так как открываются онлайн без скачивания прямо в браузере на любой платформе. Существуют российские качественные аналоги, например от Яндекса.
Будьте внимательны на мобильных устройствах, так как там используются упрощённый функционал даже в официальном приложении от Microsoft, поэтому для просмотра скачивайте PDF-версию. А если нужно редактировать файл, то используйте оригинальный файл.
Файлы такого типа обычно разбиты на страницы, а текст может быть форматированным (жирный, курсив, выбор шрифта, таблицы и т.п.), а также в него можно добавлять изображения. Формат идеально подходит для рефератов, докладов и РПЗ курсовых проектов, которые необходимо распечатать. Кстати перед печатью также сохраняйте файл в PDF, так как принтер может начудить со шрифтами.













