Носкова ПЗ (1195048), страница 3
Текст из файла (страница 3)
подстанции ТП 35/10-0,4 ст.Дугда.
-
Обогрев приводов секционного выключателя и выключателей трансформатора 35 кВ.
-
Обогрев, освещение, закрытого распределительного устройства 35 кВ.
-
Обогрев, освещение, закрытого распределительного устройства 10 кВ.
-
Обогрев, освещение, монтерского пункта.
-
ДГА-КАС-500.
-
Подогрев шкафов электромагнитных приводов , шкафов зажимов.
-
Обдув Т-1.
-
Обдув Т-2.
Рисунок 2.1 – Схема собственных нужд подстанции ТП 35/10-0,4 ст.Дугда.
2.2.1 Выбор трансформатора на собственные нужды
Трансформатор собственных нужд выбирается согласно нагрузок потребителей собственных нужд.
В таблице 2.3. приведены нагрузки потребителей собственных нужд подстанции номер ТП35/10-0,4 ст.Дугда .
Таблица 2.3 – Нагрузки потребителей собственных нужд
| Вид потребителей кВт × количество | Установленная мощность Единицы Всего, кВт | Cos φ | tg φ | Нагрузка | ||
| P, кВт | Q, кВr | |||||
| Подогрев шкафов зажимов, шкафов электромагнитных приводов. | 0,6 × 3 | 1,8 | 1 | 0 | 1,8 | - |
| Обогрев и освещение ЗРУ-10 кВ. | - | 14 | 1 | 0 | 14 | - |
| Обогрев и освещение ЗРУ-35 кВ | - | 14 | 1 | 0 | 14 | - |
| Обогрев и освещение монтерского пункта | - | 3 | 1 | 0 | 3 | - |
| ДГА-КАС-500. | 2 × 15 | 30 | 1 | 0 | 30 | - |
| Обдув трансформатора ТД-10000 | 1,5 х 2 | 3 | 0,85 | 0,62 | 2,6 | 1,9 |
| ИТОГО: | 65,4 | 1,9 | ||||
2.2.1.1 Расчет полной мощности потребителей собственных нужд
Общая мощность потребителей собственных нужд расчитывается согласно формуле:
(2.2)
где S – полная мощность потребителей собственных нужд, кВА; КС - коэффициент спроса, принимается равным 0,8 [5]; P - активная нагрузка потребителей собственных нужд, кВт; Q - реактивная нагрузка потребителей собственных нужд, кВт.
.
Трансформатор собственных нужд выбирается согласно каталога .
Оборудование для СН:
-
трансформатор типа ТСЗ-400/10/0,4;
-
разъединитель типа РВЗ-630 II УХЛ2 ;
На подстанции устанавливаются два трансформатора СН с 1-й СШ-10кВ к 1-й СШ-0,4кВ и со2-й СШ-10кВ ко 2-й СШ-0,4кВ выбранного типа.
-
Расчет токов короткого замыкания
Определение токов короткого замыкания производят с целью:
-
выбора электрического оборудования;
-
расчета и выбора устройств некоторых видов автоматики и релейной защиты
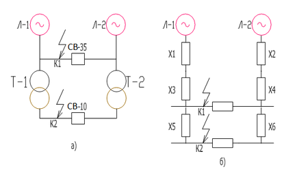
Рисунок 2.2 – Расчетная схема (а) и схема замещения (б).
Эквиваленты системы и параметры оборудования:
-
система: сопротивление X1=X2=15,59 Ом, мощность SC принимается раной ∞.
-
ЛЭП: Л-60П провод маркой АС–95 X0=0,391 Ом/км, r0=0,33 Ом/км, длина линии L1= 1,89 км; Л-65П провод маркой АС–120 X0=0,361 Ом/км, r0=0,27 Ом/км, длина линии L2= 6 км.
-
подстанция: трансформаторы Т-1 и Т-2 типа ТД-10000/35/10, UК = 7,5 %
-
Расчет параметров схемы замещения
Сопротивление линии расчитывается согласно формуле:
(2.3)где Xл – сопротивление линии, Ом; r0 – активное сопротивление линии, Ом/км; x0 – индуктивное сопротивление линии, Ом/км;L – протяженность линии, км.
.
.
Сопротивление двухобмоточного трансформатора определяется согласно формуле:
(2.4)
где XТ – сопротивление трансформатора, Ом; UК - напряжение короткого замыкания, %; UВН – номинальное напряжение обмотки высокого напряжения, кВ; SН – номинальная мощность, МВА.
.
2.3.2 Расчет тока короткого замыкания в точке К1
Трехфазный ток короткого замыкания определяется согласно формуле:
(2.5)
где I′′(3) – трехфазный ток короткого замыкания, кА; ЕС – ЭДС системы, кВ;
XЭ – эквивалентное сопротивление, Ом. ЭДС системы рассчитывается по формуле:
(2.6)
.
Для дальнейшего расчета последовательно складываются сопротивления и определяется эквивалентное сопротивление X1 и X3; X2 и X4, а далее параллельно.
.
.
Результаты XЭ и ЕС подставляются в формулу (2.5):
.
Определение ударного тока короткого замыкания в точке К1 производится согласно формуле:
(2.7)
где КУ - ударный коэффициент, принимается равным 1,61.
.
2.3.3 Определение тока короткого замыкания при включенном секционном выключателе 35 кВ
Параллельно складываются полученные результаты :
.
Ток короткого замыкания максимального режима расчитывают согласно формуле (2.5):
.
Ударный ток короткого замыкания точки К1 максимального режима рассчитывают согласно формуле (2.6):
.
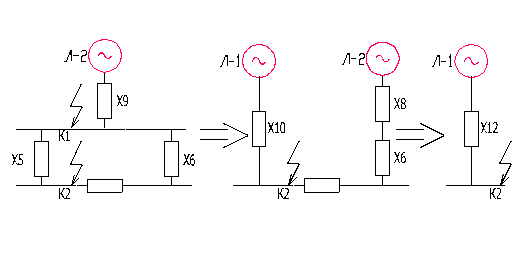
Согласно результатов расчета преобразования схема приобретает вид (рисунок 2.3):
Рисунок 2.3 – Схема замещения
2.3.4 Расчет тока короткого замыкания в точке К2
Для расчета тока короткого замыкания К2 необходимо сложить последовательно сопротивления Х7 и Х5
:
.
Дезультаты ЕС и X10 подставляют в формулу (3.5):
.
Итоговое значение расчетного тока короткого замыкания К2 определяют приведением его к напряжению 10 кВ согласно формуле:
(2.8)
.
Определение ударного тока короткого замыкания К2 производят согласно формуле (2.7), ударный коэффициент КУ принимают равным 1,8 для связной системы сборных шин 10 кВ через трансформатор единичной мощности:
.
2.3.5 Определение тока короткого замыкания в точке К2 при включенном секционном выключателе 10 кВ
Данные Х8 и Х6 складывают последовательно:
.
Данные Х10 и Х11 складывают параллельно:
.
Определяется ток короткого замыкания максимального режима для К2 согласно формуле (2.5):
.
Итог значения тока короткого замыкания определяют приведением его к напряжению 10 кВ согласно формуле (2.8):
.
Ударный ток короткого замыкания в точке К2 максимального режима определяется согласно формуле (2.8):
.
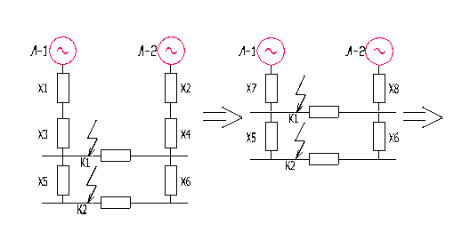
Приводятся этапы преобразования схемы замещения на рисунке 2.4.
Рисунок 2.4 – Этапы преобразования схемы замещения
Результаты полученных токов трехфазного короткого замыкания К1, К2 приведены в таблице 2.4.
Таблица 2.4 – Расчетные токи трехфазного короткого замыкания.
| Место короткого замыкания | Трехфазное минимальное короткое замыкание | Трехфазное максимальное короткое замыкание | ||
| I″(3), кА | ίУ(3), кА | I″(3), кА | ίУ(3), кА | |
| Точка К1 | 1,52 | 3,45 | 2,9 | 6,6 |
| Точка К2 | 4,12 | 10,46 | 7,2 | 18,3 |
2.4 Выбор электрических аппаратов и токоведущих частей для заданных цепей
2.4.1 Выбор выключателей для цепей 35 и 10 кВ
На подстанции ТП 35/10 ст.Дугда имеются масляные выключатели, которые морально и физически устарели, из-за чего требуются часто большх затрат на ремонт и более частых выводов в ремонт для нормальной работы.
Выключатели служат для включения и отключения цепей в разных режимах работы и являются главными коммутационными аппаратами.
Самая ответственная операция является включение при срабатывании автоматического повторного включения или ручного опробования оперативным персоналом на существующее короткое замыкание и отключение токов короткого замыкания и включение при срабатывании автоматического повторного включения.
Выбор выключателей производится по следующим параметрам:
-
по напряжению установки – Uуст ≤ Uн;
-
по длительному току – Iраб.max ≤ Iн;
-
проверка на электродинамическую прочность I″ ≤ Iдин; ίУ ≤ ίдин;
-
проверка на термическую стойкость – ВК = IТ2 · tТ;
(2.9)
где ВК - тепловой импульс, кА2· с; IТ - ток термической стойкости аппарата, кА; tТ - время термической стойкости, с. Тепловой импульс определяется по формуле:
(2.10)
где tотк - время отключения короткого замыкания, с ТА - постоянная времени цепи короткого замыкания, с.
Время отключения короткого замыкания определяется по формуле:
(2.11)
где tз – время действия релейной защиты, с, принимается равным 0,3; tв – полное время отключения выключателя, с.
2.4.1.1 Выбор выключателя в цепи трансформатора на стороне напряжения 35 кВ
Определение в цепи трансформатора максимального тока производится по формуле:
(2.12)
где IТmax – максимального тока в цепи трансформатора, А; SТ – мощность трансформатора, кВА; UН – номинальное напряжение, кВ; КТ – коэффициент перегрузки трансформатора.
.
По каталогу выбирается выключатель типа ВГБЭ-35-12,5/630 УХЛ1[5].
Характеристики выключателя:
-
номинальное напряжение: Uн = 35 кВ;
-
номинальный ток: Iн = 630 А;
-
ток электродинамической устойчивости: Iдин = 12,5 кА, ίдин= 32 кА;
-
термическая стойкость 468,75 кА2·с;
-
полное время отключения 0,065 с.
Определение времени отключения короткого замыкания производится по формуле (2.11):
.
Тепловой импульс определяется по формуле (2.10):
Значение тока короткого замыкания выбирается из таблицы 2.4, ТА принимается равным 0,02 с.
.
















