Магистерская диссертация Суслов А.В. ИВ2 ДВГУПС 2017 (1189802), страница 10
Текст из файла (страница 10)
15 СНиП 2.02.04–88. Основания и фундаменты на вечномерзлых грунтах/ Госстрой СССР. М.: ЦИТП Госстроя СССР, 1990.
16 AVR ATmega Microcontroller [Электронный ресурс] – Режим доступа: http://www.atmel.com/images/doc2503.pdf;
17 AD7895AR-2 АЦП 12-bit [Электронный ресурс] – Режим доступа: http://www.analog.com/en/index.html;
18 LCD MODULE ADM1602k-nsw-fbs [Электронный ресурс] – Режим доступа: https://www.sparkfun.com/datasheets/LCD/ADM1602K-NSW-FBS-3.3v.pdf;
19 FT232RL [Электронный ресурс] – Режим доступа: https://www.sparkfun.com/datasheets/IC/FT232R_v104.pdf;
20 AD822AE [Электронный ресурс] – Режим доступа: http://kazus.ru/datasheets/pdf-data/2851456/AD/AD822AR.html;
21 MAX865EU [Электронный ресурс] – Режим доступа: http://kazus.ru/datasheets/pdf-data/3695990/MAXIM/MAX865EUA.html
22 MAX6125EUR+ [Электронный ресурс] – Режим доступа: http://kazus.ru/datasheets/pdf-data/3695990/MAXIM/MAX865EUA.html
23 Адлер Ю.П., Маркова Е.В., Грановский Ю.В. Планированиеэксперимента при поиске оптимальных условий. - М: Наука, 1976. – 279 с.
24 Актуганов И.З., Фролов Ф.К. Исследование температурногорежима вечномерзлых грунтов методом конечных элементов с учетомфазовых переходов. - В кн.: Строительные конструкции транспортного и общего назначения (исследования, проектирование, применение), межвуз. сб. научн. трудов, Н, НИИЖТ, 1982, с. 90-98.
25 Александров Ю.А. Рекомендации по проектированию и применению в строительстве охлаждающих установок, работающих безэнергетических затрат. - М: НИИОСП, 1984. - 120 с.
26 Амиров Х.Х., Иванов М.И. Универсальный метод моделирования теплопередачи с применением ЭВМ. - Строительство и архитектура, 1973, №2, с. 25^29.
27 Андреев О.В. Проектирование мостовых переходов. - М:Транспорт, 1980. - 215 с.6. Ароманович И.Г., Левин В.И. Уравнения математической физики.- М: Наука, 1964. - 288 с.
28 Балобаев В.Т., Павлов A.B. Динамика криолитозоны в связи с изменениями климата и антропогенным воздействием (в Западной Сибири).- В кн.: Проблемы геологии, М, Наука, 1983, с. 184^194.
29 Баулин В.В., Белоухова Е.Б. и др. Геокриологические (мерзлотные) условия Западно-Сибирской низменности. - М: Наука, 1967. -214с.
30 Белоухова Е.Б., Новиков И.П., Чеховский А.Л. Влияние ко-роткопериодных колебаний климата на температурный режим грунтовсевера Западной Сибири. - В кн.: Инженерно-геологические и геокриологические исследования в Западной Сибири, труды ПНИИИПС Госстроя СССР, вып. 49, М, Стройиздат, 1976, с. 32н-47.-1 Só10.Беляев H.M., Рядно A . A . Методы теории теплопроводности, T.1 и 2. - М: Высшая школа, 1982. – 327 с , 304 с.
31 Богословский В.Н. Строительная теплофизика. - М: Высшаяшкола, 1970. – 375 с.
32 Бучко H.A., Турчина В.А. Искусственное замораживание грунтов (обзор). - М: Информэнерго, 1978. – 68 с.
33 Ваничев А.П. Приближенный метод решения задач теплопроводностипри переменных константах. - Изв. А.Н. СССР. ОТНШ, 1946,J4ol2, с. 1767 – 1774.
34 Васильев Л.Л., Вааз С Л . Под ред. Колыхана Л.И, Замораживание
и нагрев грунта с помощью охлаждающих устройств. - Минск: Назтса и техника, 1986. – 192 с.
35 Ведомственные строительные нормы. Проектирование и строительство земляного полотна автомобильных дорог на севере Западной Сибири, в е н 201-85. Казарновский В.Д., Цернант A . A . - М: СоюздорНИИ, 1985. – 38 с.
34 Ведомственные строительные нормы. Проектирование и строительство земляного полотна ж.д. линии Ягельная-Ямбург. ВСН 200-85. Цернант A . A . - М: ЦНИИС, 1985. – 63 с.
35.Величко В.П., Пассек Вяч.В. Льдообразование в полостях опор мостов и прогноз внутреннего давления льда. - В кн.: Материалы Первой конференции геокриологов России, т.З, М, МГУ, 1996, с. 198 – 205.
36 Величко В.П., Пассек Вяч.В. Опоры мостов со льдозащитными ограждениями в суровых климатических условиях. - В кн.: Тезисы докладов П международной научно-технической конференции «Актуальные проблемы развития железнодорожного транспорта», т. 2, М, МИИТ, 1996, с. 11. 19. Вентцель Е.С., Овчаров Л.А. Теория вероятностей. – М: Наука, 1973. – 368 с. – 157.
37 Волков С.А. Численное решение двухфазной задачи Стефана.- В кн.: Вычислительные методы и программирование, вып. VI, М, МГУ,1967, с. 217 – 230.
38 Гаврилова М.К. Предполагаемые изменения климата и возможная
динамика вечной мерзлоты. - Метеорология и гидрология, 1984, №7, с. 114 – 116.
39 Гавриш Ю.Е. Теплофизика строительных процессов в условиях
вечномерзлых грунтов. - Л: Стройиздат, 1983. – 96 с.
40 Гапеев С И . Укрепление мерзлых оснований охлаждением. - Л:
Стройиздат, 1984. - 154 с. 41. Гарагуля Л . С Применение математических методов в геокриологии: учебно-методич. пособие. - М: МГУ, 1987. - 168 с. 42. Геокриологические наблюдения оснований мостовых опор и территорий мостовых переходов на ж.д. линии Обская-Бованенково. Часть П за 1995 г. Научно-технический отчет ЦНИИСа по теме ЦЛИТ- 94/96-3-219. - М: рукописи., 1995. – 81 с.
43 Геокриологические наблюдения оснований мостовых опор и территорий мостовых переходов на ж.д. линии Обская-Бованенково. Научно-технический отчет ЦНИИСа по теме ЦЛИТ-97/98-7101. - М: рукописи., 1998.-94 с. 44. Геокриологический прогноз при строительном освоении территорий. Под ред. Баулина В.В. - М: Наука, 1987. – 104 с.
45 Гераськин Н.Н. Численный метод решения задачи промерза- ния-протаивания однородного грунта. - В кн.: Тр. коорд. сов. по гидротехнике, вып. 117, Л, 1977, с. 64-66. 46. Глотов Н.М., Пассек В.В., Дробышевский Б.А. и др. Рекомендации по проектированию и постройке опор автодорожных и железнодорожных мостов на вечномерзлых грунтах. - М: ЦНИИС, 1988. – 107 с.
47 Годунов С.К., Рябенький B.C. Разностные схемы. - М: Наука, 1977.- 440 с.
48 Головко М.Д. Обзор современных математических моделей промерзающих влажных грунтов. – В кн.: Термодинамические аспекты механики мерзлых грунтов, М, Наука, 1988, с. 30 – 45.
49 Гонтковская В.Т., Прибыткова К.В., Шкадинский К.Г. Численные методы решения некоторых задач по тепло- и массообмену. – В кн.: Тепло- и массоперенос, т. 8, Минск, Наука и техника, 1968, с. 373-г 383.
50 Достовалов Б.Н., Кудрявцев В.А. Общее мерзлотоведение. Учебное пособие для студентов спец. вузов. – М: МГУ, 1967. - 403 с.
51 Дубиков Г.И., Трофимов В.Т. Криогенное строение и льди- стость многолетнемерзлых пород Западно-Сибирской плиты. – М: МГУ, 1980. –219 с.
52 Дубина М.М., Красовицкий Б.А., Лозовский A.C., Попов Ф.С. Тепловые и механические взаимодействия инженерных сооружений с мерзлыми грунтами. – Н: Наука, 1977. – 144 с.
53 Дыдышко П.И., Дубнов Ю.Д., Цуканов H.A. Криогенные деформации земляного полотна и пути их предупреждения. – В кн.: Линейные сооружения на вечномерзлых грунтах. – М: Наука, 1990, с. 14-25.
54 A.c. № 1506966 (СССР). Теплоизолирующее покрытие для сохранения вечномерзлых грунтов Дыдышко П.И., Пассек В.В., Цуканов H.A., Минайлов Г.П., Дербас В.А., Жданова СМ. – Опубл. в Б.И., 1989, №33.
55. Емельянова Л.В. Компьютерная технология обработки данных температурного мониторинга в основании сооружений на много- летнемерзлых грунтах. Автореф. дис. на соиск. уч. степ. канд. геол.-мин. наук.-М: МГУ, 1997. – 23 с.
56 Иванов В.Н. Высокоэффективная теплоизоляция в основаниях юродромов и дорог. – М: Транспорт, 1988. – 134 с.
57 Изаксон В.Ю., Петров Б.Е. Численные методы прогнозирования и регулирования теплового режима горных пород области многолетней мерзлоты. – Якутск, ЯФСО АН СССР, 1986. – 94 с.
58 Инженерная геокриология. Справочное пособие. Ершов Э.Д., Хрусталев Л.Н., Дубиков Г.И., Пармузин СЮ. Под ред. Ершова Э.Д. – М: Недра, 1991. – 439 с.
59 Инженерно-геокриологическое обеспечение строительства сооружений. Сб. научн. тр. Под ред. Мельникова В.П., Горелика Я.Б. – Н: Наука, 1989. – 136 с.
60 Инженерное мерзлотоведение. Под ред. Мельникова П.П., Вялова С С – М: Наука, 1979. – 208 с.
44 Карслоу Г., Егер Д. Теплопроводность твердых тел. – М: Наука, 1964. – 488 с.
61 Коздоба Л.А. Методы решения нелинейных задач теплопроводности. – М: Наука, 1975. – 225 с.
62 Коновалов A.A. Охлаждение мерзлых оснований для повышения
их прочности. – Красноярск: Изд-во Краснояр. ун-та, 1988. – 204 с.
63 Кондратьев В.Г. Геокриологические исследования на переходах газопроводов через долины рек. – Н: Наука, 1988. – 190 с.
64 Кудрявцев В.А., Гарагуля Л.С. и др. Основы мерзлотного прогноза при инженерно-геологических исследованиях. – М: МГУ, 1974. – 430 с.
65 Левкович А.И. и др. Руководство по прогнозированию температурного режима вечномерзлых грунтов с помощью ЭЦВМ. – М: Госстрой РСФСР. Росглавниистройпроект, 1972. – 52 с.
66 Лукьянов B.C., Головко М.Д. Расчет глубины промерзания грунтов. – М: Государственное транспортное железнодорожное издательство, 1957. – 164 с. – 160.
67 Лыков A.B. Теория теплопроводности. – М: Гос. изд. техн. теор. лит., 1952. – 392 с.
68 Макаров В.И. Термосифоны в северном строительстве. - Н: Наука, 1985.- 168.
69 Марчук Т.Н. Методы вычислительной математики. – М: Наука, 1977. – 456 с.
70 Майрманов A . M . Задача Стефана. – Н: Наука, 1986. – 187 с.
71 Меламед В.Г. О численном интегрировании классической задачи Стефана при учете фазовых переходов в спектре температур. - Изв. АН СССР, Сер. геофизика, 1963, №2.
72 Меренков Т.Н., Пешков П.Г., Петров Б.Г., Цернант A . A . ,Бойцов Е.А. Конструкции насыпей из твердомерзлых песков с прослойками геотекстиля. – Транспортное строительство, 1988, №5, С. 61.
73 Меренков Н.Д., Перетрухни H.A., Цвелодуб Б.И., Гулецкий В.В., Минайлов Т.Н., Соколов B.C., Пассек В.В.. Рекомендации по совершенствованию и уточнению проектных решений и методики расчета и учета осадки насыпей на марях. - М: ЦНИИС, 1978. – 107 с.
74. Мерзлотные исследования в осваиваемых районах СССР. Сб. статей. Под ред. Павлова A.B., Некрасова И.А. – Н: Наука, 1980. – 182 с.
75 Мерзлотоведение: Краткий курс. Учебник для вузов. Под ред. Кудрявцева В.А., Полтева Н.Ф., Романовского H.H. и др. – М: МГУ, 1981. – 239 с.
76 Мерзлотоведение и опыт строительства на вечномерзлых грунтах в США и Канаде (По данным Межд. конференции по мерзлотоведению в США). Под ред. Вялова С.С. – М: Стройиздат, 1968. – 95 с.
77. Мерзлые грунты как основание сооружений. Сб. статей. – М, 1974. – 129 с.
78 Мерзлые грунты при инженерных воздействиях. Сб. статей. Под ред. Гурьянова И.Е. – Н: Наука, 1984. – 132 с. – 161.
79 Мерзлые породы и криогенные процессы. Сб. научн. тр. Под ред. Дудикова Г.И. – М: Наука, 1991. – 118 с.
80 Мерзлые породы и снежный покров. Сб. статей. – М: Наука, 1977. – 187 с.
81 Минайлов Г.П., Опарин A.A. Результаты экспериментальных исследований по управлению термикой грунтов в основании линейных транспортных сооружений в районах вечной мерзлоты. В кн.: Материалы первой конференции геокриологов России, т. 3, М, МГУ, 2016, с. 170 –177.
82 Михеев М.А., Михеева И.М. Основы теплопередачи. – М: Энергия, 1973. – 320 с.
83 Новиков И.П. Организация строительства на севере Западной Сибири: инженерно-геокриологические основы. – Строительство трубопроводов, 1988, №6, С. 7
84 Основания и фундаменты на засоленных заторфованных и вечномерзлых грунтах. Под ред. A.B. Садовского. – М: Отд. пат. исслед. и НТИ НИИОСП, 1982. – 185 с.
85 Основы научных исследований. Под ред. Крутова В.И. – М: Высш. школа, 1989. – 400 с.
86 Охрана окружающей среды при освоении области многолет- пемерзлых пород. Сб. статей. АН СССР. Под ред. Граве H.A. – М: Наука, 1980. – 140 с.
87 Павлов А.Р., Пермяков П.П. Математическая модель и алгоритмы расчета на ЭВМ тепло – и массопереноса при промерзании грунта. – ИФЖ, 1983, т. 44, №2. – С. 311-316.
88 Палькин Ю.С. Расчет на ЭВМ теплового состояния оснований искусственных сооружений. Сб. научных трудов ЦНИИСа, вып. 41, М, ЦНИИС, 1971. – С. 4-22.
Приложение А
(рекомендуемое)
Карта участков вечной мерзлоты на территории России
Приложение Б
(рекомендуемое)
Карта полезных ископаемых на территории БАМа
Приложение В
(рекомендуемое)
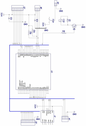
Принципиальная электрическая схема основной микросхемы системы
93















