Диссертация (1172984), страница 3
Текст из файла (страница 3)
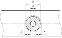
Для выбора диаметра инструмента, сформулированы критерии: относительной прочности сварной точки, равнопрочности сварного соединения и основного металла при сварке электротехнических шин из сплава АД31 и осевого усилия в начале погружения инструмента в заготовку. Указанным критериям выбора для сварки сплава АД31 толщиной 3 мм удовлетворил инструмент с диаметром рабочей части 6 мм. Через опорный бурт производится передача усилия прижатия верхней заготовки к нижней в области периферийной зоны сварной точки. Следовательно, исходя из ее размеров (при диаметре рабочей части 6 мм) согласно формуле (3) диаметр опорного бурта принимаем равным 11 мм.
а)
б)
Рис. 7. Схематичное изображение периферийной зоны сварной точки:
а) поперечное сечение; б) вид сверху. h – размер периферийной зоны; d – диаметр рабочей части инструмента; D – диаметр опорного бурта инструмента.
В рамках исследования второй стадии образования соединения рассматривается не природа активных центров, которая, по-видимому, еще долгое время останется «вещью в себе», а сам процесс схватывания (его кинетика), заканчивающийся образованием межатомных связей. На основании теории мономолекулярных реакций произведена оценка порядка значений времени, которое требуется для полного протекания процесса схватывания. Установлено, что это пренебрежительно малая величина порядка 10-5 с, следовательно, вторая стадия не является лимитирующей.
Для исследования стадии объемного взаимодействия заготовок были выбраны три основных фактора: температура процесса, сварочное усилие (усилие прижатия опорного бурта) и время выдержки (прижатого опорного бурта). Результаты экспериментов представлены на рис. 8 – 10.
Время выдержки неоднозначно влияет на прочность сварной точки (рис. 8). Так, при начальной температуре процесса 340°С увеличение времени выдержки приводит к росту прочности. При начальной температуре 410°С, напротив, происходит снижение прочностных характеристик сварной точки.
| Рис.8. Влияние времени выдержки на прочность сварной точки: 1 – F = 1 000 Н, T = 340°C; 2 – F = 3 000 Н, T = 340 °C; 3 – F = 1 000 Н, T = 410 °C; 4 – F = 3 000 Н, T = 410 °C |
| Рис. 9. Влияние сварочного усилия на прочность сварной точки: |
| Рис. 10. Влияние начальной температуры на прочность сварной точки: 1 – F = 1 000 Н, t = 5 c; 2 – F = 3 000 Н, t = 5 c; 3 – F = 3 000 Н, t = 30 c; 4 – F = 1 000 Н, t = 30 c |
Усилие, передаваемое через опорный бурт инструмента, при сварке во всех случаях оказывает однозначное влияние (рис. 9). При увеличении усилия прочность точки возрастает.
Начальная температура процесса также оказывает неоднозначное влияние на прочность сварной точки (рис. 10). Тенденция, наблюдаемая при исследовании влияния времени выдержки, однако, сохраняется. В случае начальной температуры 410°С значения прочностных характеристик падают с увеличением времени выдержки.
Неоднозначность влияния температуры процесса и времени выдержки на прочность сварной точки связана с изменениями структуры сплава АД31. Поэтому для выбора параметров режима (обеспечивающих достаточную стабильность структуры и допустимое снижение свойств соединения) проведено исследование влияния температурно – временных условий нагрева и охлаждения при ТСТ на структуру и свойства сплава АД31.
Было выбрано 3 значения температуры в диапазоне от 300 до 450°С, при которых возможны значительные структурные изменения в сплаве АД31 (300, 375 и 450 °С).
После проведения термической обработки, имитировавшей термический цикл ТСТ (по режиму: нагрев до температуры 300, 375 или 450°С, выдержка 10 мин с последующим охлаждением на воздухе), была исследована микроструктура и измерена микротвердость образцов. Данные, полученные в результате выполненных исследований, представлены в табл. 2.
Т а б л и ц а 2
Результаты измерения микротвердости и содержания фазы Mg2Si в образцах из сплава АД31 подвергнутых термической обработке
| Температура нагрева, °С | Исходное состояние | 300 | 375 | 450 |
| Микротвердость, HV | 65 | 56 | 54 | 45 |
| Mg2Si, % об. | 7,12 | 6,66 | 2,81 | 2,4 |
Из анализа зависимости значений микротвердости и микроструктурных изменений от температуры нагрева можно заключить, что нежелательным с точки зрения значительного снижения механических свойств сплава является нагрев до температур, превышающих 375…400°С. Следовательно, должны быть выбраны такие параметры режима сварки, которые обеспечили бы протекание процесса при условии ограничения максимальной температуры нагрева любой точки заготовки 350°С. Проведенный расчет позволяет заключить, что для выполнения данного условия для сварки заготовок толщиной 3 мм необходимо при скорости вращения до 900 об/мин использовать инструмент диаметром менее 6 мм.
В случае введения ограничения параметров режима прослеживается монотонное возрастание прочности сварной точки при увеличении нагрузки и/или времени выдержки.
Таким образом, именно третья стадия будет являться лимитирующей и оказывать наиболее значительное влияние на прочность сварной точки.
Пятая глава работы посвящена исследованию структуры и свойств сварных соединений и разработке практических рекомендаций по их выполнению.
На основании проведенных исследований можно выделить основные конструктивно-технологические параметры режима точечной сварки трением. К ним относятся:
-
геометрия инструмента (длина и диаметр рабочей части, диаметр опорного бурта);
-
скорость вращения инструмента;
-
усилие прижатия опорного бурта;
-
время выдержки опорного бурта, прижатого к заготовкам.
Полученные расчетно-экспериментальные данные позволяют осуществить выбор параметров режима ТСТ, обеспечивающих сохранение свойств основного металла на высоком уровне при сварке алюминиевого сплава АД31 толщиной 3 мм. Диаметр рабочей части инструмента – 6 мм; длина рабочей части – 4,5 мм; диаметр опорного бурта – 11 мм; скорость вращения 900 об/мин; усилие прижатия опорного бурта – 3 000 Н; время выдержки – 30 с.
С целью оценки влияния термомеханического цикла ТСТ на структуру и свойства основного металла проводилось исследование микроструктуры и микротвердости. Исследования микроструктуры показали равномерное распределение наряду с частичным растворением вторичной упрочняющей фазы Mg2Si Измерения микротвердости проводились на микрошлифе в поперечном сечении сварной точки. Диаграмма распределения микротвердости по сечению сварного соединения приведена на рис. 11. Полученная диаграмма показывает, что в процессе ТСТ по выбранному режиму не происходит катастрофического падения микротвердости до 45 единиц (соответствующего практически полному растворению вторичной фазы), не наблюдается неоднородности свойств по сечению пластины. Механические свойства после сварки остаются на достаточно высоком уровне, в полном соответствии с исследованиями проведенными в главе 4.
Рис. 11. Диаграмма распределения микротвердости по поперечному сечению от центра сварной точки.
Для подтверждения обоснованности выбора параметров режима сварки было испытано 2 образца на срез статическим растяжением. Среднее значение разрушающего усилия составило 5 132 Н (524 кгс). Полученное значение показывает высокий уровень свойств сварной точки, который незначительно уступает лишь соединениям, выполненным контактной точечной сваркой.
Характерный излом представлен на рис. 12. Вид излома позволяет заключить, что разрушение происходит по периферийной зоне сварной точки. Таким образом, полностью подтверждено предположение о том, что прочность сварной точки определяется размерами периферийной зоны.
а) б)
Рис.12. Характерный вид излома сварного образца после испытаний на срез статическим растяжением: а)верхняя заготовка; б) нижняя заготовка.
Общие выводы
-
В результате выполненного расчетно-экспериментального исследования тепловых процессов и механизма образования сварного соединения разработаны рекомендации по практической реализации технологии точечной сварки трением, обеспечивающей получение соединения с высоким уровнем свойств.
-
На основе анализа условий фрикционного взаимодействия на границе инструмент – заготовка в условиях ТСТ было установлено, что имеет место переход от внешнего трения к внутреннему как результат превышения значений прочности адгезионной связи инструмент – заготовка относительно прочности когезионной связи материала заготовки. Сформулирован критерий перехода от внешнего трения к внутреннему, пригодный для расчета мощности: μ p ≥ τT(T).
-
В результате анализа и экспериментальных исследований условий фрикционного взаимодействия инструмента и заготовки получено аналитическое выражение для расчета мощности тепловыделения:
q = [(1 – δ)μ p ωr] + (δ(σT(Т)/
)ωr). -
Исследовано влияние скорости вращения и диаметра инструмента на значение мощности. Показано, что изменение диаметра инструмента является более эффективным способом управления мощностью, чем изменение скорости вращения.
-
Выполнена экспериментальная верификация расчетно–теоретической методики анализа температурно–временных условий нагрева заготовок при точечной сварке трением. Сформулированы граничные условия задачи теплопроводности и выявлены факторы, оказывающие влияние на точность расчетной модели: наклеп поверхностного слоя заготовки в процессе взаимодействия с вращающимся инструментом, условия контакта нижней поверхности заготовки с подкладкой.
-
Исследования механизма образования соединения показали, что третья стадия (объемного взаимодействия) будет являться лимитирующей при ТСТ. Исследовано влияние параметров режима сварки на протекание стадии объемного взаимодействия. В результате разработан и научно обоснован режим для точечной сварки трением алюминиевого сплава марки АД31, упрочняемого термической обработкой: скорость вращения инструмента – 900 об/мин; диаметр рабочей части инструмента – 6 мм; диаметр опорного бурта инструмента – 11 мм; длина рабочей части инструмента – 4,5 мм; время выдержки – 30 с; усилие прижатия опорного бурта – 3 000 Н. Показано, что предложенный режим обеспечивает высокое качество сварных соединений.
-
Определены механические свойства сварных соединений. Значение средней разрушающей нагрузки при механических испытаниях статическим растяжением на срез сварной точки составляет 5 132 Н. Полученное значение показывает высокий уровень свойств сварной точки, который незначительно уступает лишь соединениям, выполненным контактной точечной сваркой.
Основные положения диссертации отражены в следующих работах:
-
Охапкин К.А. Расчетно – теоретический анализ тепловых процессов при точечной сварке трением // Научно – технические ведомости СПбГПУ, Наука и образование, № 1, 2012, с. 172 – 176.
-
Башенко В.В., Охапкин К.А. Выбор параметров режима точечной сварки трением с учетом влияния термического цикла на структуру алюминиевых сплавов // Научно – технические ведомости СПбГПУ, Наука и образование, № 2-2, 2012, с. 160-163.
-
Охапкин К.А. Моделирование процессов образования и распространения теплоты от источников фрикционного нагрева // Технологии упрочнения, нанесения покрытий и ремонта: теория и практика: в 2 ч. Часть 1: Материалы 14-й Международной научно-практической конференции: СПб: Изд-во Политехн. ун-та, 2012, 386 с., с. 156-159.
-
Охапкин К.А., Башенко В.В. Методика расчета удельной мощности тепловыделения на поверхности фрикционного контакта инструмента и заготовок в процессе точечной сварки трением // Труды 40-й международной научно – практической конференции «Неделя науки СПбГПУ» Санкт – Петербург, СПб: Изд– во Политехн. Ун – та. – 2011, С. 111 – 112.
-
Башенко В.В., Охапкин К.А. Современное состояние и развитие процесса сварки трением с перемешиванием // Труды 9 – й международной научно – технической конференции «Современные металлические материалы и технологии (СММТ’2011)» 22 – 24 июня 2011г. Санкт – Петербургский государственный политехнический университет. – СПб: Изд – во Политехн. Ун – та, 2011, С. 303 – 304.
24
















