Томилин - ответы шпоры (1156317), страница 2
Текст из файла (страница 2)
4 – номер уровня с которого обращались. При этом ОС контролирует
возможные ошибки.
-
Специальные регистры и команды процессора для поддержки обработки прерываний и переключения процессора.
-
ВОП – вектор прерываний
-
ВОМ – запоминается описательная область задачи (информационное
поле задачи).
Команды для поддержки обработки прерываний:
SAVECONTEXT – запоминает все регистры в область описания памяти
LOADCONTEXT – восстанавливает всё из памяти в регистры.
-
Аппаратная поддержка взаимодействия программных модулей
Пусть модули сидят в сегменте.
Сегмент 1 Сегмент 2
При этом один модуль обращается к другому сегменту и модулю.
При этом вместо того, что - бы целиком записать в ОП сегменты создаётся сегмент 1', который содержит связи, и называется (зоной связи), в которой если содержится 0, то происходит к другому модулю с переходом, а если стоит 1 то не происходит
-
Иерархия запоминающих устройств
Регистры ЦП - кэш L1 - кэш L2 - оперативная память - дисковая память - устройства резервного копирования.
Иерархия памяти современных компьютеров строится на нескольких уровнях, причем более высокий уровень меньше по объему, быстрее и имеет большую стоимость в пересчете на байт, чем более низкий уровень.
Каждый из этих устройств работает на несколько порядков медленное устройств с предыдущего уровня.
-
Организация памяти типа cache
Кэш - очень быстрая память сравнительно небольшого объема (обычно на статических микросхемах), логически располагающаяся между ЦП и оперативной памятью. Кэш состоит из строк (блоков небольшого размера); каждая кэш-строка, кроме блока информации, содержит адрес начала блока в оперативной памяти и тэги (в т.ч. признак "валидности" строки, бит модификации, информация LRU-алгоритма и др.).
Ассоциативный кэш: сли одна строка в оперативной памяти может быть отображена на одну из N кэш-строк, то число N есть ассоциативность кэша. Кэш с прямым отображением (direct mapped): каждая строка основной памяти может быть отображена только в одну фиксированную строку кэш-памяти.
Существуют несколько алгоритмов стратегий кэш-строк при кэш-промахах, в т.ч. случайная и LRU.
Существуют несколько стратегий записи, в т.ч. write-through (запись в кэш и одновременно в основную память) и write-back (запись в оперативную память только при сбросе кэш-строки). Эффективность использования кэш-памяти зависит от свойств временной и пространственной локальности обращений к памяти в конкретной программе (т.е. чем больше доля обращений к близким или повторяющимся адресам, тем ниже частота кэш-промахов).
Поскольку кэш-память SRAM работает быстрее, чем память DRAM, коэффициент кэш-попадания пропорционален эффективному времени ожидания всей системы памяти. Если обозначить коэфиициент кэш-попаданий через H, а время ожидания кэш-памяти и DRAM - через Tc и Tm соответственно, то эффективное (среднее) время ожидания системы памяти, включающей в себя кэш-память, определяется как
Teff= H * Tc + (1-H)*Tm
Увеличение скорости, связанное с наличием кэш-памяти, определяется как отношение Tm к Teff и эскпоненциально увеличивается с возрастанием H:
S=Tm/Teff = 1/(1-H(1-Tc/Tm))
-
Организация оперативной памяти. Односегментное отображение.
При этом защищается адрес начала и смотрится нет - ли обращения в интервал длинны т. е. От адреса начало до номера начала (?). При этом возникает фрагментация, когда есть свободная память, а ни одну новую задачу поставить нельзя. Если сегмента не хватает, приходиться применять ???????. Зато гибко организованна многопроцессорность.
-
Организация оперативной памяти. Сегментация.
Для любого обращения к памяти требует предварительного обращения к таблице сегментов. Для этого используются аппараты адресной трансляции, при таком подходе возникает очень сильная внутренняя фрагментаризация.
-
Страничная организация оперативной памяти.
Физическая память набора страниц одинакового размера. Страницы могут откачиваться во внешнюю память. При удачной организации подкачки страниц может наблюдаться повышение производительности.
Таблица страницы виртуальной памяти
-
Сегментно-страничная организация оперативной памяти.
При такой организации виртуальный адрес выглядит следующим образом:
-
Организация виртуальной памяти
Виртуальная память - адресное пространство задачи, т.е. память, адресуемая приложением. Является необходимым атрибутом многозадачной среды. Преимущества виртуальной памяти: защита данных операционной системы и задач от некорректных действий других программ; разделение небольшой физической памяти между задачами; ускорение запуска программ (нет необходимости загружать в память сразу весь код и данные). Виртуальные адреса преобразуются в физические с помощью специальной аппаратуры и таблиц трансляции; в случае, если запрашиваемых данных нет в оперативной памяти, срабатывает соответствующее прерывание, обрабатываемое диспетчером ОС.
-
Типы устройств внешней памяти и ввода-вывода
Внешние устройства – это вся периферия, например монитор.
Внешние запоминающие устройства:
Магнитный барабан – очень быстрое устройство для считывания, потому, что магнитная лента – в принципе не заменяемое устройство.
Магнитные диски – медленнее чем барабан, но при большем объеме памяти. Старт-стопный режим – данные посылаются в буфер где всё обрабатывается само. Нестандартный режим считывания происходит через определенный интервал. Пример: принтер, перфокарта. Если устройство ненадежно, то применяют коррекцию ошибок с помощью кода элемента.
-
Способы организации доступа к внешней памяти и устройствам ввода-вывода
Канал - устройство, служащее для организации обмена между памятью центральной ЭВМ и устройствами В/В; работает параллельно с ЦП. Канал обычно обслуживает несколько внешних устройств. Набор правил для сопряжения внешнего устройства с каналом называется интерфейсом канала. Стандартизация интерфейсов позволяет разрабатывать внешние устройства независимо от ЭВМ. Примеры интерфейсов: ISA, PCI, MCA. Непосредственное управление внешним устройством - функция контроллера.
-
Селекторные и мультиплексные каналы связи с периферией ЭВМ. Цикл работы устройства "Мультиплексный канал"
Селекторный канал в некоторый момент времени выбирает один из свох подканалов и полностью переключается на работу с соответствующим устройством. Селекторные каналы удобны при работе с "быстроговорящими" внешними устройствами (т.е. такими, у которых средняя скорость выдачи информации на интерфейс близка к пределной пропускной способности канала).
Мультиплексорный канал позволяет нескольким устройствам вести обмен одновременно. Такие каналы подходят для обслуживания относительно медленных внешних устройств.
Мультиплексный канал – одновременная работас "медленными" устройствами.
Байт мультиплексный режим все устройства опрашиваются поочереди и выбираются по байту.
Цикл работы Мультиплексного канала:
-
Считывание адресного слова i-го подканала.
-
Считывание управляющего слова i –го подканала
-
Выполнение объема байтом (блоком)
-
Изменение управляющего слова i –го подканала
-
Запись обратного управляющего слова i –го подканала
-
( запись измененного адресного слова).
-
Использование шинной архитектуры для связи с периферией ЭВМ.
Имеется множество каналов у каждого слоя программа обмена.
-
Процессор сам непосредственно организует обмен. Централизованный подход.
-
Децентрализованный подход.
Общая шина. Обмен между устр. по шине организован так, что прцессор не останавливается на это время.
Дальше можно поручить ввод – вывод
Внешней машине ввода/вывода.
Может быть 1 процессор основной и несколько специализированных даже со своей памятью (например спец. проц. Для обмена, связи и т.п.).
-
Назначение и типы многомашинных вычислительных комплексов (ММВК). Примеры ММВК. Конвейеры ЭВМ в ММВК.
Предназначены для:
-
дублирования машин с целью повышения надежности вычислений.
-
параллелизм работы
-
конвейер ЭВМ для систем реального времени
Многомашинные вычислительные комплексы могут быть:
• локальными при условии установки компьютеров в одном помещении, не требующих для взаимосвязи специального оборудования и каналов связи;
• дистанционными, если некоторые компьютеры комплекса установлены на значительном расстоянии от центральной ЭВМ и для передачи данных используются телефонные каналы связи.
Пример 1. К ЭВМ типа мэйнфрейма, обеспечивающей режим пакетной обработки информации, подключена с помощью устройства сопряжения мини-ЭВМ. Обе ЭВМ находятся в одном машинном зале. Мини-ЭВМ обеспечивает подготовку и предварительную обработку данных, которые в дальнейшем используются при решении сложных задач на мэйнфрейме. Это локальный многомашинный комплекс.
Пример 2. Три ЭВМ объединены в комплекс для распределения заданий, поступающих на обработку. Одна из них выполняет диспетчерскую функцию и распределяет задания в зависимости от занятости одной из двух других обрабатывающих ЭВМ. Это локальный многомашинный комплекс.
Пример 3. ЭВМ, осуществляющая сбор данных по некоторому региону, выполняет их предварительную обработку и передает для дальнейшего использования на центральную ЭВМ по телефонному каналу связи. Это дистанционный многомашинный комплекс.
-
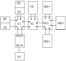
Организация передачи данных в ММВК с общедоступной памятью.
ПМ – 6 – канал 2 – го уровня
Способность канала 1-го уровня 2000 сообщ. по 100 бит в секунду.
При этом команда на передачу данных выглядит следующим образом:
-
Организация доступа к общей периферии в ММВК.
-
Организация суперЭВМ как ММВК.
Структура вычислительного модуля и коммуникаций МВС-100 или TMS с 4 линками
Соединение модулей между собой
При такой организации максимальная длина связи 5.















