ТРаздаточный материал (восстановленный) (1095675), страница 2
Текст из файла (страница 2)
• Step 2: Relate strain to displacements
-
Шаг 2: Соотношение между деформацией и перемещениями узлов стержня
– Допустим, что длина стержня при действии осевой нагрузки увеличилась на величину
. Тогда его деформация будет равна
(2)
• Step 3: Relate stress to strain
-
Шаг 3: Используем закон Гука как соотношение связи между напряжением и деформацией
(3)
• Step 4: Relate fx (4)
-
Шаг 4: Связь между напряжениями и силами, действующими в узлах
, тогда с учетом (1)
(4)
-
Шаг 5: Связь между силами и перемещениями узлов
- Подстановка соотношений (2) и (3) в уравнение (4) дает для точки 1:
или
(5)
Аналогично для точки 2
(6)
• Уравнения (5) и (6) представляют собой линейные уравнения с двумя неизвестными. Они могут быть записаны в матричной форме:
{F}е = [K]e {u}е (7)
где[K]e = [kij], известная матрица жесткости конечного элемента стержня (rod) размерностью 2x2
{F} = вектор-столбец заданных узловых сил
{u} = вектор- столбец узловых неизвестных перемещений
формулировка матрицы жесткости конечного элемента
FORMULATION OF THE ELEMENT STIFFNESS MATRIX
• The method used in the previous case study to derive the rod
element stiffness matrix is called the direct method or the stiffness
method. This method works well for simple elements such as rods
and beams.
• For more complex 2D and 3D elements, the variational method is
used
– The variational method is also known as the Rayleigh-Ritz method.
– Assumed element shape functions and energy principles are used to derive
the element stiffness matrices.
– The variational method is covered in detail in text books on the finite element
method. A list of reference books on the finite element method is included at
the end of this section.
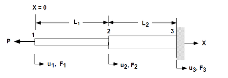
CASE STUDY: TWO-ROD ASSEMBLY
• The following case study demonstrates the assembly of the
individual element stiffness matrices and the solution to the entire
problem.
CASE STUDY: TWO-ROD ASSEMBLY
• Write the following element stiffness equations based on the
previous derivation of stiffness matrix for a rod element:
CASE STUDY: TWO-ROD ASSEMBLY
• Rewrite the stiffness matrices in simpler terms:
NAS120, Section 2, July 2012
CASE STUDY: TWO-ROD ASSEMBLY
• Assemble the two stiffness matrices by superposition. The
resulting matrix is called the global stiffness matrix.
CASE STUDY: TWO-ROD ASSEMBLY
• Apply external loads to the structure
NAS120, Section 2, July 2012
CASE STUDY: TWO-ROD ASSEMBLY
• Next, impose the boundary condition
– The right end is fixed, so u3 = 0. This is achieved by discarding row 3 and
column 3 from the global stiffness matrix.
CASE STUDY: TWO-ROD ASSEMBLY
• Now, solve the matrix equation
• One way to solve this equation is to multiply both sides by the
inverse of [K]
NAS120, Section 2, July 2012
[K]-1 {F} = {u}
• In actual practice, inverting the stiffness matrix to solve the system
of equations is highly inefficient. MSC Nastran uses a more efficient
matrix decomposition procedure rather than the matrix inversion
method.
[K]-1 {F} = {u}
CASE STUDY: TWO-ROD ASSEMBLY
• Inversion of the [K] matrix requires that [K] be square and that
det[K] ¹ 0 (i.e. nonsingular).
• If rigid body motion or mechanisms are not prevented
(constrained), the structure is unstable and the stiffness matrix will
be singular.
• Always remember that MSC Nastran is working in a 3-D space when
considering rigid body motion. Therefore, the set of constraints you
apply must be able to prevent any possible rigid body motion in 3-D space
CASE STUDY: TWO-ROD ASSEMBLY
Example of Inadequate Constraints
Example of Adequate Constraints
PROCEDURE FOR GENERAL STRUCTURES
The same procedure used for the two-rod model can be extended to
a general structure such as the aircraft structure shown below:
• The two highlighted stringer elements are represented by the two
element stiffness matrices developed in the previous case study.
highlight ['haɪlaɪt]/ 1. 1) отводить главное место; выдвигать на первый план Syn: feature 2) подчёркивать, выделять
PROCEDURE FOR GENERAL STRUCTURES
• The stiffness characteristics of the rest of the aircraft are obtained
by assembling the individual element stiffness matrices to the global
stiffness matrix using the same procedure as used in the two-rod
model.
PROCEDURE FOR GENERAL STRUCTURES
• Rule of thumb for computer resources (CPU time) used by MSC_Nastran for a problem with “N” DOF
– Overhead (~ constant)
– Stiffness matrix assembly (~ N)
– Solution cost ( ~ N2)
– Data recovery ( ~ N)
CPU time - время счёта, процессорное время, время ЦП
rule of thumb 1) практический способ, метод (в отличие от научного) 2) приближённый подсчёт
решение, разрешение (проблемы и т. п.) ; разъяснение ...>>
overhead = ovhd 1) непроизводительные затраты 2) неэффективное использование (напр. вычислительной техники)
cost цена; стоимость; прош. вр. , прич. прош. вр. cost стоить, обходиться (в какую-л. сумму) ...>>
costs - затраты, расходы ...>>
data recovery восстановление данных
OTHER APPLICATIONS OF FINITE ELEMENT METHOD
• In general, the finite element method can be applied to any
continuum described by partial differential equations.
– Example: Steady-state heat conduction
• Replace the structural stiffness matrix with the matrix of thermal conductivities
• Single DOF at each node (temperature)
– Other fields
• Fluid flow/wave propagation
• Electromagnetics
• Dynamics
REFERENCES
-
Зенкевич О. Метод конечных элементов в технике. – М. Мир. – 1975. – 641 с.
-
Зенкевич О., Морган К. Конечные элементы и аппроксимации.М. Мир.-1986.–318 с.
-
Галлахер Р. Метод конечного элемента. Основы. М..Мир. – 1984.- 428 с.
-
Сегерлинд Л. Применение метода конечных элементов. – М. Мир.- 1979. – 392с.
-
Коннор Дж., Бреббиа К. Метод конечных элементов в механике жидкости. Л. Судостроение. – 1979. – 262 с.
-
Бреббия К., Уокер С. Применение метода граничных элементов в технике. М., Мир.- 1982. – 248 с.
-
Сабоннадьер Ж.-К., Кулон Ж.-Л. Метод конечных элемегнтов и САПР. –М., Мир. –1989.- 192 с.
-
Рычков С.П. Моделирование конструкций в среде MSC. Visual NASTRAN для Windows. Серия «Проектирование и моделирование». М., NT Press.- 2004. – 545 с.
-
Шимкович Д.Г. Расчет конструкций в MSC/NASTRAN for Windows. 2-е изд – M.: ДМК. – 2004. – 702с.
-
MSC/NASTRAN – Quick Reference Guide ( файл документации)
-
Рыбников Е.К., Володин С.В.Б Соболев Р.Ю. Инженерные расчеты механических конструкций в системе MSC.PATRAN-NASTRAN. Часть II.Учебное пособие М., 2003. – 174с.
-
Рыбников Е.К., Володин С.В.Б Соболев Р.Ю. Инженерные расчеты механических конструкций в системе MSC.PATRAN-NASTRAN. Часть 1.Учебное пособие М., 2003. – 130 с.
-
Каплун А.Б., Морозов Е.М., Олферьева М.А. ANSYS в руках инженера, Практическое руководство. 2-у изд. – М.: УРСС. – 2004.- 270 с.
-
=Басов К.А. ANSYS в примерах и задачах. – М.: Компьютер ПРЕСС. – 2002. -223 с.
-
ANSYS User, s Manual for revision 5.6. V. I-VI
Последовательность действий при решении задачи в пакете PATRAN-NASTRAN и создаваемые файлы
23














