Диплом (1094907), страница 20
Текст из файла (страница 20)
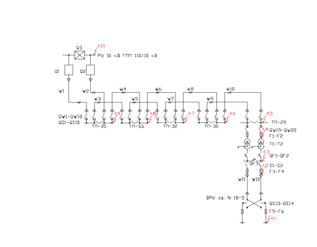
На основании характеристик защиты аппаратов строится зависимость времени действия средств защиты от электрической удаленности КЗ от шин РУ 10 кВ ГПП 110/10 кВ. Должна соблюдаться полная избирательность отключения всех КЗ.
Рассмотрим электрическую цепь РУ 10 кВ ГПП 110/10 кВ — ТП-35 — ТП-33 — ТП-32 — -ТП-30 — ТП-29- ввод в здание №18-5 (продовольственный магазин).
Точки короткого замыкания выбраны с учетом следующих соображений:
К1 – для выбора номинала плавких вставок F5, F6 и проверки их на селективность отключения токов КЗ;
К2 – для выбора плавких вставок F3, F4 и проверки их на селективность работы с другими предохранителями;
К3 – для выбора автоматических выключателей QF1, QF2, QF3;
К4 – для выбора предохранителей F1 и F2;
К5-К9 – для выбора уставок релейной защиты на выключателях;
К10 – для проверки Q1 - Q3 на динамическую стойкость токам КЗ и проверки линии на термическую стойкость.
Схема замещения для расчёта токов КЗ представлена на рисунке 3.1.2.
Рисунок 3.1.2 Схема замещения для расчётов токов КЗ.
Целью расчёта токов КЗ является выбор параметров защиты сетей и параметров высоковольтной аппаратуры. На данном этапе необходимо определить:
-
I”=IПО - начальное действующее значение периодической составляющей тока КЗ;
-
iуд - мгновенное значение ударного тока КЗ (для проверки аппаратуры на динамическую устойчивость токам КЗ);
-
I - действующее значение установившегося тока КЗ (для проверки аппаратуры на термическую стойкость).
При условии неизменности ЭДС источника, а также при задании IКЗ энергосистемы можно полагать, что I”=I=IКЗ. Расчет
производим согласно главы №2 параграфов 2.6 и 2.7.
При расчётах токов короткого замыкания воспользуемся результатами расчетов, полученными в главе №2 параграфа 2.6, в котором уже рассчитаны токи КЗ для точек К10 и К9. Воспользуемся также значениями известных сопротивлений кабельных линии по таблицам 2.5.5 и 2.5.1. При расчётах токов КЗ в точках К1, К2, К3 расчёт ведёт в именованных единицах; в остальных точках расчёт производится в относительных единицах. При расчёте токов КЗ в сети 0.4 кВ необходимо учитывать все сопротивления как активные так и индуктивные.
Принимаем базовые напряжения:
UБ1=Uср1=115, кВ;
UБ2=Uср2=10,5, кВ;
UБ3=Uср3=0,4, кВ.
Определим базовые токи энергосистемы по формуле 2.6.1:
Получаем следующие данные для расчётов токов КЗ для точек К1, К2, К3 (в именованных единицах приведённых к базовому напряжению UБ3=0.4 кВ):
хс=0,000036, Ом;
хтр1=0,000677, Ом; rтр1=0,000031, Ом;
хл2=0,000165984, Ом; rл2=0,000693728, Ом;
хл4=0,00003584, Ом; rл4=0,000198464, Ом;
хл6=0,00003072, Ом; rл6=0,000170112, Ом;
хл8=0,00004736, Ом; rл8=0,000262272, Ом;
хл10=0,00002432, Ом; rл10=0,000134688, Ом;
хтр2=0,0136, Ом; rтр2=0,003392, Ом;
х12=0,00014, Ом; r12=0,000010192, Ом;
rконт=0,024, Ом.
Токи КЗ определяем по формуле 2.7.3.
Получаем значение тока КЗ в точках К1:
Получаем значение тока КЗ в точке К2, К3:
При расчёте токов КЗ в остальных точках переходим к относительным единицам.
Получаем следующие данные для расчётов токов КЗ для остальных точек (в относительных единицах):
хс=0,22, Ом;
хтр1=4,2, Ом;
хл2=3,93270067, Ом; rл2=0,94095292, Ом;
хл4=1,12508001, Ом; rл4=0,20317472, Ом;
хл6=0,9643543, Ом; rл6=0,17414976, Ом;
хл8=1,48680358, Ом; rл8=0,26848088, Ом;
хл10=0,76353785, Ом; rл10=0,13786856, Ом;
Токи КЗ определяем по формуле 2.6.2.
Значения токов сведем в таблицу 3.1.1
Табл. 3.1.1 Результат расчетов токов короткого замыкания на линии 10 кВ ГПП—ТП-29
Примечание: значение токов в точке К10 возьмём из главы №2 параграфа 2.6.
На стороне 10 кВ для защиты трансформатора применяются предохранители типа ПКТ103-10-80-20. Выбор предохранителей производится в главе №2 параграфах 2.8.1 и 2.8.2.
Выбранные типы предохранителей проверяются по условиям селективности при КЗ.
Котс - коэффициент отстройки равен 1.1 – 1.25, учитывающий разброс величины срабатывания и возможную погрешность в расчете токов КЗ.
Ток плавкой вставки предохранителей F1 и F2 на ТП №29 определяется по формуле:
Получаем:
Принимаем ток плавкой вставки предохранителей,
=80 А и
=80 А.
Номинальный ток отключения предохранителя ПКТ103-10-80-20 Iоткл =20 кА, что больше IКЗ=4,29 кА [5].
Время отключения тока короткого замыкания равного IКЗ =4.29 кА составляет при кратности:
При КЗ в точке К3 (
=7,134 кА) ток через предохранители F1 и F2 составит [5]:
Получаем:
При такой величине тока КЗ предохранитель ПКТ103-10-80-20 с плавкой вставкой на 80 А сработает через tоткл =7 с [5].
На стороне 0.4 кВ ТП за трансформатором устанавливаются автоматические выключатели QF1 и QF2 типа «Электрон» (ЭО16В). Выбор уставок тока срабатывания автоматических выключателей описан в главе №2 параграфе 2.8.1.
Ток уставки электромагнитного расцепителя (без выдержки времени - отсечка) принимаем по формуле [5]:
Получаем:
Для автоматических выключателей ЭО16В Iмакс откл=45 кА, что >
=7,134 кА.
Принимаем ближайшую большую величину уставки равную 1600 А, кратность
/Iр составляет:
Время отключения автоматического выключателя при кратности тока 4 составляет: 0.06-0.09 с (отсечка); 0.25 – с выдержкой времени электромагнитного расцепителя [5].
Таким образом, условия трехкратного запаса по времени для обеспечения селективности двух защит (F1, F2 и QF1, QF2) выполняются: 7 с у F1 и F2 и 0.25 с для QF1 и QF2.
На отходящих линиях 0.4 кВ ТП и для защиты питающих сетей жилых зданий используются предохранители типа ПН-2.
Для предохранителей F3 и F4 возможный минимальный ток
- это ток в точке К1
=7,118 кА.
Произведём проверку по надёжности срабатывания:
Номинальный ток плавких вставок F5, F6 определяется как:
Принимаем: Iвст.ном=150, А.
Надежность срабатывания защиты в соответствии с [5] обеспечивается, если минимальный ток КЗ (ток в конце защищаемого участка сети) не менее чем в 3 раза превосходит номинальный ток плавкой вставки ближайшего предохранителя или ток уставки электромагнитного расцепителя автоматического выключателя.
Ток плавкой вставки предохранителей F3 и F4:
Для сохранения селективности ринимаем:
=400, А.
При возникновении КЗ на выводах предохранителей F3 и F4 кратность составляет:
При этом время отключения предохранителей F3 и F4 tоткл =0.01 секунды. Селективность работы F3, F4 и QF1, QF2 обеспечена, так как 0,25/0,06=4,1.
Время отключения предохранителей F5 и F6 tоткл =0.01 секунды при КЗ в точке К1.
Время отключения предохранителей F3 и F4 tоткл =0.08 секунды при КЗ в точке К1.
Таким образом при КЗ в точке К1 через время tоткл=0.01 секунды произойдет расплавление плавкой вставки предохранителя F6. Если КЗ по каким-либо причинам не было отключено (попадание посторонних предметов или неквалифицированные действия обслуживающего персонала) предохранителем F6, то через время tоткл =0.08 секунды после начала КЗ произойдёт расплавление плавкой вставки предохранителя F4 и так далее до выключателя Q2 на ПС 110/10 кВ.
На ГПП защита трансформатора, шин 10кВ и отходящих линий, а также схема АВР выполнена на базе цифровой интегрированной защиты НТЦ «Механотроника» действующая в случае повреждения на шинах 10 кВ на отключение вводного масляного выключателя, в случае повреждения фидерной линии 10кВ на отключение фидерного масляного выключателя, в случае пропадания напряжения на одном из вводов на переключение, а также в случае повреждения в трансформаторе передает телеотключающий импульс на районную подстанцию и в бестоковую паузу производит отключение отделителя.
3.2 Цифровая интегрированная защита и автоматика распределительных сетей.
В последнее время происходит интенсивное развитие микропроцессорной техники, которая всё более широко внедряется в энергетике. Рассмотрим цифровую интегрированную защиту и автоматику в распределительных сетях города.
Комплексные цифровые автоматические устройства на микропроцессорной элементной базе интегрированной защиты и противоаварийной автоматики, предназначенные для распределительных сетей напряжением 6-35 кВ, разрабатываются научно-производственной фирмой (НПФ) «Радиус» НИИ «Зенит» (г. Зеленоград) и научно-техническим центром (НТЦ) «Механотроника» (г. Санкт-Петербург). Они характеризуются высокими показателями технического совершенства и обладают широкими информационными и сервисными функциями, свойственными техническим средствам обработки информации цифровой вычислительной техникой.
















