Ответы на теоретические вопросы (1094642), страница 5
Текст из файла (страница 5)
Собиратели (или коллекторы) – органические вещества, служащие для гидрофобизации поверхности частиц флотируемых минералов, что делает возможным их прилипание к пузырькам газов. Молекулы собирателя обычно состоят из двух частей – углеводородной (неполярной) и карбоксильной группы, аминогруппы и другой (полярной) химически активной, закрепляющейся на поверхности минералов. По способности диссоциировать на ионы в водной среде собиратели делятся на неионогенные и ионогенные. Первые практически нерастворимы в воде и представлены обычно неполярными, углеводородными жидкостями (керосин, нефтяные масла и др.). Вторые диссоциируют в воде на анион и катион и в зависимости от вида гидрофобизирующего иона подразделяются на анионные (например, ксантогенаты, аэрофлоты, жирные кислоты и их соли, алкилсульфаты) и катионные (например, высшие жирные амины и их соли, четвертичные аммониевые основания). Хемосорбционное закрепление собирателя на определённых элементах поверхности частиц минералов обусловливает избирательность флотации. Углеводородная часть молекулы собирателя, крайне слабо притягивающая молекулы воды, препятствует гидратации поверхности минерала – образованию устойчивого слоя, состоящего из молекул воды. Добавки неполярных жидкостей (масел, керосина) в пульпу усиливают гидрофобизацию. Иногда для более полного извлечения нужных минералов применяется сочетание различных собирателей. Для флотации сульфидных минералов (галенита, халькопирита, сфалерита) чаще всего применяются растворимые в воде соли ксантогеновой или дитиофосфорной кислот – т. н. ксантогенаты и дитиофосфаты. Несульфидные минералы (апатит, флюорит, фосфаты природные и др.) обычно флотируются различными жирными кислотами и их солями (олеатом натрия, солями сульфокислот и др.). Перспективно применение алкилгидроксамовых кислот и их солей. При флотации природногидрофобных минералов (угля, самородной серы и др.) применяются малорастворимые в воде реагенты, которые закрепляются на частицах в виде капелек.
Регуляторы применяются для повышения избирательности закрепления собирателей на поверхности определённых минералов, увеличения прочности этого закрепления, снижения расхода собирателя и придания минерализованной пене оптимальной устойчивости. Когда регулятор действует непосредственно на поверхность минерала, способствуя лучшему закреплению на нём собирателя и активируя флотацию, он называется активатором. Например, добавление сульфида натрия сульфидизирует поверхность окисленных минералов цветных металлов и позволяет закрепиться на них молекулам ксантогената. Медный купорос оказывает активирующее действие на флотацию сфалерита. Регулятор, затрудняющий взаимодействие минерала с собирателем, называется подавителем или депрессором. Например, жидкое стекло предотвращает закрепление мыл на силикатных минералах, подавляя их флотацию; известь и цианиды подавляют флотацию пирита. Кроме активаторов и подавителей, имеются реагенты-регуляторы, придающие среде определенную щёлочность и кислотность (регуляторы среды). Регуляторы, разобщающие (пептизирующие) частицы микронных размеров (тонких шламов), например силикат натрия, уменьшая их отрицательное действие на флотацию, называются реагентами-пептизаторами и чаще всего являются неорганическими соединениями; реже используют органические регуляторы (карбоксилметилцеллюлоза и др.).
Действие Ф. р. зависит от природного состава поверхности минералов, щёлочности и кислотности среды, температуры пульпы (для жирных кислот и их солей) и др. факторов. Расход Ф. р. – от нескольких г до нескольких кг на 1 т флотируемого материала. При флотации применяют определённый ассортимент реагентов и порядок их подачи, что составляет основу флотационного режима. Обычно в пульпу добавляется регулятор (или регуляторы), затем – собиратель и впоследствии – пенообразователь. Выдерживается оптимальное время контакта пульпы с каждым реагентом. Во многих случаях действие реагентов комплексное и приведённая их классификация несколько условна.
-
Процесс обогащения углей отсадкой. Основные закономерности процесса. Конструкции отсадочных машин.
ОТСАДКА-способ гравитационного обогащения полезных ископаемых, основанный на разделении минеральной смеси по плотности в вертикальном колеблющемся потоке воды переменного направления. Конечные продукты О.: концентрат с высоким содержанием полезного компонента и отходы (иногда выделяется промежуточный продукт, состоящий из сростков полезного компонента с пустой породой или из их механической смеси).
Разделение материала при О. происходит в результате периодического воздействия восходящего и нисходящего потоков воды (пульсаций) на слой обогащаемого материала (так называемую отсадочную постель), находящийся на решете. Под действием пульсаций постель попеременно разрыхляется и уплотняется, при этом частицы различной плотности взаимно перемещаются по её высоте: с малой плотностью — в верхние слои, с большой плотностью — в нижние. Сформировавшиеся слои различной плотности раздельно удаляются в виде концентрата, отходов и, в некоторых случаях, промежуточного продукта.
Принципиальная схема отсадки: 1 — пульсатор; 2 — отсадочная постель; 3 — решето.
Схема осадочных машин: 1 – постель; 2 – решето; 3 – поршень; 4 – кривошипно-шатунный механизм; 5 – пульсатор; 6 – подрешетная вода
-
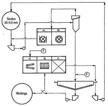
Технологическая схемы обогащения угля. Сгущение и обезвоживание продуктов обогащения.
Рис. 1 Принципиальная схема гравитационного обогащения угля отсадкой из тяжёлой суспензии.
Рис. 2 Упрощенная технологическая схемы обогащения угля
Процесс сгущения заключается в повышении концентрации твердой фазы в сгущенном продукте по сравнению с исходной пульпой или суспензией. Сгущение осуществляется под действием гравитационных (в сгустителях различных конструкций) или центробежных (в гидроциклонах, осадительных центрифугах) сил. При сгущении получают два продукта: сгущенный, содержащий в единице объема значительно больше твердой фазы, чем в исходном питании, и слив, обычно условно чистый, или с небольшим содержанием твердого.
При сгущении могут ставиться две задачи: получение сгущенного продукта с максимально возможной концентрацией твердой фазы или получение слива с минимальной концентрацией твердых частиц. В последнем случае сгущение обычно называют осветлением.
В реальных условиях чаще всего эти две задачи решаются одновременно, в результате в одном аппарате осуществляются операции сгущения и осветления. Сгущение широко используют в технологических схемах обогатительных фабрик. Сгущению подвергают различные продукты обогащения: промпродукты сгущают для удаления воды перед их дальнейшей переработкой, концентраты — перед фильтрованием,, а хвосты — для получения оборотной воды и уменьшения объемов; хвостохранилищ.
Известно, что для улучшения технологических показателей гравитационного обогащения полезных ископаемых, особенно при. применении процессов отсадки, материал обесшламливают по граничной крупности 0,5(0,2) мм. В результате циркуляции оборотных вод их вязкость повышается из-за накопления в них шламов,. что отрицательно сказывается на эффективности процесса обогащения. Поэтому на обогатительных фабриках применяют различные схемы сгущения и осветления оборотных вод с целью снижения в них концентрации твердого.
Окончательное обезвоживание концентрата и промежуточных продуктов отсадочных машин и циклонов реализуется на обезвоживающих машинах, в то время как окончательное обезвоживание отходов производится на грохотах. Обезвоживание концентрата и промежуточных продуктов на углеобогатительных фабриках производится главным образом в вибрационных центрифугах с производительностью приблизительно 200 т/ч. Обезвоживание концентрата размером 2-0,5мм из винтовых сепараторов выполняется в шнековых обезвоживающих машинах, отходы обезвоживаются на грохотах. Обезвоживание концентрата размером 0,5-0,04мм из винтовых сепараторов, гидроциклонов и флотомашин осуществляется посредством вакуумных фильтров или осадительных центрифуг, в то время как отходы обезвоживаются на камерных прессах или безэкранных центрифугах. Выбор типа фильтра зависит от эффективности операции обезвоживания, числа задействованных прессов, а так же от суммы инвестиционных и производственных затрат. Обезвоживание, осуществляемое с помощью ленточных прессов более низких инвестиционных затрат и более высоких производственных затрат в сравнении с камерным прессом.
Концептуальная схема технологического процесса водно-шламовой схемы с обогащением шлама в циклонах или флотомашинах для отечественной обогатительной фабрики, перерабатывающей тонкий уголь показана на рис.1.
Рис.1.представляет обезвоживание концентрата на вакуумных фильтрах или пресс фильтрах, так же как обезвоживание отходов на на ленточном фильтр- прессе. Выбор между вакуумными фильтрами и пресс-фильтрами зависит от требуемой влажности смеси из концентрата 20-0,5мм и 0,5-0мм.
-
Применение флокулянтов в углеобогащении. Фильтрация и осадительные центрифуги.
После добычи и сортировки уголь поступает на шаровые мельницы для размола, полученная угольная пульпа подвергается разделению под воздействием силы тяжести. Уголь всплывает на поверхность, отделяясь от оседающей породы, затем его снова подвергают разделению на фракции и процессу сепарации для извлечения концентрата.
В процессе образуются мелкие угольные частицы, требующие последующей обработки для извлечения посредством флотации с использованием флотореагента. Снова концентрат собирается на поверхности, а отходы оседают.
Обогащение угля продолжается в процессе седиментации, а затем фильтрации или центрифугирования. Флокулянты, применяемые для седиментации, способствуют разделению твердой и жидкой фаз, ускоряя процесс осаждения в концентраторах, а также очищают шламовую воду, которая потом участвует в рециркуляции. Конечный концентрат извлекается в процессе фильтрации или центрифугирования. В данных процессах также используется флокулянт для интенсификации процесса разделения.
При обогащении бурого угля или угольного сланца в процессе оседания иногда перед флокулянтом требуется добавление коагулянта для эффективного захвата частиц и требуемой степени очистки шламовой воды.
Таким образом, в обогащении угля флокулянты применяются в следующих процессах:
·Осаждение/осветление угольной пульпы
·Интенсификация процесса сепарации угля при фильтрации/центрифугировании
·Осаждение/осветление хвостов угля
·Интенсификация процесса сепарации хвостов при фильтрации/центрифугировании
Фильтрация — процесс обезвоживания пульп путем отделения воды от твердых частиц с помощью пористых перегородок, проницаемых только для жидкости. В качестве фильтрующих перегородок используют фильтровальное полотно (хлопчатобумажные, шерстяные или синтетические ткани), пористую керамику и другие материалы. Для ускорения процесса фильтрации по одну сторону фильтрующей перегородки создается разрежение (вакуум-фильтры) или повышенное давление (фильтр-прессы). В обогатительной технике чаще всего используются барабанные или дисковые вакуум-фильтры непрерывного действия. Принцип действия этих фильтров одинаков, но они конструктивно отличаются формой фильтрующих элементов.
Барабанный фильтр представляет собой барабан, вращающийся на горизонтальном валу. Барабан разделен на секции (камеры), поочередно соединяемые с вакуумной или воздуходувной установкой. Барабан частично погружен в ванну с фильтруемым материалом. Поверхность барабана покрыта фильтровальной тканью. При вращении барабана камеры, погруженные в ванну с пульпой, соединяются с вакуумной системой. В результате разрежения вода из пульпы проходит через поры ткани, а частицы твердого осаждаются на ней (зона образования осадка).
При дальнейшем вращении барабана за счет разрежения продолжается отсос воды (зона подсушки); затем камера подсоединяется к системе сжатого воздуха, который раздувает ткань, что облегчает отделение кека (зона снятия осадка) Для оолее полного снятия осадка используют срезающий нож. Перед заходом камеры в ванну с пульпой ткаиь продувают сжатым воздухом с целью прочистки пор.
Барабанные вакуум-фильтры изготавливают с фильтрующей поверхностью до 40 м2.
Дисковые вакуум-фильтры в отличие от барабанных имеют фильтрующие элементы в виде дисков, собранных из нескольких отдельных сегментов , что позволяет при тех же внешних габаритах аппарата увеличить поверхность фильтрации до 80 м2.
С
хема устройства дисковых вакуум-фильтров
















