Установка для регистрации коротких лазерных импульсов основной и удвоенной частоты неодимового лазера (1089459), страница 6
Текст из файла (страница 6)
- масса не более 0.23 кг
-
Лавинный фотодиод:
При регистрации очень малых световых мощностей фототоки будут весьма малы. В этом случае желательно использовать внутреннее усиление в фотоприемнике аналогично тому, как это осуществляется в фотоэлектронном умножителе.
В лавинном фотодиоде (ЛФД), являющемся твердотельным аналогом ФЭУ, усиление фототока происходит за счет лавинного умножения генерированных светом носителей заряда в обратно смещенном p-n переходе. При приложении к p-n переходу обратного напряжения U, близкого к напряжению лавинного пробоя Uпр, энергия носителей заряда, ускоренных электрическим полем, может превысить порог ионизации вещества. Столкновение такого носителя с электронами валентной зоны приведет к образованию пары электрон – дырка. Если образовавшиеся вторичные носители тоже ускорятся до энергии, превышающей порог ионизации, то они создадут другие носители и т. д. В результате проводимость нарастает за счет образования лавины носителей заряда (рис. 19). Поглощение фотона является началом процесса, вызвавшего лавину.
Рис. 19. Зависимость тока I и коэффициента умножения М от напряжения для лавинного фотодиода
Коэффициент лавинного умножения М сильно зависит от напряжения смещения U. Эта зависимость представлена эмпирической формулой:
Показатель преломления принимает значения от 2 до 6 в зависимости от характеристики полупроводникого материала. При U ~ Uпр с повышением напряжения происходит резкое увеличение коэффициента умножения, который может достигать 103.
Конструкции ЛФД могут меняться в зависимости от свойств применяемых материалов. Поскольку эти приборы работают в предпробойном режиме, то основным требованием является высокое качество и однородности самого материала и p – n перехода. На рисунке 20 приведена структура кремниевого ЛФД.
Рис. 20. Структура ЛФД на основе кремния. 1 – омические контакты, 2 – антиотражающее покрытие.
Лавинные фотодиоды обладают очень высоким быстродействием (0.2 – 0.5 нс). Они применяются в оптоэлектронике для регистрации слабых оптических потоков. В то же время ЛФД значительно дороже, требуют постоянного источника питания и капризней в эксплуатации, чем p-i-n фотодиоды. [5]
Внешний вид лавинного фотодиода представлен на рисунке 21.
Рис. 21. Лабораторный лавинный фотодиод ЛФД-2
Основные параметры ЛФД-2:
- Рабочее напряжение Up при коэффициенте лавинного умножения М = 10 и сопротивление нагрузки Rн = 1кОм, Up = 16 – 25 В
- Темновой ток – не более 10 мкА
- Токовая чувствительность на длине волны 1064 нм, S1064 не менее 0.5 А/Вт
- Содержание драгоценных материалов:
Золото – 0.000617 г
Серебро – 0.0049 г
2.6. Пассивный модулятор добротности LiF:F2
Анализ показывает, что одним из наиболее эффективных лазерных затворов для Nd-лазеров является пассивный лазерный затвор (ПЛЗ) на основе кристалла LiF:F2. Как и активные модуляторы, кристалл LiF:F2 позволяет получать импульсы наносекундного диапазона длительности. Вместе с тем, ПЛЗ обладает более высокой эффективностью модуляции, способностью управлять временной и пространственной структурой, осуществлять селекцию как поперечных, так и продольных мод, формировать диаграмму направленности излучения. От ПЛЗ на основе полимерных красителей, а также других щелочно-галоидных кристаллов с центрами окраски (ЦО), затвор из LiF:F2 выгодно отличают лучшие теплофизические свойства, малая гигроскопичность кристалла LiF:F2, высокая термическая и оптическая стойкость.
Кристалл LiF:F2 необходимо защитить от внешних повреждений путем помещения в специальный каркас. Ниже представлен пример подобной конструкции.
Рис. 22. Пассивный лазерный затвор на основе LiF:F2
2.7 Преобразователь частоты на основе кристалла KDP
Кристалл KDP был рассмотрен в пунктах 1.3.2 и 1.3.3. Лабораторный преобразователь частоты из кристалла KDP представлен на рисунке 23.
Рис. 23. Преобразователь частоты на основе кристалла KDP
Основные параметры:
Химическая формула – КН2РО4
Нелинейный коэффициент d – 1
Область прозрачности – 0.22-1.5 мкм
Порог разрушения – 0.2 ГВТ/см2
-
Разработка и описание схем лабораторной установки.
3.1 Оптическая схема установки.
Для разрабатываемого стенда были выдвинуты следующие технические требования:
- основная длина волны излучения 1,064 мкм, удвоенная – 0.53 мкм;
- размер активного элемента Ø 6х75 мм;
- энергия импульса излучения порядка 0.1 – 0.25 Дж;
- частота повторения импульсов – однократные импульсы;
- квантрон - одноламповый с цилиндрическим отражателем.
Излучатель ИЗ-25 состоит из зеркал резонатора, активного элемента и лампы накачки, помещённых в квантрон с отражателем, изготовленным из кварца и покрытым серебром по внешней поверхности (см. схему излучателя на рис. 12). В качестве активной среды излучателя используется кристалл алюмоиттриевого граната с неодимом (Y3Al5O12:Nd3+), излучение которого соответствует заданной длине волны 1,064 мкм.
Оптическая схема лабораторной установки приведена на рисунке 24:
Рис. 24. Оптическая схема лабораторной установки.
1 – юстировочный лазер ЛГН-225А
2 – глухое зеркало
3 – пассивный затвор LiF2
4 – активный элемент АИГ: Nd3+
5 – выходное зеркало
6 – преобразователь частоты кристалл KDP
7 – плоскопараллельная пластинка
8 – измеритель энергии ИКТ-1Н
9 – матовая пластинка
10 – светофильтр СЗС-23
11 – светофильтр ИКС-6
12 – лавинный фотодиод ЛФД-2
13 – цифровой осциллограф GDS-71152A
Лазер может генерировать излучение в режиме свободной генерации и в режиме модуляции добротности. Режим свободной генерации реализуется при включении блока питания (БП) в режим разряда энергии накопительной емкости С (т.н. энергии импульсов накачки Eн=CU2/2, где U–напряжение на С перед разрядом) через импульсную лампу.
Для наблюдения лазерных импульсов в режиме модуляции добротности между активным элементом 4 и глухим зеркалом 2 помещается пассивный затвор LiF2. Пассивный затвор 3 в запертом состоянии перекрывает одно из зеркал резонатора, снижая при этом его добротность, что позволяет запасти значительное количество инвертированных ионов неодима в активном элементе. С момента достижения максимальной инверсии затвор быстро открывается, резко повышая при этом добротность резонатора. При этом излучается короткий мощный импульс генерации.
Резонатор излучателя ИЗ-25 обеспечивает генерацию основного излучения с длиной волны 1064 нм. Чтобы получить зеленое излучение перед выходным зеркалом устанавливается преобразователь частоты 6, изготовленный из кристалла KDP. Принцип работы преобразователя основан на нелинейном эффекте удвоения частоты падающего излучения. При падении излучения с длиной волны 1064 нм на выходе преобразователя присутствует излучение с двумя длинами волн: λ1 = 1064нм и λ2 = 532 нм. Максимальное преобразование частоты в элементе преобразователя имеет место в случае распространения излучения в строго определенном направлении, по отношению к оптической оси элемента, так называемом направлении синхронизма.
Светоделительная пластинка 7 разделяет излучение на два направления, позволяя, тем самым, измерять энергию и временные параметры излучения одновременно.
Матовая пластинка 9, с нанесенным на нее диффузно отражающим покрытием, рассеивает приходящее излучение, так как напрямую светить в фотодиод не рекомендуется. Лавинный фотодиод 11 ЛФД-2 преобразует падающее на него рассеянное излучение в электрический сигнал, который наблюдается на экране цифрового осциллографа 12.
Для того чтобы измерить параметры для одной строго определенной длины волны (черное излучение 1064 нм, или зеленое излучение 532 нм) используются светофильтры типа ИКС-6 и СЗС-23. Область пропускания этих светофильтров показана на рисунке 25.
Рис. 25. Области пропускания светофильтров СЗС-23 и ИКС-6
Светофильтр ИКС-6 отсекает все ультрафиолетовое излучение от лампы накачки и все фоновое излучение, прекрасно пропуская 1064 нм. СЗС-23, наоборот, пропускает видимое излучение, в частности, зеленый свет 532 нм.
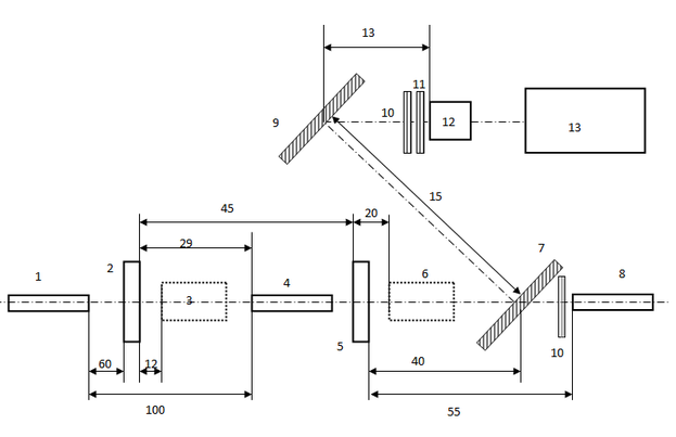
3.2 Схема оптическая принципиальная установки.
Рис. 26. Схема оптическая принципиальная
Пронумерованные элементы соответствуют оптической схеме (рис. 24).
Все расстояния между элементами указаны в сантиметрах.
| Номер элемента | Диаметр Ød, мм | Толщина элемента, мм |
| 1 | 30 | 200 |
| 2 | 15 | 5 |
| 3 | 20 | |
| 4 | 6 | 75 |
| 5 | 10 | 5 |
| 6 | 35 | |
| 7 | 50 | 3 |
| 8 | 20 | 25 |
| 9 | 5 | |
| 10 | 5 | |
| 11 | 5 | |
| 12 | 10 | 15 |
Внешний вид установки показан на рисунке 27.
Рис. 27. Внешний вид установки для регистрации коротких импульсов.
-
Сборка и юстировка стенда
4.1 Схема и методика юстировки лазера
Юстировка излучателя производится по схеме, приведенной на рисунке 26:
Рис. 28. Схема юстировки излучателя ИЗ-25















