Пояснительная записка (1089301), страница 7
Текст из файла (страница 7)
В целях увеличения времени разряда конденсатора С8, обеспечивающего привязку, и предотвращения спада яркости вдоль строк следующий каскад на транзисторах VT11 и VT12 должен обладать большим входным сопротивлением что достигается введением последовательно отрицательной обратной связи. Этот каскад обеспечивает окончательное усиление размаха сигнала до 2 В. Выходные каскады на транзисторах VT13 и VT14 включены как эмтиттерные повторители для уменьшения выходного сопротивления и согласования с коаксиальным кабелем.
Для индикации наличия синхроимпульсов используется выходной сигнал синхросмеси (ССП). Этот сигнал интегрируется цепью R59 С22. При наличии входного сигнала на выходе LM1881 будет синхросмесь отрицательной полярности, и в результате интегрирования на базе транзистора VT18 будет положительное напряжение, которое откроет этот транзистор. При отсутствии входного сигнала синхросмеси не будет, на базе этого транзистора будет нулевое напряжение, и он останется закрытым.
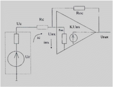
Расчет входного каскада.
Составим эквивалентную схему входного каскада
Рис.3.1 Схема входного каскада.
Оценим зависимость входного сопротивления от коэффициента трансформации видеотрансформатора.
Пусть
коэффициент трансформации видеотрансформатора, тогда
-напряжение на первичной обмотке;
- напряжение на вторичной обмотке;
Входное сопротивление со стороны линии связи:
, т.к согласующее сопротивление
относится к источнику сигнала. Входное сопротивление вторичной обмотки:
Следовательно для уменьшения входного сопротивления со стороны линии связи необходимо использовать повышающий трансформатор Т1
Расчет входного сопротивления каскада:
Рис.3.2 Эквивалентная схема сопротивления.
К- коэффициент усиления для каскада с ОЭ;
гвх входное сопротивление транзистора.
Таким образом, коэффициент передачи входного каскада определяется сопротивлением резистора обратной связи и коэффициентом трансформации согласующего трансформатора.
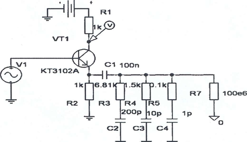
Расчёт корректирующего каскада:
Рис.3.3 Схема корректирующего каскада.
Коэффициент усиления корректирующего каскада:
-модуль импеданса корректирующей цепи
Окончательное выражение для коэффициента усиления корректирующей цепочки:
При
и влияние корректирующей цепочки не сказывается
Коэффициент усиления с тремя корректирующими цепочками:
Для большей наглядности поведения корректирующей цепочки на различных частотах проведем моделирование работы каскада в программе «Design Center 6.1»
Эквивалентная схема каскада имеет следующий вид:
Рис.3.4 Эквивалентная схема каскада.
При моделировании будем менять значения емкостей С2, С3 С4 отвечающих за усиление низких, средних и высоких частот, и отслеживать соответствующие изменения частотной характеристики. При моделировании нас будет интересовать полоса частот от 500 кГц до 6 Мгц. В зависимости от приложенного напряжения диапазон изменения емкостей используемых в схеме варикапов лежит от единиц до восьмисот пикофарад. Ниже приведены выборочные АЧХ наиболее четко отображающие работу корректирующих цепей.
Зададимся начальными значениями емкостей: С2=100пф, С3=10пф, С4=1пФ. Ниже приведена соответствующая этим значениям АЧХ цепочки
Рис.3.5 Осциллограмма АЧХ коррекции
Увеличиваем значение емкости С4 до 50пФ., что приведет к уменьшению сопротивления соответствующей корректирующей цепочки и увеличиванию усиления на верхних частотах. Это иллюстрирует следующая АЧХ.
Рис.3.6 Осциллограмма АЧХ коррекции
Увеличим С4 до 100пФ., а значение С4€4 устанавливаем равным исходному: 1пФ.
Рис.3.7 Осциллограмма АЧХ
Перейдем к коррекции на средних частотах, и увеличим значение С3 до 50пФ. Следующая АЧХ демонстрирует увеличение крутизны АЧХ в области
Рис.3.8 Осциллограмма АЧХ
С3=200 пФ
Рис.3.9 Осциллограмма АЧХ
Уменьшаем значение С2 до 0.1 пФ, устанавливая С3 равным исходным 10пФ. Результатом является незначительный спад усиления в области низких частот. Для низких частот диапазон усиления минимален, так как они наименее подвержены затуханию в кабеле
Рис.3.10 Осциллограмма АЧХ
Как следует из приведенных выше характеристик каскад осуществляет коррекцию АЧХ в необходимых пределах. Таким образом экспериментальная проверка полностью подтверждает правильность выбора схемного решения для корректирующего каскада
-
Конструкция устройства
Проектируемое устройство представляет собой автономный прибор, имеющий корпус, внутри которого расположены все узлы. Электронные схемы располагаются на печатной плате, устанавливаемой внутри корпуса. Органы управления устройством, в число которых входят переключатели режимов работы элементы регулировки коррекции расположены также внутри корпуса.
Корпус устройства выполняется из формованного ударопрочного полистирола и состоит из верхней и нижней частей, плотно прилегающих друг к другу и скрепляемых винтами-саморезами. Передняя и задняя панели вставляются в пазы нижней части корпуса, после чего верхняя часть корпуса накладывается так, чтобы указанные панели вошли в соответствующие пазы в ней. Тем самым обеспечивается достаточная герметичность корпуса, предохраняющая от попадания внутрь него пыли. Так как рассеиваемая устройством мощность невелика, вентиляционные отверстия не требуются.
Печатная плата, на которой располагаются функциональные узлы устройства, крепится ко дну корпуса винтами. Для создания зазора между печатной платой и корпусом на винты надеваются пластиковые цилиндрические втулки высотой 5 мм. Внутренние поверхности корпуса экранированы фольгированным картоном, обеспечивающим защиту от внешних электромагнитных наводок. Электромонтаж переключателя режима работы и переменного резистора регулировки коррекции к печатной плате осуществляется проводами марки ПФММ-3-0.5.
Габаритные размеры печатной платы с установленными элементами 150x10x20 мм.
Выводы конденсаторов и постоянных резисторов формуются под углом 90 град, и вводятся в монтажные отверстия, их крепление на плате осуществляется горизонтально, с зазором в 2 мм от поверхности, также методом пайки.
Печатная плата изготавливается из двухстороннего фольгированного стеклотекстолита марки СФ-2-1.5 мм. Этот материал отличается хорошими электроизоляционными свойствами, низким влагопоглощением и обладает высокой механической прочностью.
Печатная плата изготавливается комбинированным позитивным способом. При использовании этого метода на фольгированный материал наносится слой фоторезиста. Затем осуществляется экспонирование рисунка разводки принципиальной схемы, удаление ненужного фоторезиста и травление платы. Металлизация отверстий производится путём химического меднения с последующим электрохимическим наращиванием слоя меди.
С учетом используемой элементной базы шаг прямоугольной координатной сетки выбран 2,5 мм, диаметр монтажных отверстий 1 мм, под выводы транзисторов и подстроенных резисторов 2 мм. Диаметр контактных площадок не менее двух миллиметров. Ширина печатных проводников не менее 1 миллиметра. Расстояние между печатными проводниками не менее 0,5 мм. Сборочный чертеж представлен в приложении 1.
-
Экспериментальная проверка Измерение основных параметров полного цветового
ТВ сигнала -
Измерение размаха полного ТВ сигнала
Размах полного ТВ сигнала Un определяется разностью между максимальным уровнем сигнала яркости Uy и уровнем т. Si, расположенной на середине вершины синхронизирующего импульса рис.5.1,а, и измеряется в вольтах или милливольтах.
Измерения осуществляются: с помощью осциллографа (в С9-1-переключатель ФИЛЬТРЫ MHZ устанавливается в положение 0-2); прибором ИУТС методом сложения значений автоматически измеренных размахов сигнала яркости Uy и синхронизирующих импульсов (Uc); автоматически с помощью измерителя К2-36.
-
Измерение размаха сигнала яркости
Размах сигнала яркости UY определяется разностью межу максимальным уровнем сигнала яркости и уровнем т. S2, отстоящей примерно на 2 мкс от среза синхронизирующего импульса рис.5.1,а, и измеряется в вольтах или милливольтах с помощью осциллографа (в С9-1- переключатель ФИЛЬТРЫ MHZ устанавливается в положение 0-2); автоматически с помощью прибора ИУТС; с помощью измерителя К2-36 вычислением разности автоматически измеренных размахов полного ТВ сигнала (Un) и строчного синхронизирующего импульса (Uc). Размах импульса опорного белого В2 в испытательных строках определяется разностью между уровнями т. b2 и bi рис.5.1,в. Точка bi расположена на уровне гашения и смещена относительно фронта импульса В2 на 24 мкс; т.b2 расположена на середине вершины импульса. Величина размаха определяется в милливольтах.
-
Измерение размаха строчного синхронизирующего импульса
Размах строчного синхронизирующего импульса Uc определяется разностью между уровнями т. Si и S2 рис.5.1,а и измеряется в вольтах или милливольтах с помощью осциллографа (в С9-1- переключатель ФИЛЬТРЫ MHZ устанавливается в положение 0-2); автоматически с помощью прибора ИУТС или К2-36.
-
Измерение размаха сигналов цветовой синхронизации(СЦС).
Размах СЦС в "красных" строках (КС) и "синих" строках (СС) определяется разностью уровней, соответствующих экстремальным значениям цветовых поднесущих, передаваемых в строках 320-328 гасящих импульсов полей (в соответствии с рис.5.2, с помощью осциллографа (в С9-1- переключатель ФИЛЬТРЫ MHZ устанавливается в положение 3-5); автоматически с помощью приборов ИУТС или К2-36.
















