PROECT_1_2 (1088879), страница 2
Текст из файла (страница 2)
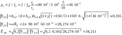
,где
- чувствительность приемника,задаваемая в ТЗ,
к =1,39
Дж/град – постоянная Больцмана,
=293
К – температура по Кельвину,
=1,1П=1,12,5103=2,75 кГц – шумовая температура приемника,
- отношение сигнал/шум на входе детектора, определяемое заданной в ТЗ вероятностью ошибки и выбранной схемой приемника: когерентной или некогерентной (рис.2),
Рис.2
-
Коэффициент шума приемника.
Коэффициент шума приемника определяется через коэффициенты шума отдельных каскадов приемника по формуле:.
где
- коэффициенты шума входной цепи, усилителя сигнальной частоты и преобразователя частоты соответственно,
- коэффициенты передачи по мощности входной цепи и усилителя сигнальной частоты.
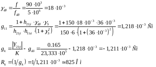
Для диапазонных приемников а=0,5.
Из Приложения 1 выбираем транзистор – КТ3127А.
Его параметры:
Таблица 3
| Вид каскада | Коэффициент шума | Максимальный коэффициент усиления по мощности |
| Одноконтурная входная цепь | 1/(1+а) | |
| Усилитель на транзисторе:
| ||
| Преобразователь частоты:
| 5…12 | 10…30 |
В Таблице 3:
- коэффициент шума выбранного транзистора.
Проверкой правильности выбора транзистора служит выполнение условия:
-
Расчет коэффициента усиления приемника и распределение усиления по каскадам.
Обобщенная структурная схема приемника приведена на рис.3
Рис.3
Необходимо провести следующие вычисления.
1.Рассчитать число каскадов тракта сигнальной частоты.
Для этого вычисляется требуемое усиление:
где
- чувствительность проектируемого приемника,
- напряжение на входе первого преобразователя частоты, равное 30…40мкВ для биполярных транзисторов (БТ).
Далее определяется необходимое число каскадов N в тракте сигнальной частоты, обеспечивающее требуемое усиление:
где
- уточненный коэффициент передачи входной цепи (
- коэффициент, определяемый по таблице 4),
- коэффициент усиления усилителя сигнальной частоты равняется коэффициенту устойчивого усиления транзистора. Формулы для расчета
приведены в таблице 5.
Устанавливаем в тракта сигнальной частоты 1 каскад ОКК на БТ.
Таблица 4
| Вид входной цепи | Тип транзистора в УСЧ | |
| ОКК ОКК | Полевой транзистор Биполярный транзистор | 10 100 |
| ДПФ ДПФ | Полевой транзистор Биполярный транзистор |
В таблице 4
- параметр связи между контурами ДПФ.
Таблица 5
| Вид усилительного каскада | Тип транзистора | Схема включения транзистора | |
| На одном транзисторе | Биполярный | С общим эмиттером | |
| С общей базой | |||
| На одном транзисторе | Полевой | С общим истоком | |
| С общим затвором | |||
| Каскодная схема | Биполярные | -- | |
| Каскодная схема | Полевые | -- |
2. Определить число каскадов тракта первой промежуточной частоты.
Число каскадов тракта первой промежуточной частоты N определяется по аналогии с первым пунктом данного раздела: сначала определяется необходимое усиление в этом тракте, а уже затем необходимое число каскадов. Обобщенная формула вычислений:
где
напряжение на входе второго преобразователя частоты, равное 300…400мкВ для биполярных транзисторов (БТ).
Необходимо отметить, что чем ниже частота , тем выше коэффициент устойчивого усиления транзисторов.
Устанавливаем в тракт первой промежуточной частоты 1 каскад ОКК на БТ.
3. Определить число каскадов тракта второй промежуточной частоты.
Вычисления проводятся по формуле:
где
- напряжение на входе детектора, равное (0.5…1)В для АД, ЧД (с настроенными или расстроенными контурами), ФД и (30…50)мВ для дробного ЧД;
Коэффициенту устойчивого усиления транзистора слишком велик, выбираем другой транзистор.
Выбираем транзистор – КТ501В.
Его параметры:
Устанавливаем в тракт второй промежуточной частоты 3 каскад ОКК на БТ.
4.Определить усиление в тракте низкой частоты.
Коэффициент усиления в тракте низкой частоты равняется:
где
=2…5 – коэффициент запаса,
В тракте низкой частоты для обеспечения необходимого усиления целесообразно использовать микросхему К226 УН5А, Б, С.
-
Определение числа каскадов приемника,охватываемых АРУ.
В ТЗ приведен коэффициент регулирования АРУ, показывающий динамический диапазон изменения входного и выходного сигнала. Для проведения дальнейших расчетов эти динамические диапазоны надо перевести дБ по напряжению и вычислить динамический диапазон АРУ:
Число охватываемых каскадов N равняется:
где
- динамический диапазон регулировки одного каскада.
Число охватываемых каскадов АРУ равняется 3.
-
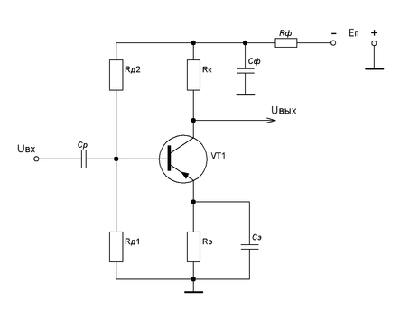
Структурная схема проектируемого приемника.
-
Расчёт апериодического каскада УПЧ.
-
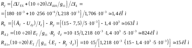
Расчёт Rк
Из формулы:
где K – коэффициент усиления каскада (из эскизного расчёта),
– крутизна транзистора (из эскизного расчёта),
– входная проводимость последующего каскада.
Т.к. у нас последующий каскад усилитель, то
-
Расчёт цепей питания
Зададимся:
-
Изменение обратного тока коллектора
-
Тепловое смещение напряжения базы
-
Нестабильность тока коллектора
-
Сопротивления
-
Ёмкости
14
















