СБИС 50000 64 mys (1088649), страница 4
Текст из файла (страница 4)
7.1. Расчет числа контактов.
Общее число внешних контактов СБИС может быть рассчитано по формуле:
mобщ = mi + mE0 + mE1
где: mi – число внешних связей;
mE0 – число контактов нулевого потенциала;
mE1 – число потенциальных контактов.
Так как mi = mвхi + mвыхi, при этом mвыхi = mi / (Ki+1), где Ki = mвхi / mвыхi, то можно записать применительно к КМОП технологии (mE0 = mE1 = mвыхi / 6):
mобщсбис = mi+mi / (3*(Ki+1))
Подставляя значения из таблицы, получим:
mобщсбис= 447 + 447 / (3*(4+1)) = 477 контактов
Допустив, что mE0 = mE1, можно вычислить: mE0 = mE1 = (447 / 6) / 2 = 37 шт.
В итоге , получается: mобщсбис = 477 + 37 + 37 = 552 контактов
7.2. Расчет числа выводов.
Необходимость применения корпуса СБИС со штырьковыми выводами обуславливается большим числом внешних контактов.
Выводы располагаются в шахматном порядке с шагом 2,5 мм., с целью увеличения плотности. При таком расположении выводов площадь кристалла с отступом от слоев займет 265 вывода (12х12 + 11х11 выводов). Таким образом, при расчете габаритов корпуса как прямоугольной модели с равномерным расположением выводов, общее число контактов можно определить так:
552 + 265 = 808 вывода,
при этом количество рядов и выводов в них (для простоты примем корпус СБИС квадратным, с равным числом выводов по горизонтали и вертикали) будет равно:
x 2 + ( x – 1 )2 = 808, где x – число выводов по горизонтали (вертикали) » 21 вывод.
Таким образом, реализуется корпус с 841 (21х21 + 20х20) выводом и прямоугольным окном под кристалл (минус 265 выводов). В графической части представлен общий вид такого корпуса.
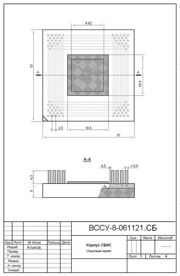
7.3. Определение габаритов корпуса СБИС.
Корпус СБИС реализуется со штырьевыми выводами расположенными в шахматном порядке с шагом 2,5 мм.
Расчёт расположения выводов осуществляем по квадратному уравнению:
Lвывод = 21
2,5 + (2,5-0,5) = 54,5 мм
в центре структуры выводов формируем окно под кристалл:
Lкорп = 9,92 + 8
0,5 + 1,25
2 = 16,44 мм ,
Итак, окончательно, получен корпус 57 х 57 мм со штыревыми выводами, расположенными в шахматном порядке с шагом 2,5 мм. Количество выводов 841 шт.
Выводы выполнены круглого сечения для упрощения изготовления и контактирования. Диаметр выводов принимаем равным 0,5 мм, что, с одной стороны, позволит обеспечит необходимую жесткость для правильного контактирования, а с другой стороны, позволит реализовать гнездо в разъемном соединителе.
В качестве материала для изготовления корпуса используется керамика, которая дает возможность выполнить разводку выводов кристалла, а также обеспечивает, заданные в задание механические и тепловые характеристики.
7.4. Топология керамической подложки.
Чтобы, развести большое количество выводов с кристалла, необходимо применить многослойную структуру подложки.
Оценка количества слоев. Исходя из того, что минимальное расстояние между двумя штыревыми выводами равно 1,25 мм, при толщине проводника 0,1 мм и минимальном расстоянии между ними равным 0,2 мм, можно провести не больше двух проводников.
Получается, что на первый слой можно вывести 212 (53 * 4) вывода, на последующие – по 172 (43 *4) из-за крайних штырей. Получается, что 808 логических выводов можно разместить на 5 слоях, прибавим еще два слоя, т.к. выводы питания (37 шт.) и земли (37 шт.) разводятся отдельно. Получаем 7 слоев.
7.5. Корпус СБИС.
К корпусам предъявляются следующие требования:
1. Защита микросхемы от влияния окружающей среды и механических воздействий. Для увеличения механической прочности кристалла структуру предварительно защищают пластичным компаундом. Окончательно микросхему герметизируют.
2. Обеспечение надёжности и удобства монтажа.
3. Обеспечение теплообмена. Керамическое основание корпуса обладает высоким теплоотводом, что немаловажно в процессе эксплуатации проектируемой микросхемы.
4. Поддержание внутренней чистоты атмосферы. СБИС подвергается воздействию внешней агрессивной среды, которая может существенно снизить рабочие характеристики. Для предотвращения этого используют герметизацию корпуса, а именно запрессовку выводов, и запайки крышки, последующей откачкой воздуха.
5. Коррозионная и радиационная стойкость.
6. Все производимые микросхемы упаковываются в потребительскую тару, исключающую возможность повреждения изделия и деформации выводов. Маркировка на корпусе должна содержать условное обозначение типа микросхемы, месяц и год изготовления, обозначение первого вывода и должна оставаться точной и разборчивой в рабочих условиях, оговоренных с заказчиком.
8. Расчёт параметров системного и функционального
быстродействия
Результаты расчетов параметров системного быстродействия выполнены силами программного комплекса и сведены в таблицы (8.1, 8.2.):
Таблица 8.1.
Результаты расчета параметров системного быстродействия
| Элемент | τлэ, нс | Rвых, Ом | ρ0Al, Ом·мм | R0, Ом/мм | C0, пФ/мм |
| Кристалл СБИС | 0,11 | 712,24 | 0,00 | 102,70 | 0,30 |
Таблица 8.2.
Результаты расчета параметров проводников металлизации и логических элементов
| i | Ni | Mi | NS i | hi | Hi | Lц i, мм | tц i, нс | τсв i, нс | τлэ, нс | τс i, нс | fc i, ГГц |
| 1 | 10 | 10 | 14,29 | 2,40 | 2,40 | 0,11 | 0,02 | 0,02 | 0,11 | 0,14 | 7,37 |
| 2 | 60 | 6 | 107,14 | 2,11 | 5,08 | 0,24 | 0,05 | 0,05 | 0,11 | 0,16 | 6,33 |
| 3 | 780 | 13 | 1547,62 | 2,84 | 14,45 | 0,95 | 0,22 | 0,09 | 0,11 | 0,20 | 4,98 |
| 4 | 50000 | 64 | 99047,62 | 5,19 | 74,97 | 7,94 | 2,67 | 0,27 | 0,11 | 0,39 | 2,60 |
9. Соединители разъёмного монтажа
9.1. Обоснование введения разъёмного соединения.
Условие монтажа в конструктивном модуле более высокого уровня является разъемный принцип установки. В Техническом задании оговорено применение соединения с малым усилием сочленения-расчленения. Такое содинение позволяет вставить СБИС в гнездо, при этом обеспечивает надежное фиксирование печатной платы с установленной на ней СБИС в разъеме, после применения фиксатора-доводчика.
Одним из важным элементом конструкции соединителя является контактная пара, которая состоит из двух частей – штепсельной группы контактов на согласующей плате и колодки на расширяемом блоке. Для безопасного извлечения согласующей платы из колодки предусмотрен рычажный механизм доводчика.
Контактная пара характеризуется требованиями высокой надежности соединения при воздействии допустимых механических и климатических воздействий. Этот параметр зависит от: способа контактирования, материалов контактной пары и их покрытий, точности изготовления и частоты обработки, величины контактного усилия.
9.2. Электрические параметры соединителя МУС.
Помимо параметров надежности контактная пара характеризуется переходным сопротивлением (0,01-0,02 Ом), максимальным рабочим током, нестабильности переходного сопротивления (20-30%), максимальной частотой тока, усилием соединения и разъединения контактов, износоустойчивостью и допустимым условиям эксплуатации.
Необходимость введения в схему разъёмного соединения продиктовано следующими факторами эксплуатации:
1. Согласование схемы.
2 .Обеспечение блочности конструкции.
3. Упрощение эксплуатации.
4. Повышение ремонтопригодности.
10. Технологическая часть
Технология производства комплементарных МОП структур заключается в формировании n - и p - канальных транзисторов на одном кристалле.
По сравнению с n - канальными МОП ИС КМОП схемы имеют ряд преимуществ. Они потребляют меньшую мощность, имеют большую помехоустойчивость и высокую нагрузочную способность по выходу.
К их недостаткам следует отнести несколько меньшую степень интеграции и большее время переключения, т. к. на каждый функциональный элемент приходится дополнительная площадь.
Технология производства СБИС представляет собой результат развития технологии изготовления СБИС, однако, в связи с увеличением степени интеграции и уменьшением размеров рисунка, необходимо обеспечить более высокую точность обработки.
В общем случае технологический процесс изготовления СБИС можно разделить на две составные части:
-
Технологический процесс изготовления коммутационного элемента конструкции (кристалла)
-
Технологический процесс сборки СБИС (корпусирование).
Типовой технологический процесс изготовления кристалла СБИС включает в себя:
-
экспонирование
-
формирование рисунка
-
изготовление шаблонов
-
травление
-
диффузии
-
имплантации ионов
-
химическое осаждение из газовой фазы
-
термическое окисление.
Достижение высокой точности обработки сопряжено с решением сложных технических проблем. Точность горизонтальной структуры СБИС определяется точностью формирования рисунка на слое фоторезиста в процессе экспонирования, совмещения слоев, а также точностью диффузии и травления. Точность вертикальной структуры определяется точностью изготовления пленок методом химического осаждения из газовой фазы, а также точностью определения глубины травления и процесса диффузии.
Технологический процесс сборки СБИС включает в себя:
-
крепление коммутационного элемента на керамическое основание корпуса
-
распайка микропроволокой соответствующих контактов кристалла на контактные площадки керамической подложки
-
очистка паяных соединений и внутренних частей СБИС
-
герметизация корпуса СБИС с откачкой воздуха из внутренних частей корпуса
-
маркировка СБИС
-
окончательный контроль
Заключение
В данном курсовом проекте была выполнена разработка сверхбольшой интегральной схемы с интеграцией 50000 эквивалентных логических элементов. Полученная в результате проектирования СБИС удовлетворяет условиям заданным в техническом задании.
Литература
-
Микитин В.М., Смирнов Н.А., Тювин Ю.Д. Электронное конструированиеЭВМ. Основы компоновки и расчета параметров конструкций: Учебное пособие / Моск. гос. ин-т радиотехники, электроники и автоматики (технический университет).- М.: 2000.
-
Основы построения технических средств ЕС ЭВМ на интегральных микросхемах/ В.В.Саморуков, В.М.Микитин, В.А.Павлычев и др. под общей редакцией Б.Н.Файзулаева. – М.: Радио и связь, 1981.
-
Преснухин Л.Н., Шахнов В.А. Конструирование электронных вычислительных машин и систем. Учеб. для втузов по спец. "ЭВМ" и "Конструирование и производство ЭВА".-М.: Высш.шк., 1986.
-
Савельев А.Я., Овчинников В.А. Конструирование ЭВМ и систем: Учеб. для вузов по спец. "Выч.маш., компл.,сист. и сети". 2-е изд., перераб. и доп. - М.: Высш.шк., 1989.
-
Применение интегральных микросхем в электронной вычислительной технике: Справочник / Р.В.Данилов, С.А.Ельцова, Ю.П.Иванов, В.М.Микитин и др.; Под ред. Б.Н.Файзулаева, Б.В.Тарабрина.- М.: Радио и связь, 1987.
27















