Измерение уровня топлива в баке (1086310), страница 2
Текст из файла (страница 2)
Порядок измерения уровня жидкости:
Для измерения уровня жидкости, находящейся в емкости, преобразователь приставляется ко дну емкости (при этом используется подходящая контактная жидкость). Электрический сигнал, поступающий с прибора на преобразователь, вызывает короткий ультразвуковой импульс, который проникает через стенку емкости и попадает в жидкость. Проходя через жидкость, импульс достигает поверхности жидкости, отражается от нее и возвращается обратно на преобразователь.
Эхосигнал от поверхности жидкости прецизионно отсчитывается от временной точки электронного нуля, установка которой позволяет вычесть от общего времени время прохождения ультразвука через стенку емкости. Время прохождения ультразвукового сигнала до отражающей поверхности и обратно преобразуется в значение уровня жидкости по следующей формуле:
- скорость звука в жидкости (которая должна быть установлена с использованием средств компенсации изменений скорости ультразвука прибора)
- время прохождения ультразвука до отражающей поверхности и обратно
Уровень жидкости отображается на цифровом жидкокристаллическом дисплее.
Для наиболее эффективного использования этого способа измерения уровня жидкости необходимо учитывать следующие факторы:
Тип и толщина материала стенок емкости являются первым фактором, который должен учитываться при оценке конкретных условий измерения ультразвуковыми средствами. При этом необходимо учитывать свойства и диапазон уровня жидкости. Стальные емкости со стенками большой толщины могут серьезно ограничить минимальный измеряемый уровень жидкости из-за эффекта "отзвука". Пластмассовые емкости, в свою очередь, обладают акустическими свойствами, близкими к акустическим свойствам большинства жидкостей, поэтому обеспечивают эффективную передачу ультразвука с преобразователя в жидкость, уменьшая "отзвук" до минимума.
Состояние поверхности стенок емкости. Корродированные или изъязвленные поверхности могут искажать ультразвуковой импульс, поступающий в жидкость, и тем самым затруднять измерения или делать их совершенно невозможными.
Кривизна емкости. Сильно искривленные емкости могут искажать ультразвуковой импульс и приводить к нарушению контакта преобразователя с емкостью, не позволяя получить надежные результаты измерений.
Акустические свойства жидкости. Степень рассеяния ультразвука в жидкости часто определяет максимальный измеряемый уровень жидкости. В целом, больше всего рассеивают ультразвук жидкости с высокой степенью вязкости или с высокой концентрацией твердых частиц.
Влияние температуры. Изменение температуры жидкости приводит к изменению скорости распространения в ней ультразвука. Если компенсация скорости ультразвука настроена на приборе неправильно, показание уровня жидкости будет неверным.
Движение поверхности жидкости. Для получения точного эхосигнала поверхность жидкости в емкости должна оставаться неподвижной.
Состав жидкости. Для получения точных результатов измерения жидкость должна быть равномерной по составу и иметь одинаковую температуру. В ней также не должно быть пузырьков газа.
Контакт преобразователя со стенкой емкости. Равномерный контакт преобразователя со стенкой емкости необходим для прохождения ультразвукового импульса с преобразователя через стенку емкости в жидкость.
Оборудование для определения наличия/отсутствия жидкости:
Во многих случаях для такого типа контроля можно использовать дефектоскоп или генератор импульсов/приемник. В этом случае оператор визуально определяет наличие/отсутствие жидкости по форме отображаемого эхосигнала. При этом можно использовать строб-импульсы.
Порядок определения наличия/отсутствия жидкости:
В эхо-импульсном режиме сигнал с преобразователя проникает в стенку емкости. Если в контрольной точке есть жидкость, часть ультразвуковой энергии проходит через жидкость, отражается от противоположной стенки емкости и возвращается через жидкость и стенку емкости обратно на преобразователь. Если жидкости нет, то донный эхосигнал отсутствует. Однако при этом может наблюдаться некоторое количество эхосигналов от внутренней поверхности стенки емкости, с которой контактирует преобразователь. См. рисунок 2.
Отсутствие жидкости Наличие жидкости
Рисунок 2
Логическая цепь прибора отслеживает временной интервал появления эхосигналов от противоположной стенки емкости. Если в этом временном интервале появляются эхосигналы, зажигается световой индикатор наличия жидкости. Отсутствие эхосигналов в этом интервале свидетельствует об отсутствии жидкости в контрольной точке. В этом случае зажигается световой индикатор отсутствия жидкости.
Измерения уровня топлива в резервуаре (на АЗС). Пример современного уровнемера топлива.
Уровнемер “Струна-М” - прибор измерения уровня топлива.
Уровнемер “Струна-М” - это прибор автоматизированного измерения уровня и других параметров светлых нефтепродуктов при приеме, хранении и оперативном контроле резервуарного парка АЗС.
Уровнемер предназначен для измерения уровня, температуры, плотности, вычисления объёма и массы светлых нефтепродуктов, сигнализации наличия подтоварной воды, повышения уровня пожарной и экологической безопасности, автоматизации процессов учета нефтепродуктов на АЗС стационарного и контейнерного типа.
Система “Струна-М” обеспечивает:
Высокоточное дистанционное измерение уровня, температуры, плотности топлива в резервуарах АЗС, вычисление объема и массы по градуировочным таблицам резервуаров,
возможность автоматизации учета движения нефтепродуктов на одной или нескольких АЗС при совместном использовании с системами отпуска,
автоматический контроль герметичности одностенных и двустенных (с жидким наполнителем) резервуаров в статическом режиме с включением звуковой и световой сигнализации, предотвращение перелива топлива при наполнении резервуаров путем подачи программируемых управляющих сигналов на отключение насосов, включение (отключение) звуковой и световой сигнализации,
самоконтроль функционирования и метрологических характеристик системы во всех режимах работы, включая контроль динамики изменения уровня во время приёма нефтепродуктов, отображение результатов измерения и вычисления параметров на автономном индикаторе или (и) вывод информации в систему пользователя по стандартному интерфейсу RS-232C или RS-485,
метрологическую поверку без демонтажа первичных преобразователей (ППП) с помощью встроенных средств,
значительное сокращение времени простоя АЗС при передаче смены.
Состав уровнемера “Струна-М”
| Первичный преобразователь параметров (ППП) ППП с датчиками уровня топлива, температуры, плотности и подтоварной воды. Выполнен во взрывобезопасном исполнении с маркировкой “OExiaIIBT5”, устанавливается в резервуарах/
Первичный преобразователь параметров (ППП) для сжиженного газа с датчиками уровня и температуры. Выполнен во взрывобезопасном исполнении с маркировкой "Oexia IIBT5 в комплекте "Струна-М" и устанавливается в резервуарах. Рабочая температура от - 40 до + 50 гр. С. Категория защиты IP54. |
| |
| Блок вычислительный (БВ), устанавливается в помещении и имеет маркировку взрывозащиты “ExiaIIB”. Предназначен для сбора, предварительного преобразования и обработки информации параметров резервуаров (до 16), подготовки информации к представлению в единицах измерения и связи с внешними системами, |
| |
| Специализированный блок питания (БП), устанавливается в помещении и имеет маркировку взрывозащиты “ExiaIIB”, |
| |
| Блок индикации (БИ), настольного исполнения, устанавливается в помещении и предназначен для представления информации о параметрах нефтепродуктов в резервуарах и сообщений о состоянии системы на индикаторе 2 строки по 16 знаков. |
| |
| Устройство управления (УУ), устанавливается в помещении и предназначено для управления световой и звуковой сигнализацией, а также исполнительными механизмами, (от 1 до 64 каналов). Состоит из одного блока контроллера управления (БКУ) и до 4-х блоков коммутации нагрузки (БКН). |
| |
| Блок соединительный (БС), устанавливается в помещении и имеет маркировку “ExiaIIB”. Предназначен для подсоединения кабелей от преобразователей ППП к блоку БВ. |
| |
| Блок световой и звуковой сигнализации. |
| |
Технические характеристики
Диапазон измерения уровня (без плотности) мм от 150 до 4000
Диапазон измерения уровня (с плотностью), мм от 200 до 4000
Абсолютная погрешность измерения уровня мм ± 1,0
Порог чувствительности мм 0,2
Температурный диапазон эксплуатации ППП 0 С от - 40 до + 50
Абсолютная погрешность измерения температуры н/продукта "С ± 1,0
Диапазон измерения плотности 600-880 кг/м3:
- диапазон (АИ-80) кг/м3 от 690 до 760
- диапазон (АИ-92, АИ-95, АИ-98) кг/м3 от 715 до 785
- диапазон (ДТ) кг/м3 от 810 до 880
Абсолютная погрешность измерения плотности кг/м3 ± 1,5
Сигнализация наличия подтоварной воды на уровне мм 25
Количество контролируемых резервуаров шт. до 16
Длина кабеля от каждого резервуара до операторской М до 200
Количество выходов управления силовыми цепями на каждый резервуар шт. 4
Параметры цепи управления (коммутации):
силовые цепи В/А ~220/0,5
маломощные цепи (сухой контакт): В/А =27/0,5
=12/1,0
=5/1,5А
Питание:
Напряжение В 220+10-15%
потребляемый ток А 0,6
Условия поставки и ввод в эксплуатацию уровнемера “Струна-М”
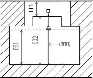
Для изготовления датчиков уровнемера “Струна-М” необходимо знать следующую информацию о резервуарах:
- максимальная высота взлива нефтепродукта в резервуаре Н1, (рис.1);
- расстояние от днища резервуара до крышки горловины Н2 (рис. 1);
- расстояние от крышки горловины до крышки приямка или крыши навеса контейнерных АЗС, H3 (рисунок 3);
- градуировочные таблицы на каждый резервуар (при необходимости);
- вид топлива в резервуаре (для датчиков плотности).
Рисунок 3.
Датчики уровнемера поставляются с крепежным фланцем, обеспечивающим герметичность и вертикальность установки его в резервуаре.















