Несинусоидальные токи (1077726)
Текст из файла
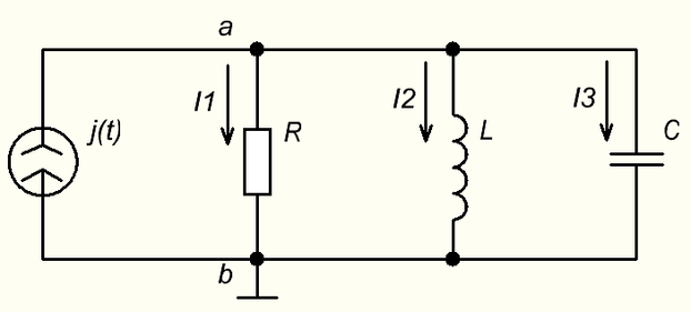
Задача 7.7
Схема питается от источника периодического несинусоидального тока частотой
, изменяющегося, как показано на рисунке. Ограничившись тремя составляющими ряда Фурье в выражении для
, найти токи в ветвях схемы, активную и полную мощности, развиваемые источником. Построить график
;
;
;
;
.
Разложим эту функцию в ряд Фурье:
Для
получим следующие значения:
Таким образом, рассматривая только три первые гармоники, можем представить ток источника в виде:
Теперь можем приступить к расчету токов в ветвях цепи отдельно для постоянной составляющей и для каждой гармоники. Примем потенциал узла b равным нулю
.
1. Постоянная составляющая.
Для постоянной составляющей сопротивление ветви с конденсатором равняется бесконечности, а сопротивление ветви с индуктивностью нулю, поэтому для постоянной составляющей ток через резистор и конденсатор равны нулю
, а постоянная составляющая тока через индуктивность равняется постоянной составляющей тока источника:
. Постоянная составляющая напряжения на индуктивности равняется нулю:
.
2. Первая гармоника.
Для первой гармоники реактивные сопротивления равняются
,
. Комплекс действующего значения тока первой гармоники источника имеет вид:
. Так как
составим уравнение для узла a:
Подставляя числовые значения и учитывая, что
, получим:
Найдём токи в ветвях для первой гармоники:
Соответственно:
3. Вторая гармоника.
Для второй гармоники реактивные сопротивления равняются
,
. Комплекс действующего значения тока второй гармоники источника имеет вид:
. Так как
составим уравнение для узла a:
Подставляя числовые значения и учитывая, что
, получим:
Найдём токи в ветвях для второй гармоники:
Соответственно:
4. Третья гармоника.
Для третьей гармоники реактивные сопротивления равняются
,
. Комплекс действующего значения тока второй гармоники источника имеет вид:
. Так как
составим уравнение для узла a:
Подставляя числовые значения и учитывая, что
, получим:
Найдём токи в ветвях для второй гармоники:
Соответственно:
Таким образом, ток через индуктивность равняется:
Токи в остальных ветвях схемы:
5. Активная и полная мощность, развиваемые источником.
Несинусоидальный ток источника в разложении в ряд Фурье, ограниченный третьей гармоникой, как было найдено ранее, имеет следующий вид:
Поэтому действующие значения тока источника для постоянной составляющей и трёх первых гармоник равняются:
Постоянная составляющая напряжения на источнике тока равняется нулю, так как сопротивление индуктивности для первой гармоники равняется нулю:
Найдём значения трёх первых гармоник напряжения на источнике тока, учитывая, что потенциал узла b равняется нулю:
Теперь мы можем определить активную мощность, развиваемую источником:
Действующее значение тока и напряжения на зажимах источника тока:
Полная мощность, развиваемая источником:
Ответ:
Токи в ветвях цепи:
Активная мощность, развиваемая источником:
Полная мощность, развиваемая источником:
Характеристики
Тип файла документ
Документы такого типа открываются такими программами, как Microsoft Office Word на компьютерах Windows, Apple Pages на компьютерах Mac, Open Office - бесплатная альтернатива на различных платформах, в том числе Linux. Наиболее простым и современным решением будут Google документы, так как открываются онлайн без скачивания прямо в браузере на любой платформе. Существуют российские качественные аналоги, например от Яндекса.
Будьте внимательны на мобильных устройствах, так как там используются упрощённый функционал даже в официальном приложении от Microsoft, поэтому для просмотра скачивайте PDF-версию. А если нужно редактировать файл, то используйте оригинальный файл.
Файлы такого типа обычно разбиты на страницы, а текст может быть форматированным (жирный, курсив, выбор шрифта, таблицы и т.п.), а также в него можно добавлять изображения. Формат идеально подходит для рефератов, докладов и РПЗ курсовых проектов, которые необходимо распечатать. Кстати перед печатью также сохраняйте файл в PDF, так как принтер может начудить со шрифтами.
















