Записка (1074757), страница 7
Текст из файла (страница 7)
Рис. 16. Операционный элемент №8.
-
Операционный элемент №9.
Машинные слова, используемые в операционном элементе № 9 представлены в таблице 38.
Таблица 38. Машинные слова ОЭ №9.
| Наименование и формат слова | Тип слова | Поля | Пояснения |
| D (0:7) | Целое или логич. | —— | Аккумулятор для промежуточных вычислений |
| A (0:7) | Целое или логич. | —— | Первый операнд, используется как целое или логическое значение |
| B (0:7) | Целое или логич. | —— | Второй операнд, используется как целое или логическое значение |
| C (0:7) | Целое или логич. | —— | Результат выполнения операций |
Машинные операции, выполняемые операционным элементом № 9 представлены в таблице 39.
Таблица 39. Машинные операции ОЭ №9.
| Машинная операция | Управляющие сигналы |
| D: =¬A | Y36, Y14 |
| D: =¬B | Y36, Y8, Y14 |
| D: =¬C | Y36, Y8, Y14 |
| D: = A+1 | Y36, Y12 |
| D: =B+1 | Y36, Y8, Y12 |
| D: =C+1 | Y36, Y9, Y12 |
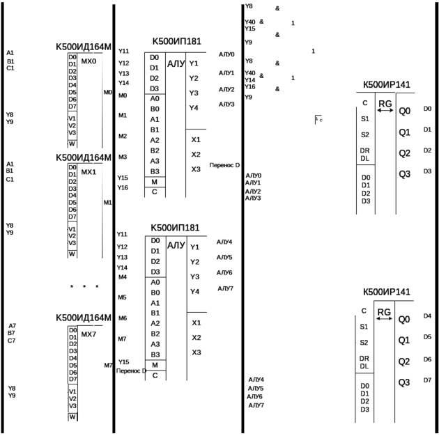
Операционный элемент № 9 состоит из:
-
двух регистров С на основе МС К500ИР141; 2 регистра нужны, так как в этой серии МС нет регистра на 8 входов. Эти регистры объединены по входам переноса.
-
Двух АЛУ для арифметических и логических операций над операндами – МС К500 ИП181;
-
8-ми мультиплексоров МС K500 ИД164 для выбора первого операнда, который с шины будет поступать в АЛУ- это либо D , либо А, второй операнд фиксирован-это В. Выбор осуществляется на основе управляющих сигналов.
-
вспомогательных элементов ИЛИ, И и НЕ – для построения промежуточных условий.
Ниже приведена таблица 40, в которую сведены все используемые элементы и отражено состояние их входов в зависимости от управляющих сигналов и операций. Отражено состояние только одного мультиплексора, остальные идентичны. Аналогично для регистров и АЛУ.
Таблица 40. Синтез операционного элемента №9.
| Управляющие сигналы | микрооПера ция | Регистр № 1 | Мультиплексор№1 | АЛУ №1 | |||||||||||||||||||
| C | S1 | S2 | 0 | 1 | 2 | 3 | D0 | D1 | D2 | V1 | V2 | V3 | D0 | D1 | D2 | D3 | A0 | A1 | A2 | A3 | |||
| Y40, Y15 | D:=¬A | Y40Y15 | ¬C | ¬C | АЛУ0 | АЛУ1 | АЛУ2 | АЛУ3 | A0 | * | * | 0 | 0 | 0 | 0 | 0 | 0 | 1 | М0 | М1 | М2 | М3 | |
| Y40, Y8, Y15 | D:=¬В | Y40Y15Y8 | ¬C | ¬C | АЛУ0 | АЛУ1 | АЛУ2 | АЛУ3 | * | B0 | * | 1 | 0 | 0 | 0 | 0 | 0 | 1 | М0 | М1 | М2 | М3 | |
| Y40, Y9, Y15 | D:=¬C | Y40Y15Y9 | ¬C | ¬C | АЛУ0 | АЛУ1 | АЛУ2 | АЛУ3 | * | * | C0 | 0 | 1 | 0 | 0 | 0 | 0 | 1 | М0 | М1 | М2 | М3 | |
| Y40, Y14, Y16 | D:=A+1 | Y40Y14, Y16 | ¬C | ¬C | АЛУ0 | АЛУ1 | АЛУ2 | АЛУ3 | A0 | * | * | 0 | 0 | 0 | 0 | 1 | 0 | 0 | М0 | М1 | М2 | М3 | |
| Y40, Y8, Y14, Y16 | D:=В+1 | Y40Y14Y16Y8 | ¬C | ¬C | АЛУ0 | АЛУ1 | АЛУ2 | АЛУ3 | * | B0 | * | 1 | 0 | 0 | 0 | 1 | 0 | 0 | М0 | М1 | М2 | М3 | |
| Y40, Y9, Y14, Y16 | D:=C+1 | Y40Y14Y16Y9 | ¬C | ¬C | АЛУ0 | АЛУ1 | АЛУ2 | АЛУ3 | * | * | C0 | 0 | 1 | 0 | 0 | 1 | 0 | 0 | М0 | М1 | М2 | М3 | |
Схема операционного элемента №9 приведена на рис. 17.
Рис. 17. Операционный элемент №9.
-
Операционный элемент №10.
Операционный элемент № 10 состоит из:
-
двух D-триггеров, которые хранят значения знаков слов А и В (МС К500ТМ131Т).
-
двух элементов И.
Машинные операции, выполняемые операционным элементом № 10 представлены в таблице 41.
Таблица 41. Машинные операции ОЭ №10.
| Машинная операция | Управляющие сигналы |
| ТзнА: =A(0) | Y32 |
| ТзнВ: =B(0) | Y33 |
Схема операционного элемента №10 приведена на рис. 18.
Рис. 18. Операционный элемент №10.
-
Операционный элемент №11.
Операционный элемент № 11 состоит из:
-
счетчика, который считает итерации при «умножении».
-
нескольких элементов И и ИЛИ для сборки логического условия для проверки условия СЧ=0.
Ниже приведена таблица 42, которая показывает, какие значения появляются на входах счетчика при подаче управляющих сигналов.
Схема формирует логическое условие Сч==0 в том случае, если значение в счетчике уменьшилось до 0.
Таблица 42 . Синтез операционного элемента №11
| Управляющие сигналы | Машинная операция | Счетчик №1 | ||||||
| С | S1 | S2 | D0 | D1 | D2 | D3 | ||
| Y30 | Сч:= 8 | Q0 | 0 | 0 | 1 | 1 | 1 | 0 |
| Y31 | Сч = Сч-1 | Q0 | 1 | 0 | * | * | * | * |
Схема операционного элемента №11 приведена на рис. 19.
Рис. 19. Операционный элемент №11.
-
Операционный элемент №12.
Машинные слова, используемые в операционном элементе № 12 приведены в таблице 43.
Таблица 43. Машинные слова ОЭ №12.
| Наименование и формат слова | Тип слова | Поля | Пояснения |
| B (7:0) | Целое или логич. | —— | Старшие разряды результата |
| C (7:0) | Целое или логич. | —— | Младшие разряды результат |
| Швых(0:7) | Целое | —— | Выходная шина |
Машинные операции, выполняемые операционным элементом № 12 приведены в таблице 44.
Таблица 44. Машинные операции ОЭ №12.
| Машинная операция | Управляющие сигналы |
| Швых:=В | Y26 |
| Швых:=С | Y27 |
Операционный элемент № 12 состоит из:
-
двух регистров С на основе МС К500ИР141; 2 регистра нужны, так как в этой серии МС нет регистра на 8 входов. Эти регистры объединены по входам переноса.
-
8-ми мультиплексоров МС K500 ИД164 для выбора первого операнда, который с шины будет поступать в АЛУ- это либо D , либо А, второй операнд фиксирован-это В. Выбор осуществляется на основе управляющих сигналов.
-
вспомогательных элементов ИЛИ, И и НЕ.
Ниже приведена таблица 45, в которую сведены все используемые элементы и отражено состояние их входов в зависимости от управляющих сигналов и операций. Отражено состояниея регистра и мультиплексора.
















