Курс.раб.вар_49 (1074745), страница 2
Текст из файла (страница 2)
| Операция | У40 | MB У41 | У42 | Т1 | Т2 | T3 | Т4 | Т5 | PrD | Сч | Мвых | ||||||
| Ую | Уп | У12 | у!з | У14 | У15 | У16 | У17 | У34 | У35 | У-»2 | У^з | У20 | У 21 | ||||
| ГОТ =0 | 1 | 0 | |||||||||||||||
| ГОТ =1 | 0 | 1 | |||||||||||||||
| ЗАН =0 | 1 | 0 | |||||||||||||||
| ЗАН =1 | 0 | 1 | |||||||||||||||
| ЗАПР =0 | 1 | 0 | |||||||||||||||
| ЗАПР =1 | 0 | 1 | |||||||||||||||
| РЕЗ =0 | 1 | 0 | |||||||||||||||
| РЕЗ = 1 | 0 | 1 | |||||||||||||||
| А =ТТТВх | |||||||||||||||||
| В =ШВх | |||||||||||||||||
| В =0 | |||||||||||||||||
| В=В+1 | |||||||||||||||||
| В =L1(B C[7]) | |||||||||||||||||
| С =0 | |||||||||||||||||
| С =А-В | о | о | 0 | ||||||||||||||
| С -А+В | |||||||||||||||||
| С -В-А | о | о | 1 | ||||||||||||||
| С =AvB | |||||||||||||||||
| С =AvB | |||||||||||||||||
| С =АлВ | |||||||||||||||||
| С =АлВ | |||||||||||||||||
| С =L1(CO) | |||||||||||||||||
| С -С+А | о | 1 | 1 | ||||||||||||||
| 0 =ИШх | 1 | ||||||||||||||||
| ЗнА==0 | о | 1 | 0 | ||||||||||||||
| ЗнА-1 | о | 1 | 0 | ||||||||||||||
| ЗнВ=0 | о | 1 | 0 | ||||||||||||||
| ЗнВ -ЗнВФТр | 1 | о | 0 | ||||||||||||||
| ЗнС-0 | о | 1 | 1 | ||||||||||||||
| ЗнС=1 | о | 1 | 1 | ||||||||||||||
| ЗнС = ЗнСФЗнА | о | 1 | 1 | ||||||||||||||
| ЗнА = ЗнАФТр | 1 | 0 | 0 | ||||||||||||||
| Сч =6 | 1 | 1 | |||||||||||||||
| Сч = Сч - 1 | 1 | 0 | |||||||||||||||
| Тр ==ЗнАФ ЗнВ | 1 | ||||||||||||||||
| Швых -В | о | 1 | |||||||||||||||
| Швых = С | 1 | 1 | |||||||||||||||
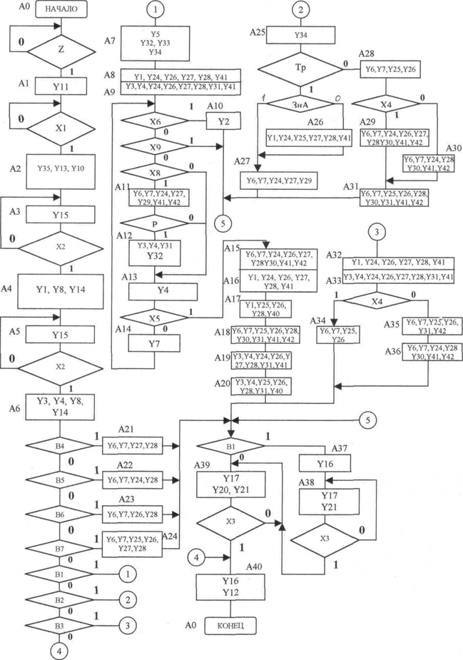
4.2. Закодированный граф обобщенной микропрограммы.
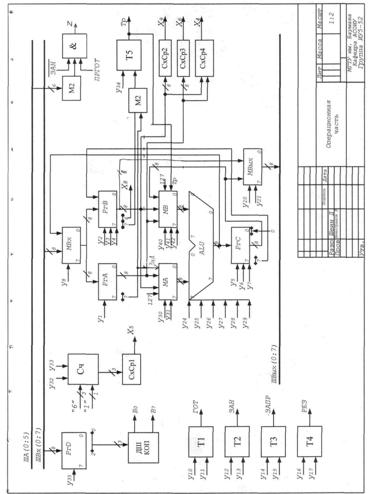
8. Анализ схемы операционной части.
В соответствии с полученной обобщенной микропрограммой, списками слов и логических условий разрабатываем структурную схему операционной части ВУ.
На обобщенной схеме операционной части представлены все необходимые для реализации заданных операций функциональные блоки и связи между ними. Функциональное назначение каждого из этих блоков описывается ниже:
• РгА, РгВ - регистры для хранения загруженных операндов и промежуточных результатов при сложных вычислениях. Так, при вычислении произведения двух чисел в регистре В храниться необработанная часть множителя и несколько старших битов результата.
• РгС - регистр для хранения окончательных или промежуточных результатов. При выполнении всех логических операций в регистре С сразу формируется результат вычислений, а при расчете произведения двух чисел в нем храниться младшая часть слова результата.
• АЛУ - используется для выполнения всех промежуточных и окончательных расчетов над подаваемыми на его входы операндами.
• МА - мультиплексор, подающий на входы первого операнда АЛУ одно из следующих значений в зависимости от управляющих сигналов: значение слова из регистра А, значение слова из регистра В (это нужно для операции С:=В-А), константу 127 (7Fh).
• MB - мультиплексор, подающий на входы второго операнда АЛУ одно из следующих значений в зависимости от управляющих сигналов: значение слова из регистра В, либо из регистра С, значение слова из регистра А, константу 127, знак результата при умножении или вычитании.
• МВх - мультиплексор, определяющий какое значение будет подано на входы регистров А и В: с шины входа (для загрузки операндов) или с выходов АЛУ
• МВых - мультиплексор, служащий для выдачи результатов на шину выхода. Этот мультиплексор большую часть времени находится в высокоимпедансном режиме, а когда требуется выдать слово результата переключает на шину выхода либо линии с регистра В, либо с регистра С.
• Т1-Т4 - триггеры, предназначенные для генерации выходных сигналов ГОТ, ЗАН, ЗАПР и РЕЗ соответственно
• PrD - регистр в котором хранится КОП.
• Сч - четырехразрядный (можно было бы и трехразрядный, но в серии К 15 5 таких счетчиков нет) двоичный счетчик, используется для организации циклов в микропрограмме.
• CxCpl - схема сравнения текущего значения счетчика с нулем, генерирует логическое условие Х4
• СхСр2, CxCpl - схемы сравнения текущего значения регистра В или А с нулем, генерирует логическое условие Х9 или X6
• Т5 - триггер хранящий знак результата при выполнении операции умножения, получающийся сложением по модулю два знаков операндов (ЛЭ М2 рядом)
• М2 - схема сравнения номера выставленного на тумблерном регистре с адресом на шине данных, выдает логическую единицу, если обнаруживается совпадение. Не путать с ЛЭ сложения по модулю два.
• & - логический элемент конъюнкция формирует логическое условие ЗАХВАТ (Z)
Для запуска ВУ внешнее управляющее устройство задает номер требуемого ВУ на ША и устанавливает сигнал ПРГОТ. В операционной части схема сравнения М2 при совпадении номера на ША с номером ВУ устанавливает логическую единицу на выходе. Если при этом установлен сигнал ПРГОТ и сброшен триггер Т2, т.е. сигал ЗАН равен нулю (что свидетельствует о том, что в текущий момент ВУ не занято вычисления-
ми), то в операционной части формируется сигнал 3AXBAT(Z). По этому сигналу в управляющей части начинается выполнение алгоритма работы ВУ. Все дальнейшие операции выполняются по командам управляющей части ВУ, которые представляют собой комбинации управляющих сигналов.
На начальном этапе работы ВУ по алгоритму в регистр D с входной шины данных загружается значение слова, содержащего двоичный код. Из поля КОП регистра D извлекается значение двоичного кода операции и подается на дешифратор ДШ КОП, который формирует сигналы выбора операции Bi - By. В зависимости от этих сигналов в управляющей части ВУ происходит изменение последовательности выполнения алгоритма для вычисления требуемого значения.
Следующим этапом работы алгоритма является загрузка операндов. Загрузка осуществляется в регистры А и В с входной шины данных. При этом мультиплексор МВх переводится в режим, при котором на выход переключается вход с внешней шины данных. Для записи этих данных в один из регистров (А или В) из управляющей части ВУ подаются соответствующие управляющие сигналы.
На этих этапах и при выдаче результатов для информирования внешнего устройства и запросе данных от него используются управляющие сигналы ГОТ, ЗАН, ЗАПР, РЕЗ, которые фиксируются в триггерах Т1 - Т4.
Для проведения вычислений кроме регистров операндов А и В используются мультиплексоры МА, MB, регистр результата С и АЛУ.
При реализации логических операций и простых арифметических операций операнды в первоначальном виде через соответствующие мультиплексоры, настроенные на режим прямой передачи, попадают на входы операндов АЛУ. АЛУ, настроенное на выполнение требуемой операции соответствующим набором управляющих сигналов, формирует результат на выходе, который фиксируется в регистре результата С. Результат вычислений, доступный на выходе АЛУ, возможно также зафиксировать не только в регистре С, но и в регистре В или А, подав соответствующие управляющие сигналы и переключив мультиплексор МВх в режим передачи результата.
















