вар 20 (1074196)
Текст из файла
Задание №20
ПРОЕКТИРОВАНИЕ И ИССЛЕДОВАНИЕ МЕХАНИЗМОВ БУРОВОЙ УСТАНОВКИ
Краткое описание установки
Буровая установка состоит из двигателя дизеля Д и бyрового станка БС, связанных между собой клиноременной передачей (рис. 20—1). При бурении движение колонны труб
Рис. 20—1.Общий вид буровой установки
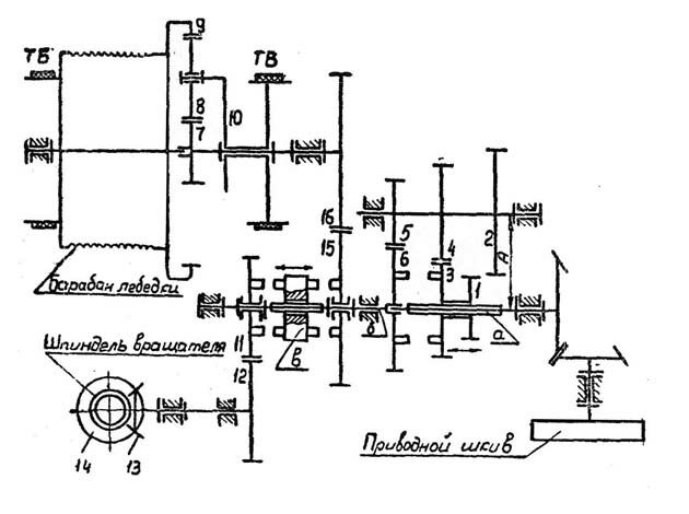
буровым инструментом на конце осуществляется при помощи вращателя В, связанного с приводным шкивом станка системой зубчатых механизмов (рис. 20—2). Подъем буровoгo инструмента и труб из скважины и опускание их в сква-
Рис. 20—2. Кинематическая схема бурового станка
жину осуществляются при помощи лебедки Л (рис. 20—1). Двигатель дизеля представляет собой одноцилиндровую, Вертикальную, двухтактную машину, основным механизмом которой является кривошипно-ползунный (рис. 20—3). Продолжительность цикла работы двухтактного двигателя соответствует одному обороту его коленчатого вала. Изменение давления газа на поршень в процессе движения поршня представлено индикаторной диаграммой (рис. 20—4), данные для пестроеиия которой приведены в табл. 20—2.
Момент сопротивления при бурении и момент собственных потерь двигателя не зависят от угла поворота вала.
Очистка рабочего цилиндра двигателя от продуктов сгорания производится через выхлопные клапаны, которые принудительно открываются по заданному закону (рис. 20—5 а) посредством кулачкового механизма с качающимся толкателем (рис. 20—3). Кулачковый вал, кинематически связан- ный с коленчатым валом посредством зубчатой передачи (не показана на рис. 20—3), должен в двухтактном двигателе вращаться с той же угловой скоростью, что и коленчатый вал. Выхлопные клапаны начинают открываться, когда коленчатый вал не дошел до нижней мертвой точки на угол и окончательно закрываются, когда коленчатый вал пoвернулся после нижней мертвой точки на угол " (рис. 20—5б). Таким образом, работа клапанов строго увязана по фазам с вращением коленчатого вала, а следовательно, и с движением поршня.
Рис. 20-3. Поперечный разрез двигателя
Движение от приводного шкива станка (рис. 20—2) через коническую зубчатую передачу передается на первичный вал а коробки скоростей, откуда через зубчатые колеса 3—4 и 5—6 — на вторичный вал б, вдоль которого по шлицам может перемещаться кулачковая муфта в. На вторичном валу свободно сидят два колеса 11 и 15. При бурении кулачковая муфта передвинута в крайнее левое положсние, вследствие чего ее кулачки введены в зацепление с кулачками зубчатого колеса 11, которое получает, таким образом, вращение. Далее движение через зацепление 11—12 и конические колеса 13—14 будет передано вертикальному шпинделю вращателя бурового станка. В то же время колесо 15 не будет вращаться, так как его кулачки не будут находиться в зацеплении с кулачками муфты. Следовательно, при бурении планетариый механизм лебедки и ее барабан остаются неподвижными.
Если бурение производится в твердой породе, то скорость вращения шпинделя надо уменьшить. Для этого перемещением блока зубчатых колес 1—3 колеса 3—4 выводятся нз зацепления, а колеса 1—2 вводятся в зацепление. Для ускорения вращения шпинделя (при бурении в мягкой породе) блок зубчатых колес 1—3 передвигается в крайнее левое положение, в результате чего кулачки колеса 3 вводятся в зацепление с кулачками колеса 6; таким образом, первичный и вторичный валы коробки скоростей соединяются непосредственно.
При подъеме и опускании бурового инструмента и бурильных труб кулачковая муфта в передвинута в крайнее пpaвoe положение, и колесо 15 получает вращение. В то же
Рис. 20—4. Индикаторная диаграмма двигателя
время колесо 11, а следовательно, и шпиндель вращателя отсоединены от вторичного вала и неподвижны. Движение от колеса 15 через зацепление 15—16 передается колесу 7 планетарного механизма лебедки.
При подъеме тормоз барабана ТБ отпущен, а тормоз водила ТВ затянут, поэтому водило 10 остановлено и ось колеса 8 неподвижна. При этом механизм лебедки работает как обычная рядовая передача. При спуске тормоз водила ТВ отпускается, водило начинает вращаться, так что механизм лебедки превращается в планетарный и работает как дифференциал. Скорость вращения барабана при спуске регули- руется тормозом ТБ.
Объем и содержание курсового проекта
Лист 1. Проектирование основного механизма двигателя и определение его закона движения
-
Определение основных размеров звеньев механизма по заданным условиям (средняя скорость поршня; число оборотов вала в минуту; отношение длины шатуна к длине криошипа).
-
Определение необходимого момента инерции маховых масс, обеспечивающих вращение коленчатого вала при установившемся режиме с заданным коэффициентом неравноерности. Определение момента инерции дополнительной маховой массы (маховика), устанавливаемой на коленчатом валу.
-
Построение диаграммы изменения угловой скорости коленчатого вала за время одного цикла установившегося режима работы.
Основные результаты расчета привести в табл. 1—1 (Приложение I).
Примечание. Веса звеньев и их моменты инерции даны приближенно. Центр тяжести коленчатого вала находится на его оси вращения, а центр тяжести поршня — в точке В.
Лист 2. Силовой расчет основного механизма двигателя с учетом динамических нагрузок
-
Определение углового ускорения звена приведения по уравнению движения в дифференциальной форме (на осно- вании исследования, выполненного на листе 1 проекта) в положении механизма, соответствующем заданному углу 1. Определение линейных ускорений центров тяжести и угло- вых ускорений звеньев.
-
Построение картины силового нагружения механизма.
-
Определение сил в кинематических парах механизма.
-
Оценка точности расчетов, выполненных на листах 1 и 2 проекта, по уравнению моментов или уравнению сил для ведущего или ведомого звена механизма.
Основные результаты расчета привести в табл. 1-2 (Приложение I).
Лист 3. Проектирование кулачкового механизма привода выхлопного клапана
-
Построение кинематических диаграмм движения толкателя (ускорения, скорости, перемещения) с учетом заданного закона изменения тангенциального ускорения центра ролика толкателя (рис.20—5 а).
-
Определение основных размеров кулачкового механизма наименьших габаритов с учетом максимально допустимого угла давления доп.
-
Построение профиля кулачка (центрового и конструктивного).
-
Построение диаграммы угла давления в функции угла поворота кулачка.
Основные результаты расчета привести в табл. 1—3 (Приложение-1).
Рис. 20—5. а) Закон изменения ускорения центра ролика толкателя. б) Циклограмма фаз работы выхлопного клапана
Лист 4. Проектирование зубчатой передачи 1-й ступени коробки скоростей и планетарного механизма лебедки
-
Выполнение геометрического расчета эвольвентной зубчатой передачи Z1, Z2 (рис. 20—2).
-
Построение схемы станочного зацепления при нарезании колеса с меньшим числом зубьев и профилирование зуба (включая галтель) методом огибания.
-
Вычерчивание схемы проектируемого зацепления с указанием основных размеров и элементов колес и передачи.
-
Проектирование планетарного механизма (подбор чисел зубьев) по заданному передаточному отношению механизма и числу сателлитов (рис. 20—2). Допустимое отклоение iред± 5%. Колеса механизма нулевые.
-
Построение треугольников линейных скоростей для звеньев планетарного механизма при работе лебедки на подъем бурового инструмента из скважины и при работе на спуск. Графическое определение угловых скоростей всех звеньев планетарного механизма при подъеме и спуске и передаточного отношения i7-9 при подъеме.
Основные результаты расчета привести в табл. 1—4 (Приложение I).
Примечание. При подъеме водило планетарного механизма заторможено. При этом передаточное отношение i7—9 должно быть на единицу меньше заданного передаточного отношения, i7—10. При спуске угловая скорость барабана лебедки в 2 раза больше, чем при подъеме; при спуске и подъеме угловая скорость колеса 7 одинакова.
| № | Наименование параметра | Обозначение | Единица СИ | Численные значения для вариантов | ||||
| А | Б | В | Г | Д | ||||
| 1 | Средняя скорость поршня | vср | м/с | 4,4 | 4,2 | 4,0 | 3,8 | 3,6 |
| 2 | Отношение длины шатуна к длине кривошипа | lAB/lOA | - | 4,4 | 4,4 | 4,4 | 4,4 | 4,4 |
| 3 | Отношение расстояния от точки А до центра тяжести шатуна к длине шатуна | lAS2/lAB | - | 0.32 | 0.32 | 0.32 | 0.32 | 0.32 |
| 4 | Диаметр цилиндра | d | м | 0.18 | 0.19 | 0.20 | 0.21 | 0.22 |
| 5 | Число оборотов коленчатого вала | n1 | об/мин | 550 | 525 | 500 | 475 | 450 |
| 6 | Максимальное давление в цилиндре двигателя | pmax | МПа | 0,440 | 0,440 | 0,440 | 0,440 | 0,440 |
| 7 | Вес шатуна | G2 | Н | 162 | 180 | 200 | 221 | 242 |
| 8 | Вес поршня | G3 | Н | 243 | 271 | 300 | 331 | 362 |
| 9 | Момент инерции шатуна относительно оси, проходящей через его центр тяжести | I2S | кг·м2 | 0.81 | 0.90 | 1,0 | 1,1 | 1,21 |
| 10 | Момент инерции коленчатого вала (без маховика) | I'10 | кг·м2 | 1,82 | 2,03 | 2,25 | 2,48 | 2,72 |
| 11 | Коэффициент неравномерности вращения коленчатого вала | | - | 1/120 | 1/110 | 1/100 | 1/90 | 1/80 |
| 12 | Угловая координата кривошипа для силового расчета (угол BOA на рис. 20—3) | 1 | град | 30 | 60 | 90 | 60 | 30 |
| 13 | Ход центра ролика толкателя (точки Т) кулачкового механизма (по дуге) | h | м | 0.016 | 0.017 | 0.018 | 0.019 | 0.020 |
| 14 | Длина коромысла толкателя | lCT | м | 0.064 | 0.068 | 0.072 | 0.076 | 0.08 |
| 15 | Радиус ролика толкателя | Rp | м | 0.013 | 0.014 | 0.015 | 0.016 | 0.017 |
| 16 | Угловая координата начала открытия выхлопного клапана (рис. 20—56) — начала подъема толкателя | ' | град | 0,09 | 0,095 | 0,10 | 0,105 | 0,11 |
| 17 | Угловая координата конца закрытия выхлопного клапана — конца спуска толкателя | " | град | 0.064 | 0.068 | 0.072 | 0.076 | 0.08 |
| 18 | Максимально допустимый угол давления в кулачковом механизме | доп | град | 36 | 38 | 40 | 42 | 44 |
| 19 | Межосевое расстояние в коробке передач (рис. 20—2) | A | мм | 156 | 148 | 140 | 136 | 132 |
| 20 | Передаточное отношение первой ступени (рис. 20—2) | i12 | - | 1.7 | 1.6 | 1.5 | 1.4 | 1.3 |
| 21 | Модуль зубчатых колес 1и 2 | m | мм | 8 | 8 | 8 | 8 | 8 |
| 22 | Передаточное отношение планетарного механизма от колеса 7 к водилу 10 в случае, когда барабан лебедки неподвижен | i7-10 | - | 3.5 | 3.8 | 4.0 | 4.2 | 4.5 |
| 23 | Модуль зубчатых колес планетарного механизма | m' | мм | 8 | 8 | 8 | 8 | 8 |
| 24 | Число сателлитов в планетарном механизме | K | - | 3 | 3 | 3 | 3 | 3 |
| 25 | Число оборотов барабана лебедки в минуту при подъеме (на 1-й ступени коробки скоростей) | n1 | об/мин | 23 | 22 | 22 | 22 | 21 |
| 26 | Параметры исходного контура реечного инструмента | 0 | град | 20 | 20 | 20 | 20 | 20 |
| xи | - | 1 | 1 | 1 | 1 | 1 | ||
| xc | - | 0,25 | 0,25 | 0,25 | 0,25 | 0,25 | ||
Характеристики
Тип файла документ
Документы такого типа открываются такими программами, как Microsoft Office Word на компьютерах Windows, Apple Pages на компьютерах Mac, Open Office - бесплатная альтернатива на различных платформах, в том числе Linux. Наиболее простым и современным решением будут Google документы, так как открываются онлайн без скачивания прямо в браузере на любой платформе. Существуют российские качественные аналоги, например от Яндекса.
Будьте внимательны на мобильных устройствах, так как там используются упрощённый функционал даже в официальном приложении от Microsoft, поэтому для просмотра скачивайте PDF-версию. А если нужно редактировать файл, то используйте оригинальный файл.
Файлы такого типа обычно разбиты на страницы, а текст может быть форматированным (жирный, курсив, выбор шрифта, таблицы и т.п.), а также в него можно добавлять изображения. Формат идеально подходит для рефератов, докладов и РПЗ курсовых проектов, которые необходимо распечатать. Кстати перед печатью также сохраняйте файл в PDF, так как принтер может начудить со шрифтами.















