Резьбы (1073623), страница 2
Текст из файла (страница 2)
Круглыми плашками нарезают наружную резьбу как вручную, так и на станках. Поскольку нарезание ведут в один проход, плашки мало пригодны для резьб с крупным шагом. Как и метчики плашки закрепляют в державках и патронах жестких либо плавающих.
Рис. 9 Нарезание резьбы плашкой, закрепленной в плашкодержателе.
1 – плашкодержатель, 2 – державка, 3 – упорная планка.
Новая плашка при нормальных условиях работы должна нарезать резьбу 2-го класса точности; практически точность изготовления резьб плашкой соответствует 3-му классу точности.
4. Нарезание наружной резьбы резьбонарезными головками
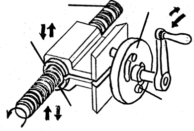
В серийных и массовых производствах вместо плашек пользуются самораскрывающимися резьбонарезными головками. Это основной инструмент, применяемый в операциях, выполняемых на револьверных станках и автоматах. Режущий инструмент, применяемый в головках, называют гребенкой. Наибольшее распространение получили головки с круглыми гребенками как более экономичные (рис. 10).
В
корпусе 1 головки имеются радиальные пазы, в которых скользят кулочки с закрепленными на них резьбовыми дисковыми гребенками 2. Корпус головки закрепляется хвостовиком, например, в задней бабке токарного станка, и подачу для врезания гребенок осуществляют маховичком задней бабки. Дальнейшая подача головки происходит самозатягиванием вдоль оси. После нарезания резьбы на полную длину головку раскрывают поворотом рукоятки 3 (гребенки радиально расходятся) и отводят от нарезанного стержня без вывинчивания. Скорость резания при нарезании резьбы головками 15-20 м/мин. Нарезание головкой дает резьбу 2-го класса точности, головки обладают высокой стойкостью, допускают большое число переточек и обеспечивают производительность в 2-4 раза большую, чем при нарезании круглой
Р
ис. 10 Самораскрывающаяся резьбонарезная головка.
а – общий вид, б – схема работы гребенок;
1 – корпус, 2 – дисковая гребенка, 3 – рукоятка механизма раскрывания головки.
плашкой.
5. Нарезание резьбы резцами неподвижно закрепленными в суппорте.
Нарезание резьбы резцами чаще всего производят на токарно-винторезных станках.
Для нарезания резьбы резцом на токарном станке необходимо обеспечить жесткую кинематическую связь между вращением шпинделя 2 (а с ним и заготовки 1) и перемещением резца 6, таким образом, чтобы за один оборот заготовки (детали) перемещение резца равнялось шагу резьбы S (рис. 11). Эту связь обеспечивает гитара сменных зубчатых колес 3, ходовой винт 4 и разъемная гайка 5. Разъемная гайка состоит из двух половинок (полугаек) 1 и 2 (рис. 12), которые при включении поступательного движения суппорта замыкаются в винте. У токарно-винторезных станков такая гайка находится в фартуке суппорта. Замыкание и размыкание полугаек осуществляется при помощи диска 3 со спиральными прорезями и пальцев 4, связанных с полугайками. Диск 3 поварачивают рукояткой 5.
Р
ис.11 Схема нарезания резьбы резцом на токарно – винторезном станке.
1 – заготовка, 2 –поводковый патрон с центром, 3 – гитара ,4 – ходовой винт, 5 – разъемная гайка, 6 – резец, 7 ,– суппорт, 8 – направляющая станины.
Нарисовать стрелку вращения заготовки
Рис.12 Конструкция разъемной гайки.
1,2 – полугайки, 3 – диск со спиральными прорезями,
4 – палец полугайки, 5 – рукоятка.
За один оборот ходового винта суппорт 7 (рис. 11) переместится на шаг этого винта S х. В. , резьбу заданного шага Sp. получают при условии Sp. = S х. В. n х. В, где n Х. В. – число оборотов ходового винта. n х в. зависит от числа оборотов в минуту шпинделя n ш п. и передаточного отношения i передачи 3 от шпинделя к ходовому винту: n х. В.= n ш п. i или S р = S х. в. n ш п. i.
Резьбовые резцы бывают быстрорежущие и твердосплавные для нарезания наружных и внутренних резьб. Профиль резьбового резца соответствует профилю нарезаемой резьбы, для метрических резьб угол профиля 600. В процессе резания возможна некоторая “разбивка” профиля резьбы. Поэтому фактически профиль резца занижается: для резцов из быстрорежущей стали на 10-20' ,для твердосплавных резцов на 20-30'. Передний угол для чистовых резцов принимается равным нулю, а для черновых 5-100. Задний угол 1 и 2 принимается 3-50, что автоматически образует задний угол при вершине резца = 12-150 (рис.13).
Рис. 13. Однониточный стержневой резьбовой резец.
Для уменьшения числа и упрощения процесса переточек, а также сокращения времени на замену резца широко применяют призматические и дисковые резьбовые резцы (рис. 14).
Рис. 14. Резьбовые резцы, затачиваемые по передней поверхности.
а – призматический, б – дисковой.
Для повышения производительности труда применяют резьбовые гребенки, по профилю напоминающие метчик, т.е. имеющие заборную часть с постоянно возрастающей высотой элементарных резьбовых резцов и калибрующую часть (рис.15). Таким инструментом резьба нарезается на полный профиль за один ход. В конструкции детали необходимо предусматривать место для выхода такого инструмента.
Процесс нарезания резьбы. У с т а н о в к у р е з ц а производят по шаблону (рис.16). Передняя поверхность его устанавливается в плоскости проходящей через ось детали. Биссектриса угла профиля резца должна быть перпендикулярна оси нарезаемой поверхности. Для этого пользуются шаблоном (рис.16 а и б). Шаблон прикладывают к заготовке на уровне ее оси, и резец вводят в профильный вырез шаблона. Правильное положение режущих кромок резца проверяют на “просвет” по шаблону, затем резец закрепляют и убирают шаблон.
а) стержневая, б) призматическая, в) круглая для наружных резьб, г) круглая для внутренних резьб, l r – заборная часть гребенки.
Рис.16 Установка резьбового резца по шаблону
а) при нарезании наружной резьбы
б) при нарезании внутренней резьбы
Рабочие ходы при нарезании резьб резцом. Резьбу нарезают за несколько рабочих ходов: после каждого хода резец выводят из канавки, суппорт возвращают в исходное положение и вновь начинают ход. Число ходов и глубина врезания для каждого хода зависят от шага нарезаемой
резьбы и материала резьбового резца. Например, для резьбы шага 2 мм при нарезании резьбы резцом P18 рекомендуется 5-6 черновых и 3 чистовых хода, при нарезании твердосплавным резцом – 3 черновых и 2 чистовых хода. Для осуществления серии ходов применяют три схемы врезания:
поперечное (17,а) и боковое (рис.17,б) врезание, а также комбинированная схема врезания.
Рис. 17 Схема врезания резцов.
а) поперечное, б) боковое.
П о п е р е ч н о е в р е з а н и е осуществляется при нарезании резьб с шагом S 2-2,5 мм. В резании участвуют одновременно правая и левая режущие кромки и вершина резца. Это затрудняет процесс стружкообразования, требует значительных усилий при резании, вызывая интенсивный износ вершины резца. Однако, точность профиля высокая.
Б о к о в о е в р е з а н и е применяют при нарезании резьб с шагом S > 2-2,5 мм, при этом резец подается не перпендикулярно к оси детали, а под углом, равным половине угла профиля резьбы. При нарезании по этой схеме значительно улучшаются условия работы: меньше деформируется и свободно выходит из зоны резания стружка, увеличивается стойкость резца. Однако, уменьшается точность профиля.
К о м б и н и р о в а н н у ю с х е м у врезания применяют для увеличения точности резьбы и стойкости инструмента. По этой схеме черновые хода выполняют с боковой подачей, а чистовые с поперечной.
Н а р е з а н и е л е в о й р е з ь б ы осуществляется при вращении ходового винта в сторону, противоположную вращению шпинделя. При нарезании левых резьб врезание производят слева и суппорт с резцом перемещают слева направо – от передней бабки к задней.
Р е ж и м ы н а р е з а н и я. Глубина резания определяется числом рабочих ходов. Подача равняется шагу резьбы, а при нарезании многозаходной резьбы – ходу резьбы, т. е. K · S, где K – число заходов.
Скорость резания зависит от обрабатываемого материала и материала резьбового резца: при обработке стали твердосплавными резцами составляет 100-150 м/мин. Для чистовых ходов скорость резания увеличивают в 1,5-2 раза. Для внутренних резьб скорость резания уменьшается на 20-30%.
Замечание. При нарезании длинных резьб целесообразно возвращать суппорт в исходное положение вручную или автоматической подачей ускоренным перемещением суппорта при разомкнутой гайке. Однако, при этом резец может не попасть в нитку резьбы после каждого прохода. Если шаг ходового винта делится без остатка на шаг нарезаемой резьбы, то резец будет попадать в нитку в любом положении суппорта. Если шаг ходового винта не делится на шаг резьбы без остатка, то суппорт возвращают в исходное положение при ускоренном обратном вращении шпинделя, не размыкая гайку.
6. Нарезание многозаходных резьб.
Нарезание многозаходной резьбы является одной из наиболее трудоемких операций, так как при этом много времени затрачивается на точный поворот детали перед обработкой каждой очередной винтовой канавки (нитки).
ис. 10 Самораскрывающаяся резьбонарезная головка.
Рис.15 Резьбовые гребенки:
















