Техпроцесс (1072124)
Текст из файла
8
Московский Государственный Технический Университет им. Н. Э. Баумана
Домашнее задание
по технологии изготовления
оптико-электронных приборов
студентки группы РЛ3-61
Реутовой Е.
Преподаватель Законников В. П.
Москва, 2008 год
Содержание
-
Схема детали и исходные данные………………………………………...3
-
Чертеж отливки…………………………………………………………….4
-
Комментарий к чертежу отливки………………………………………….5
-
Чертеж детали………………………………………………………………6
-
Анализ чертежа детали …………………………………………………....7
-
Маршрутный техпроцесс (комментарий)………………………………...7
-
Техпроцесс………………………………………………………………….8
-
Схема базирования операции 03…………………………………………10
-
Схема базирования операции 08…………………………………………11
-
Схема детали и исходные данные
Исходные данные:
- метод литья – по выплавляемым моделям
- материал – сталь
- размер А=25 мм
- шероховатость Rz=40 мкм
- неуказанные предельные отклонения по IT 14
- относительное удлинение при разрыве δ<10%
- предел прочности >970 МПа
Выберем из таблиц марку стали так, чтобы ее механические свойства удовлетворяли исходным данным. Подходит сталь 27ХГСНЛ. Ее характеристики:
σвр=1300..1500 МПа
σ0.2=1000..1200 МПа
δ=5-6%
(Чертеж отливки)
3. Комментарий к чертежу отливки
Заготовку получают литьем по выплавляемым моделям. Плоскость разъема формы для получения модели будет совпадать с плоскостью симметрии детали. Та часть детали, в которой будет позже обрабатываться отверстие должна находиться внизу, т. к. внизу будет создаваться более плотная структура материала, а это хорошо при последующей механической обработке. Питатель будет располагаться вверху, питание подводиться к плоской части детали - основанию. При таком расположении питателя материал легко заполнит все полости формы. Кроме того, плоские участки основания в любом случае будут подвергаться механической обработке. Если мы решим предусмотреть питание в каком-либо месте, которому не требовалась механическая обработка, то после отрезания питающей системы эту поверхность придется обрабатывать. Т. е. мы будем вынуждены проводить ненужную механическую обработку.
Полукруглые пазы на ножках будем получать в процессе механической обработки, чтобы не усложнять конструкцию пресс-формы.
(чертеж детали)
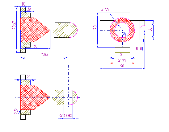
5. Анализ чертежа делали
На чертеже детали указаны размеры и требования к точности только для обрабатываемых поверхностей, а так же связывающие их размеры.
Механической обработке подлежат следующие поверхности:
-
горизонтальная плоскость поз. 1
-
вертикальные плоскости поз. 2 и 3
-
отверстие поз. 4
-
полукруглые пазы поз. 5 и 6
Самой сложной будет обработка плоскости поз. 1 и отверстия поз. 4, т. к. к ним предъявляются наиболее жесткие требования по размерам, форме, взаимному расположению и шероховатости поверхности.
Плоскость 1 придется обрабатывать с использованием черной базы. В дальнейшем плоскость 1 будет служить базой для обработки отверстия поз. 4.
Маршрутный техпроцесс (комментарий)
1. Заготовительная операция.
Заготовка получена литьем по выплавляемым моделям
2. Первая термообработка – старение.
После получения заготовки в ней есть внутренние напряжения. Основная задача первой термообработки – снять внутренние напряжения.
3. Механическая обработка.
1) Фрезерование плоскости основания. Это черновая обработка, т. к. к плоскости предъявляются жесткие требования по форме и шероховатости. Эта плоскость будет служить базой для последующей механической обработки. Для обработки основания придется использовать черную базу.
2) Фрезерование плоскостей 2 и 3, пазов 5 и 6. Требуемая точность этих поверхностей такова, что первая механическая обработка будет окончательной.
3) Зенкерование отверстия. Это предварительная обработка. Форма отверстия улучшиться по сравнению с заготовкой.
3. Вторая термообработка – старение. В процессе первой механической обработки срезается литейная корка, происходит интенсивное перераспределение внутренних напряжений, из-за этого происходит коробление отливки. В процессе термообработки внутренние напряжения уменьшаются. Происходит коробление, из-за этого ухудшается взаимное расположение и форма.
4. Механическая обработка
1)Ручная доводка плоскости основания. В результате ручной доводки будут полностью выполнены требования по требуемой плоскостности и шероховатости.
2) Окончательная механическая обработка отверстия поз. 4. Т. к. требования по форме и шероховатости этой поверхности высокие, то потребуется несколько операций: получистовая расточка, чистовая расточка и тонкое развертывание.
Характеристики
Тип файла документ
Документы такого типа открываются такими программами, как Microsoft Office Word на компьютерах Windows, Apple Pages на компьютерах Mac, Open Office - бесплатная альтернатива на различных платформах, в том числе Linux. Наиболее простым и современным решением будут Google документы, так как открываются онлайн без скачивания прямо в браузере на любой платформе. Существуют российские качественные аналоги, например от Яндекса.
Будьте внимательны на мобильных устройствах, так как там используются упрощённый функционал даже в официальном приложении от Microsoft, поэтому для просмотра скачивайте PDF-версию. А если нужно редактировать файл, то используйте оригинальный файл.
Файлы такого типа обычно разбиты на страницы, а текст может быть форматированным (жирный, курсив, выбор шрифта, таблицы и т.п.), а также в него можно добавлять изображения. Формат идеально подходит для рефератов, докладов и РПЗ курсовых проектов, которые необходимо распечатать. Кстати перед печатью также сохраняйте файл в PDF, так как принтер может начудить со шрифтами.
















