Исправленное 03.01.10 Брытковой Т.В., РЛ3-51 (1072117)
Текст из файла
Московский государственный технический университет
им. Н.Э. Баумана
Факультет РЛ
Кафедра РЛ3
Домашнее задание
«Проектирование отливки»
по дисциплине
"Технологические основы проектирования деталей приборов"
Выполнила студентка группы РЛ3-51
Брыткова Т.В.
Вариант 02.01
Москва
03 января 2010 года
Спроектировать отливку в следующей последовательности:
1. Обосновать выбор марки литейного сплава.
2. Завершить конструкцию отливки с указанием координирующих размеров и взаимного расположения поверхностей.
3. Выбрать и обосновать положение отливки в форме с указанием плоскости разъема формы и выбором принципа затвердевания расплава - направленного или одновременного.
4. Обосновать и рассчитать технологические элементы конструкции отливки - уклоны, ребра жесткости, радиусы сопряжения, минимальную толщину стенки, плавные изменения толщины стенки, минимально достижимые диаметры отверстий.
5. Определить поверхности и допуски на размеры, требующие последующей обработки.
6. Оформить окончательный чертеж отливки, полученной по принципу направленного затвердевания или одновременного затвердевания, с указанием всех необходимых размеров, допусков на них и шероховатости поверхности.
-
Обоснование выбора марки литейного сплава.
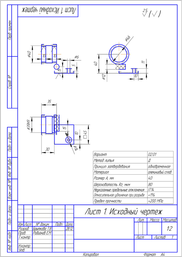
Лист 1. Исходный чертеж.
Исходные данные
| Метод литья | Д |
| Принцип затвердевания | одновременное |
| Материал | Алюминиевый сплав |
| Размер А, мм | 40 |
| Шероховатость Rz, мкм | 80 |
| Неуказанные предельные отклонения | IT14 |
| Относительное удлинение при разрыве δ, % | <1 |
| Предел прочности σвр, МПа | >200 |
Выберем марку алюминиевого сплава, механические свойства которого должны удовлетворять заданным значениям параметров вр > 200 МПа и < 1%. Из табл.1.1 выбираем жаропрочный алюминиевый сплав АЛ1Т5 со следующими значениями параметров механических свойств после закалки и отпуска:
вр, МПа........................................... 260
0.2, МПа........................................... 220
, %.................................................... 0.5
НВ, МПа............................................. 1000
2. Завершение конструкции детали
Лист 2. Чертеж детали. Чертежи надо ставить по месту. Исправлено 03.01.10
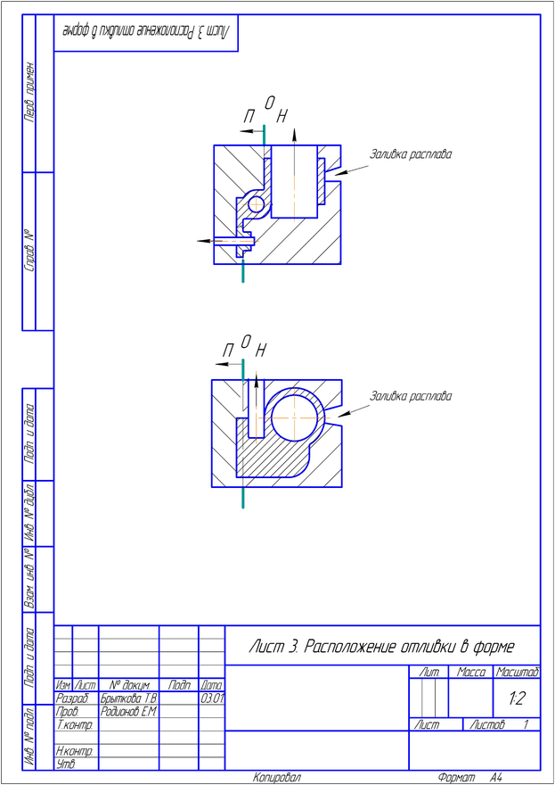
3. Выбор положения отливки в литейной форме и плоскости разъема формы
Лист 3. Положение отливки в форме.
При выборе положения отливки в форме руководствовались требованием удаления ее из формы без разрушения.
4. Назначение технологических элементов конструкции, свойственных способу литья под давлением (толщины стенки, радиусов сопряжения, ребер жесткости)
4.1. Толщина стенок
Назначим толщину стенок отливки близкой к оптимальной для данного метода литья (под давлением) s = 5 мм.
4.2. Радиусы сопряжения
В местах сопряжения стенок и переходе одной поверхности отливки в другую для предотвращения образования "холодных" трещин предусмотрим радиусы сопряжения. Величину определим из соотношения:
где S1, S2 - толщины сопрягаемых стенок отливки в мм, k – коэффициент, зависящий от метода литья (k=8).
Принимаем все радиусы сопряжения равными: мм
4.3. Размер отверстий
Отверстия d=12 мм и d=6 мм изготовим литьем, так как литье под давлением обеспечивает заданную точность.
4.4. Ребра жесткости
Для увеличения жесткости конструкции широко применяются ребра жесткости.
Назначим:
ширина исходного профиля – h=5 мм
толщина ребра – b=5 мм
высота ребер - h=20 мм, h=25 мм
Ребра жесткости снабжены уклоном 33°, 36° соответственно.
5. Назначение допусков на размеры отливки, точность и шероховатость поверхности которых могут быть обеспечены только последующей механической обработкой.
5.1. Обеспечение шероховатости.
По таблицам найдём припуски на последующую механическую обработку для поверхностей, для которых шероховатость Rz = 2,5 мкм. Такое качество не может быть получено с помощью данного метода литья.
Размер поверхностей: 5 мм и 7 мм.
Квалитет IT14.
При литье под давлением для данного размера отливки (до 100 мм) для цветного сплава 1й ряд припусков на механическую обработку.
Допуски линейных размеров на сторону 0.86 мм и 1.40 мм соответственно.
Припуск на механическую обработку составляет 1.6 мм и 2.0 мм соответственно.
Таким образом, для размера 5 мм допуск 0.86 мм, припуск 1.6 мм.
Для размера 7 мм допуск 1.4 мм, припуск 2 мм.
Суммарные размеры с припуском и допуском:
7.46-0.86 мм
10.4-1.4 мм
5.2. Получение отверстий.
Предусмотрим получение отверстий d=39мм литьем с последующей механической обработкой. Назначим припуски на механическую обработку для этих отверстий по следующим данным:
- для отверстий 39Н9 - l = 35 мм.
Величина припуска должна составить 0.3-0.5 мм. Берем общий припуск в 1 мм на сторону, поэтому диаметры d = 38 мм.
6. Оформление окончательного чертежа отливки
Лист 4. Чертеж отливки.
Характеристики
Тип файла документ
Документы такого типа открываются такими программами, как Microsoft Office Word на компьютерах Windows, Apple Pages на компьютерах Mac, Open Office - бесплатная альтернатива на различных платформах, в том числе Linux. Наиболее простым и современным решением будут Google документы, так как открываются онлайн без скачивания прямо в браузере на любой платформе. Существуют российские качественные аналоги, например от Яндекса.
Будьте внимательны на мобильных устройствах, так как там используются упрощённый функционал даже в официальном приложении от Microsoft, поэтому для просмотра скачивайте PDF-версию. А если нужно редактировать файл, то используйте оригинальный файл.
Файлы такого типа обычно разбиты на страницы, а текст может быть форматированным (жирный, курсив, выбор шрифта, таблицы и т.п.), а также в него можно добавлять изображения. Формат идеально подходит для рефератов, докладов и РПЗ курсовых проектов, которые необходимо распечатать. Кстати перед печатью также сохраняйте файл в PDF, так как принтер может начудить со шрифтами.















