ПРОЕКТИРОВАНИЕ ДЕТАЛЕЙ ПРИБОРОВ ЧЕРТЕЖИ re (1070747), страница 4
Текст из файла (страница 4)
Z5h11
1. Покрытие:An.one.(WOмин)fЗм. ОЗП-Ю7-1 (двухкрат
мое), 13. Z. Покрытие Волтно иметь сопротивление изоляции.
не менее во МОм при испытательном напрлшнин
500В при нормальных условиях. Ъ. Материал'.алюминиевый сплав A Ms
Рис. 15
KzZD
1. Свободные размеры по 10 к Валите -
ту точности. 2.3асцентриси/пет отверстий 9>Эд
и 0 39, S не более 0,02.5мм. 3. Покрытие:
Аи. о не. ( wsmuh) прп . Пропитка двухкратная, лак /№г, сушка. 105 мин, 1= П5°+ 7В5°С . mepua/i : алюминиевый сплав з круг П,ГОСТ 7857-65.
Ппткнпппмр.тпм
KzZD
20"
начало и нон ей на мот ни
увеличено повернуто
-
ао писк на любой угол - ±15''.
-
На мот на - плотная, без зазоров между Витками на Внутрен
нем диаметре каркаса. Нахлесты недопустимы.
3. Сопротивление между Выводами Бив должно быть ПВО Ом ±16%.
V. Нелинейность характеристики. - не более 0,3% (проверять до
запорачиВанил начального и конечного Витков 8 точке В).
Рис. г
Снять эмаль, полировать
Про to J ПЗЗ/]~-9'! &0,ич-3 им когпать плотно
дигпзк ;•; Ритку.
nasrn:, пзипоем ПиС 61 с кани.фс/аю.
tto/ioBnu nas.Zii 3 б корпи с пса. 1 и по отладк
поз. 6 на оомотпи сгпа61:.гг;ь на k/ise
Обизтхи закаепйть на каркасе поз. 7 эмалью
ОЭП-Ю7~~1 ЗГУ ГИПИ-f Z4-S7.
Offui ев сопри т и. В лен as - 515 Ом + Ю %. Разность
сопротивлений участков-us Палее ЗОк.
tfcnbifnams/ibHoe напряжение -ооов .
Рис. 5
2.Выводные провода поз.б (ПЗВ-2ФО,12) и поз.7(л38-2 0,1) зачистить с обоих понцод ни 2...Змм.
3. Подкладки, поз, 3 и ¥ ставить на клеи BV-1!-,
ч-. Выводы поз.Б и 7 и пластины паз. 2и 5 паять а Витки, закорачивать припоем ПОС-61 ГОСТ П99-75 с бескислотным флюсом. Высота припоя 0,Smax мм.
5.Места пааки. покрыть лаком У.Р-237 по инструкции .
Б.Витпч оБмотпа. на каркасе, лазЛ закаелить //г!'он ^ГМ~13 ВТУ МЗП ОАА 50't. 006-53.
7. Поверхность С Б&мотки. зичизтить от зма/т. а г.с/ти.содать 8пределах размера WO±0,Z,
в. Сопротивление между ВыВвдаии. 1-2 К-,..•, =--• TWO dm ± ID %. Разность сопротивлений межоц Выводами 1-3 ,:/ "2-3 не fo/jss 10 Ом.
S. Прочность изоляции.' прэЗврягг.ь пои напряжении 5008. Ю.Транспортироёку и. домонша/кное 'хранения остцгс.'пВлять с Выводам и. поз. В и 7, лрикреллвнныыи. к'по/пегщиси'гтру резиновыми. за/кимами. Избегать сопракзсноВени," затимиВ' ц 'Вывоаод с по-Верхностью С
Рис.ч-
за/ для. справок. Рабочий чертеж каркаса, поз. 1 приведен на листе Б8.
Лотвнциометры
Лисп 67
Крышка поз. 7 условно не по-
7. Паять припоем fiOCCyST-0,5 с бескислотным флюсом. Перед пайкой, провод поз. 7/ навить спиралью 02... Зпм.
-
При регулировке закоротить концевые участки од~мотки пайкой
припоем Л ОС Су 6J-0,5 с флюсом КЗ Ц. \ -
Контактное усилие авух щеток 0,04... 0,0ВН. Регулировать изги-
ffon щеткодеожателя С \
Электрические
контакты
деталь поз. Б увеличено
Электрические. \/!ист
Рис.2
Рис.5
Рис. 12
| U U | 4- + | ч м | — 1 | |
| + + | Л | J-I | ||
| b | ||||
| , ш | V | |||
А-А развернуто
Рис. 13
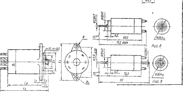
Способы установки электродвигателей в корпус изделия
| ч* | |||
| чЯ | ^==^=^= |
Puc.S
ад
ъпе>ггтппЯа
U' с. 10
AW, Г-
PUC.8
установка \лист
а,1ъггп,ппп,г В Ifiuui/i
SO, 5max-
Рис.7
Технические дан-\ные в ре
PUG.3
Рас. 5
Размеры в мм
Таблица 2
1-1
U
1-2
cf-t
1Z5*OJ Ifi1®4
Щ114*0,2
7tO,l
1*0,16
H2-Sg №8 SS.7
-O.OS
H3-Sg №10
Щ620*0,2
!3*HS !ff^w
'7*0,1 6
m-Sg w*s
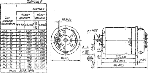
УАА-42 ИАД-12
SZJ%S*DJ
V-e.es
и
'7*0,1 g,s
te-Sg ttt*14
УАД-Б2 УАД-72
Hi-Sg hmo
11*0)
УА.Д-24 УМ-»
УАД-44 УАД-54
24*0,3 S^mie™
fl-o.os
-0,02
15,1 8,5*0,2
S5.S 115.S
-0,02
ШД-12-2 №,$28*0,2 2,5 1!-6g П2х8
1S*HS ItfW 7*0,1
V-o,os
1,2
•ia,ie
i^*oMfS^\mA8fa-2
МД-22-2 -32-2
HttglK'D
11*0,1 6
ЯАД-
Js7
m-6gH№
ШД-42-2 УАД-52-2
-0,02
У),6\Ш*0,2
1/U-S2-2 ИАД-К-2
29*0,3
>7*0,19,5^ S,lg/ss
HStyltiW
7fJ 28*0,2
tti-fg H2*tt
ИАД-24-2 УАД-М-2
4*0,1 S
яшо*о,г
:| S?,7 24,5*01.
t-i-йда
?P?—
\>.£-0№
24,5*0,3 ?}^ге
УАД-44-2 УАД-К-2
SS.S
ns.s
ЯАЛ-64-2 7f,
28*0,2
23*0,3
шА-74-2№Рис. 6
Taff/тца
| Tun электродвигателя | Lj | L2 | ls | A | 3r | »2 | я*. | V4 | li | 12 | Is | 14 | К |
| ДИД-0,1 | 29 | S3 | 2S | 24*0,2 | Щ5 | n | 12h6 | 2,5H12 | 7 | 2 | ц | 43 | S |
| ДИД.-0,5 | 32,5 | 43 | 34 | 27±0,2 | 22,5 | ft | /S.'/ff | 3H12 | 7 | 2 | 1,3 | 4,3 | 5 |
| ДГ-OJ | SO | 54 | 41 | 24±0,2 | 18,7 | 11 | -12hS | 2,SH12 | 7 | •^ | 1,3 | 4,3 | 5 |
| ДГ-0,5 | 36 | 67 | 54 | 31*0.? | Ж | « | 12hB | SH12 | 7 | s | 13 | 4,3 | S |
Габаритные и присоединительные размеры
электродвигателей
Лист 73
Таблица 1
Рис. J
| Тип электродвигателя | Сталш-ческий момент SH-CH | Мопент нагрузки нонин.в н-сп | момент инерции ротора 8г-сн2 | момент инерции, нагрузки так в г-см | Номинальное напряжение в В |
| ЛШ-О.025А | 2 | 0.25 | 2,5 | 2,5 | 27 |
| ДШ-0,04А | 3.S | 0,4 | 3,5 | 3,5 | 27 |
| дш-oja | 8 | 1.0 | 73 | 19 | 27 |
| ЛШ-0,25А | is- | 2.5 | •S8 | 5$ | 27 |
| ДШ-0.4А | . 21 | 4 | 125 | 125 | 27 |
| ДШ-1А | 60 | Ю | 420 | 420 | 27 - |
| ШДА-1 | 15 | ал | 3 | 3 | 14128 |
| ШДА-2А | 2,в | 1.0 | 6,8 | 7 | 14128 |
| ЩДА-3 | 7 | _ 2,5_ | 20 | 20 | 1412S |
| ШДА-4А | 1Б | Г S | 28 | 3D | J4/2S |
| ШЛА -SA - | 28 | Ю | 48 | 50 | 14128 |
| ' ШЛА- В | 41 | I.S | Я7 | 100 | 14/28 |
| ШЛА -2-1 | 1.6 | (U | — | 1 | п |
| ШЛА-2-2 | 4 | 0.4 | — | 3 | 27 |
| ШЛА -2-3 | 10 | 1 | — | 7 | 2Т_ |
| ЩА-2-4 | 25 | 4 | — | 25 | 27 |
| 1 ШЛА-2-5 | 50 | о | — | ВО | 21 |
| ШЛА-2-6 | юо | Ю | — | 125 | 27 27 |
| "ША-3-1 | 2 | 0.1 | — | 125 | |
| ШДА-3-2 | 4 | 0,4 | — | 3 | 27 |
| ШДА-3-3 | 9 | 1 | — | 7 | 27 |
| ШЛА- 3-4 | 25 | 4 | — | 2S | 27 |
| ШДА-3-5 | SO | S | — | 60 | 27 |
| ША-з-6 | ЮО | Ю | — | 125 | 27 |
| ШДР-1ИФ | 1.4 | 0,3 | 2 | 5 | 27 |
| ШАР-211 | 125 | 0,4 | 0.83 | 0.1 | 2в |
| ШДР-521 | 5.4 | 1,6 | _А?__ | 5 | 28 |
| ШДР-523 | IS | *• 4 | 28 | 45 | 23 |
| ШДР-7П | 12 | 4 | 15 | IS | 14 |
| ШДР-721 | Г9 | 6 | 21,5 | 22 | 14 |
| ШДР-5 | 6 | 2 | 25 | 50 | 28 |
| ШД-2 | КО | 30 | 300 | 50 | 12 |
| ШЛ-4- | 50 | 25 3!0 | 310 | 27 | |
Рис. 2














