Пример ДЗ (1069636)
Текст из файла
- 24 -
Факультет: Информатики и систем управления
Кафедра: Проектирование и технология производства электронной аппаратуры (ИУ 4)
______________________________________________________________________________
Московский ордена Ленина, ордена Октябрьской Революции
и ордена Трудового Красного Знамени.
ГОСУДАРСТВЕННЫЙ ТЕХНИЧЕСКИЙ УНИВЕРСИТЕТ им. Н. Э. БАУМАНА
По курсу: ОКП
Студент: Прилепский Р.А. ИУ4-53
(фамилия, инициалы) (индекс группы)
Преподаватель: Пономарев В. М.
Москва
2009
Домашнее задание
«Расчет электромеханического привода»
Содержани
-
Введение 3
-
Предварительный выбор двигателя привода ЭМП 4
-
Кинематический расчет ЭМП 5
-
Силовой расчет ЭМП 8
-
Проверочный расчет выбранного двигателя по заданной нагрузке 8
-
Определение модуля зацепления 9
-
Геометрический расчет кинематики ЭМП 11
-
Расчет валов и опор редуктора 12
-
Точностной расчет разрабатываемой кинематики 15
-
Проверочные расчеты проектируемого привода 19
-
Список литературы 23
Введение
Ниже приводится расчет, в соответствии с принципиальной схемой ЭМП и со спецификацией условий технического задания для варианта 18:
| Момент нагрузки Мн | 1 Н·м |
| Частота вращения выходного вала | 10 об/мин |
| Угловое ускорение вращения выходного вала Ен | 10 рад/с2 |
| Момент инерции нагрузки Jн | 0.3 кг·м2 |
| Температура эксплуатации | -20..+40 °С |
| Род тока | переменный |
| Срок службы не менее | не менее 3000 часов |
| Критерий расчета | минимизация погрешности |
| Режим работы | кратковременный |
| Метод расчета, процент риска при расчете, точность | вероятностный, процент риска - 1% |
| Рабочий угол поворота выходного вала | ±40° |
| Точность отработки не хуже | 25' |
| Примечание | нет |
Принципиальная схема ЭМП
Предварительный выбор двигателя привода ЭМП
Электродвигатель – это электрическая машина, предназначенная для преобразования энергии электромагнитного поля в кинетическую энергию вращения вала. По усвловию ТЗ режим работы привода – кратковременный, следовательно необходимо выбирать двигатель с относительно большим пусковым моментом.
По условиям задания получаемый привод должен относится к высокоточным, работающим в кратковременном режиме. Для данного вида привода целесообразно использовать либо шаговые, либо асинхронные двигатели. В виду малого срока службы шаговых двигателей (порядка 1000 часов) их использование следует исключить. Исходя из заданных параметров, выберем серию двигателей ЭМ.
Первоначально выберем ряд двигателей ЭМ с частотой вращения 4000 об/мин. Так как частота вращения выходного вала значительно меньше этого значения и составляет 10 об/мин, то получаемый привод относится к редукторам.
об/мин
Общее передаточное отношение редуктора определим как:
Согласно критерию минимизации погрешности, передаточные отношения последней и предпоследней ступеней следует назначить равными и лежащими в пределах 7.5..10, назначим:
Тогда число ступеней редуктора определим как:
Рассчитаем КПД редуктора:
Так как ЭМП имеет один выход, то расчетную мощность электродвигателя определяем по формуле:
Примем коэффициент запаса равным 5 (для точных следящих приводов):
Номинальная мощность двигателя должна быть не менее:
Выберем двигатель ЭМ-15М, со следующими параметрами:
U = 115 В,
Uу = 80 В,
P=8 Вт,
nном = 4000 об/мин,
Мном = 200·10-3 Н·м,
Мпуск = 32·10-3 Н·м,
Jр = 0.0021·10-4 кг·м2,
Тэм = 30·10-3 с,
m = 0.8 кг
Кинематический расчет ЭМП
Определение общего передаточного отношения
По известным значениям скоростей на входе nном и nвых определяем общее передаточное отношение редуктора по формуле:
(2)
Подставляя полученные в предыдущем пункте значения nном и nвых получаем:
Определение числа ступеней
Согласно критерию минимизации погрешности, передаточные отношения последней и предпоследней ступеней следует назначить равными и лежащими в пределах 7.5..10, назначим:
Тогда число ступеней редуктора определим как:
Распределение общего передаточного отношения по ступеням
Определение чисел зубьев колес редуктора
Назначим число зубьев на всех шестернях
(согласно рекомендуемым значениям[1]).
Число зубьев ведомых колес для редуктора вычисляется по формуле:
, где
k = 2, 4, 6 - номер колеса.
Полученные результаты представлены в табл.1.
Таблица 1
| Номер ступени | Передаточное отношение | Назначенные числа зубьев | |
| Шестерня | Колесо | ||
| 1 | 4 | 20 | 80 |
| 2 | 10 | 20 | 200 |
| 3 | 10 | 20 | 200 |
Так как при расчетах выбор числа зубьев осуществлялся из рекомендованного ряда, то вычисляем фактическое передаточное отношение и погрешность передаточного отношения.
, где k = 1, 3, 5
Таблица 2. Фактические значения передаточных коэффициентов
| i12ф | i34ф | I56ф |
| 4 | 10 | 10 |
Фактическое передаточное отношение редуктора рассчитывается по формуле:
Подставляя значения из таблицы 2, находим i0Ф :
Погрешность передаточного отношения находится по формуле:
Подставляя значения, получаем:
Условие применимости расхождения i0 и i0ф из практических рекомендаций:
.
Так как
, следовательно, условие выполняется и выбор числа зубьев колес и шестерен был произведен верно.
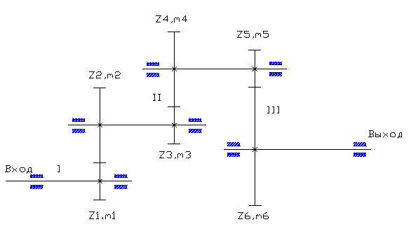
По результатам выполненного расчета изобразим кинематическую схему редуктора в виде эскиза без соблюдения масштаба, но таким образом, чтобы была ясна кинематическая цепь передачи движения между валами (рис.1).
Рис.1. Кинематическая схема ЭМП
Силовой расчет ЭМП
Проверочный расчет выбранного двигателя по заданной нагрузке
Так как на данном этапе проектирования известна кинематическая схема ЭМП, то из соотношения приведения моментов [1]:
(4), где
Mi, Mi – момент нагрузки на i-ом и j-ом валах;
iij – передаточное отношение i-го и j-го вала;
ηij – КПД передачи, ηij=0.98;
ηподш – КПД подшипников, в которых установлен ведущий вал, ηподш =0.98.
Поскольку в момент пуска двигателя нужно учесть инерционность двигателя и нагрузки, необходимо, чтобы двигатель обеспечивал нужное угловое ускорение нагрузки. На выходном валу с учётом динамической составляющей действует следующий момент:
МΣ= Мн + Jнн=1+0.3*10=4 (Н*м)
Для того чтобы проверить правильность выбора двигателя, необходимо привести момент на выходном валу к валу двигателя по формуле (4) для каждого вала, начиная от выходного, и сравнить пусковой момент двигателя с приведённым моментом.
Рассчитаем статический момент, приведенный к валу двигателя:
Н*м
Н*м
Н*м
Выполним предварительную проверку правильности выбора двигателя:
МП ≥ МΣПР=МСТ.ПР+МД.ПР и МНОМ ≥ МСТ.ПР
МΣПР=[(1+KМ)*JP + JН/i02]*ε+ МСТ.ПР,
где JP – момент инерции ротора двигателя (JP=0.021*10-4 кг*м2), KМ=1 (так как двигатель малоинерционный), ε= εн* i0.
МΣПР==0.028
МСТ.ПР=0.011
МНОМ=0.2
Проверка выполняется. Следовательно, двигатель оставляем.
Определение модуля зацепления
Модуль зацепления определяется из расчета зубьев на прочность (изгибную и контактную). Поскольку в проектировании ЭМП предполагается открытый тип передач, то расчет зубьев на изгиб является проектным.
При проверочном расчете по известной геометрии зубьев и заданным нагрузкам определяют действующие контактные напряжения σн и проверяется условие σн≤[σн].
Расчет на изгибную прочность проводят для наиболее нагруженной ступени редуктора, т.е. в нашем случае для ступени Z5-Z6. При этом модуль определяется по менее прочному колесу зубчатой элементарной пары соотношением:
Характеристики
Тип файла документ
Документы такого типа открываются такими программами, как Microsoft Office Word на компьютерах Windows, Apple Pages на компьютерах Mac, Open Office - бесплатная альтернатива на различных платформах, в том числе Linux. Наиболее простым и современным решением будут Google документы, так как открываются онлайн без скачивания прямо в браузере на любой платформе. Существуют российские качественные аналоги, например от Яндекса.
Будьте внимательны на мобильных устройствах, так как там используются упрощённый функционал даже в официальном приложении от Microsoft, поэтому для просмотра скачивайте PDF-версию. А если нужно редактировать файл, то используйте оригинальный файл.
Файлы такого типа обычно разбиты на страницы, а текст может быть форматированным (жирный, курсив, выбор шрифта, таблицы и т.п.), а также в него можно добавлять изображения. Формат идеально подходит для рефератов, докладов и РПЗ курсовых проектов, которые необходимо распечатать. Кстати перед печатью также сохраняйте файл в PDF, так как принтер может начудить со шрифтами.















