Теория к экзамену по метрологии (1067098), страница 2
Текст из файла (страница 2)
Установлено 20 квалитетов.
01, 0, 1, 2, 3, 4, 5-12 13-18
Возможно Измерительные Область Область
ожидать инструменты размеров, несопряга-
и точные приборы где применяются гаемых
посадки размеров
Квалитет определяет величину допуска на изготовление, а следовательно, и соответствующие методы и средства обработки деталей машин и контроля.
Обозначается IT с номером квалитета
IT – “Internal tolerance” (ICO)
Например: IT7;
(При переходе от одного квалитета к другому допуски возрастают на 60%, через каждые 5 квалитетов допуски возрастают в 10 раз).
Диапазоны размеров и градация интервалов.
Диапазон размеров
| 1 | Св 0,1 до 1 | В приборостроении, часовой промышленности |
| 2 | Св 1 до 500 | Общее машиностроение |
| 3 | Св 500 до 1650 | Тяжелое машиностроение |
| 4 | Св 1650 до 10000 | Тяжелое машиностроение |
| 5 | Св 10000 до 25000 | Тяжелое машиностроение |
| 6 | Св 25000 | При необходимости надо обосновать допуски |
Интервалы номинальных размеров.
Если для каждого размера (через 1 мм) по формулам подсчитывать допуски для каждого квалитета, то полученные таблицы будут громоздкими, а разница между соседними допусками будет мала. Поэтому диапазон размеров до 10000 мм разбит на 26 интервалов, т.о. чтобы табличный допуск, подсчитанный по среднему размеру интервала D=D1D2 отличался от допусков для крайних размеров интервала D1 и D2 не более чем на 5…8%.
Если размер попал на границу интервала, то допуск берут в меньшем, т.е. предыдущем интервале.
2. Параметры шероховатости Ra, Rz, Rmax. Нормирование и примеры обозначения на чертеже шероховатости поверхности с использованием этих параметров.
3. Приведенный диаметр наружной резьбы. Суммарный допуск среднего диаметра резьбы. Условие годности наружной резьбы по среднему диаметру. Пример обозначения точности резьбы болта на чертеже.
Приведенный средний диаметр резьбы.
Свинчиваемость будет обеспечена только в том случае, если разность средних диаметров резьб болта и гайки будет не меньше сумм диаметральных компенсаций погрешностей шага и половины угла профиля обеих деталей. Для упрощения контроля резьбы и расчета допусков введено понятие приведенного среднего диаметра резьбы, учитывающего влияние на свинчиваемость величин
и
.
Значение среднего диаметра резьбы, увеличенное для наружной резьбы или уменьшенное для внутренней резьбы на суммарную диаметральную компенсацию отклонений мала и угла наклона боковой стороны профиля называется приведенным средним диаметром.
Приведенный средний диаметр для наружной резьбы
;
Суммарный допуск среднего диаметра резьбы
Средний диаметр, шаг и угол профиля являются основными параметрами резьбы, т.к. они определяют характер контакта резьбового соединения. Однако вследствие взаимосвязи между отклонениями шага, угла профиля и собственно среднего диаметра допустимые отклонения этих параметров раздельно не нормируют. Устанавливают только суммарный допуск на средний диаметр болта
и гайки
, который включает допустимое отклонение собственно среднего диаметра
и диаметральные компенсации погрешности шага и угла профиля, т.е.
Верхний предел суммарного допуска среднего диаметра наружной резьбы ограничивает величину приведенного среднего диаметра
, а нижний предел – величину собственно среднего диаметра
. Для внутренней резьбы – это допуск, нижний предел которого ограничивает величину приведенного среднего диаметра
, а верхний предел – величину собственно среднего диаметра
.
Условия годности резьбы
;
.
Обозначения точности и посадок метрической резьбы
Обозначение поля допуска резьбы следует за обозначением размера резьбы.
Примеры обозначения точности резьбы:
-
с крупным шагом
болт М12 - 6 g ; гайка М12 – 6 H ;
-
с мелким шагом
болт М12x1 – 6 g ; гайка М12x1 – 6H.
Посадки резьбовых деталей обозначают дробью, в числителе
которой указывают поле допуска гайки, а в знаменателе – поле допуска болта, например: М12 – 6 H/6g ; M12x1 – 6 H/6g .
Длину свинчивания N в условном обозначении резьбы не указывают.
№3
1.Характеристики системы допусков и посадок гладких цилиндрических соединений: основные отклонения валов и отверстий и схемы расположения, поле допуска и его обозначение, предпочтительные поля допусков и схемы их расположения.
Основные отклонения – это одно из двух отклонений (верхнее или нижнее) используемое для определения положения поля допуска относительно нулевой линии. Основное отклонение – ближайшее к нулевой линии.
Общие правила:
Основное отклонение отверстия равно по числовому значению основному отклонению вала с тем же обозначением (той же буквой), но с противоположным знаком.
EI=-es (A-H)
ES=-ei (K-Zc)
Исключение.
-
для отверстия J, K, H, N –с допуском 3…8 квалитетов.
-
Для отверстия P-Zc – с допуском 3…7 квалитетов.
Специальные правила – две соответствующие одна другой посадки в системе отверстия и в системе вала, в которых отверстие данного квалитета соединяется с валом ближайшего более точного квалитета должны иметь одинаковые размеры или натяги.
Основное отклонение должно быть:
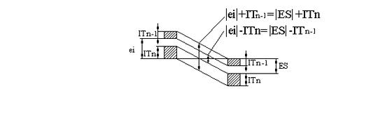
ES=-ei+,
Где - разность между допуском IT и рассматриваемого квалитета и допуском ITn-1 ближайшего более точного квалитета.
= IT-ITn-1
Поле допусков. Поле допуска в системе СЕСО и СЭВ образуется сочетанием одного из основных отклонений с допуском по одному из квалитетов. В соответствии с этим поле допуска обозначается буквой основного отклонения (или в некоторых случаях двумя буквами) и номером квалитета, например,
Для вала – h7, d9.
Для - H7, D9.
Второе предельное отклонение, ограничивающее данное поле допуска, можно определить по основному отклонению и допуску принятого квалитета.
Если основное отклонение верхнее, то нижнее отклонение равно:
Для вала ei=es-IT
Для отверстия EI=ES-IT
Если основное отклонение нижнее, то верхнее отклонение равно:
Для вала – es=ei+IT
Для отверстия – ES=EI+IT
Поля допусков для посадок с зазором сосредоточены по IT4….IT12. Для неподвижных соединений в более точных – IT4…IT8.
Пример. Определить нижнее отклонение ei вала Ф15d11, если допуск IT11 равен 110 мкм.
еi=es-IT=-50-110=-160 мкм.
Предпочтительные поля допусков.
Поля допусков могут быть образованы сочетанием любых основных отклонений с различными квалитетами.
С целью унификации изделий (сокращению излишнего многообразия) из всей совокупности полей допусков выделены поля допусков предпочтительного применения, которые необходимо использовать в первую очередь. Остальные поля допусков можно использовать в технически обоснованных случаях.
Для отверстий: E; F; H; Js; K; N; P
В основном предпочтительным считается седьмой квалитет для отверстия.
Для валов валов предпочтительным является шестой квалитет.
2. Параметры шероховатости, S и Sm. Нормирование и примеры обозначения на чертеже шероховатости поверхности с использованием этих параметров.
3. Классификация зубчатых передач по функциональному назначению. Примеры обозначения точности зубчатых колес.
Зубчатые колеса предназначены для передачи вращательных движений или моментов сил с одного вала на другой с заданным отношением угловых скоростей.
Классификация зубчатых передач
1. Отсчетные (кинематические) - зубчатые передачи различных счетно-решающих механизмов, приборов.
Основное (точностное) требование - высокая кинематическая точность, т.е. согласованность углов поворота ведомого и ведущего колес.
2. Скоростные передачи - редукторы турбомашин, зубчатые передачи автомобильных коробок скоростей, двигателя.
Основные требования - плавность работы, т.е. бесшумность и отсутствие вибраций.
3. Силовые - зубчатые передачи в прокатных станках, крановых механизмах.
Силовые передачи передают большие крутящие моменты и работают при малых скоростях.
Основное точностное требование - полнота контакта сопряженных зубъев.
Обозначение точности зубчатого колеса.
-
8–7–6 Ba
8 – степень кинематической точности
7 – плавность
6 – пятно контакта
Ba – норма бокового зазора
B – вид сопряжения
a – вид допуска на боковой зазор
-
Если степени точности по всем трем нормам одинаковы, то
7 – Ва, т.е. 7 по всем нормам точности.
№4
1. Три типа посадок, схема расположения полей допусков и характеристики этих посадок. Примеры обозначения посадок на чертежах.
Понятие о посадках.
Посадкой называется характер соединения деталей, определяемый величиной зазора или натяга.
Зазор – разность размеров отверстия и вала, если размер отверстия больше размера вала.
Подвижные соединения характеризуются наличием зазоров.
Натяг – разность размеров вала и отверстия до сборки, если размер вала больше размера отверстия.
Неподвижные соединения характеризуют, как правило, наличием натяга.
















