LEK_3 (1064539)
Текст из файла
электротехникА и Электроника
Лекции Князьковой Т.О.
МОДУЛЬ 1. «Цепи постоянного тока. Основы анализа и расчета электрических цепей»
ЛЕКЦИЯ 3
Методы расчета электрических цепей с несколькими источниками питания
а) Метод с помощью законов Кирхгофа
Самый точный метод, но с его помощью можно определять параметры схемы с небольшим количеством контуров (1-3).
Алгоритм:
-
Определить количество узлов q, ветвей p и независимых контуров;
-
Задаться направлениями токов и обходов контуров произвольно;
-
Установить число независимых уравнений по 1-ому закону Кирхгофа (q - 1) и составить их, где q-количество узлов;
-
Определить число уравнений по 2-ому закону Кирхгофа (p – q + 1) и составить их;
-
Решая совместно уравнения, определяем недостающие параметры цепи;
-
По полученным данным производится проверка расчетов, подставляя значения в уравнения по 1-ому и 2-ому законам Кирхгофа или составив и рассчитав баланс мощностей.
Пример:
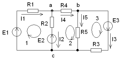
|
Рис 1. | Согласно предложенному алгоритму, определим количество узлов и ветвей схемы рис. 1 q = 3, p = 5, следовательно, уравнений по 1-ому закону Кирхгофа равно 2, а уравнений по 2-ому закону Кирхгофа равно 3. |
Запишем эти уравнения согласно правилам:
для узла «а» I1 - I2 - I4 = 0
для узла «b» I4 - I5 - I3 = 0
для контура 1 R1·I1+R2·I2 = E1 - E2
для контура 2 R4·I4+R5·I5 - R2·I2 = E2
для контура 3 R3·I3 - R5·I5 =E3
Составим уравнения баланса мощностей:
Pпр= R1·I1² + R2·I2² + R3·I3² + R4·I4² + R5·I5²
Pист= E1·I1 + E3·I3 - E2·I2
б) Метод контурных токов
Используя этот метод, сокращается число уравнений, а именно исключаются уравнения по 1-ому закону Кирхгофа. Вводится понятие контурный ток ( – это виртуальное понятие), составляются уравнения по второму закону Кирхгофа.
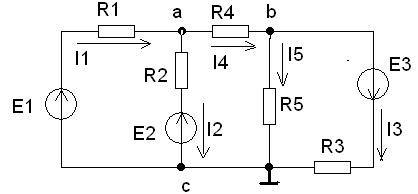
Рассмотрим наш пример рис. 2
Рис.2
Контурные токи обозначены Iм, Iн, Iл, заданы их направления, как показано на рис. 2
Алгоритм решения:
-
запишем действительные токи через контурные: по внешним ветвям I1 = Iм, I3 = Iл, I4 = Iн и по смежным ветвям I2 = Iм - Iн, I5 = Iн - Iл
-
Составим уравнения по второму закону Кирхгофа, так, как контура три, следовательно будет и три уравнения:
для первого контура Iм·(R1 + R2) - Iн·R2 = E1 - E2, знак «–» перед Iн ставится потому , что этот ток направлен против Iм
для второго контура - Iм·R2 + (R2 + R4 + R5) ·Iн - Iл·R5 = E2
для третьего контура - Iн·R5 + (R3 + R5) ·Iл = E3
-
Решая полученную систему уравнений, находим контурные токи
-
Зная контурные токи, определяем действительные токи схемы (см. пункт 1.)
в) Метод узловых потенциалов
Предлагаемый метод самый эффективный из предложенных методов, при этом конечно теряется точность расчетов, этот метод заложен программу определения параметров схем в инженерных программах EWB MULTISIM, TINA.
Ток в любой ветви схемы можно найти по обобщённому закону Ома. Для этого необходимо определить потенциалы узлов схемы.
Если схема содержит n-узлов, то уравнений будет (n-1):
-
Заземлим любой узел схемы φ = 0;
-
Необходимо определить (n-1) потенциалов;
-
Составляются уравнения согласно первому закону Кирхгофа по типу:
φ1·G11 + φ2·G12 +…+ φ(n-1)·G1,(n-1) = I11
φ1·G21 + φ2·G22 +…+ φ(n-1)·G2,(n-1) = I22
…………………………………………………
…………………………………………………
φ1·G(n-1),1 + φ2 ·G(n-1),2 +…+ φ(n-1)·G(n-1),(n-1) = I (n-1), (n-1)
где I11… I (n-1), (n-1) узловые токи в ветвях с ЭДС подключенных к данному узлу, Gkk – сумма проводимостей ветвей в узле k, называемая собственной проводимостью, Gkm – сумма проводимостей ветвей соединяющие узлы k и m, взятая со знаком «–», называемая взаимная проводимость между узлами;
-
Токи в схеме определяются по обобщенному закону Ома.
Пример:
|
| Заземлим узел с, т.е. φс = 0 |
определив потенциалы φа и φb, найдем токи схемы. Составление формул для расчета токов осуществляется в соответствии с правилами знаков ЭДС и напряжений, при расчете по обобщенному закону Ома (см. лекция 1).
Правильность расчета токов проверяется с помощью законов Кирхгофа и баланса мощностей.
г) Метод двух узлов
Метод двух узлов это частный случай метода узловых потенциалов. Применяется в случае, когда схема содержит только два узла (параллельное соединение).
Алгоритм:
-
Задаются положительные направления токов и напряжение между двумя узлами произвольно;
-
Уравнение для определения межузлового напряжения
где G – проводимость ветви, J – источники тока;
-
Правило: G·E и J берутся со знаком «+», если Е и J направлены к узлу с большим потенциалом;
-
Токи схемы определяются по обобщенному закону Ома
Пример:
Составление формул для расчета токов осуществляется в соответствии с правилами знаков ЭДС и напряжений, при расчете по обобщенному закону Ома (см. лекция 1).
д) Метод активного двухполюсника (генератора)
Данный метод применяется, когда необходимо рассчитать параметры одной ветви в сложной схеме. Метод основан на теореме об активном двухполюснике: «Любой активный двухполюсник может быть заменен эквивалентным двухполюсником с параметрами Еэкв и Rэкв или Jэкв и Gэкв , режим работы схемы при этом не изменится ».
Алгоритм:
-
Разомкнуть ветвь, в которой необходимо определить параметры.
-
Определить напряжение на разомкнутых зажимах ветви, т.е. при режиме холостого хода Еэкв = Uхх любимым методом.
-
Заменить активный двухполюсник, т.е. схему без исследуемой ветви, пассивным (исключить все источники питания, оставив их внутренние сопротивления, не забывая, что у идеальной ЭДС Rвн = 0, а у идеального источника тока Rвн = ∞). Определить эквивалентное сопротивление полученной схемы Rэкв.
-
Найти ток в ветви по формуле I = Eэкв/(R+Rэкв) для пассивной ветви и
I = E ± Eэкв/(R+Rэкв) для активной ветви.
Нелинейные цепи постоянного тока
Определение нелинейного элеиента
На практике в промышленной электронике электрические цепи состоят в основном из нелинейных элементов, т.е. из элементов, у которых ВАХ не являются прямой линией (значения параметров резко изменяются с изменением тока)
Нелинейные ВАХ имеют все полупроводниковые приборы:
-
Полупроводниковые диоды
-
Стабилитроны
-
Термисторы
-
Транзисторы
-
Тиристоры и т.д.
Анализ и расчет нелинейных цепей проводится с помощью метода пересечения характеристик, методом эквивалентного, активного двухполюсника.
Характеристики и параметры нелинейного элемента
Понятия статического и динамического (дифференциального) сопротивления
|
Рис 1 | Rcт = Uрт/Iрт – отношение напряжения на элементе к току в заданной точке его характеристики Rдин = dU/dI = ∆U/∆I – отношение изменения напряжения к изменению тока в заданной рабочей области нелинейного элемента Rст > Rдин |
Анализ нелинейных цепей
Осуществляется двумя способами аналитическим или графическим - методом пересечения характеристик - это решение нелинейного уравнения определяющего электрическое состояние графическим способом.
Рассмотри участок цепи с последовательно соединенными линейным и нелинейным элементами (рис 2).
|
Рис 2 |
Рис 3 |
Составим уравнение электрического состояния для цепи рис.2:
U = E - Rн·I
Согласно этому уравнению строится «опрокинутая» ВАХ резистора Rн (или линию нагрузки).
Правило: если нелинейный элемент соединен последовательно с резистором, то строится «опрокинутая» ВАХ, если параллельно, то строится обычная ВАХ резистора.
Как известно, любая прямая строится по двум точкам, которые соответствуют двум режимам двухполюсника с параметрами E и Rн.
Холостой ход: I = 0; U = E
Короткое замыкание: U = 0; Iкз =E/Rн
Пересечение вольтамперных характеристик нелинейного элемента и резистора дают графическое решение задачи, как показано на рис. 3 .
В анализе нелинейных цепей используется метод эквивалентного генератора, в случае сложной цепи: Многоэлементный активный линейный двухполюсник, к выходным зажимам которого подключен нелинейный элемент, может быть заменен эквивалентным двухполюсником. Напряжение и ток на нелинейном элементе находятся методом пересечения характеристик, зная эти параметры можно определить токи и напряжения остальных ветвей цепи.
В случае последовательно соединённых нелинейных элементов сначала графически складывают ВАХ элементов, а затем проводят расчёт как показано ранее.
Сложение ВАХ, при последовательном включении нелинейных элементов
Сложение ВАХ, при параллельном включении нелинейных элементов
Лекция 3 7
Характеристики
Тип файла документ
Документы такого типа открываются такими программами, как Microsoft Office Word на компьютерах Windows, Apple Pages на компьютерах Mac, Open Office - бесплатная альтернатива на различных платформах, в том числе Linux. Наиболее простым и современным решением будут Google документы, так как открываются онлайн без скачивания прямо в браузере на любой платформе. Существуют российские качественные аналоги, например от Яндекса.
Будьте внимательны на мобильных устройствах, так как там используются упрощённый функционал даже в официальном приложении от Microsoft, поэтому для просмотра скачивайте PDF-версию. А если нужно редактировать файл, то используйте оригинальный файл.
Файлы такого типа обычно разбиты на страницы, а текст может быть форматированным (жирный, курсив, выбор шрифта, таблицы и т.п.), а также в него можно добавлять изображения. Формат идеально подходит для рефератов, докладов и РПЗ курсовых проектов, которые необходимо распечатать. Кстати перед печатью также сохраняйте файл в PDF, так как принтер может начудить со шрифтами.















