Волченсков В.И. - Методические указания к выполнению ДЗ №1 по теме «Расчет линейных цепей постоянного тока» (1063954), страница 2
Текст из файла (страница 2)
Заданную электрическую цепь первоначально следует упростить, заменить эквивалентной, после чего объем вычислений существенно сократится.
В схеме цепи, показанной на рис. 1, имеется пассивный треугольник с резисторами R4, R5, R6 , который можно заменить эквивалентной звездой с резисторами R17, R27, R37 (рис. 3), которые вычисляются по формулам:
Рис. 3
Полученная эквивалентная схема имеет два узла. Для ее расчета воспользуемся методом межузлового напряжения. В этом случае не надо решать системы уравнений.
Вычисляем напряжение между узлами 7 и 4 рассматриваемой схемы
Здес
;
;
- проводимости ветвей.
В этом выражении, если ЕК направлено к первому узлу, то оно берется со знаком плюс. Для напряжения (Uab) наоборот – если оно направлено к первому узлу, то берется со знаком минус, а если ко второму – со знаком плюс.
Далее, зная напряжение между двумя узлами U74 , по закону Ома для активного участка цепи определяем токи в ветвях преобразованной схемы ( I1 , I2 , I3 – см. рис. 3):
В этом выражении, если напряжение U74 , приложенное к рассматриваемой ветви , и ЭДС совпадают с направлением тока в ветви, то берутся со знаком плюс. Эти токи I1, I2, I3 одинаковые в преобразованной и исходной схемах.
Определив токи I1, I2, I3, вернемся к исходной схеме (рис. 1). Чтобы определить токи I4, I5, I6 воспользуемся первым уравнением из системы (4) и первым и вторым - из (1).
2.5. Расчет токов в цепи методом эквивалентного генератора.
Метод эквивалентного генератора применяют, когда требуется определить ток или напряжение в одной ветви сложной цепи. В основе метода лежит теорема об эквивалентном генераторе, утверждающая, что любую линейную электрическую цепь, внутри которой действуют некоторые ЭДС, можно рассматривать относительно данной выделенной из нее ветви как генератор, ЭДС которого ЕЭ равна напряжению на зажимах цепи при отключенной от них указанной ветви, а внутреннее сопротивление RЭ - входному сопротивлению цепи со стороны этих зажимов, определяемому при условии, что источники ЭДС удалены и заменены их внутренними сопротивлениями. Заменяя эту сложную электрическую цепь эквивалентной, состоящей только из приемника (нагрузки) и эквивалентного генератора (источника ЭДС EЭ=UХХ с его внутренним сопротивлением RЭ=RВХ), сводят задачу к закону Ома при сохранении приемника как отдельного элемента эквивалентной цепи (рис. 4). Это позволяет определить ток в ветви с резистором R по формуле
Рис. 4
Пусть требуется определить ток I6 в ветви с сопротивлением R6 (рис. 1) методом эквивалентного генератора
Отключим в исходной схеме ветвь с сопротивлением R6 от зажимов 2-3 и определим напряжение холостого хода UХХ 23 (рис. 5).
Рис. 5
Запишем уравнение по второму закону Кирхгофа для контура 2-3-1-2 :
UХХ 23 – I'3 R4 – I'2 R5 = 0.
Откуда UХХ 23 = I'3 R4 + I'2 R5 .
Для определения I'3 и I'2 рассчитываем полученную схему (рис. 5). В ней два узла (1 и 4). Используем метод межузлового напряжения:
Вычисляем токи:
Зная токи, вычисляем UХХ 23 .
Затем определяем RВХ 23 .
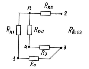
Из предыдущей схемы (рис. 5) удаляем все источники (E1, E2, E3, UAB), оставив их внутренние сопротивления. Получаем схему рис. 6.
Рис. 6
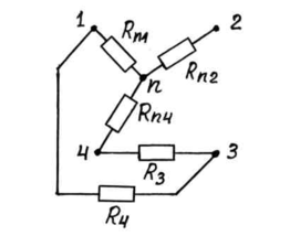
Рис. 7
Рис. 8
Проведем эквивалентные преобразования схемы (рис. 7, рис. 8, рис. 9).
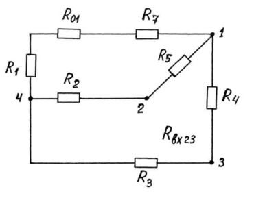
При переходе от схемы рис.7 к схеме рис. 8 проведено преобразование треугольника сопротивлений R5, R2, R8 (здесь R8=R1+R01+R7) в эквивалентную звезду с сопротивлениями Rn1, Rn2, Rn4, которые вычисляются по формулам:
Рис. 9
В соответствии со схемой рис. 9 запишем выражение для входного сопротивления относительно зажимов 2 и 3:
2.6. Построение потенциальной диаграммы.
Распределение потенциалов в электрической цепи можно представить с помощью потенциальной диаграммы.
Рассмотрим построение потенциальной диаграммы по внешнему контуру заданной цепи (рис.1). Потенциальная диаграмма представляет собой зависимость φ(R). На рис. 10 она показана в виде графика, на котором по вертикальной оси отложены значения потенциалов последовательного ряда точек выбранного контура (1, 3, в, а, 4, с, 5, 1), а по горизонтальной – сумма значений сопротивлений последовательно проходимых участков цепи этого контура.
Рис. 10
Построение потенциальной диаграммы (рис. 10) начинается из произвольно выбранной точки контура, например, из точки 1, потенциал которой принят за нулевой φ1 = 0. Последовательно обходим выбранный контур. Если построение диаграммы начали в точке 1, то и закончиться она должна в этой же точке 1. Скачки потенциала на графике соответствуют включенным в цепь источникам напряжения Е1, Е3, Uab .
Рассмотрим в качестве примера расчет и построение потенциальной диаграммы для внешнего контура цепи, схема которой приведена на рис. 1. Принимаем φ1 = 0.
Потенциал следующей точки 3 контура меньше потенциала точки 1 на величину падения напряжения на сопротивлении R4
φ3 = φ1 – I4 R4 .
При построении потенциальной диаграммы нужно по горизонтальной оси отложить от начала координат (точ.1) в масштабе сопротивление R4 , а по вертикальной оси значение φ3 в вольтах. На графике соединяем потенциалы точки 1 и точки 3 прямой линией.
Потенциал следующей точки "b" меньше потенциала точки 3 на величину падения напряжения на сопротивлении R3
φb = φ3 - I3 R3 .
При построении диаграммы нужно по горизонтальной оси отложить от начала координат (точ.1) в масштабе сумму сопротивлений (R4 + R3) , а по вертикальной оси значение φb в вольтах. На графике соединяем потенциалы точки 3 и точки "b" прямой линией.
В соответствии со схемой потенциал точки "a" будет больше потенциала точки "b" на величину Uab
φa = φb + Uab .
Сопротивление участка "a - b" не задано, принимаем его Rab = 0, что соответствует идеальному источнику напряжения. На диаграмме получаем скачек потенциала вертикально вверх на величину Uab .
Двигаемся по конуру дальше от точки "a" к точке 4. На этом участке имеем еще один идеальный источник напряжения (Е3) с внутренним сопротивлением равным нулю. На потенциальной диаграмме (рис.10) этому соответствует изменение потенциала скачком вверх от точки "a" до точки 4.
φ4 = φa + E3 .
Рассмотрим следующий участок "4 - с". Направление тока I1 совпадает с направлением обхода контура. Потенциал точки "с" будет меньше потенциала точки 4 на величину падения напряжения на сопротивлении R1
φс = φ4 - I1 R1 .
На графике (рис.10) по горизонтальной оси откладываем от начала координат суммарное сопротивление всех уже рассмотренных участков контура. Оно равно (R4+R3+R1). При этом значении сопротивления откладываем по вертикальной оси величину потенциала точки "с" (φс). Полученную точку на графике соединяем прямой линией с предыдущей точкой 4.
На следующем участке "с-5" находится реальный источник напряжения Е1 с внутренним сопротивлением R01 . Направление источника Е1 совпадает с направлением обхода контура и дает увеличение потенциала на величину Е1 . Наличие внутреннего сопротивления R01 снижает величину потенциала и в итоге получаем
φ5 = φс + Е1 - I1 R01 .
На графике (рис.10) по горизонтальной оси добавляем сопротивление R01 и по вертикали откладываем значение φ5 т.е. изонтальной оси добавляем сопротивление й диаграмме. чину падения напряжения на сопротивлении 000000000000000000000000000 . Полученную точку на графике (точка 5) соединяем прямой линией с предыдущей точкой "с".
Осталось построить последний участок между точками 5 и 1. . На этом участке находится сопротивление R7 . Рассчитываем потенциал точки 1
φ1 = φ5 - I1 R7 .
При правильном расчете должны получить φ1 = 0, как было принято в начале построения диаграммы. На графике соединяем прямой линией точки 5 и 1.
Вид полной потенциальной диаграммы соответствует графику, представленному на рис.10. При построении реальной потенциальной диаграммы на вертикальной и горизонтальной осях должны быть указаны шкалы в числах. При этом шкала должна быть равномерной, начинаться от нуля, быть без разрывов. Шаг шкалы желательно выбирать равным либо 1, либо 2, либо 5, умноженным на 10 n .
Определение показания вольтметра.
Вольтметр измеряет напряжение (разность потенциалов) между двумя точками в электрической цепи (точки 5 и 6 на рис. 1).
Для определения показания вольтметра необходимо составить уравнение по второму закону Кирхгофа по контуру, в который входит измеряемое напряжение U56 . Выберем, например, замкнутый контур с узлами 4-5-6-4. Ему соответствует уравнение
U56 – I2 R2 + I1 R1+ I1 R01 = E1 , откуда
U56 = E1 + I2 R2 - I1 R1- I1 R01 .
Подставим числовые значения. Показание вольтметра (магнитоэлектрической системы) будет равно U56 с учетом его знака.
















