ПЗчасть2 (1058325), страница 3
Текст из файла (страница 3)
4.4 Обоснование выбора серии логических элементов
Для построения устройств автоматики и вычислительной техники широкое применение находят цифровые микросхемы серии К 155, которые изготавливают по стандартной технологии биполярных микросхем транзисторно-транзисторной логики (ТТЛ). Имеется свыше 100 наименований микросхем серии К 155. При всех своих преимуществах - высоком быстродействии, обширной номенклатуре, хорошей помехоустойчивости - эти микросхемы обладают большой потребляемой мощностью. Поэтому им на смену выпускают микросхемы серии К555, принципиальное отличие которых - использование транзисторов с коллекторными переходами, зашунтированными диодами Шоттки. В результате транзисторы микросхем серии К555 не входят в насыщение, что существенно уменьшает задержку выключения транзисторов. К тому же они значительно меньших размеров, что уменьшает емкости их р-n-переходов. В результате при сохранении быстродействия микросхем серии К555 на уровне серии К155 удалось уменьшить ее потребляемую мощность примерно в 4...5 раз.
Было использовано 7 микросхем (4 К155ЛА8, 2 К555КП11 и 1 К155КП7).
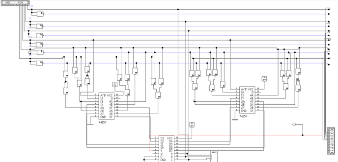
4.5 Функциональная схема цифрового управляющего устройства
Функциональная схема разработанного цифрового управляющего устройства на основе мультиплексоров с 8-мью и 2-мя информационными входами и элементов Шеффера представлена на рисунке № 4.
Моделирование предложенной схемы в Elrctronics Workbench:
Анализ с помощью анализатора:
5. Разработать функциональную схему ЦУУ, заданного логической функцией от 6-ти переменных на основе мультиплексоров с 8-ю и 2-мя информационными входами и двухвходовых логических элементов Шеффера.(2-ой вариант)
Построение схемы 8-2.
5.1 Построение таблицы на основе 1-ого уровня мультиплексирования
Управляющими сигналами мультиплексора по заданию являются сигналы X3 на первом уровне мультиплексирования и X2, X1, X0 на втором уровне мультиплексирования.
| N | X5 | X4 | X2 | X1 | X0 | X3 | -X3 |
| 2 | 0 | 0 | 0 | 1 | 0 |
| 1 |
| 3 | 0 | 0 | 0 | 1 | 1 |
| 1 |
| 6 | 0 | 0 | 1 | 1 | 0 |
| 1 |
| 8 | 0 | 0 | 0 | 0 | 0 | 1 |
|
| 9 | 0 | 0 | 0 | 0 | 1 | 1 |
|
| 11 | 0 | 0 | 0 | 1 | 1 | 1 |
|
| 12 | 0 | 0 | 1 | 0 | 0 | 1 |
|
| 16 | 0 | 1 | 0 | 0 | 0 |
| 1 |
| 20 | 0 | 1 | 1 | 0 | 0 |
| 1 |
| 21 | 0 | 1 | 1 | 0 | 1 |
| 1 |
| 23 | 0 | 1 | 1 | 1 | 1 |
| 1 |
| 24 | 0 | 1 | 0 | 0 | 0 | 1 |
|
| 25 | 0 | 1 | 0 | 0 | 1 | 1 |
|
| 26 | 0 | 1 | 0 | 1 | 0 | 1 |
|
| 29 | 0 | 1 | 1 | 0 | 1 | 1 |
|
| 31 | 0 | 1 | 1 | 1 | 1 | 1 |
|
| 35 | 1 | 0 | 0 | 1 | 1 |
| 1 |
| 36 | 1 | 0 | 1 | 0 | 0 |
| 1 |
| 37 | 1 | 0 | 1 | 0 | 1 |
| 1 |
| 38 | 1 | 0 | 1 | 1 | 0 |
| 1 |
| 42 | 1 | 0 | 0 | 1 | 0 | 1 |
|
| 43 | 1 | 0 | 0 | 1 | 1 | 1 |
|
| 45 | 1 | 0 | 1 | 0 | 1 | 1 |
|
| 47 | 1 | 0 | 1 | 1 | 1 | 1 |
|
| 50 | 1 | 1 | 0 | 1 | 0 |
| 1 |
| 52 | 1 | 1 | 1 | 0 | 0 |
| 1 |
| 55 | 1 | 1 | 1 | 1 | 1 |
| 1 |
| 56 | 1 | 1 | 0 | 0 | 0 | 1 |
|
| 57 | 1 | 1 | 0 | 0 | 1 | 1 |
|
| 59 | 1 | 1 | 0 | 1 | 1 | 1 |
|
| 60 | 1 | 1 | 1 | 0 | 0 | 1 |
|
| 62 | 1 | 1 | 1 | 1 | 0 | 1 |
|
5.2 Первый уровень мультиплексирования
После выделения управляющих переменных для мультиплексоров 1-ого уровня, были получены следующие логические функции от четырех переменных, соответствующие входам мультиплексора 1-ого уровня мультиплексирования.
5.3 Второй уровень мультиплексирования
В данном случае второй уровень мультиплексирования реализует 2 функции для информационных входов мультиплексора первого уровня. При этом используются восьмивходовые мультиплексоры.
Для распределения сигналов по входам мультиплексора второго уровня также используются карты Карно соответствующих логических функций. Рассмотрим построение входных сигналов для мультиплексоров второго уровня.
В качестве управляющих переменных выбраны переменные
D0:
| X2, X1, X0 X5,X4 | 000 | 001 | 011 | 010 | 110 | 111 | 101 | 100 |
| 00 | 1 | 1 | 1 | |||||
| 01 | 1 | 1 | 1 | 1 | ||||
| 11 | 1 | 1 | 1 | |||||
| 10 | 1 | 1 | 1 | 1 | ||||
| D0 | D1 | D3 | D2 | D6 | D7 | D5 | D4 |
Входные сигналы для информационных входов 1 мультиплексора первого уровня:















