РПЗ (1058277), страница 4
Текст из файла (страница 4)
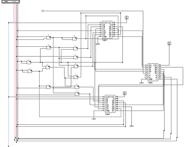
3.5.2 Построение схемы 8-2
Для распределения сигналов по информационным входам мультиплексора используется метод карт Карно. Управляющими сигналами мультиплексора по заданию являются сигналы X5 на втором уровне мультиплексирования и X4,X3,X0 на первом уровне мультиплексирования.
Распределение сигналов показано в таблице:
| X5 X4,X3,X2,X1,X0 | 0 | 1 |
| 00000 | 1 | |
| 00001 | ||
| 00010 | 1 | 1 |
| 00011 | 1 | 1 |
| 00100 | 1 | 1 |
| 00101 | 1 | |
| 00110 | 1 | |
| 00111 | 1 | |
| 01000 | 1 | |
| 01001 | 1 | |
| 01010 | 1 | |
| 01011 | ||
| 01100 | ||
| 01101 | 1 | |
| 01110 | 1 | 1 |
| 01111 | 1 | |
| 10000 | 1 | |
| 10001 | 1 | 1 |
| 10010 | 1 | |
| 10011 | ||
| 10100 | 1 | |
| 10101 | 1 | |
| 10110 | 1 | 1 |
| 10111 | 1 | |
| 11000 | 1 | |
| 11001 | ||
| 11010 | 1 | |
| 11011 | 1 | |
| 11100 | ||
| 11101 | 1 | |
| 11110 | ||
| 11111 | 1 | 1 |
3.5.2.1 Первый уровень мультиплексирования
Необходимо начать с распределения входных сигналов на мультиплексор с двумя информационными входами и управляющим сигналом X5. Далее полученные логические функции для входов реализуются на восьми-входовых мультиплексорах второго уровня с управляющими сигналами X4, X3, X0.
Для распределения сигналов по информационным входам мультиплексора обозначим столбцы номерами входов мультиплексора соответственно номеру столбца в двоичной системе счисления:
После распределения сигналов по входам мультиплексора были получены следующие выражения:
3.5.2.2 Второй уровень мультиплексирования
Для построения второго уровня мультиплексирования для каждого информационного входа мультиплексора первого уровня входная логическая функция реализуется с помощью восьми-входовых мультиплексоров второго уровня. Для распределения сигналов по входам мультиплексора второго уровня также используются карты Карно соответствующих логических функций. Рассмотрим построение входных сигналов для мультиплексоров второго уровня.
-
Для входа D0:
| X4, X3, X1 X3,X2 | 000 | 001 | 011 | 010 | 110 | 111 | 101 | 100 |
| 00 | 1 | 1 | ||||||
| 01 | 1 | 1 | 1 | 1 | ||||
| 11 | 1 | 1 | 1 | 1 | 1 | 1 | ||
| 10 | 1 | 1 | 1 | |||||
| D0 | D1 | D3 | D2 | D6 | D7 | D5 | D4 |
Входные сигналы для информационных входов 1-го мультиплексора второго уровня:
-
Для входа D1;
| X4, X3, X1 X3,X2 | 000 | 001 | 011 | 010 | 110 | 111 | 101 | 100 |
| 00 | 1 | 1 | 1 | 1 | 1 | |||
| 01 | 1 | 1 | 1 | 1 | ||||
| 11 | 1 | 1 | 1 | 1 | ||||
| 10 | 1 | 1 | 1 | 1 | ||||
| D0 | D1 | D3 | D2 | D6 | D7 | D5 | D4 |
Входные сигналы для информационных входов 2-го мультиплексора второго уровня:
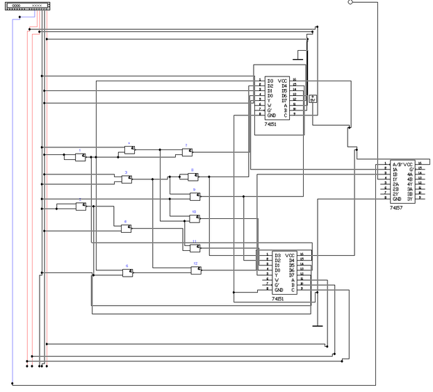
3.5.2.3 Функциональная схема
Функциональная схема ЦУУ строится на основе полученных логических выражений для информационных входов мультиплексора.
При построении схемы были использованы элементы К155КП7 (1 четырехблочных двухвходовых мультиплексора) и К155КП5 ( 2 восьмивходовой мультиплексор) и К155ЛА1 (1 логических элементов Шеффера) .
Функциональная схема ЦУУ представлена на листе №5
3.6 Выводы
На основе проделанной работы можно сделать следующие выводы:
-
Для построения ЦУУ предпочтительнее использовать мультиплексоры, так как это значительно сокращает количество используемых элементов.
-
Увеличение количества переменных приводит к усложнению самой процедуры минимизации ДНФ, что вынуждает применять различные математические методы.
-
Переход от схемы 2-8 к схеме 8-2 уменьшает количество сигналов в схеме.
Заключение
Мультиплексор позволяет реализовать логические функции, значительно снижая количество элементарных элементов. Вследствие этого мультиплексоры использовать гораздо предпочтительнее, чем простые элементы. Кроме этого их использование делает схему проще и нагляднее, снижает вероятность возникновения ошибки и время обработки самой функции.
5. Список литературы
1. Методические указания к курсовой работе.
2. Цифровые и аналоговые интегральные микросхемы: Справочник / С.В.Якубовский, Л.И. Ниссельсон, В.И. Кулешова и др. Под ред. С.В. Якубовского – М.: Радио и связь, 1990. – 496 с.: ил.
3. Дискретная математика.: Учебник для втузов. А.И.Белоусов, С.Б.Ткачев– М.: МГТУ,2001-7442с.
4. Конспект лекций по Архитектуре ЭВМ..: Лекции. Преп. С.Б. Спиридонов.– М.: МГТУ,2005.
















