RPZ (1058132), страница 2
Текст из файла (страница 2)
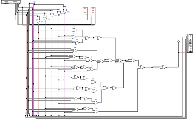
Схема устройства в EWB5.12:
2.3.1 Функциональная схема
При построении схемы в качестве двухвходового логического элемента Пирса использованы элементы К555ЛЕ1 (микросхема представляет собой четыре логических элемента 2ИЛИ-НЕ), а в качестве трехвходового элемента Пирса - К555ЛЕ5 (микросхема представляет собой четыре логических элемента 3ИЛИ-НЕ).
Функциональная схема ЦУУ представлена на листе №1.
2.4 Синтез ЦУУ на основе мультиплексоров и логических элементов Шеффера (4+2 разрядные мультиплексоры).
2.4.1 Таблица, устанавливающая соответствие информационных входов мультиплексора заданным управляющим переменным.
Y1=(0,1,2,4,7,9,10,11,13,14,16,17,19,20,21,22,23,27,29,31)
Управляющие переменные: X3X0
| Y |
|
|
|
|
|
| 00000 | 0 |
|
|
|
|
| 00001 | 1 |
|
|
|
|
| 00010 | 2 |
|
|
|
|
| 00100 | 4 |
|
|
| |
| 00111 | 7 |
|
|
|
|
| 01001 | 9 |
|
| ||
| 01010 | 10 |
|
| ||
| 01011 | 11 |
|
| ||
| 01101 | 13 |
|
| ||
| 01110 | 14 |
|
| ||
| 10000 | 16 |
|
|
| |
| 10001 | 17 |
|
|
| |
| 10011 | 19 |
|
| ||
| 10100 | 20 |
|
| ||
| 10101 | 21 |
|
| ||
| 10110 | 22 |
|
| ||
| 10111 | 23 |
|
| ||
| 11011 | 27 |
|
|
| |
| 11101 | 29 |
|
|
| |
| 11111 | 31 |
|
2.4.2 Минимизация логических функций после выделения управляющих переменных Мультиплексора 1-ого уровня
2.4.2.1 Минимизация логической функции D0
2.4.2.2 Минимизация логической функции D1
2.4.2.3 Минимизация логической функции D2
2.4.2.4 Минимизация логической функции D3
Итого:
2.4.3. Соответствие информационных входов мультиплексоров 2-ого уровня выбранным управляющим переменным.
Управляющие переменные: X4
2.4.3.1 Логические функции, подаваемые на вход D0 мультиплексора 1-ого уровня, минимизация и приведение к элементам Шеффера.
2.4.3.2 Логические функции, подаваемые на вход D1 мультиплексора 1-ого уровня, минимизация и приведение к элементам Шеффера.
2.4.3.3 Логические функции, подаваемые на вход D2 мультиплексора 1-ого уровня, минимизация и приведение к элементам Шеффера.
2.4.3.4 Логические функции, подаваемые на вход D3 мультиплексора 1-ого уровня, минимизация и приведение к элементам Шеффера.
2.4.4. Функциональная схема
При построении схемы были использованы элементы К155ЛА3 (микросхема представляет собой четыре логических элемента 2И-НЕ), мультиплексор К155КП2 (микросхема представляет собой сдвоенный селектор-мультиплексор 4-1 с общими входами выбора данных и раздельными входами стробирования ) и мультиплексор К555КП16 (микросхема представляет собой счетверённый селектор-мультиплексор 2-1 с общими входами выбора данных и нераздельными входами стробирования).
Функциональная схема ЦУУ представлена на листе №2.
2.5 Синтез ЦУУ на основе мультиплексоров и логических элементов Шеффера (2+4 разрядные мультиплексоры).
2.5.1 Таблица, устанавливающая соответствие информационных входов мультиплексора заданным управляющим переменным.
Управляющие переменные: X4
| Y |
|
|
|
| 00000 | 0 |
| |
| 00001 | 1 |
| |
| 00010 | 2 |
| |
| 00100 | 4 |
| |
| 00111 | 7 |
| |
| 01001 | 9 |
| |
| 01010 | 10 |
| |
| 01011 | 11 |
| |
| 01101 | 13 |
| |
| 01110 | 14 |
| |
| 10000 | 16 |
| |
| 10001 | 17 |
|
|
| 10011 | 19 |
|
|
| 10100 | 20 |
| |
| 10101 | 21 |
| |
| 10110 | 22 |
| |
| 10111 | 23 |
| |
| 11011 | 27 |
|
|
| 11101 | 29 |
|
|
| 11111 | 31 |
|
2.5.2 Минимизация логических функций после выделения управляющих переменных Мультиплексора 1-ого уровня
2.5.2.1 Минимизация логической функции D0
| X3X2 | X1X0 | 00 | 01 | 11 | 10 | ||
| 00 | 1 | 1 | 1 | ||||
| 01 | 1 | 1 | |||||
| 11 | 1 | 1 | |||||
| 10 | 1 | 1 | 1 | ||||
2.5.2.1 Минимизация логической функции D1
| X3X2 | X1X0 | 00 | 01 | 11 | 10 | ||
| 00 | 1 | 1 | 1 | ||||
| 01 | 1 | 1 | 1 | 1 | |||
| 11 | 1 | 1 | |||||
| 10 | 1 | ||||||
Итого:
2.5.3 Соответствие информационных входов мультиплексоров 2-ого уровня выбранным управляющим переменным.
Управляющие переменные: X3X0
2.5.3.1 Логические функции, подаваемые на вход D0 мультиплексора 1-ого уровня, минимизация и приведение к элементам Шеффера.
















