Отчёт2 (1056180)
Текст из файла
Московский Государственный Технический Университет
имени Н. Э. Баумана
Лабораторная работа №2 по курсу «ЭиМПТ »
Выполнил:
студент группы БМТ 1 – 71
Зуев А. А.
Преподаватель:
Нестеров А. В.
Москва 2008 г
Задание
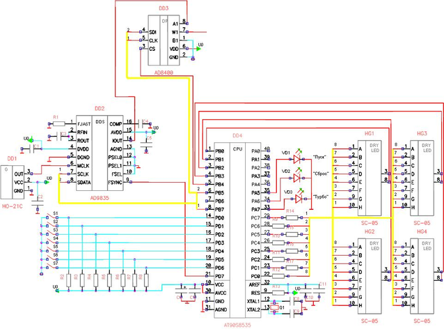
Рис.1. Электрическая принципиальная схема устройства индикации
Задание:
1. Написать программу в результате которой на индикаторах будет отображаться информация о годе, месяце и дне рождения при выполнении следующих условий:
- при нажатии кнопки «S1» на четыре индикатора выводится информация о годе рождения;
- при нажатии кнопки «S2» на двух верхних индикаторах выводится информация о дне рождения;
- при нажатии кнопки «S3» на двух нижних индикаторах выводится информация о месяце рождения;
- при остальных комбинациях кнопок на индикаторы выводится информация о числе выполнения лабораторной работы;
2. Рассчитать временные характеристики динамики индикации. Т.е. рассчитать время (частоту индикации, учитывая КИН глаза) программной задержки;
3. Опрос клавиатуры проводить 10 раз в секунду
Расчет программной задержки
Для программной задержки вывода информации на индикаторы используется следующая подпрограмма, которая размещается сразу после вывода числа на индикатор:
; ПОДПРОГРАММА - задержка во времени
;----------------------------------------------------------------------------------------------------------------------------------------------
DELAY:
ldi R16, X ; запись в РОН константы X (здесь X – первое число определяющих программную задержку)
A:
ldi R17, Y ; запись в РОН константы Y (здесь Y – второе число определяющих программную задержку)
B:
dec R17 ; декремент содержимого 17 РОН
brne B ; переход по "не равно" к метке, иначе - к следующей команде
dec R16 ; декремент содержимого 16 РОН
brne A ; переход по "не равно" к метке, иначе - к следующей команде
ret ; возвращение из подпрограммы
;----------------------------------------------------------------------------------------------------------------------------------------------
Подсчитаем число машинных циклов, за которое выполняется подпрограмма. Вложенный цикл включает в себя две команды: dec, brne – первая из которых выполняется за 1 машинный цикл, а вторая за 1 цикл, если флаг нуля установлен (числа равны) и за 2, если флаг нуля сброшен (числа не равны). Внешний же цикл состоит из трёх команд (ldi, dec, brne), команда ldi выполняется за 1 машинный цикл, остальные команды выполняются аналогично тому, как описано выше. Вложенный цикл выполняется такое число раз, какое мы записываем константой X, число же машинных циклов за которое выполняется внутренний цикл определяется выражением:
Перемножая число выполнений внутреннего цикла на число машинных циклов, за которое этот цикл выполняется, получаем:
Добавляя к этому числу число машинных циклов, за которое выполняются команды внешнего цикла, получаем число циклов выполнения внешнего цикла:
Вся же подпрограмма выполняется за
машинных циклов, т.к. мы учитываем выполнение вводной команды ldi за 1 цикл и команду возвращения из подпрограммы ret, выполняемую за 4цикла. В итоге получаем время выполнения всей подпрограммы:
Числа X и Y надо подобрать таким образом, чтобы человеческий глаз не воспринимал индикацию чисел мерцающей. Для этого частота мерцания должна быть больше 50 Гц. Учитывая также, что используются четыре индикатора, для времени, в течение которого каждый индикатор может оставаться активным, можем записать условие:
Это же время определяется тактовой частотой работы МК и числом машинных циклов в подпрограмме задержки:
Таким образом пользуясь условием (2) и выражениями (1), (3), определим необходимые числа X и Y:
Задавшись
и
, и применив (4) получим:
. Выберем
и получим частоту смены изображения на индикаторах
- мы будем воспринимать индикацию выбранного числа так, как будто все четыре цифры светятся одновременно.
Программа для МК ATMega16
.include "m16def.inc"
.CSEG
.ORG 0
rjmp RESET ; âåêòîð ñáðîñà (PC=$0000, SP=$0000, SREG=00000000)
RESET:
;èíèöèàëèçàöèÿ ðåãèñòðà ÓÑ
ldi R25, low(RAMEND); (PC=$0001, SP=$0000)
out spl, R25; (PC=$0002, SP=$0000)
ldi R25, high(RAMEND); (PC=$0003, SP=$005F)
out sph, R25; (PC=$0004, SP=$005F)
; èíèöèàëèçàöèÿ ïîðòîâ ÂÂ
ser R18 ; âî âñå ðàçðÿäû 18 ÐÎÍ çàïèñûâàåì åäèíèöû (PC=$0005, SP=$045F)
out ddrC, R18 ; ïîðò C ïðîãðàììèðóåòñÿ íà âûâîä èíôîðìàöèè (PC=$0006, SP=$045F)
out ddrB, R18 ; ïîðò B ïðîãðàììèðóåòñÿ íà âûâîä èíôîðìàöèè (PC=$0007)
clr R18 ; î÷èùàåì âñå ðàçðÿäû 18 ÐÎÍ - çàïèñûâàåì òóäà íóëè (PC=$0008)
out ddrD, R18 ; ïîðò D ïðîãðàììèðóåòñÿ íà ââîä èíôîðìàöèè (PC=$0009, SREG=00000010)
.DEF keyboard1=R20
.DEF keyboard2=R21
.DEF temp=R22
.DEF temp2=R23
.DEF kod=R24
.DEF key=R25
.DEF led=R26
.DEF opros=R27
rjmp MAIN ; áåçóñëîâíûé ïåðåõîä ê òåëó îñíîâíîé ïðãðàììû (PC=$000A)
; ÏÎÄÏÐÎÃÐÀÌÌÀ - çàäåðæêà âî âðåìåíè
;---------------------------------------------------------------------------------------
DELAY:
ldi R16, 50; (PC=$000B, SP=$0045B)
A:
ldi R17, 132; (PC=$000C)
B:
dec R17 ; äåêðåìåíò ñîäåðæèìîãî ÐÎÍ (PC=$000D)
brne B ; ïåðåõîä ïî "íå ðàâíî" ê ìåòêå, èíà÷å - ê ñëåäóþùåé êîìàíäå (PC=$000E)
dec R16 ; äåêðåìåíò ñîäåðæèìîãî ÐÎÍ (PC=$000F)
brne A ; ïåðåõîä ïî "íå ðàâíî" ê ìåòêå, èíà÷å - ê ñëåäóþùåé êîìàíäå (PC=$0010)
ret ; âîçâðàùåíèå èç ïîäïðîãðàììû (PC=$0011)
;---------------------------------------------------------------------------------------
; ÏÎÄÏÐÎÃÐÀÌÌÀ - îïðåäåëåíèå íàæàòèÿ êíîïîê êëàâèàòóðû
;---------------------------------------------------------------------------------------
KEYBOARD:
;çàäà¸ì äàòó âûïîëíåíèÿ - äåíü/ìåñÿö
ldi keyboard1, 10 ; ìåñÿö âûïîëíåíèÿ (PC=$0012,SP=$045D)
ldi keyboard2, 26 ; äåíü âûïîëíåíèÿ (PC=$0013)
;ïðîâåðÿåì íàæàòèå êíîïîê:
sbis pinD, 0 ; åñëè íóëåâîé ðàçðÿä PINC óñòàíîâëåí (êíîïêà S1 íå íàæàòà, ñìîòðè ñõåìó), òî ñëåäóþùàÿ êîìàíäà ïðîïóñêàåòñÿ (PC=$0014)
ldi keyboard1, 88 ; åñëè êíîïêà S1 íàæàòà, òî çàïèñûâàåì â ÐÎÍ ìëàäøèé áàéò ãîäà
sbis pinD, 0 ; åñëè íóëåâîé ðàçðÿä PINC óñòàíîâëåí (êíîïêà S1 íå íàæàòà), òî ñëåäóþùàÿ êîìàíäà ïðîïóñêàåòñÿ
ldi keyboard2, 19 ; åñëè êíîïêà S1 íàæàòà, òî çàïèñûâàåì â ÐÎÍ ñòàðøèé áàéò ãîäà
sbis pinD, 1 ; åñëè ïåðâûé ðàçðÿä PINC óñòàíîâëåí (êíîïêà S2 íå íàæàòà), òî ñëåäóþùàÿ êîìàíäà ïðîïóñêàåòñÿ
ldi keyboard1, $17 ; åñëè êíîïêà S2 íàæàòà, òî çàïèñûâàåì â ÐÎÍ áàéò äíÿ
sbis pinD, 2 ; åñëè âòîðîé ðàçðÿä PINC óñòàíîâëåí (êíîïêà S3 íå íàæàòà), òî ñëåäóþùàÿ êîìàíäà ïðîïóñêàåòñÿ
ldi keyboard1, $08 ; åñëè êíîïêà S1 íàæàòà, òî çàïèñûâàåì â ÐÎÍ áàéò ìåñÿöà
; íà âûõîäå ïîëó÷àåì ÐÎÍ Keyboard1/2 ñîäåðæàùèå èíôîðìàöèþ î äíå, ìåñÿöå, ãîäå èëè äàòå âûïîëíåíèÿ ëàáîðàòîðíîé â çàâèñèìîñòè îò êîìáèíàöèè íàæàòûõ êíîïîê
ret ; âîçâðàùåíèå èç ïîäïðîãðàììû
;---------------------------------------------------------------------------------------
; ÏÎÄÏÐÎÃÐÀÌÌÀ - ðàçäåëåíèå ðàçðÿäîâ âûáðàííûõ ÷èñåë
;--------------------------------------------------------------------------------------- DIVIDE:
clr temp
DIVIDE1:
subi key,10 ; âû÷èòàåì èç ÐÎÍ ÷èñëî 10
brcs DIVIDE2 ; ïåðåõîä ïî ôëàãó ïåðåíîñà, èíà÷å ïåðåõîä ê ñëåäóþùåé êîìàíäå
inc temp
rjmp DIVIDE1 ; áåçóñëîâíûé ïåðåõîä ïî ññûëêå
DIVIDE2:
subi key,-10 ; âû÷èòàåì èç ÐÎÍ ÷èñëî -10
; òàêèì îáðàçîì â ðåãèñòðå "key" îñòàëîñü ÷èñëî åäèíèö, à â ðåãèñòðå "temp" - ÷èñëî äåñÿòêîâ
ret ; âîçâðàùåíèå èç ïîäïðîãðàììû
;---------------------------------------------------------------------------------------
; ÏÎÄÏÐÎÃÐÀÌÌÀ - ïåðåâîä â êîä ñåìèñåãìåíòíîãî
;--------------------------------------------------------------------------------------- TRANSLATE:
cpi temp2, 0 ; ñðàâíèâàåì ÷èñëî ñîäåðæàùååñÿ â ÐÎÍ temp2 ñ íóë¸ì
brne TRANSLATE1 ; åñëè ôëàã íóëÿ íå óñòàíîâëåí, òî ïðåõîäèì ïî ìåòêå, èíà÷å ÷èñëà ðàâíû - ïðåõîäèì ê ñëåäóþùåé êîìàíäå
ldi kod, $3F ; åñëè æå ôëàã íóëÿ óñòàíîâëåí çàïèñûâàåì â âûõîäíîé ÐÎÍ "kod" êîä ñåìèìñåãìåíòíîãî èíäèêàòîðà äëÿ íóëÿ
rjmp TRANSLATEEND ; áåçóñëîâíûé ïåðåõîä â êîíåö âûïîëíåíèÿ ïîäïðîãðàììû
TRANSLATE1:
cpi temp2, 1
brne TRANSLATE2
ldi kod, $06
rjmp TRANSLATEEND
TRANSLATE2:
cpi temp2, 2
brne TRANSLATE3
ldi kod, $5B
rjmp TRANSLATEEND
TRANSLATE3:
cpi temp2, 3
brne TRANSLATE4
ldi kod, $4F
rjmp TRANSLATEEND
TRANSLATE4:
cpi temp2, 4
brne TRANSLATE5
ldi kod, $67
rjmp TRANSLATEEND
TRANSLATE5:
cpi temp2, 5
brne TRANSLATE6
ldi kod, $6D
rjmp TRANSLATEEND
TRANSLATE6:
cpi temp2, 6
brne TRANSLATE7
ldi kod, $7D
rjmp TRANSLATEEND
TRANSLATE7:
cpi temp2, 7
brne TRANSLATE8
ldi kod, $07
rjmp TRANSLATEEND
TRANSLATE8:
cpi temp2, 8
brne TRANSLATE9
ldi kod, $7F
rjmp TRANSLATEEND
TRANSLATE9:
ldi kod, $6F
TRANSLATEEND:
ret ; âîçâðàùåíèå èç ïîäïðîãðàììû
;---------------------------------------------------------------------------------------
MAIN:
rcall KEYBOARD ; âûçûâàåì ïîäïðîãðàììó, ïîçâîëÿþùóþ îïðåäåëèòü íàæàòûå êíîïêè (ïîñëå å¸ âûïîëíåíèÿ ïîëó÷àåì èíôîðìàöèþ î âûáðàííûõ ÷èñëàõ â äâóõ ÐÎÍ, keyboard1 è keyboard2)
(PC=$004A, SP=$045F)
rcall IMAGE ; âûçûâàåì ïîäïðîãðàììó óïðàâëåíèÿ âûâîäîì ÷èñåë í ñåìèìåãìåíòíûé èíäèêàòîð (PC=$004B, SP=$045F)
rjmp MAIN ; áåçóñëîâíûé ïåðåõîä â íà÷àëî îñíîâíîé ïðîãðàììû MAIN
; ÏÎÄÏÐÎÃÐÀÌÌÀ - âûûîä ÷èñåë íà ñåìèñåãìåíòíûé èíäèêàòîð
;---------------------------------------------------------------------------------------
IMAGE:
; ïðîâåðÿåì íàæàòà ëè õîòü êàêàÿ-íèáóäü êíîïêà
Характеристики
Тип файла документ
Документы такого типа открываются такими программами, как Microsoft Office Word на компьютерах Windows, Apple Pages на компьютерах Mac, Open Office - бесплатная альтернатива на различных платформах, в том числе Linux. Наиболее простым и современным решением будут Google документы, так как открываются онлайн без скачивания прямо в браузере на любой платформе. Существуют российские качественные аналоги, например от Яндекса.
Будьте внимательны на мобильных устройствах, так как там используются упрощённый функционал даже в официальном приложении от Microsoft, поэтому для просмотра скачивайте PDF-версию. А если нужно редактировать файл, то используйте оригинальный файл.
Файлы такого типа обычно разбиты на страницы, а текст может быть форматированным (жирный, курсив, выбор шрифта, таблицы и т.п.), а также в него можно добавлять изображения. Формат идеально подходит для рефератов, докладов и РПЗ курсовых проектов, которые необходимо распечатать. Кстати перед печатью также сохраняйте файл в PDF, так как принтер может начудить со шрифтами.















