Отчёт №3-1 (1056176)
Текст из файла
Московский Государственный Технический Университет
имени Н. Э. Баумана
Лабораторная работа №2 по курсу «ЭиМПТ »
Выполнил:
студент группы БМТ 1 – 71
Зуев А. А.
Преподаватель:
Нестеров А. В.
Москва 2008 г
Задание
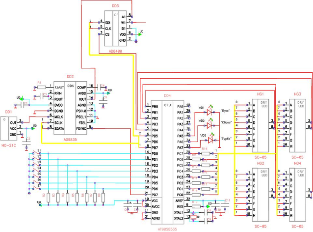
Рис.1. Электрическая принципиальная схема устройства индикации
Задание:
1. Написать программу в результате которой на индикаторах будет отображаться информация о годе, месяце и дне рождения при выполнении следующих условий:
- при нажатии кнопки «S1» на четыре индикатора выводится информация о годе рождения;
- при нажатии кнопки «S2» на двух верхних индикаторах выводится информация о дне рождения;
- при нажатии кнопки «S3» на двух нижних индикаторах выводится информация о месяце рождения;
- при остальных комбинациях кнопок на индикаторы выводится информация о числе выполнения лабораторной работы;
Программа для МК ATMega16
;Program Timer Interrupt;
.include "m16def.inc";
.DEF STOP=R16
.DEF timer=R17
.DEF keyboard1=R20
.DEF keyboard2=R21
.DEF temp=R22
.DEF temp2=R23
.DEF kod=R24
.DEF key=R25
.DEF led=R26
.DEF opros=R27
.CSEG
.org 0;
jmp RESET;
.org OC0addr; устанавливаем програмный счётчик на адрес 0x26 - адрес вектора прерывания таймера/счётчика
jmp Compare; безусловный переход в блок обработки прерывания "совпадение содержимого регистра сравнения с содержимым счётного регистра счётчика"
;>>>>>>>>>>>>>>>>>>>>>>>>>>>>>>>>>>>>>>>>>>>>>>>>>>>>>>>>>>>>>>>>>>>>>>>>>>>>>>>>>>>>
;ПОДПРОГРАММА обработки прерывния по совпадению содержимого регистра сравнения с содержимым счётного регистра счётчика
Compare:
clr timer; сбрасываем все разряды РОН
out tccr0, timer; останавливаем таймер/счётчик
out tcnt0, timer; стираем содержимое счётного регистра таймера/счётчика
reti; возвращение из подпрограммы обработки прерывания
;<<<<<<<<<<<<<<<<<<<<<<<<<<<<<<<<<<<<<<<<<<<<<<<<<<<<<<<<<<<<<<<<<<<<<<<<<<<<<<<<<<<<<<
RESET:
;инициализация регистра указателя стека
ldi R16, LOW(RAMEND);
out spl, R16;
ldi R16, HIGH(RAMEND);
out sph, R16;
; инициализация портов ВВ
ser R18 ; во все разряды 18 РОН записываем единицы
out ddrC, R18 ; порт C программируется на вывод информации
out ddrB, R18 ; порт B программируется на вывод информации
clr R18 ; очищаем все разряды 18 РОН - записываем туда нули
out ddrD, R18 ; порт D программируется на ввод информации
; инициализация таймера/счётчика (разрешение прерываний);
ldi R17, (1<<OCIE0);
out timsk, R17; устанавливаем флаг разрешения прерывания по событию "совпадение" таймера/счётчика0
ldi STOP, 20;
out OCR0,STOP; записываем в регистр сравнения таймера/счётчика число 20
sei; установка общего разрешения прерываний;
rjmp MAIN ; безусловный переход к телу основной прграмм
; ПОДПРОГРАММА - запуск таймера
;<<<<<<<<<<<<<<<<<<<<<<<<<<<<<<<<<<<<<<<<<<<<<<<<<<<<<<<<<<<<<<<<<<<<<<<<<<<<<<<<<<<<<<
Timer_go:
ldi timer, (1<<CS02);
out tccr0, timer; устанавливаем коэффициент предделителя равным 256, и режим работы - Normal
ser timer; устанавливаем все биты РОН в единичное состояние
LOOP:
tst timer;
brne LOOP; переход по "не равно" (Z=0) к метке, иначе - к следующей команде
ret ; возвращение из подпрограммы
;>>>>>>>>>>>>>>>>>>>>>>>>>>>>>>>>>>>>>>>>>>>>>>>>>>>>>>>>>>>>>>>>>>>>>>>>>>>>>>>>>>>>>
; ПОДПРОГРАММА - определение нажатия кнопок клавиатуры
;----------------------------------------------------------------------------------------------------------------------------------------------
KEYBOARD:
;задаём дату выполнения - день/месяц
ldi keyboard1, 11 ; месяц выполнения
ldi keyboard2, 26 ; день выполнения
;проверяем нажатие кнопок:
sbis pinD, 0 ; если нулевой разряд PINC установлен (кнопка S1 не нажата, смотри схему), то следующая команда пропускается
ldi keyboard1, 88 ; если кнопка S1 нажата, то записываем в РОН младший байт года
sbis pinD, 0 ; если нулевой разряд PINC установлен (кнопка S1 не нажата), то следующая команда пропускается
ldi keyboard2, 19 ; если кнопка S1 нажата, то записываем в РОН старший байт года
sbis pinD, 1 ; если первый разряд PINC установлен (кнопка S2 не нажата), то следующая команда пропускается
ldi keyboard1, $17 ; если кнопка S2 нажата, то записываем в РОН байт дня
sbis pinD, 2 ; если второй разряд PINC установлен (кнопка S3 не нажата), то следующая команда пропускается
ldi keyboard1, $08 ; если кнопка S1 нажата, то записываем в РОН байт месяца
; на выходе получаем РОН Keyboard1/2 содержащие информацию о дне, месяце, годе или дате выполнения лабораторной в зависимости от комбинации нажатых кнопок
ret ; возвращение из подпрограммы
;----------------------------------------------------------------------------------------------------------------------------------------------
; ПОДПРОГРАММА - разделение разрядов выбранных чисел
;----------------------------------------------------------------------------------------------------------------------------------------------
DIVIDE:
clr temp
DIVIDE1:
subi key,10 ; вычитаем из РОН число 10
brcs DIVIDE2 ; переход по флагу переноса, иначе переход к следующей команде
inc temp
rjmp DIVIDE1 ; безусловный переход по ссылке
DIVIDE2:
subi key,-10 ; вычитаем из РОН число -10
; таким образом в регистре "key" осталось число единиц, а в регистре "temp" - число десятков
ret ; возвращение из подпрограммы
;----------------------------------------------------------------------------------------------------------------------------------------------
; ПОДПРОГРАММА - перевод в код семисегментного индикатора
;----------------------------------------------------------------------------------------------------------------------------------------------
TRANSLATE:
cpi temp2, 0 ; сравниваем число содержащееся в РОН temp2 с нулём
brne TRANSLATE1 ; если флаг нуля не установлен, то преходим по метке, иначе числа равны - преходим к следующей команде
ldi kod, $3F ; если же флаг нуля установлен записываем в выходной РОН "kod" код семимсегментного индикатора для нуля
rjmp TRANSLATEEND ; безусловный переход в конец выполнения подпрограммы
TRANSLATE1:
cpi temp2, 1
brne TRANSLATE2
ldi kod, $06
rjmp TRANSLATEEND
TRANSLATE2:
cpi temp2, 2
brne TRANSLATE3
ldi kod, $5B
rjmp TRANSLATEEND
TRANSLATE3:
cpi temp2, 3
brne TRANSLATE4
ldi kod, $4F
rjmp TRANSLATEEND
TRANSLATE4:
cpi temp2, 4
brne TRANSLATE5
ldi kod, $67
rjmp TRANSLATEEND
TRANSLATE5:
cpi temp2, 5
brne TRANSLATE6
ldi kod, $6D
rjmp TRANSLATEEND
TRANSLATE6:
cpi temp2, 6
brne TRANSLATE7
ldi kod, $7D
rjmp TRANSLATEEND
TRANSLATE7:
cpi temp2, 7
brne TRANSLATE8
ldi kod, $07
rjmp TRANSLATEEND
TRANSLATE8:
cpi temp2, 8
brne TRANSLATE9
ldi kod, $7F
rjmp TRANSLATEEND
TRANSLATE9:
ldi kod, $6F
TRANSLATEEND:
ret ; возвращение из подпрограммы
;----------------------------------------------------------------------------------------------------------------------------------------------
MAIN:
rcall KEYBOARD ; вызываем подпрограмму, позволяющую определить нажатые кнопки (после её выполнения получаем информацию о выбранных числах в двух РОН, keyboard1 и keyboard2)
rcall IMAGE ; вызываем подпрограмму управления выводом чисел н семимегментный индикатор
rjmp MAIN ; безусловный переход в начало основной программы MAIN
; ПОДПРОГРАММА - вывод чисел на семисегментный индикатор
;----------------------------------------------------------------------------------------------------------------------------------------------
IMAGE:
; проверяем нажата ли хоть какая-нибудь кнопка
in temp, pinD ; записываем в РОН состояние входов порта D
cpi temp, $FF ; если не одна из кнопок не нажата то в результате этого сравнения будет установлен флаг нуля
breq NOTHING ; если флаг нуля будет установлен, то перейти по метке, иначе - дальше по программе:
mov key, keyboard1 ; подготавливаем младший байт числа, выбранного нажатием соответствующей кнопки, к разделению разрядов
rcall DIVIDE ; вызываем подпрограмму разделяющую разряды десятичного числа записанного в РОН "key"
cpi keyboard1, $17 ; сравниваем содержимое РОН с младшим байтом числа дня рождения
breq IMAGE1 ; если эти числа равны, то переходим по метке, иначе:
cpi keyboard1, $08 ; сравниваем содержимое РОН с младшим байтом числа месяца рождения
breq IMAGE1 ; если эти числа равны, то переходим по метке, иначе:
mov R18, key ; записываем число единиц в числе младшего байта выбранного числа в промежуточный 18 РОН
mov R19, temp ; записываем число десятков в числе младшего байта выбранного числа в промежуточный 19 РОН
mov key, keyboard2 ; подготавливаем старший байт числа к разделению разрядов
rcall DIVIDE ; вызываем подпрограмму разделяющую разряды десятичного числа записанного в РОН "key"
;подготовка к выводу чисел на индикаторы:
mov temp2, temp ; записываем в РОН "temp2" число десятков старшего байта года рождения
rcall TRANSLATE ; вызываем программу перевода чисел в код семисегментного индикатора
mov R28, kod ; записываем код для семимегментного индикатора старшего разряда года в промежуточный рнгистр РОН
mov temp2, key ; записываем в РОН "temp2" число единиц старшего байта года рождения
rcall TRANSLATE ; вызываем программу перевода чисел в код семисегментного индикатора
mov R29,kod ; записываем код для семимегментного индикатора третьего разряда года в промежуточный рнгистр РОН
mov temp2, R19 ; записываем в РОН "temp2" число десятков младшего байта года рождения
rcall TRANSLATE ; вызываем программу перевода чисел в код семисегментного индикатора
mov R30, kod ; записываем код для семимегментного индикатора второго разряда года в промежуточный рнгистр РОН
mov temp2, R18 ; записываем в РОН "temp2" число единиц младшего байта года рождения
rcall TRANSLATE ; вызываем программу перевода чисел в код семисегментного индикатора
ldi opros, 5 ; устанавливаем количество циклов вывода года до следующего опроса клавиатуры
;<<<<<<<<<<<<<<<<<<<<<<<<<<<<<<<<<<<<<<<<<<<<<<<<<<<<<<<<<<<<<<<<<<<<<<<<<<<<<<<<<<<<<<
GOYEAR:
; вывод старшего разряда года на первый индикатор
out portC, R28 ; вывод старшего разряда года с выходов порта C
ldi led, $FE ; указываем индикатор для вывода (здесь первый)
out portB, led ; программируем выходы порта B для работы первого индикатора
Характеристики
Тип файла документ
Документы такого типа открываются такими программами, как Microsoft Office Word на компьютерах Windows, Apple Pages на компьютерах Mac, Open Office - бесплатная альтернатива на различных платформах, в том числе Linux. Наиболее простым и современным решением будут Google документы, так как открываются онлайн без скачивания прямо в браузере на любой платформе. Существуют российские качественные аналоги, например от Яндекса.
Будьте внимательны на мобильных устройствах, так как там используются упрощённый функционал даже в официальном приложении от Microsoft, поэтому для просмотра скачивайте PDF-версию. А если нужно редактировать файл, то используйте оригинальный файл.
Файлы такого типа обычно разбиты на страницы, а текст может быть форматированным (жирный, курсив, выбор шрифта, таблицы и т.п.), а также в него можно добавлять изображения. Формат идеально подходит для рефератов, докладов и РПЗ курсовых проектов, которые необходимо распечатать. Кстати перед печатью также сохраняйте файл в PDF, так как принтер может начудить со шрифтами.















