03-Триггеры (1055981), страница 2
Текст из файла (страница 2)
определяется сигналами y2 и y3 на выходах элементов DD2 и DD3 При С=0, y2 = y3 = 1 и, следовательно, информационный сигнал не может влиять на значения 0 и 0. Кроме того, так как при R = S = 1 и С = 0 на входах элементов DD1 и DD4 имеется по две логических единицы, то y4 = D и y1 = D . Поэтому, когда С изменяется от нуля до единицы, y2 принимает значение D а, y3=D. В результате D триггер устанавливается в состояние Qt+1=Dt.
Рис.8
ля устойчивой работы D триггера изменение сигнала на входе D должно происходить с опережением относительно фронта импульса С. Во время действия импульса С желательно постоянство сигнала D , т.е. перекрытие импульса D по отношению к импульсу С(рис.8).D триггер может работать в режиме счётного Т триггера. Для этого инверсный выход Q соединяют с информационным входом D (рис.8) . Поскольку при Т = С = I Qt+1 = Dt , а, в свою очередь, Dt = Qt то Qt+1= Qt и, следовательно, с приходом каждого тактового импульса триггер изменяет состояние на противоположное.
2.6 JK-триггер.
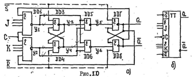
Триггеры JK типа имеют входы J и К и функционируют при J = К = I как Т триггеры, а в остальных случаях - как RS триггеры, с эквиваленитностью входа J входу S и входа К - входуR. В соответствии с таблицей истинности (рис. 10) JK триггер имеет характеристическое уравнение Qt+1 = JtQt + KtQt. Интегральные JK триггеры строятся по двухступенчатой схеме на базе RS триггеров. Различаются JK триггеры по способу управления вторым триггером. В одних случаях с этой целью применяется инвертор в цепи тактовых сигналов по аналогии с двухступенчатым Т триггером на рис 5, в других случаях используется специальная логическая цепь, например, DD5, DD6 на рис. 10a. С её помощью во время действия тактовых импульсов и записи входной информации в первый RS триггер осуществляется блокировка второго RS триггера. По окончании действия тактового импульса эта блокировка снимается и производится перезапись информации из вспомогательного триггера в основной. Действительно,
пусть, например, при J = К = I основной и вспомогательный триггеры находятся в одинаковых состояниях Q = y3 =0. Если С = 0, то y1 = y2 = I; y4 = I; y5 = I;
y6 = 0. Так как Q = 1, то с приходом фронта импульса С на входе DD3 , DD5 , DD6 появляется потенциал логического нуля с выхода DD1. Триггер DD3 , DD4 перебрасывается в состояние y3 = I. ячейки DD5 , DD6 блокируются. По окончании действия импульса С
y1 снова принимает значение I блокировка DD5 снимается, y5 становится равным 0 и триггер DD7 , DD8 переходит в состояние Q = I. Следующий импульс перебросит JK триггер в противоположное состояние.
В общем случае при подаче счетных импульсов на С вход входы J и К могут использоваться как управляющие. JK триггер при этом превращается в так называемый TV триггер , у которого Т = С,J = К = V. Подсчет импульсов осуществляется при V = 1.
Если с помощью внешнего инвертора сделать J = K , то Qt+1 = Ct(JQt + KQt) = CtJt(Qt + Qt) = CtJt = CtDt и следовательно, триггер функционирует как D триггер. Таким образом, по своим функциональным возможностям JK триггеры являются универсальными.
Описание лабораторной установки УМ - I I
Установка УМ - I I предназначена для изучения логических схем на потенциальных элементах интегрального комплекса транзисторно-транзисторной, логики серии 155.
В состав лабораторной установки входят:
-
задающая часть;
-
наборы логических элементов "И-НЕ", "И-ИЛИ-НЕ", функциональные расширители и триггеры JK и D типов;
-
восьмиразрядный тумблерный регистр для задания логических уровней "0" и "1" указанных на выходных гнёздах регистра цифрой "0" и знаком "+" соответственно;
-
восемь элементов индикации - ламп накаливания, подключенных к выходам элементов и светящихся от сигналов высокого уровня;
-
гнёзда "+" с уровнем логической единицы;
-
гнёзда "0" с уровнем логического нуля.
Задающая часть установки состоит из генератора синхроимпульсов, генератора одиночных импульсов и элемента задержки.
Генератор синхроимпульсов вырабатывает импульсы с частотой следования I МГц +/− 10%. На их основе с помощью делителя частоты на два формируются две серии импульсов с частотой повторения 500 кГц - основная СИ-I и задержанная относительно СИ-I на половину периода серия импульсов СИ-2 (рис.12.). К каждому выходу генератора синхроимпульсов можно подключить до 30 входов различных логических элементов Генератор одиночных импульсов вырабатывает импульс при нажатии кнопки ПУСК и наличии синхроимпульсов на входном гнезде "СИНХР".
Элемент задержки предназначен для задержки подаваемого на его вход сигнала дискретно с интервалом 0,1 мкс в диапазоне от 0,1 до 1,0 мкс. Полярности импульсов на входе и выходе элемента совпадают. К выходу элемента задержки можно подключать до 10 входов различных логических элементов.
Входы и выходы элементов наборного поля, генератора одиночных пульсов, элемента задержки и выходы генератора синхроимпульсов с помощью гнёзд выведены на лицевую панель установки. Здесь же имеются гнёзда для подключения осциллографа к исследуемым точкам схемы и для подачи синхронизирующего сигнала на вход осциллографа. Необходимые соединения осуществляются при помощи коммутационых шнуров.
Рис.12
4. Порядок проведения лабораторной работы.
-
Изучить описание лабораторной работы и ознакомиться с лабораторной установкой.
-
Собрать исследуемую схему, имея в виду, что незадействованный вход элементов ТТЛ ведет себя также, как при подключении к нему потенциала логической единицы.
-
Производить соединения элементов при включенном питании и подключать выходы элементов к гнездам "+" и "
" запрещается. -
При необходимости подключения к интересующим точкам схемы осциллографа, перевести его в режим ждущей синхронизации от внешнего сигнала. Выход гнезда "СИНХР" в правой верхней части установки соединить со входом
Х внешней синхронизации осциллографа. На вход гнезда "СИНХР" установки подать сигнал от генератора синхроимпульсов в соответствии с указаниями к лабораторной работе. -
Включить питание и произвести исследование собранной схемы.
-
Составить отчет о проделанной работе. Отчет должен содержать изучаемые схемы, методику исследования, таблицы, осциллограммы и другие результаты экспериментов.
5
. Исследование асинхронного RS триггера.
5.1. Изучение работы триггера в статическом режиме.
-
Собрать схему асинхронного RS триггера на элементах "И-НЕ"
-
Входы
и
триггера подключить к тумблерному регистру, а выходы Q и
- к индикаторным лампочкам; -
Задавая входные комбинации сигналов
и
исследовать работу триггера; -
Составить таблицу состояний триггера.
5.2 Изучение работы триггера в динамическом режиме.
-
К выходу Q триггера подключить осциллограф;
-
Синхронизацию осциллографа установить в соответствии с п.4. по срезу синхроимпульсов
СИ-2; -
Зарисовать временные диаграммы работы триггера.
6. Исследование синхронного RSC триггера.
6.1. Изучение работы RSC триггера в статическом режиме.
-
Собрать схему синхронного RSC триггера на элементах "И-HE";
-
Входы
,
и С подключить к тумблерному регистру, а выходы - к индикаторным лампочкам; -
Задавая комбинации сигналов
,
и C исследовать работу триггера; -
Составить таблицу состояния RSC триггера.
6.2 Изучение работы RSC триггера в динамическом режиме.
-
Оставив вход С подключенным к тумблерному регистру, подать на входы S и R синхроимпульсы
СИ-1 и СИ-2 соответственно; -
Подключить осциллограф к выходу триггера, установив внешнюю синхронизацию по срезу синхроимпульсов
СИ-2; -
Зарисовать временные диаграммы работы триггера;
7. Исследование D-триггера
7.1. Изучение D триггера в статическом режиме.
-
П
одключить выходы Q и
D триггера (рис,7б, схемы T5...T12) к индикаторным лампочкам, а информационнный вход D - к тумблерному регистру. Сигнал на входе С сформировать с помощью генератора одиночных импульсов, на вход которого подать синхроимпульсы
СИ-2; -
Задавая кнопкой ПУСК пошаговый режим работы, и изменяя сигнал D исследовать работу D триггера;
-
Составить таблицу состояний D триггера и записать его характеристическое уравнение;
7.2. Изучение работы D триггера в динамическом режиме.
-
На вход D подать синхроимпульсы
СИ-1,на вход С через элемент задержи – синхроимпульсы
1 МГц при задержке порядка 0,1...0,2 мкс. -
Установить внешнюю синхронизацию по срезу синхроимпульсов
СИ-1; -
Зарисовать временные диаграммы работы D триггера;
-
Соединить выход Q со входом D триггера, на вход С подать синхроимпульсы
CИ-I и убедиться в функционировании триггера в счетном режиме.
8
. Исследование JK триггера.
8.1. Изучение работы JK триггера в статическом режиме.
-
На входы J и К подать потенциал логической единицы с тумблерного регистра.
-
Сигнал на входе С триггера сформировать с помощью генератора одиночных импульсов. Для этого на вход «СИНХР» генератора одиночных импульсов подать синхроимпульсы
СИ-2, выход
этого генератора соединить со входом С триггера. -
Задавая кнопкой «ПУСК» пошаговый режим работы и изменяя с помощью тумблерного регистра сигналы на входах J и К, исследовать работу триггера. Составить таблицу состояний и записать характеристическое уравнение триггера.
8.2. Изучение работы JK триггера в динамическом режиме.
-
На вход J подать сигнал
СИ-1, на вход К – сигнал
СИ-2, на вход С - сигнал
1 МГц.
-
Зарисовать друг под другом осциллограммы сигналов на входах J, К, С и на выходах Q и
с указанием длительностей импульсов и пауз. На вход синхронизации осциллографа подать сигнал с выхода
триггера. -
Определить задержку переключения JK триггера. На вход С триггера подать сигнал
1 МГц. Вход внешней синхронизации осциллографа подключить к одному из выходов триггера. Переключатель множителя длительности развертки осциллографа поставить в положение «х 0,1». Наблюдая на сигналы на входе С и на прямом выходе триггера, определить задержку его переключения по уровню 0,5.
3
" запрещается.
Х внешней синхронизации осциллографа. На вход гнезда "СИНХР" установки подать сигнал от генератора синхроимпульсов в соответствии с указаниями к лабораторной работе.
СИ-1 и
СИ-1 и СИ-2 соответственно;
одключить выходы Q и 














